Устройства защиты предназначены для своевременного отключения выпрямительной установки и другого силового электрооборудования с помощью воздушного выключателя (ВВ) при возникновении аварийных режимов. К таким режимам относятся: круговой огонь и перебросы в цепи тяговых двигателей; глухое короткое замыкание на шинах постоянного тока; сквозной пробой вентилей перехода; сквозной пробой одной ветви вентилей в плече выпрямительного моста.
В устройства защиты входят: высоковольтный выключатель ВВ типа ВОВ-25-4М, электронный блок ускоренного отключения типа БУ-2, датчики перегрузки и коротких замыканий ДПЗ, бесконтактное дифференциальное реле БДР, контактор защиты КЗ.
Датчиками перегрузки и коротких замыканий служат два двухобмоточных трансформатора тока ТПОЛ-10. Один из них ТТ2 включен в общую цепь вторичной обмотки силового трансформатора со стороны переменного тока, а другой ТТ4 со стороны переменного тока — в цепь нечетных контакторов группового переключателя.
Сигнал, пропорциональный потребляемому току, подается на блок управления от вторичных обмоток этих трансформаторов по проводам 73А, 74А и 90В, 91В.
Бесконтактное дифференциальное реле БДР представляет собой замкнутый магнитопровод, через окно которого проходят кабели к двум параллельным цепям тяговых двигателей. На этом же магнитопроводе размещена катушка управления.
Силовые провода через магнитопровод проходят перекрестно (рис. 133), так что магнитные потоки Ф1. и Ф2 от токов /і и /2 направлены встречно, поэтому при равных токах в обеих ветвях тяговых двигателей суммарный магнитный поток практически равен нулю. При возникновении кругового огня на одном из двигателей ток одной ветви резко возрастает. Баланс токов нарушается, и в магнитопроводе возникает магнитный поток. Под действием этого потока в катушке управления БДР возникает э. д. е., которая и является аварийным

сигналом датчика. Эта э. д. с. подается на вход блока управления по проводам 75А, 76А.
Магнитопровод БДР выполнен из электротехнической стали Э48. Катушка управления имеет 2500 витков провода диаметром 0,2 мм с общим сопротивлением 160 Ом при 20 °С.
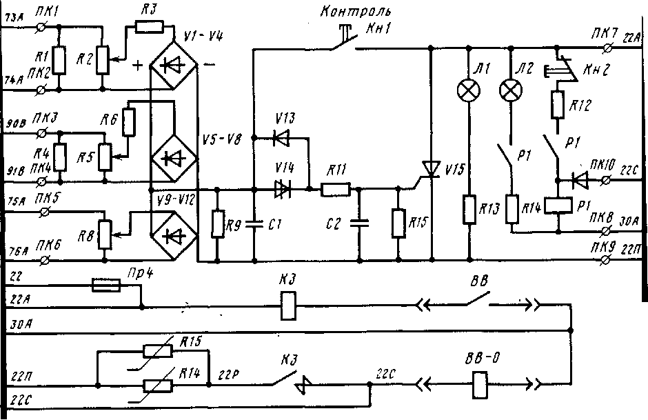
Блок ускоренного отключения БУ-2 (рис. 134) подает на отключающую катушку выключателя ВВ-0 мощный импульс тока, ускоряющий его отключение.
Питание на панель управления подается по проводу 22А, который через предохранитель Пр4 соединен с проводом 22. Провод 22 получает питание непосредственно от аккумуляторной батареи, чтобы пульсации выпрямленного напряжения ПО В не повлияли на быстродействие защиты.
Сигналы на отключение подаются от датчиков ДПЗ и БДР на выпрямительные мосты VI—VI2. Резисторы R2, R5, R8 предназначены для регулирования уставки на срабатывание защиты.
Сигнал, снимаемый с мостов, сглаживается конденсатором С/ и через переключающий диод V14 подается на управляющий электрод тиристора V15. Пока уровень сигнала невелик, диод V14 закрыт и не пропускает ток на тиристор V15. Когда сигнал с датчиков в аварийном режиме превышает напряжение переключения диода V14, возникает ток, открывающий тиристор V15. После открытия тиристора V15 получает питание катушка ВВ-0 по цепи: провод 22, предохрани-

Рис. 134. Схема блока ускоренного отключения ВВ
тель Пр4, 22А, тиристор 15, 22П, параллельно соединенные регулируемые резисторы R14 и R15, 22Р, замкнутый контакт контактора защиты КЗ, 22С, катушка ВВ-О, провод ЗОА. Под действием импульса тока катушка ВВ-0 срабатывает, и ВВ отключается. Параллельно включенные резисторы R14, R15 ограничивают ток цепи катушки ВВ-О. Контакт ВВ в проводах 22Г—30А разрывает цепь питания катушки контактора КЗ, главный контакт 22Р-22С которого отключает ток катушки ВВ-О, после чего тиристор V'15 закрывается.
После открытия тиристора V15 через включенные контакты КЗ от провода 22С получает питание катушка сигнального реле PI. Один замыкающий контакт реле PI включает сигнальную лампу Л2, другой подает напряжение на катушку реле PI, которое остается во включенном положении после срабатывания блока.
Восстановление блока БУ-2 осуществляется после включения ВВ. Однако на том вагоне, где срабатывала защита, будет гореть красная лампа Л2, так как реле останется включенным до тех пор, пока провод 22 находится под напряжением или пока не нажата кнопка Кн2 «Восстановление». Лампа Л1 зеленого цвета сигнализирует о наличии напряжения на блоке и его исправности.
Исправность блока и цепи ВВ-О проверяют нажатием кнопки Кн1 «Контроль», которая подает на диод V14 напряжение, превышающее его напряжение переключения; защита срабатывает, гаснет лампа Л1 и загорается Л2. Чтобы отключить лампу Л2, следует нажать на кнопку Кн2.
|
|