Сброс позиций можно производить следующим образом: постановкой штурвала КМЭ 305 в положение "—1" — сброс по одной позиции;
постановкой штурвала КМЭ 305 в положение "—" — сброс до нулевой позиции;
кнопкой "СП — С" 327 — сброс на низшую ходовую позицию или нулевую;
кнопкой"—"325 — сброс при маневровом управлении.
Сброс позиций постановкой штурвала КМЭ 305 в положение "—".
При переводе штурвала КМЭ в положение "—1" замыкаются контакты 29 — 30 КМЭ 305, и получает питание катушка реле "Сброс" 3211 по цепи: провод 3001, контакты 5 — 6 ВУ 3011, провод ЗОЮ, прямые блок-контакты 8 — / шагового реле 3221, провод 3061, контакты 13 — 14 привода 330 П1, провод 8061, провод 3081, контакты маневровой кнопки "+ 1" 3261, провод 3101, контакты 27—28 КМЭ 3051, провод 3111, контакты 29 — 30 КМЭ 3051, провод 8011, контакты 59 — 60 барабана 330 Б1, проводі/7/, ограничивающий резистор, катушка реле "Сброс" 3211, провод 999. Реле "Сброс" включается, размыкая свои обратные блок-контакты 4 — 3 и замыкая прямые блок-контакты 4 — 5,4 — 10 в цепи питания вентилей В1 н В2.
Шаговое реле 3221 включилось, когда штурвал находился в положении "X", получив питание по цепи: кнопка 3261, контакты 21 —22 КМЭ 305, провод 3111, и после замыкания блок-контактов 8 — / встало на еамопитание.
Если после включения реле "Сброс" привод находится в положении
получаст питание катушка вентиля В2 по цепи: АЗВ 3001, контакты /—2 ВУ ЗОН, провод 3021, провод 8081, прямые блок-контакты 4 — 10 реле "Сброс" 3211, провод 3381, прямые блок-контакты 5 — 6 привода 330 П1, катушка вентиля В2, провод 999. Привод переходит в IV положение, и получает питание вентиль В1 по цепи: провод 8081, прямые блок-контакты 4—5 реле "Сброс" 3211, провод 3341, контакты 9— 10 привода 330 П1, катушка вентиля В1, провод 999. Привод переходит в III положение.
В момент движения привода из IV в III положение теряет питание шаговое реле 3221 (так как размыкаются контакты 13 — 14 привода 330 Ш) и реле "Сброс" 3211, размыкающее свои блок-контакты 4 —5 и 4 — 10, однако вентили BI и В2 остаются иод напряжением, подаваемым по цепи: провод 8081. обратные блок-контакты 6 — 2 реле "Набор" 3201, провод 3361, контакты 7 — 8 привода 330 П1, провод 3411, диоды Д1 и Д2, катушки вентилей В1 и В2, провод 999.
Для сброса еще одной позиции необходимо штурвал КМЭ поставить в положение "X", восстановив тем самым питание катушки шагового реле, а затем вновь перевести в положение "—1", что приведет к подаче питания через контакты 29 — 30 КМЭ 305 на катушку реле "Сброс" 3211. Привод начнет движение в сторону сброса, так как обесточится вентиль В2, и перейдет во II положение. При этом обесточится вентиль В1, и привод перейдет в I положение, шаговое реле и реле "Сброс" отключатся, привод остановится в I положении, вентили В1 и В2 будут обесточены.
Теперь рассмотрим, что происходит при переводе штурвала КМЭ в положение "—1", если привод находится в положении 111. В III положении оба вентиля В1 и В2 получают питание. При постановке штурвала КМЭ в положение "—1" теряет питание катушка вентиля В2, привод переходит во II положение. При этом теряет питание катушка вентиля В1, привод переходит в I положение, отключается шаговое реле 3221, размыкаются контакты 13 — 14 привода 330 П1, отключается реле "Сброс" 3211, привод останавливается.
Для сброса еще одной позиции необходимо штурвал поставить в положение "X", чтобы включилось шаговое реле, затем вновь перевести в положение "—1" для включения реле "Сброс". Процесс можно повторять до тех пор, пока привод не возвратит ПБК 330 на нулевую позицию, при которой разомкнутся блок-контакты 59 — 60 барабана 330 Б1.
Сброс позиций постановкой штурвала КМЭ 305 в положение "—".
Для быстрого сброса позиций штурвал КМЭ переводят в положение "—". В этом положении постоянно замкнуты контакты 29 — 30, 21 — 22 КМЭ 305, которые обеспечивают питание катушек шагового реле и реле сброса. В результате происходит непрерывный сброс позиций ПБК 330 до нулевой, при которой размыкаются контакты 59 — 60 ПБК 330 Б1. Сброс можно прекратить постановкой штурвала КМЭ в положение "—1" или "X".
Сброс позиций кнопкой "СП — С" 327. При кратковременном нажатии на кнопку 327 происходит сброс позиций до ходовой позиции следующего соединения или до нулевой при С соединении. Через замкнувшиеся контакты кнопки 3271 получает питание катушка реле 3191, включение которого приводит к образованию цепи: провод 3021, контакты кнопки "+ 1" 3261 маневрового управления, провод 3051, контакты 32 — 31 КМЭ 305, замкнутые при положении "X" штурвала, провод 3151, провод 8021, контакты 53 — 54 барабана 330 БІ, замкнутые на всех позициях, кроме ходовых и нулевой, провод 3141, прямые блок-контакты реле 3191, провод 8001, катушка реле 3191, провод 999. Таким образом, реле 3191 становится на самопитание. При этом постоянно получает питание катушка шагового реле 3221 по цепи: провод 3141, диод 3171, провод 8041, катушка шагового реле 3221, провод 999. Одновременно подается напряжение на катушку реле "Сброс" 3211 по цепи: провод 3141, прямые блок-контакты реле 3191, провод 8001, прямые блок-контакты реле 3191, провод 8011, контакты 59 — 60 барабана 330 Б1, провод 3171, ограничивающий резистор, катушка реле "Сброс" 3211, провод 999. При включении реле "Сброс" 3211 замыкаются его прямые блок-контакты 4 — 5, 4—10 в цепи вентилей В1 и В2 привода ПБК 3301, и привод переходит на сброс. Сброс позиций происходит до размыкания контактов 53 — 54 барабана 330 Б1, которые замкнуты на всех позициях, кроме 56-й, 38-й, 20-й и нулевой.
Сброс позиций маневровой кнопкой "—" 325. При нажатии маневровой кнопки"—" 325 получает питание реле "Сброс" 3211 по цепи: АЗВ 3001, контакты / —2 ВУ ЗОН, провод 3021, контакты кнопки 325, провод 3041, провод 8011, контакты 59 — 60 барабана 330 Б1, замкнутые е 1-й до 56-ю позицию, провод 3171, ограничивающий резистор, катушка реле "Сброс" 3211, провод 999. Сброс позиции будет происходить до тех пор, пока нажата кнопка "—" 325, и прекратится при отпуске кнопки или на нулевой позиции из-за размыкания контактов 59 — 60 барабана 330 Б1. Кнопкой 325 можно производить сброс позиций, даже если штурвал КМЭ 305 находится в положении "+ 1" или "+", так как она своими контактами разрывает цепь катушки реле "Набор" 3201 между проводами 3071 и 3091.
Цени включения реле "Сброс" 321 при нарушении нормальных режимов работы. Реле "Сброс" 321 получает питание при замыкании обратных блок-контактов ключа ЭПК-150 (при выключении ЭПК) но цепи: проводі/9/, контакты 3 — 4 ВУ 301, провод 3031, обратные блок-контакты ЭПК-150, провод 3041, провод 8011, контакты 59 — 60 барабана 330 Б1, провод 3171, ограничивающий резистор, катушка реле "Сброс" 3211, провод 9991. Сброс позиций происходит без задержки на ходовых позициях и идет до тех пор, пока замкнуты блок-контакты ключа ЭПК-150.
Питание на катушку реле "Сброс" поступает также при замыкании прямых блок-контактов реле 425 цо цени: провод ЗОЮ, контакты ножа 226/, провод 3951, контакты реле 4251, провод 3041, провод 8011,

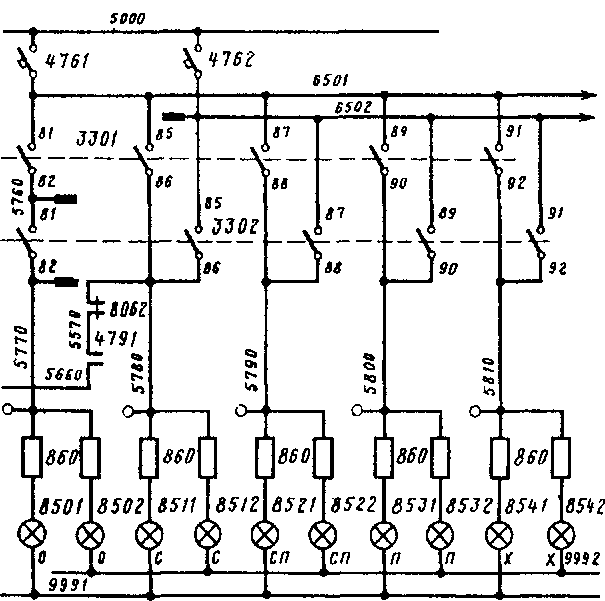
Рис. 30. Цепи сигнальных ламп указателя положения промежуточного контроллера ПБК 330 на электровозах до № 151
контакты 59— 60 барабана 330 Б/, провод 3171, катушка реле 3211.
Автоматически сбрасываются позиции и при срабатывании реле бок-сования. Цепь питания катушки реле "Сброс", замыкаемая контактами выключателя 794: провод 7550, контакты выключателя 7941, провод 7660, диоды 792/, провод 3041 и далее на катушку реле "Сброс" 3211 (см. рис. 29 на вкладке).
Сигнализация положения ПБК 330. На пульте управления расположены пять сигнальных ламп указателя положения ПБК 330. Лампа "0" горит при нахождении главного барабана ПБК на нулевой позиции; лампа "X" — при нахождении ПБК на ходовых позициях; лампа "С" — на позициях последовательного (С) соединения тяговых двигателей; лампа "СП"— на позициях СП соединения; лампа "П" — на позициях П соединения.
Цепь питания сигнальной лампы "0" (рис. 30); АЗВ 4761, провод 6501, блок-контакты 81 —82 ПБК 3301, провод 5760, блок-контакты 81 — 82 ПБК 3302, провод 5770, резистор 860, сигнальные лампы "0" 8501 и 8502, провод 999.
Сигнальная лампа "С" получает питание по следующей цепи: АЗВ 476, провод 650, блок-контакты 85 — 86 ПБК 330, провод 5780, резистор 860, лампы 8511 и 8512, провод 999.
Сигнальная лампа "СП" получает питание по цепи: АЗВ 476, провод 650, блок-контакты 87 — 88 ПБК 330, провод 5790, резистор 860, лампы 8521 и 8522, провод 999.
При П соединении ТД сигнальная лампа "П" 853 получает питание через блок-контакты 89 — 90 11БК 330 по проводу 5800. На ходовых позициях лампа "X" 854 получает питание через блок-контакты 91 — 92 ЦБК 330 по проводу 5810.
|
|