На электровозах ЧС2 до № 305 включение тяговых двигателей под напряжение, замыкание накоротко и переключение секций пусковых резисторов, а также переход с одного соединения двигателей на другое осуществляют главным переключателем 17КН. а на электровозах № 232 и с № 305 — переключателем 18КН.
Переключатели имеют 48 позиций: нулевая, X — подготовительная позиция (цепь тяговых двигателей разомкнута); 1—19-я — реостатные позиции на последовательном соединении двигателей; 20-я — ходовая позиция этого соединения двигателей (в выведенными из цепи резисторами); I, II—переходные позиции; 21—32-я — реостатные позиции на последовательно-параллельном соединении двигателей; 33-я — ходовая позиция этого соединения; III, IV — переходные позиции; 34—41-я — реостатные позиции при параллельном соединении двигателей; 42-я — ходовая позиция этого соединения двигателей.
Главный переключатель 18КН (рис. 112 и 113) состоит из рамы, 32 контактных элементов, кулачкового вала, 32 дугогасительных камер, пневматического привода, редуктора и блокировочных контактов. У переключателя 17КН (рис. 114) имеется 39 контактор-ных элементов.



Рис. 113. Общин вид главного переключателя 18КН
Рама переключателя выполнена из двух литых боковин / (см. рис. 112) и 7, соединенных между собой четырьмя стальными изолированными снаружи бакелитовой бумагой стержнями // и 12. Покрытие стержней изоляцией произведено опрессовкой в горячем состоянии. К боковине 7 прикреплен редуктор 8 и кронштейн 10, на котором установлен пневматический привод 9. На боковине 1 смонтированы блокировочные контакты 16.
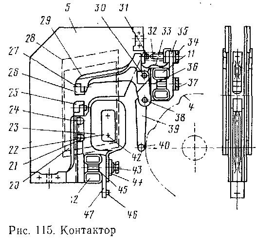
Контактор главного переключателя (рис. 115—117) имеет неподвижные 25 и подвижные 26 контакты. Первые из них винтами укреплены на держателе 24, соединенном через дугогасительную катушку 23 с зажимом 47, к которому болтом 46 присоединяют кабель. Дугогасительная катушка 23 надета на сердечник 22, из-

Рис. 114. Общий вид главного переключателя 17КН
готовленный из электротехнической стали. К сердечнику 22 четырьмя винтами 42 с потайными головками прикреплены наконечники 20: Во избежание ослабления крепления головки винтов закреплены. Полюсные наконечники 20 в свою очередь винтами 21 связаны также с держателем 24. Зажим 47 и держатель 24 стянуты болтом 43 и укреплены на изолированных стержнях 12. Болт 43 изолирован от зажима 47 гетинаксовой (гумойдной) прокладкой 44 и втулкой 45.
Соединение между держателем 24 и выводом дугогасительной катушки 23 осуществлено через полюсные наконечники 20 и сердечник 22, к которому подведен внутренний вывод дугогасительной катушки.
Подвижные контакты 26 прикреплены винтами 27 к рычагу 29, который может поворачиваться относительно валика 38, пропущенного через отверстие в выступе кронштейна 36. Кронштейн с по-


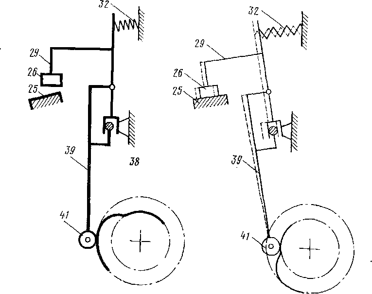
Рис. 116. Схема механизма контактора
мощью болта 37 и накладки 35 прикреплен к изолированным стержням 11. На верхнее плечо рычага 29 постоянно действует пружина 32, надетая на болт 34, ввернутый в накладку 35. Рычаг 29 валиком 30 соединен с управляющим рычагом 39, на нижнем конце которого на оси 40 помещены ролики 41.
Управляющий рычаг 39, как и рычаг 29, может поворачиваться относительно валика 38. Под действием пружины 32, стремящейся повернуть рычаг 29 в положение замыкания контактов 25 и 26, ролик 41 прижимается к кулачковой шайбе 4. В положениях, показанных на рис. 115 и 116, выступающая часть шайбы отжимает управляющий рычаг 39, а с ним и рычаг 29 с подвижным контактом от неподвижного. Когда кулачковый вал поворачивается и ролик 41 попадает в выемку шайбы 4, происходит замыкание контактора. При замыкании и размыкании аппарата контакт 26 скользит по поверхности контакта 25 (притирается), вследствие чего контактные поверхности очищаются от окислов и грязи.
Ток к подвижному контакту 26 подводится через рычаг 29 и медный шунт 33, прикрепленный болтами 31 к рычагу 29 и болтом 34 к накладке 35, к которой присоединяется подводящий кабель.
При размыкании контактов электрическая дуга выдувается в дугогасительную камеру 5 магнитным потоком, образованным дугогасительной катушкой 23 между полюсными наконечниками 20. .!
. Полюсные наконечники 20 контактора переключателя покрыты изоляцией 28, отделяющей их от стенок дугогасительной камеры.
Кулачковый вал главного переключателя (см. р.ис. 112) представляет собой стальную трубу 3, к концу которой приварены шейки 13. На них укреплены внутренние кольца шариковых подшипников; наружные их кольца вмонтированы в боковины 1 и 7. На трубчатой части вала установлены бакелитовые кулачковые шайбы 4, выполненные из двух половин каждая, что облегчает их монтаж на валу. Каждая половина кулачковой шайбы крепится к валу двумя болтами, головки которых закрыты изолирующими колпаками из полиэтилена.
При ремонте электровоза применяются новые шайбы, изготовленные из прессматериала АГ-4В (ГОСТ 20437—75); допускается замена на волокнит ВЛ1 (ГОСТ 5689—73). На рис. 118 показана одна из половин кулачковой шайбы.


Рис. 118. Половина кулачковой шайбы
На конец кулачкового вала со стороны боковины 7 (см. рис. 112) посажена шестерня редуктора. На противоположный конец насажены бакелитовые шайбы 19 и диск 14, на котором нанесены деления, соответствующие различным позициям вала. Шайбами 19 производится включение и выключение блокировочных контактов 16. Позиции кулачкового вала на диске 14 показываются неподвижной стрелкой.
По обе стороны кулачкового вала расположены контакторы (контакторные элементы) с дугогасительными камерами 5 я 6. Последние укреплены на общей раме 2 и могут быть при необходимости подняты, что позволяет осмотреть и отремонтировать контакторы. В рабочем положении рама фиксируется зажимами 18. а в открытом — специальными защелками 17. При опускании блока дугогасительных камер нажимают либо непосредственно на защелку 17, либо на педаль, установленную на вглу и связанную с защелкой тросом. Для поворота кулачкового вала вручную предусмотрен штурвал 15.
Дугогасительные камеры. Главный переключатель снабжен дугогасительными камерами двух типов: деионными решетками 6 и без них — 5 (см. рис. 112—114). Первые из них установлены на контакторах, которым приходится гасить дугу при разрыве цепи между точками, имеющими высокое напряжение. Контакторы же, замыкающие отдельные секции резисторов и имеющие небольшое напряжение между своими контактами (когда дуга между ними разрывается значительно легче), снабжены камерами более простой конструкции.
Дугогасительная камера с деионной решеткой (рис. 119) имеет две боковые асбоцементные стенки 5. Пространство между ними разделено перегородкой 10, изготовленной из того же материала.
Между стенками установлены керамические (керитовые) бруски 2, через которые пропущены болты /, скрепляющие стенки и бруски между собой. Кроме того, болты пропущены через стенки и асбоцементные цилиндрики 8. В верхней боковой части камеры помещены деионные решетки, состоящие из стальных листов 4, которые вместе с распорными шайбами 9 набраны на стальные шпильки 3 и затянуты гайками. Листы изолированы от шпилек гетинаксовы-мц трубками 6. Распорные шайбы 9 изготовлены из асбоцемента.
К вертикально расположенной шпильке 3 прикреплен медный дугогасительный рог 7, по которому при разрыве тока сбегает дуга с неподвижного контакта. При размыкании контактора его дугога-сительной катушкой электрическая дуга выдувается в сторону деионных решеток, растягивается, охлаждается и, достигая решеток, разрывается.
Пневматический привод. Кулачковый вал главного переключателя поворачивается с позиции на позицию пневматическим приводом 15ЫР (рис. 120 и 121). Он состоит из литого чугунного корпуса 4, к которому прикреплены четыре (два двойных) цилиндра 14 и 18 диаметром по 72 мм, чугунный картер 5 для масла и корпус блокировочных контактов. Двойные цилиндры расположены под углом 90° друг к другу. В боковые стенки корпуса 4 запрессованы шариковые подшипники 16 и 19, в которых вращается коленчатый вал 8.
В цилиндрах помещены четыре поршня 12, снабженные резиновыми уплотняющими кольцами 11. Поршни связаны с коленчатым валом 8 при помощи поршневых пальцев 10 и шатунов 9, в которые вштампованы втулки, обхватывающие шейки коленчатого вала и пальцы. Поршни имеют ход 100 мм.


Масло для смазки трущихся частей привода наливается до уровня, ограниченного отверстием, закрываемым болтом 6. Отработавшее масло выпускается из картера 5 через нижнее отверстие, закрытое коротким болтом 7. Для предотвращения утечки масла через места выхода коленчатого вала 8 из корпуса 4 с наружной стороны подшипников 16 и 19 поставлены уплотняющие кольца 15 и 20 типа «Гуферо». Для поддержания при работе механизма атмосферного давления внутри корпуса 4 в него ввернут болт 17 с отверстием для прохода воздуха.
Впуск и выпуск сжатого воздуха в цилиндры производятся электромагнитными вентилями 1 через воздухораспределители 2 и каналы крышек 3 цилиндров. Сжатый воздух к воздухораспределителям подается по трубе 13 диаметром '/г", расположенной на корпусе 4.
Вал пневматического привода через редуктор соединен с кулачковым валом переключателя. Редуктор с передаточным числом 1:12 помещен в кожух 21. Первая пара зубчатых колес имеет передаточное число 16:64, вторая пара—16:48. Модуль зубчатых колес первой передачи 3,5 второй —4; угол зацепления — 20°. При повороте вала привода на 90° (на одну позицию) кулачковый вал поворачивается на 90:12 = = 7°30', т. е. тоже на одну свою позицию. Один оборот вала привода соответствует четырем позициям.


Рис. 122. Различные положения пневматического привода

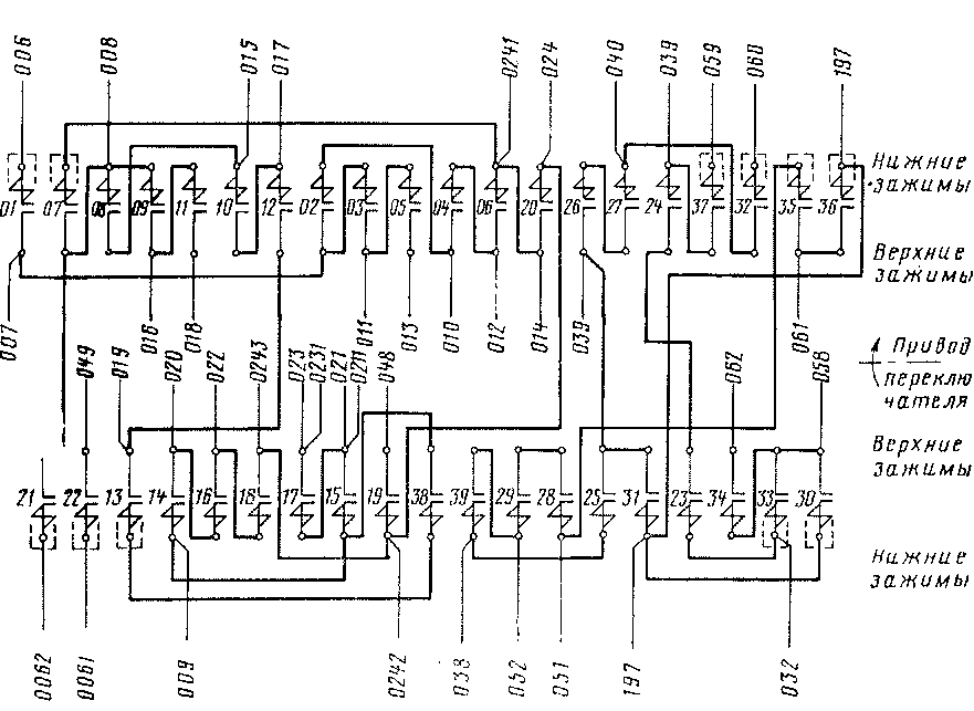
Рис. 123. Схема соединений контакторных элементов главного переключате-теля 18КН

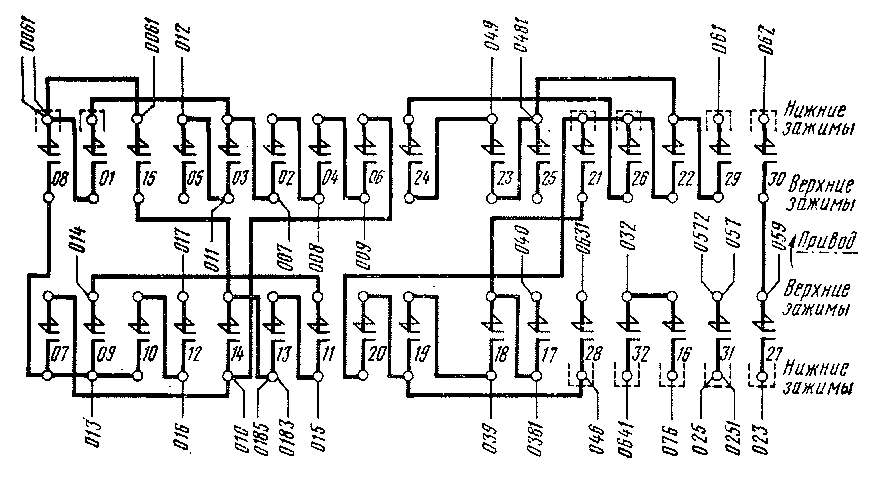
Рис. 124. Схема соединений контакторных элементов главного переключателя 17КН (штриховыми линиями показаны контакторы с денежными решетками)
главного переключателя. Так как последний имеет 48 позиций, то для полного поворота его кулачкового вала необходимо 12 полных оборотов вала привода (рис. 122). На нулевой позиции главного переключателя ни один из электромагнитных вентилей, обозначенных в схеме электровоза 047 и 048, не возбужден, полости цилиндра 2 и 3 сообщены с атмосферой, а цилиндров / и 4 — с источником сжатого воздуха. При этом механизм привода займет положение /.
На позиции X переключателя возбуждается вентиль 047, полость цилиндра 2 сообщается с источником сжатого воздуха, а полость цилиндра 4 — с атмосферой, и механизм займет положение //.
На 1-й позиции переключателя возбуждены оба вентиля 047 и 048. При этом полость цилиндра / сообщится с атмосферой,
Таблица 3
|
Позиция главного переключателя |
Положение привода (см. рис. 122) |
Какие вентили возбуждены |
Наличие сж (В) или сооб! ров привода с Цил / | 2 |
этого вс цение ц атмосфе индры 3 |
здуха 1линд- .рой (А) 4 |
|||||||
|
0 |
7 |
15 |
21 |
29 |
35 |
I |
В |
А |
А |
В |
||
|
X |
8 |
16 |
22 |
30 |
36 |
II |
047 |
— |
В |
В |
А |
А |
|
1 |
9 |
17 |
23 |
31 |
37 |
III |
047 |
048 |
А |
В |
В |
А |
|
2 |
10 |
18 |
24 |
32 |
38 |
IV |
— |
048 |
А |
А |
В |
В |
|
3 |
11 |
19 |
25 |
33 |
39 |
I |
—. |
— |
В |
А |
А |
В |
|
4 |
12 |
20 |
26 |
III |
40 |
. II |
047 |
— |
В |
В |
А |
А |
|
5 |
13 |
I |
27 |
IV |
41 |
III |
047 |
048 |
А |
В |
В |
А |
|
6 |
14 |
II |
28 |
34 |
42 |
V |
— |
048 |
А |
А |
В |
В |
а цилиндра 3 заполнится сжатым воздухом. Механизм займет положение///. На 2-й позиции переключателя остается возбужденным только вентиль 048 и полость цилиндра 2 сообщится с атмосферой, а цилиндр 4 наполнится сжатым воздухом. Механизм займет положение IV. На 3-й позиции оба вентиля не возбуждаются и эта позиция соответствует положению / привода. Далее процесс повторяется.
Последовательность возбуждения вентилей и наполнения сжатым воздухом цилиндров пневматического привода для всех 48 позиций главного переключателя приведена в табл. 3. При возбуждении электромагнитных вентилей в обратной последовательности — 0,48, 047— 048, 047 и т. д.—-вал переключателя начинается вращаться в обратном направлении, т. е. от 42-й позиции в сторону нулевой. Пневматический привод рассчитан на работу при номинальном давлении воздуха 3—5,4 кгс/см2. Общий вес пневматического привода составляет 52,5 кг.
Для поворота кулачкового вала при проверке развертки шайб или при неисправности системы управления главным переключателем на переключателе 18KJH имеется штурвал 15 (см. рис.112), а на переключателе 17КН —квадрат на конце вала, на который надевается съемная рукоятка. На рис. 123 и 124 показаны соединения контакторных элементов переключателей 18КН и 17КН. Цифрами 006, 008, 015 и т. д. обозначены подводящие кабели.
Основные технические данные главных переключателей

Рис. 125. Установка рога на подвижном контакте
Номинальное напряжение......... 3000 В
Номинальный ток контактора........ 550 А
Наружный диаметр шайб......... 280 мм
Нажатие контактов............ 6—7 кгс
Разрыв контактов............ 14 мм
Провал » ............ 2 »
Диаметр впадин шайб........... 240 »
Число витков дугогаштельной катушки .... 6,5
Размер (сечение) шины катушки....... 55X44 мм2
Номинальное давление воздуха....... 3,5 кгс/см2
Рабочее давление воздуха......... 3—5,4 »
Номинальное напряжение блок-контактов ... 48 В
Номинальный ток блок-контактов...... 6 А
Нажатие пальцев блок-контактов...... 0,25 кгс
Вес переключателя 17КН.......... 1480 кг
» » ШКН.......... 1304 »
В процессе эксплуатации на главных переключателях типа 17КН были поставлены пружины, облегчающие подъем дугогаси-тельных камер, как это сделано на переключателях 18КН, и установлены рога 2 на подвижных контактах / контакторов с деионны-ми решетками для улучшения дугогашения (рис. 125).
|
|