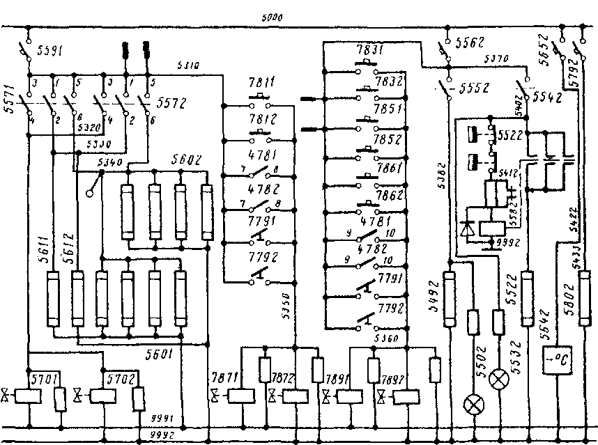
Электропневматический вентиль тифона 787 получает питание по цепи (рис. 42): АЗВ 559/, провод 5310, параллельно включенные контакты кнопки тифона 781 помощника машиниста кабин I и 2, контакты 7 — 8 рукоятки 478 аварийного клапана "Стоп" кабин 1 и 2, контакты ножной педали тифона 779, провод 5350. катушки вентилей тифонов 787, провод 999.
Вентиль свистка 789 получает питание по цепи: АЗВ 5562, провод 5370, параллельно включенные контакты кнопки свистка КМЭ 783. контакты кнопки 785, расположенной у окна со стороны машиниста, контакты кнопки 786 помощника машиниста кабин 1 и 2, контакты 9 — 10 рукоятки клапана "Стоп" 478 кабин 1 и 2, контакты ножной педали свистка машиниста 779, провод 5360. катушки вентилей свистка 789, провод 999.
Цепь питания вентилей водоотвода: АЗВ 559/, контакты 5 — 4 выключателя 557, провод 5320, катушки вентилей 570 клапанов водоотвода из главных резервуаров 1-й и 2-й секций.

Рис. 42. Цепи подачи звуковых сигналов, управления нагревателями и вентилями водоотвода
|
|