На электроподвижном составе для защиты электрооборудования от атмосферных перенапряжений применяют вентильные разрядники с резисторами нелинейного сопротивления. Работа этих разрядников основана на свойстве полупроводниковых керамических материалов, представляющих собой смесь карборунда, графита и глины, увеличивать с повышением напряжения количество проводящих каналов, т. е. с ростом тока через разрядник напряжение на нем и на защищаемой цепи возрастает незначительно, что обеспечивает его защитное действие. Кроме ограничения уровня перенапряжений, разрядник должен обеспечить прекращение тока в цепи после прохождения волны перенапряжения.
Резистор нелинейного сопротивления способствует этому, поскольку с понижением напряжения на разряднике ток в его цепи резко падает.
Разрядник РВЭ-25М. Для защиты от атмосферных перенапряжений на электропоездах переменного тока при номинальном напряжении 25 кВ применяют вилитовый разрядник РВЭ-25М. Разрядник (рис. 197) состоит из многократного искрового промежутка 7, блока 5 рабочего нелинейного сопротивления и фарфорового кожуха 4 с армированными в нижней и верхней частях силуминовыми фланцами 3 и 8. Кожух герметически закрыт крышками 2 и 9 с резиновыми уплотнениями. Многократный искровой промежуток состоит из 28 единичных промежутков, разделенных на семь групп. Каждая группа шунтируется двумя одинаковыми по величине высокоомными резисторами 6 нелинейного сопротивления.
Единичный искровой промежуток состоит из двух тарельчатых латунных электродов 11, разделенных миканитовой прокладкой. Вилитовые диски и искровые промежутки сжимаются пружиной. Разрядник прикрепляется к крыше вагона фланцем 3.
Напряжение подводится шиной через контактный болт 10, расположенный на верхней крышке, а заземляющая шина подсоединяется к планке /, приваренной к ушку нижнего фланца. Блок 5 рабочего нелинейного сопротивления состоит из колонки вилитовых дисков диаметром 100 мм и общей высотой 420 мм. Торцы дисков для улучшения проводимости стыков покрыты алюминием, а боковая поверхность — изолирующим слоем. При подаче на разрядник напряжения сверх установленного искровые промежутки пробиваются и почти все напряжение поступает на вилитовые диски. Они имеют нелинейную зависимость величины сопротивления от протекающего тока: при больших токах их сопротивление незначительно, а при малых — велико. При пробое искровых промежутков через разрядник протекает большой ток и энергия атмосферного заряда отводится в «землю». После окончания импульса с уменьшением напряжения величина сопротивления вилитовых дисков увеличивается, что создает благоприятные условия для гашения дуги в искровых промежутках.
Основные технические данные разрядников РВЭ-25М:
Номинальное напряжение 25 кВ
Наибольшее допустимое напряжение 29 кВ
Пробивное напряжение при частоте 50 Гц под дождем,
не менее 58 кВ
То же в сухом состоянии, не более 66 кВ
Импульсное пробивное напряжение при предзарядном
времени от 1,5 до 20 мкс 100 кВ
Ток проводимости при постоянном выпрямленном напря
жении 28 кВ. (при температуре 20 °С) 500—620 мкА
.Масса 42,5 кг
Разрядник РВМК-УМ с магнитным гашением предназначен для защиты от коммутационных перенапряжений цепей переменного тока, питающих выпрямительную установку. Разрядник / (рис. 198, а и б) установлен на изоляторах 3 в металлической коробке 2 под рамой вагона. Разрядник включен в семь секций вторичной обмотки тягового трансформатора.
Разрядник (см. рис. 198, а) состоит из блока рабочего сопротивления и комплекта искровых промежутков, размещенных внутри армированного металлическим фланцем фарфорового кожуха. Разрядник герметичен.
Блок рабочего нелинейного сопротивления собран из трех параллельных колонок тервитовых дисков диаметром 70 мм. Комплект искровых промежутков состоит из двух искровых промежутков с вращающейся дугой, размещенных в зазорах между постоянными магнитами, имеющими форму колец. На фланце предусмотрен болт для заземления. Фарфоровый кожух закрывается снизу дном на резиновых прокладках из озоностойкой резины. Необходимые контакты деталей, размещенных внутри кожуха, достигаются нажатием пружины. Крепление осуществляется через подвеску.
Разрядник имеет предохранительное устройство, вмонтированное в днище разрядника и исключающее при повреждении внутри разрядника возможность повышения в нем давления до значений, вызывающих взрыв фарфорового кожуха разрядника, при токе короткого замыкания 18 кА длительностью 0,06 с.
Технические данные разрядника:
Номинальное напряжение 2,06 кВ
Наибольшее допустимое напряжение 25 кВ
Пробивное напряжение при частоте 50 Гц в сухом состоянии и под дождем:
не менее 3,9 кВ
не более 4,7 кВ Импульсное пробивное напряжение при предзарядном времени
от 2 до 10 мкс, не более 7,4 кВ
Максимальный расчетный сопровождающий ток 115 А
Масса 22 кг
Искровые промежутки разрядника выдерживают 1000 воздействий сопровождающего тока, при этом пробивное напряжение при частоте 50 Гц не должно изменяться более чем на ±10%, а ток утечки не должен превышать 6 мкА. Блок


Рис. 198. Разрядник РВМК-УМ (а) и его расположение на вагоне (б)

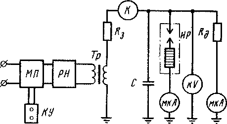
Рис. 199. Схема установки для измерения тока проводимости разрядника РВЭ-25М:
МП — магнитный пускатель; РН—регулятор напряжения; КУ—кнопка управления; Тр—высоковольтный трансформатор на напряжение не ниже 28 кВ; /?з — зарядный резистор; К — кенотрон; с — конденсатор емкостью не ниже 0.1 мкФ; /?д — добавочный резистор к микроамперметру; мкА — микроамперметр; ИР — испытуемый разрядник
рабочего сопротивления разрядника обладает пропускной способностью, достаточной, чтобы выдерживать без повреждений каждое из следующих воздействий импульсов тока с фронтом волны 3000 мкс и длиной волны 8000 мкс; 20 импульсов тока с амплитудой 1500 А; 1000 импульсов тока с амплитудой, равной амплитуде сопровождающего тока.
В процессе эксплуатации разрядники РВЭ-25М и РВМК-УМ необходимо подвергать осмотрам и испытаниям. Испытание разрядника необходимо производить перед его монтажом и ежегодно перед началом грозового сезона.
При ТО-3 и ТР-1 производится осмотр разрядников. При осмотре необходимо протереть наружные поверхности разрядников и осмотреть их для определения целости фарфорового кожуха и его армировки, состояния болтовых соединений. Загрязненную поверхность кожуха (изолятора) следует протереть концами, смоченными бензином, ацетоном, спиртом. При работе разрядника в районах сильной загрязненности рекомендуется очищать их порошком «Пемоксоль», нанесенным на увлажненную мягкую тряпку, с последующей протиркой увлажненной, а затем сухой ветошью.
Если обнаружены изменения положения предохранительного клапана (в разряднике РВМК-УМ), а также сколы, трещины фарфоровых изоляторов, излом фланцев или другие неисправности, которые вызывают нарушение герметичности, разрядники заменяют. Наличие мелких трещин в цементном шве и нарушение эмалевого покрытия фланцев и крышки не является причиной для браковки разрядника. Шов, фланцы и крышку такого разрядника следует покрыть эмалью ПФ-133.
Профилактические испытания разрядников РВЭ-25М. Проверяют ток проводимости при выпрямленном напряжении 28 кВ и температуре 20 °С. Измеряют ток проводимости по схеме, приведенной на рис. 199. Выпрямленное напряжение замеряется с помощью микроамперметра и добавочного резистора с нелинейным сопротивлением Яд. До проведения проверки токов проводимости разрядник необходимо выдержать в помещении, где будет производиться проверка, не менее 4 ч в летнее время и не менее 8 ч в зимнее для того, чтобы уравнять температуру разрядника с температурой окружающей среды.
Допускается производить измерение токов проводимости на открытом воздухе (при отсутствии мороза, тумана, дождя и росы). Если температура окружающей среды при измерении тока проводимости не соответствует нормальной (т. е. 20 °С), то результат измерения следует привести к нормальной температуре, вводя температурную поправку 0,3% на 1 °С с положительным знаком при температуре измерения ниже 20 °С и отрицательным — при температуре выше 20 °С. Разрядник годен к эксплуатации, если ток проводимости его составляет не менее 300 мкА и не более 650 мкА при выпрямленном напряжении 28 кВ (с учетом допустимого изменения в процессе эксплуатации). Снижение тока проводимости может быть вызвано поломкой шунтирующих сопротивлений. Повышение тока проводимости
является признаком потери герметичности разрядника и увлажнения его внутренних деталей. Замеряют сопротивление изоляции разрядника мегаомметром напряжением 2500 В. Сопротивление не должно быть менее 30—50% величины, указанной в заводском паспорте. Проверяют пробивное напряжение разрядника на переменном токе частотой 50 Гц плавным повышением напряжения на разряднике до его пробоя за время, не превышающее 0,5 с (подъем напряжения не менее 20 кВ за 0,1 с).
Ток, протекающий через разрядник, после его пробоя не должен превышать 0,7 А, а его длительность должна быть ограничена с помощью токового реле до значения не более 0,5 с. Напряжение частоты 50 Гц должно быть практически синусоидальным. В случае несинусоидального напряжения пробивное напряжение определяется делением на -у;2 (1,41) амплитудного значения, взятого как среднее трех—пяти измерений. Разрядник годен к эксплуатации, если пробивное напряжение его при частоте 50 Гц составляет не менее 54 и не более 70 кВ. Пробивное напряжение разрядников измеряют по схеме, приведенной на рис. 200, а, или другой схеме, которая позволяет поднять напряжение за время не более 0,5 с. Подъем напряжения на разряднике до его пробоя за время, превышающее 0,5 с, вызывает недопустимый перегрев шунтирующих сопротивлений и соприкасающихся с ними деталей разрядника. Осциллограф при измерении пробивного напряжения должен питаться через стабилизатор напряжения. На разрядниках, прошедших профилактические испытания, на крышке краской пишут дату испытаний.
Установка для измерения пробивного напряжения (см. рис. 200, а) имеет ряд недостатков. Подвижные электрические контакты регулятора изнашиваются и требуют ухода. Осциллограф, используемый в качестве электронного вольтметра, имеет низкую точность и не исключает субъективных ошибок оператора. Процесс измерений трудно автоматизировать.
На рис. 200, б приведена схема установки для измерения пробивного напряжения вентильных разрядников не имеющая этих недостатков.
Установка выполнена на полупроводниковых бесконтактных элементах и позволяет автоматически повышать напряжение на разряднике с заданной скоростью и отключать ток пробоя разрядника за 0,01 с. Напряжение пробоя измеряется цифровым вольтметром.
Таким устройством испытываются вентильные разрядники на Великолукском заводе высоковольтной аппаратуры — изготовителе разрядников, в локомотивных депо Горький-Московский и Горький-Сортировочный.

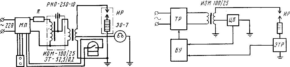
Рис. 200. Схема установки для измерения пробивного напряжения разрядника РВЭ-25 при частоте 50 Гц (а)'и блок-схема установки с применением тиристорного регулятора и цифрового вольтметра (б):
ДІЯ — магнитный п\скатс>ь; »„„, •• ограничивавши* резистор; РНО-250-10 - регулятор напряжения 250 В, 10 кв ■ Л. ИОМ-І00І25 - испытательный трансформатор 100 кВ, 25 кВ • А; ЗТ-52,510,2 - реле тока; ИР - импульсный разрядник; ЭО-7 — электронный осциллограф; ТР -■ тиристорний регулятор; 6У - блок управления; ЦВ - цифровой вольтметр, ЭТР — электронное токовое реле

Рис. 201. Схема для измерения пробивного напряжения разрядника РВМК-Ум при частоте 50 Гц:
Р — резистор; РИ — регулятор напряжения; ИТ — испытательный трансформатор; Т—токовое реле; ИР — испытуемый разрядник; ТИ—трансформатор напряжения; V — вольтметр; кУ — киловольтметр статический С-96

Рис. 202. Схема для измерения тока проводимости (утечки) разрядника РВМК-УМ:
РИ — регулятор напряжения, ИТ— высоковольтный трансформатор; В— выпрямитель; ИТ— накальный, трансформатор; #оір — токоограничивающий резистор; Рл — добавочный резистор; С — сглаживаю.иан емкость; ИР— испытуемый разрядник; мкА< - микроамперметр для измерения тока проводимости (утечки) разрядника; зе,.Ь - микроамперметр для измерения напряжения на разряднике
Профилактические испытания разрядников РВМК-УМ. Профилактические испытания включают в себя измерения: пробивного напряжения разрядника на переменном токе с частотой 50 Гц; токов утечки разрядника при выпрямленном напряжении. Проводят эти испытания перед монтажом разрядника на электропоезде. Пробивное напряжение разрядника измеряют по схеме, приведенной на рис. 201, плавно повышая напряжение на разряднике до его пробоя. При этом время подъема напряжения до его пробоя не должно превышать 15 с; ток, протекающий через разрядник, после его пробоя должен быть не более 0,7 А. Длительность горения дуги в разряднике должна быть ограничена реле максимального тока до значения не более 0,5 с. Во время испытания разрядник пробивается 5 раз. Интервал времени между отдельными измерениями должен быть не менее 30 с. За пробивное напряжение принимается среднее из пяти измерений. Измерительный прибор градуируется по амплитудному значению напряжения. Ток утечки разрядника измеряют при постоянном напряжении по схеме, показанной на рис. 202. Емкость, сглаживающая пульсации напряжения, должна быть не менее 0,2 мкФ, а погрешность в измерении напряжения — не превышать 3%. В качестве добавочного сопротивления к микроамперметру используется резистор СН-10. Разрядник считается годным к дальнейшей эксплуатации, если профилактические испытания дали следующие результаты: пробивное напряжение при промышленной частоте отличается не более чем на ±5% от нормированного значения; ток утечки при выпрямленном напряжении 4 кВ превышает не более чем в 1,5 раза нормируемое значение.
|
|