Все аппараты, предназначенные для автоматического управления работой генераторов тока управления и включения аккумуляторной батареи на заряд, а также плавкие предохранители цепей генераторов, аккумуляторной батареи, выключатель батареи, измерительные приборы и индикаторные лампочки, смонтированы на распределительном щите РчУЪ (рис. 213 и 214), установленном на задней стенке в первой кабине машиниста.
Вертикальное положение щита с расположением его плоскости поперек направления движения является нормальным для работы установленных на щите приборов.
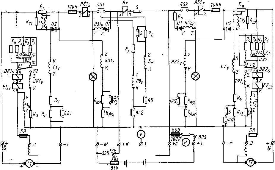
Так как электровоз имеет два генератора тока управления, которые нормально оба работают, на щите смонтировано два комплекта реле напряжения, трехконтактных реле и реле обратного тока: генератор Г1 управляется реле напряжения Е1, трехконтактным реле DR1 и реле обратного тока AS1; генератор Г2 — соответственно реле Е2, DR2 и AS2.
Кроме перечисленных аппаратов, на внешней стороне панели распределительного щита смонтированы автоматический выключатель АВ, реле 5 параллельной работы генер горов, германиевые диоды (вентили) U1 и U2 (генераторов Г1 и Г2), амперметр А, включенный в цепь аккумуляторной батареи, вольтметр V, выключатель батареи 805, индикаторные лампы Л, три предохранителя цепей генераторов и аккумуляторной батареи на 100 А и два предо-

Рис. 213. Распределительный щит RVL со снятым кожухом

Рис. 214. Принципиальная схема распределительного щита RVL
хранителя цепей обмоток возбуждения генераторов на 6 А. Резисторы RB, Ru R2, Rz, Ri, Rs, Rv (по два комплекта), Reu Rc2, Rh, Rl2, Rasu Rasz, Ra, Rs, Ru и соединительные проводники смонтированы на обратной стороне панели. Резисторы Rv, Rasu Ras2, Rs и Ra выполнены из константана и служат для уменьшения влияния нагревания катушек реле на их регулировку.
В нижней части панели укреплены зажимы для крепления наконечников подводящих проводов. В верхнем ряду размещены зажимы: D — возбуждение генератора Г1, М — отрицательный полюс аккумуляторной батареи стабилизированной и нестабилизирован-ной сети, А — положительный полюс нестабилизированной сети,' L — положительный полюс аккумуляторной батареи; D — возбуждение генератора Г2. В нижнем ряду расположены: G — положительный полюс генератора Г1, F — отрицательный полюс генератора Г1, J — положительный зажим вольтметра, К — положительный полюс стабилизированной сети, F — отрицательный полюс генератора Г2 и G — положительный полюс генератора Г2.
Выключатель 805 типа V25 служит для присоединения (или отключения) положительного полюса аккумуляторной батареи к цепям управления и освещения, а при работающих генераторах тока управления — к якорю генератора Г2, который заряжает батареи. При повороте ручки выключателя происходит быстрое замыкание или размыкание его контактов, исключающее подгар контактных поверхностей.
При описании регулятора напряжения было указано, что для питания стабилизированной сети требуется постоянное напряжение
50 В. Электродвигатели вспомогательного компрессора и вентиляторов кабин, электрическая плитка, холодильник и подогреватели компрессоров не требуют поддержания напряжения в узких пределах и включаются в так называемую нестабилизированную сеть, допускающую напряжение до 58 В.
При нормальном режиме, когда работают оба генератора тока управления, генератор Г1 питает стабилизированную, а Г2 нестабилизированную сеть и заряжает аккумуляторную батарею. В этом случае контакты обоих реле обратного тока АБІ и АБ2 замкнуты, а контактор параллельной работы 5 разомкнут.
При неисправности одного из генераторов работающая машина питает как стабилизированную, так и нестабилизированную сеть. В этом случае замкнут контакт реле обратного тока только цепи якоря работающего генератора и замкнут контакт реле параллельной работы 5.
Индикаторные лампы Л мощностью 5 Вт при напряжении 65 В включены параллельно якорям генераторов. Они загораются, когда работает соответствующая машина, цел плавкий предохранитель на 100 А в цепи якоря генератора и замкнуты главные контакты реле обратного тока. При этом цепь тока проходит от зажима й через резистор Яв, плавкий предохранитель на 100 А, токовую катушку реле обратного тока А81в или ЛЗ^, главные контакты этого реле, индикаторную лампу Л, зажим і7, обмотку якоря генератора Г1 или Г2. Под распределительным щитом установлена панель Я с плавкими предохранителями.
Величины сопротивлений резисторов (в Ом), смонтированных на распределительном щите, следующие:
#1 #2 Я3 Я* Де Ясі ЯС2 94:2 38:2 14,4 :, 2 64:2 15 1 8
Яв Яы Яі2 Ялві Ялв2 Яа Яв Яу 230 25 50 200 200 250 300 2,6 Допуск на сопротивления ±3,5%.
|
|