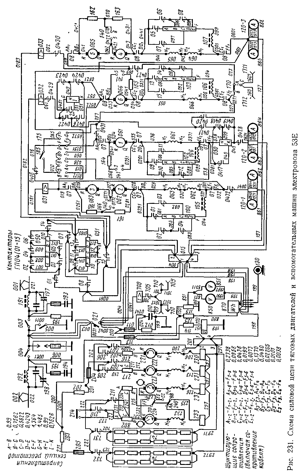
Силовая цепь тяговых двигателей. Основными отличиями силовой цепи тяговых двигателей электровозов 53Е (рис. 231) от электровозов 34Е являются:
1. Измененный способ перехода с последовательного на последовательно-параллельное включение тяговых двигателей. Этот переход выполнен по мостовой схеме (см. главу V).
Применение мостовой схемы перехода потребовало в свою очередь изменения расположения групп пусковых реостатов, две группы которых (A-F) оставлены между линейными контакторами 01, 08 и реле перегрузки 031, 032, 033, одна дополнительная группа (G-K) включена перед якорем тягового двигателя 6 (066) и одна дополнительная группа (G-K) включена за обмоткой возбуждения тягового двигателя 1 (061).
2. Реверсирование якорей тяговых двигателей вместо обмоток главных полюсов (это было сделано из-за необходимости сохранения постоянной полярности последних при введении на электрово-


Условные обозначения:
__контакторный элемент выключен, минимальный разрыв контактов 13 мм;
X— контакторный элемент выключен, минимальный разрыв контактов 10 мм; О— контакторный элемент выключен, минимальный разрыв контактов 7,5мм; V— контакторный элемент выключен, минимальный разрыв контактов 6 мм.
Таблица 6

зах 53Е реостатного торможения, когда обмотки главных полюсов получили дополнительное питание от аккумуляторной батареи 803.
На нулевой позиции главного переключателя 040 не замкнут ни один контакторный элемент (последовательность замыкания контакторных элементов главного переключателя дана в табл. 6).
На позиции X главного переключения замкнуты контакторные элементы 20 и 22 (по схеме 0420 и 0422).
На 1-й позиции главного переключателя замыкаются дополнительно контакторные элементы 01, 07, 16 и 27. При поднятом токоприемнике, включенном БВ 021 на тяговом (моторном) режиме образуется следующая цепь тока: токоприемник 001 (или 002), разделитель 003 (или 004) быстродействующий выключатель 021, провод 004, катушка 1-2 дифференциального 015, провод 006, контакторный элемент 01, секции А-В, В-С, C-D, D-E, E-F первой группы резисторов, контакторный элемент 07 секции А-В, В-С, C-D, D-E, E-F второ„й группы резисторов, провод 0185, реле перегрузки 031, контакты ААЛ-ВВХ реверсора 07, якоря тяговых двигателей 3 (063), 2 (062), контакты CCrDDi реверсора 07, обмотки возбуждения тяговых двигателей 3 (063), 2 (062), контакты EErFFi реверсора 07, провод 032, контакторный элемент 0416, ножевой контакт D-E разъединителя аварийного режима, провод 0251, контакты АА2-ВВ2 реверсора 07, якорь тягового двигателя 1 (061), контакты CC2-DD2 реверсора 07, обмотка возбуждения тягового двигателя / (061), контакты EE2-FF2 реверсора 07, секции G-H, H-I, I-K резисторов, контакторный элемент 0420, контакторный элемент 0422, секции G-H, H-I, I-K резисторов, контакты АА2-ВВ2 реверсора 08, якорь тягового двигателя 6 (066), контакты CC2-DD2 реверсора 08, обмотка возбуждения тягового двигателя 6 (066), контакты EE2-FF2 реверсора 08, провод 0571, контакты В-А разъединителя 170, провод 023, контакторный элемент 0427, контакты AAi-BBi реверсора 08, якоря тяговых двигателей 5 (065), 4 (064), контакты CCrDDi реверсора 08, обмотки возбуждения тяговых двигателей 5 (065), 4 (064), контакты EErFFi реверсора 08, шунт 120-3 амперметром 865 и 866, провод 197, катушка 3-4 дифференциального реле 015, провод 198, токовая обмотка счетчика электроэнергии 870, провод 199, устройство для отвода тока 130, колесные пары, рельсы.
При дальнейшем передвижении кулачкого вала главного переключателя на 2-ю, 3-ю и последующие позиции происходит закорачивание и параллельное включение отдельных секций пусковых резисторов, т. е. постепенное уменьшение величины сопротивлений, включенных в цепь тяговых двигателей. Это можно проследить, пользуясь табл. 6 и рис. 232.
На 20-й позиции главного переключателя, являющейся ходовой, шесть последовательно включенных тяговых двигателей работают с полностью выведенными из их цепи резисторами.
На переходной позиции I переключателя размыкаются контакторные элементы 04, 06, 07, 11, 13 к замыкаются контакторные элементы 28, 29. При этом в цепь тяговых двигателей вводятся последовательно включенные секции В-С, C-D, D-E, E-F первой

группы реостатов и параллельно им последовательно включенные секции А-В, В-С, С-О, Б-Е, Е-Р второй группы реостатов, а также последовательно включенные секции в-Н, Н-1, 1-К обеих дополнительных групп. Контакторный элементом 28 (0428) последовательно включенные тяговые двигатели 3, 2, 1 через шунт 120-2 амперметров 863, 864 соединяются с проводом 197; контакторным элементом 29 (0429) последовательно включенные тяговые двигатели 6, 5, 4 через дополнительную группу резисторов 051 и катушку реле перегрузки 032 соединяются с проводом 0182. Тяговые двигатели оказываются включенными на переходной позиции I по мостовой схеме (см. рис. 101, в).
На переходной позиции II выключаются контакторные элементы 21 (0421) и 26 (0426) и разрывается цепь, образующая мостовое соединение. На 21-й позиции первоначально включается контакторный элемент 08 (0408), в результате чего почти вдвое уменьшается сопротивление пусковых резисторов, включенных перед тяговыми двигателями, а затем замыкаются контакторные элементы 17 (417) и 25 (0425) и в дополнительных группах резисторов закорачиваются секции б-Я, Н-1.
На последующих позициях происходит постепенное выведение из цепей тяговых двигателей пусковых резисторов. Параллельное выключение секций в-Н, Н-1 и 1-К обеих дополнительных групп резисторов происходит одновременно на 24-й позиции [замыкаются контакторные элементы 19 (0419) и 24 (0424)], а их полное выведение из цепи одновременно на 25-й позиции [замыкаются контакторные элементы 18 (0418) и 23 (0423)], благодаря чему поддерживается одинаковый по величине ток в обеих параллельно включенных цепях тяговых двигателей.
Тридцать третья позиция является ходовой, на ней две группы из трех последовательно включенных тяговых двигателей соединены параллельно между собой и из их цепей полностью выведены пусковые резисторы.
• На переходной позиции III размыкаются контакторные элементы 04, 06, 11, 13, 19, 24 и замыкаются контакторные элементы 30, 32. Размыкание контакторных элементов приводит к введению в цепи тяговых двигателей части пусковых резисторов, замыканием контакторного элемента 30 (0430) последовательно включенные тяговые двигатели 5 и 4 соединяются через катушку реле перегрузки 033 с проводом 0183, а тяговый двигатель 6 замыкается на секции H-I, I-K дополнительного резистора 051. Предварительное введение сопротивления позволяет избежать короткого замыкания тягового двигателя 6 и получить плавное уменьшение тока в его цепи после замыкания контакторного элемента 30 (0430). Замыканием контакторного элемента 32 (0432) последовательно включенные тяговые двигатели 3 и 2 соединяются через шунт 120-1 амперметров 861, 862 с проходом 197, а тяговый двигатель / замыкается на секции H-I, I-K дополнительного резистора 050.
На переходной позиции IV размыкаются контакторные элементы 02, 09, 16, 27 и замыкаются 17 и 25. Размыкание элементов 02, 09 не меняет цепи силового тока, размыканием контакторного элемента 16 (0416) разрывается замкнутая цепь тягового двигателя /. Размыканием контакторного элемента 27 (0427) разрывается замкнутая цепь тягового двигателя 6. Замыканием контакторных элементов 17 и 25 (0417 и 0425) закорачиваются в подготовляемой к включению цепи секции H-I дополнительных резисторов 050 и 051.
На 34-й позиции главного переключателя включаются контакторные элементы 04 и 31 (0431). Включением контакторного элемента 04 соединяются параллельно секции А-В, В-С, C-D первой ветви пусковых резисторов. Включением контакторного элемента 0431 тяговые двигатели 6 и 1 и секции I-K обеих групп дополнительных резисторов 050 и 051 соединяются последовательно и присоединяются параллельно к тяговым двигателям 3, 2 и 5', 4.
На последующей, 35-й, позиции замыкаются контакторные элементы 9, 19 и 24. При этом секции А-В, В-С, C-D второй ветви пусковых резисторов соединяются параллельно, а из цепи тяговых двигателей 6 и 1 выводятся секции I-K добавочных резисторов. На последующих позициях происходит постепенное выведение из цепей тяговых двигателей пусковых резисторов.
Сорок вторая позиция является ходовой. На ней для уменьшения тока, проходящего по контакторным элементам 02, 04, 06 и 09, 11, 13 и нагревания их контактов, включается контакторный элемент 15, создающий третью параллельную цепь.
На ходовых позициях 20, 33 и 42-й можно получить пять ступеней ослабления возбуждения, для чего на электровозе имеется шестипозиционный переключатель ослабления возбуждения 090 с 16 контакторными элементами 01—16, последовательность включения которых приведена в табл. 7.
Для возможности работы электровоза при повреждении тягового двигателя предусмотрены разъединители аварийного режима 175 (см. рис. 231), имеющие семь пар контакторных- щек и три контактных ножа.
Таблица 7

На рис. 233—236 показано прохождение тока на 1—20-й позициях главного переключателя и цепи включения тяговых двигателей на 21—33-й и 34—42-й позициях переключателя при отключении неисправных тяговых двигателей.
У электровозов типа 53Е до № 512 несколько другая последовательность замыкания контакторных элементов: контакторный элемент 06 не замкнут на 20-й позиции, а контакторный элемент 08 не замкнут с 20-й позиции и контакторные элементы 18 и 23 дополнительно замкнуты с 13-й до 20-й позиции включительно.
Так как контакторный элемент 08 замыкается на переходных позициях, то нижняя ветвь пусковых резисторов 051 работает и общее сопротивление резисторов, включенных в цепь тяговых двигателей, уменьшается. Если на электровозах до № 512'оно составляло 1,25 Ом, то на электровозах с № 512 — 3,725 Ом.
Изменение в последовательности включения контакторных элементов 18 и 23 на общую величину сопротивления пусковых реостатов влияния не оказывает, так как секции резистора G-H, H-I, I-K независимо от этих элементов шунтируются контакторными элементами 26 (0426) и 21 (0421), замкнутыми соответственно с 9-й и 10-й позиций главного переключателя.
На электровозах до № 512 ножи разъединителей аварийного режима расположены на -двух панелях 175 и 176 (рис. 237) и, помимо контактора 185, в аварийных схемах используется такой же контактор 186.
Цепи управления тяговыми двигателями. Схема цепи управления тяговыми двигателями электровозов 53Е (рис. 238*) в связи с изменением силовых цепей имеет ряд отличий от схемы цепи управления электровозов 34Е. Эти изменения касаются главным образом цепей управления реверсорами, а также цепей защиты; введена цепь, относящаяся к контактору аварийной работы.
Управление реверсорами. При постановке реверсивной рукоятки контроллера машиниста 301 (302) и его реверсивного барабана 3017 (3027) в положение ХВП напряжение от провода 304 через плавкий предохранитель 314 (515), провод 307 (308), контакты электропневматического клапана автостопа ЭПК-150, контакт 1029, провод 305 (306), пальцы реверсивного барабана М, Л/,-провод

Рис. 233. Схема прохождения тока по силовой цепи при неисправном тяговом двигателе 1

Рис. 234. Схема прохождения тока по силовой цепи при неисправном тяговом двигателе 2 или 3

Рис. 235. Схема прохождения тока по силовой цепи при неисправном тяговом двигателе 4 или 5

Рис. 236. Схема прохождения тока по силовой цепи при неисправном тяговом двигателе 6
327 (328) подводится к катушкам 941 (942) электромагнитных вентилей реверсоров и последние занимают положение, соответствующее движению электровоза вперед. Если же реверсивный барабан контроллера поставить в положение ХНЗ (ход назад), то через пальцы М, L, провод 328 (327) получат питание катушки 942 (941) электромагнитных вентилей реверсоров и они займут положение, соответствующее движению электровоза назад.
Управление главным переключателем —■ включением и отключением катушек 047-1 и 048-2 вентилей пневматического привода — осуществляется так же, как на электровозах 34Е.
Управление переключателем ослабления возбуждения ничем не отличается от управления им на электровозах 34Е (изменены только номера проводов, подведенных к пальцам барабана ослабления возбуждения 3016 (3026) контроллера машиниста).
Начиная с электровоза № 777 в цепи управления введен переключатель экстренного торможения 345 (346). Его контакты находятся в цепи катушек быстродействующего выключателя 0211, 0212 (в проводах 375, 384 и 376, 373), в цепи управления токоприемниками (в проводах 486, 493), в цепи вентилей песочниц (в проводах 590, 591), а также в цепи электромагнитных вентилей, через которые сжатый воздух подается к звуковым сигналам. Этот переключатель обеспечивает одновременно с выпуском воздуха из тормозной магистрали выключение быстродействующего выключателя, опускание токоприемников, подачу песка под колеса, действие звуковых сигналов.
Изменена также схема контакторов мотор-компрессоров и мотор-вентиляторов, обеспечивающая выключение реле времени после замыкания управляемого им контактора. Так, например, катушка контактора
208 (рис. 239) получает питание от провода 420 через блок-контакты 3-4 реле времени 4072, а после замыкания контактора 208 через собственные блок-контакты 1-2. Одновременно после включения этого контактора замыкаются его блок-контакты 3-4 и получает питание катушка реле времени 4072. Затем спустя 6 с замыкаются блок-контакты 1-2 этого реле и получает питание катушка контактора 209. Контактор
209 включается, размыкаются его блок-контакты 7-8 и выключается реле времени. При этом питание катушки контактора 209 осуществляет-

Рис. 237. Положение контактных ножей разъединителей при нормальном режиме и различных неисправностях тяговых двигателей

ся от провода 420 через параллельно включенные блок-контакты 1-2 контактора 208 и блок-контакты 3-4 реле времени 4072 и последовательно включенных им блок-контактов 1-2 контактора 209 и 5-6 контактора 208.
На рис. 240 показана полная схема включения электромагнитных вентилей песочниц, обеспечивающая при начавшемся боксова-нии подачу песка под первые по ходу колесные пары. Цепь электромагнитных вентилей и песочниц 936 или 937 проходит через контакты 10-11 блока 510 и контакты Q-R выключателя тока управления 306 и 305, замкнутые при разомкнутом выключателе. При включении выключателя в одной из кабин исключается подача песка под крайние колесные пары другой кабины. Однако такая схема приводит к тому, что при выключенных выключателях управления и нажатии педалей 561, 562 или кнопок 564, 565 песок начинает подаваться из всех песочниц.
Для повышения напряжения в цепи управления при разряженной аккумуляторной батарее 803 последовательно ей, с помощью переключателя 844 могут быть присоединены дополнительно четыре элемента (батарея 845). Заряд этой батареи осуществляется от генератора тока управления через контактор 211 и демпферный резистор 843.
|
|