Схемы цепей вспомогательных машин и приборов отопления строят в соответствии с принятой системой вспомогательных машин и нх зашиты, способом обогрева салонов электропоездов и кабин управления э.п.с, способом ограничения пускового тока. На э.п.с. с электродвигателями постоянного тока для ограничения пускового тока /п включают последовательно с их обмотками дополнительные демпферные резисторы Сопротивление демпферного резистора га обычно определяют из соотношения
'„= ит/(гл + гдв) < 5/н,
где (Унк — номинальное напряжение на коллекторе; гдв — суммарное омическое сопротивление обмоток электродвигателя.
В цепях двигателей компрессоров, которые работают в повторно-кратковременном режиме (обычно ПВ = 50%), демпферные резисторы оставляют постоянно включенными. Пуски двигателей вентиляторов и преобразователей (возбудителей) происходят относительно редко, поэтому демпферные резисторы включают так, чтобы они частично или полностью автоматически выводились при достижении определенной частоты вращения электродвигателя' В этом случае полезно увеличивать сопротивление демпферного резистора, так как потери энергии на его нагрев невелики.
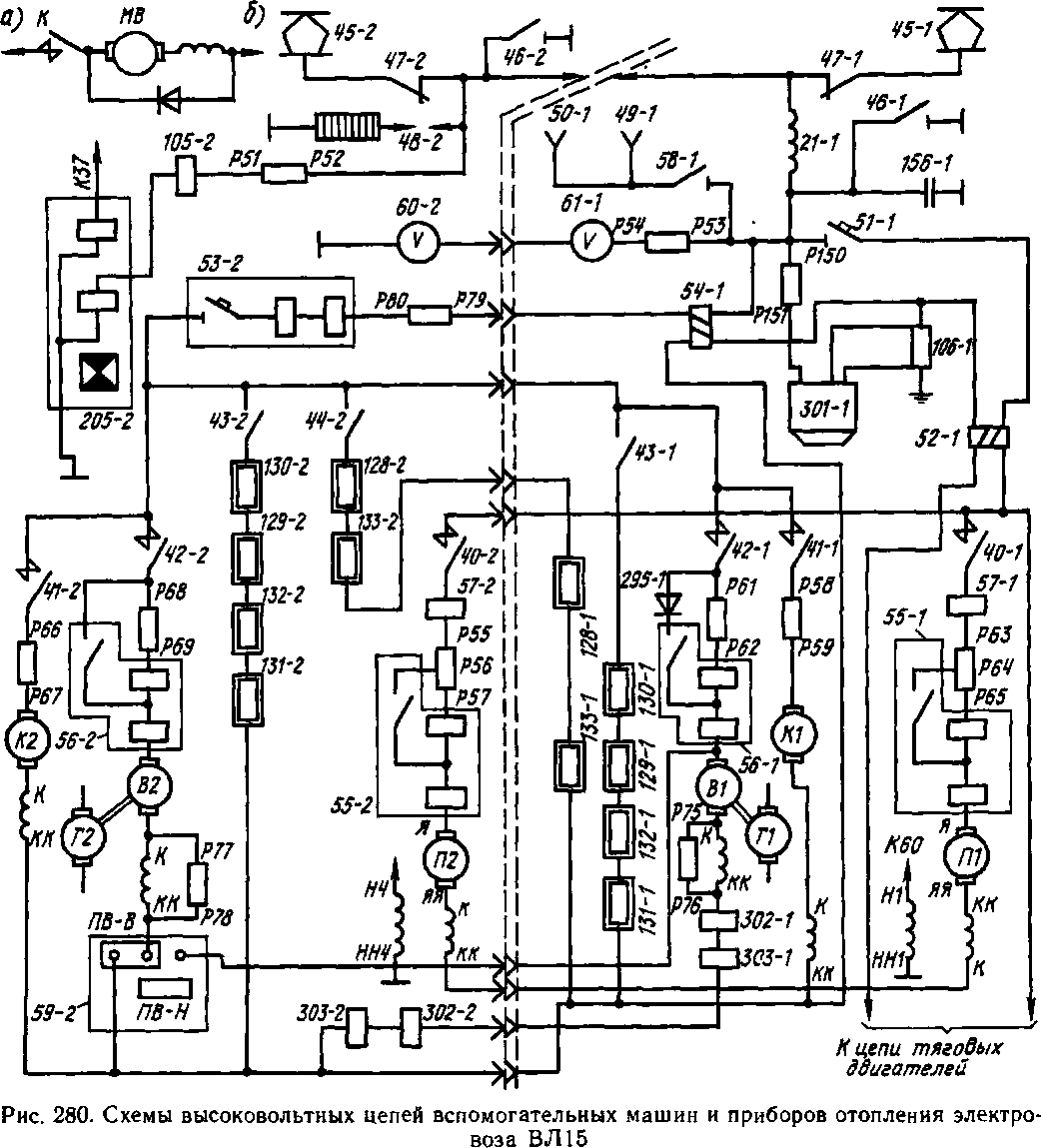
Чтобы снизить износ контактов контакторов, иногда двигатели вспомогательных машин шунтируют диодами. В этом случае при включении контактора К (рис. 280, а) диод не оказывает влияния на работу двигателя МВ. При включении
контактора К через диод замыкается цепь тока, вызванного э.д.с самоиндукции, возникающей при разрыве цепи. При отсутствии диода электромагнитная энергия цепи электродвигателя превращается в тепловую на размыкающих контактах контактора К, что ускоряет их выход из строя. Рассмотрим ряд схем высоковольтных вспомогательных цепей.
Вспомогательные высоковольтные цепи электровоза В Л10. Высоковольтные вспомогательные цепи (кроме двигателей /7/ и /72) от тока короткого замыкания (к.з ) защищены быстродействующим выключателем 53-2 и дифференциальным реле 54-1 (рис. 280, б). Ток к.з ограничен общим демпферным резистором Р79, Р80. Электродвигатели П1 и /72 преобразователей защищены от тока к.з. быстродействующим выключателем 51-1 и дифференциальным реле 52-1, а от перегрузок — реле перегрузки 57-1 и 57-2.
Электродвигатели К1, К2 и В1, В2 соответственно компрессоров и вентиляторов, а также электрические печи электромагнитными контакторами 41-1, 41-2, 42-1, 42-2, 43-1, 43-2, 44-2 подключают к цепи токоприемников 45-1 и 45-2 через крышевые разъединители 47-1 и 47-2, дроссель помехоподавления 21-1, дифференциальное реле 54-1, обший демпферный резистор Р79-Р80 и быстродействующий выключатель 53-2. Электродвигатели /7/ и /72 подключают к цепи токоприемников электромагнитными контакторами 40-1 и 40-2, что обеспечивает включение двигателей и печей отопления при отсутствии сжатого воздуха в резервуарах электровоза. Чтобы снизить перенапряжения и увеличить скорость разрыва цепи возбуждения тяговых двигателей в режиме рекуперации при коротком замыкании, обмотки возбуждения двигателей В} и В2 шунтируют резисторами Р75—Р76, Р77—Р78. С этой целью
катушки быстродействующих контакторов 302-1, 303-1, 302-2, 303-2 включают последовательно в цепь двигателя вентилятора В! (см. рис. 261).
Чтобы снизить потери энергии в демпферных резисторах, для пуска двигателей В1, В2, П1 и П2 предусмотрены пусковые панели с электромагнитными контакторами 55-1, 55-2, 56-1 и 56-2. Контакторы 55-1 и 55-2 выключают часть демпферных резисторов и включающие катушки, а контакторы 56-1, 56-2 полностью выводят демпферные резисторы при достижении машиной определенной частоты вращения в зависимости от тока
В цепь контактов контактора 56-1 включен вентиль 295-1 для сохранения направления тока в катушке контактора. При работе с частыми пусками, характерной для электродвигателей К1 и К2 компрессоров, пусковые панели используются малоэффективно. Применять их нецелесообразно и для электродвигателей малой мощности с непрерывным режимом работы.
Двигатели В1 и В2 приводят в действие вентиляторы, охлаждающие тяговые двигатели. Во всех случаях, когда отсутствует опасность недопустимого нагрева обмоток тяговых двигателей (при

езде резервом или с легким составом) и попадания в них снега, двигатели вентиляторов В1 и В2 не должны работать в режиме высокой частоты вращения. Для уменьшения расхода электроэнергии, износа мотор-вентиляторов, снижения шума предусмотрено последовательное соединение двигателей (низкая частота вращения) и параллельное (высокая частота вращения).
Двигатели В1 и В2 с одного соединения на другое переключаются переключателем вентиляторов 59-2. При высокой частоте вращения замкнуты контакты ПВ-В, при низкой — ПВ-Н.
Разъединители 47-1 и 47-2 наружной установки предназначены для отключения цепей токоприемников от силовой цепи электровоза в обесточенном состоянии или отключения неисправного токоприемника. Чтобы произвести переключение, замок разъединителя отпирают ключом кнопочного выключателя КУ-После этого рукоятку разъединителя можно оттянуть вниз и произвести переключения. Этим исключается попадание под высокое напряжение при работе в высоковольтных камерах в случае обрыва контактного провода и падения его на токоприемник.
Разъединители 46-1 и 46-2 предназначены для заземления цепей токоприемников при открытых дверях высоковольтных камер. Разрядник 48-2 подключен к цепи токоприемников и служит для защиты электрооборудования от перенапряжений, возникающих в контактной сети при грозовых электрических разрядах.
Помехоподавляюший реактор 21-1 и конденсатор 156-1 подключены в виде Г-образного звена к цепи токоприемников и служат для подавления радиопомех, возникающих в результате работы электрических машин, аппаратов нарушения контакта между полозом токоприемника и контактным проводом.
Вентиль защиты 205-2 имеет две катушки: высоковольтную и низковольтную. Первая подключена к цепи токоприемника через катушку реле контроля зашиты 105-2 и резистор Р51-Р52 с сопротивлением 21 300 Ом, вторая питается от цепи управления напряжением 50 В через кнопку Пантографы иа кнопочном вы-
ключателе. Пневматическая часть защитного вентиля включена в цепь пневматических блокировок дверей высоковольтных камер и лестниц на крышу кузова (см. рис. 283).
Вольтметры подключены к цепи токоприемников через резистор Р53-Р54 сопротивлением 1 333 ООО Ом и служат для контроля напряжения контактной сети. Розетки 49-1 и 50-1 подключаются к силовой цепи шинным разъединителем 58-1 во время передвижения электровоза в депо при питании от источника низкого напряжения (250—440 В).
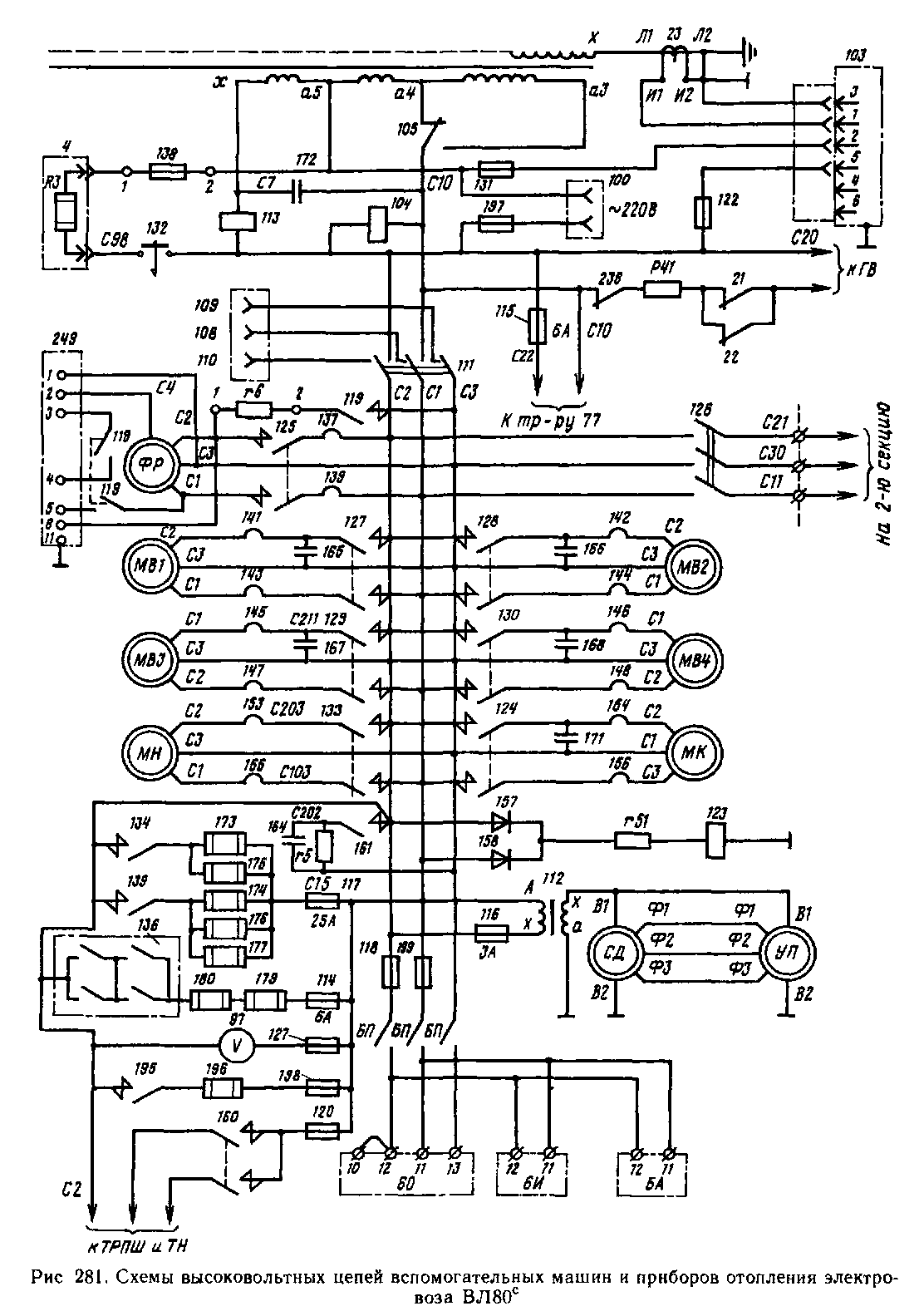
Высоковольтные вспомогательные цепн электровозов ВЛ80* и ВЛ80С. Как было указано (см. § 55), на отечественном э.п.с. переменного тока для привода вспомогательных машин применяют трехфазные асинхронные с короткозамкнутыми роторами двигатели, которые питаются от асинхронных расщепителей фаз, или же для преобразования однофазного напряжения в трехфазное используют конденсаторы.
Две фазы расщепителя фаз ФР (рис. 281) подключены к выходам х-а4 обмотки собственных нужд тягового трансформатора 3. Запуск расщепителя фаз асинхронный при помощи резистора гб, включаемого на время пуска контактором 119. После включения контактора 119 включается контактор 125, который подключает обмотки расщепителя фаз на напряжение 380 В. Электродвигатели МВ1, МВ2 (привода вентиляторов для охлаждения тяговых двигателей), МВЗ, МВ4 (привода вентиляторов для охлаждения выпрямительных установок, радиаторов тягового трансформатора и сглаживающих реакторов), МК (привода компрессора), МН (привода масляного насоса системы охлаждения тягового трансформатора) включаются электромагнитными контакторами 127, 128, 129, 130, 124 и 133.
При включении двигателей вентиляторов и компрессора одновременно включаются емкости 165—168 и 171. Включение дополнительных емкостей улучшает симметрию трехфазной системы напряжений, что в свою очередь облегчает условия запуска и работы двигателей
Кроме трехфазных цепей, имеется еще ряд однофазных вспомогательных цепей,

питаемых напряжением 380 В: обмотка переменного тока защитного вентиля 104; отключающий электромагнит главного выключателя; цепи защиты от замыкания на «землю» в силовых цепях; трансформатор 112 питания сельсинов УП и СД; нагреватель 196 калорифера обдува лобовых стекол кабины машиниста, включаемый контактором 195; трансформатор, регулируемый подмагничива-нием шунтов TP ПШ, и трансформатор напряжения ТН; печи кабины 173, 175, включаемые контактором 134 и обеспечивающие минимальный обогрев; печи кабины 174, 176 и 177, включаемые контактором 159 и обеспечивающие максимальный обогрев; обогреватели санузла 179 и 180 (только во второй секции электровоза), включаемые контактором 136; вольтметр 97, измеряющий напряжение на обмотке собственных нужд тягового трансформатора 3, отградуированный по напряжению контактной сети.
Для питания вспомогательных машин от сети депо в цепях предусмотрены розетки 108—ПО (в этом случае нож переключателя 111 на электровозе должен быть установлен вниз) Если подать напряжение на розетки 108—ПО, когда включены разъединители 126, то напряжение 380 В сети депо по межсекционному соединению будет подано на обмотку собственных нужд тягового трансформатора другой секции. При этом на первичной обмотке трансформатора возникает напряжение 25 кВ. Если главный выключатель в этой секции выключен и обмотка высокого напряжения замкнута на «землю», то напряжение сети депо будет подано в цепь с коротким замыканием. Для предотвращения этого разъединители секции 126 должны быть все время отключены и запломбированы. В случае выхода из строя одного из расщепителей фаз необходимо снять пломбы и включить разъединители 126 в обеих секциях; переключить вниз нож переключателя 111 в той секции электровоза, в которой вышел из строя расщепитель фаз. При этом вспомогательные машины обеих секций будут питаться от одной обмотки собственных нужд тягового трансформатора и одного расщепителя фаз рабочей секции электровоза
Для обеспечения нормальной работы
вспомогательных машин при напряжении контактной сети 12 кВ (при аварийных режимах тяговых подстанций) необходимо переключить вверх нож переключателя 105, произведя переключения с вывода а.4 обмотки собственных нужд на вывод аЗ. После переключения при напряжении контактной сети 12 кВ на вспомогательных машинах окажется напряжение 290 В, что вполне достаточно для их нормальной работы.
Защита от коротких замыканий всех вспомогательных цепей осуществляется токовым реле 113, действующим на отключение главного выключателя Отдельные цепи защищены от коротких замыканий плавкими предохранителями 114, 115, 117, 118, 120, 121, 122 и 198
Электродвигатели от перегрузки защищены тепловыми реле 137, 139, 141—148, 153, 155, вызывающими отключение контактора, в цепи которого сработало реле. Все тепловые реле выполнены с самовозвратом, т. е. по прошествии времени, необходимого для остывания биметаллической пластинки реле, замыкается его контакт. Защита от замыкания на «землю» вспомогательных цепей осуществляется реле заземления 123, включенным на две фазы через селеновые выпрямители 757, 158 и добавочный резистор г51. Снижение уровня перенапряжений, возникающих при попадании молнии в контактную сеть, осуществляется конденсатором 172.
Система вспомогательных машин с расщепителем фаз применена на электровозах ВЛ80Т с № 712, ВЛ80Р, ВЛ60К, ВЛ85 и др.
На электровозах ВЛ80Т с № 702 до № 711 преобразование однофазного напряжения в трехфазное осуществляется конденсаторами. Для этой цели между фазами С2 и СЗ включен дополнительный конденсатор. Остаточный заряд с этого конденсатора снимается разрядным резистором. Также увеличен (до четырех банок) каждый конденсатор 165—168 и 171. Двигатели, как и на электровозе ВЛ80К, включают электромагнитными контакторами 124, 127—130 и 133. При постоянно включенном конденсаторе 164 и малой нагрузке, обусловленной двигателем МН, создается большая несимметрия трехфазно-
го напряжения. Поэтому схемой управления вспомогательными машинами исключается одиночная работа двигателя МН масляного насоса. Его включают только после пуска двигателя МВ1 или МВЗ вентиляторов. Также затруднен пуск одиночного двигателя МК компрессора (особенно зимой). В связи с этим двигатель МК включают после пуска двигателя МВ1 или МВ2. В этом случае роль расщепителя фаз выполняют работающие двигатели вентиляторов, которые способствуют увеличению пускового момента двигателя компрессора.
|
|