Основные технические данные. В
табл. 5 приведены основные данные тяговых трансформаторов электроподвижного состава, эксплуатируемого на железных дорогах СССР. В обозначении типов трансформаторов буква О указывает на число фаз (однофазный), буква Ц — на принудительную циркуляцию масла, Р — на назначение трансформатора (питание ртутных выпрямителей), Д — на принудительное воздушное дутье и Э — на принадлежность к электровозу. Числитель дроби означает типовую мощность трансформатора в киловольт-амперах (у трансформатора ЬТ8-7,85/25 в тысячах киловольт-амперах), знаменатель — номинальное напряжение сетевой обмотки в киловольтах.
Трансформаторы ОЦР-5000/25В, ОДЦЭ-5000/25А и ОДЦЭ-5000/25Б. Стенки бака 1 (рис 114, а) сварены
Таблица 5
|
Показатели |
Характеристики тягового |
трансформатора |
типов |
|||
|
ОДЦЭ- |
ОЦР- |
ОЦР- |
LTS 7,85/25 |
SL68/3848/51 |
ОЦР-1000/25 |
|
|
5000/25АМ-02 |
5000/25В |
5600/25 |
||||
|
Серия электроподвижного состава |
ВЛ8№, ВЛвО*, В Л 8(7 |
ВЛ80" |
ВЛ60" |
ЧС4 |
ЧС4Т |
ЭР9*' |
|
Номинальная мощность первичной обмотки, |
||||||
|
кВ- А |
4777 |
5180 |
5862 |
7850 |
8058 |
973 |
|
Длительный ток первичной обмотки, А |
— |
185 |
209,8 |
— |
— |
39 |
|
Вторичная тяговая обмотка: |
||||||
|
номинальная мощность, кВ- А |
— |
— |
4944 |
6850 |
6850 |
773 |
|
длительный ток, А |
1750 |
— |
2700 |
2Х 3300 |
2X3300 |
350 |
|
номинальное напряжение, В |
1230*2 |
— |
2060 |
2X1040 |
2Х 1040 |
2208 |
|
Обмотка собственных нужд: |
||||||
|
номинальная мощность, кВ • А |
— |
875 |
300 |
200/164 |
275 |
92 |
|
напряжение холостого хода, В |
641,410,231 |
229;396;625 |
210;399;630 |
260/213 |
354/261/221 |
220;276 |
|
длительный ток, А |
520 |
_ |
_ |
770 |
778 |
420 |
|
Обмотка отопления: |
||||||
|
номинальная мощность, кВ- А |
— |
— |
— |
800 |
800 |
100 |
|
номинальное напряжение, В |
— |
— |
— |
3030 |
3100 |
628 |
|
длительный ток, А |
— |
— |
— |
264 |
259 |
159 |
|
При напряжении сети 25 кВ потери холостого |
||||||
|
хода, кВ • А |
— |
5,8 |
6,1 |
10 |
10 |
3,6 |
|
Суммарные потери мощности не более, кВт |
84 |
101,2 |
106 |
— |
— |
30 |
|
Напряжение короткого замыкания, % |
— |
9,82 |
9,8 |
— |
— |
— |
|
Масса масла, кг |
— |
2050 |
2900 |
— |
— |
1045 |
|
Масса трансформатора, кг |
7800 |
9000 |
12 400 |
11 600 |
И 400 |
3500 |
|
Габаритные размеры, мм |
2000Х 2600Х |
2692Х 2000Х |
2692Х 2000Х |
2150Х 1450Х |
2015Х 1560Х |
3080Х 1690Х |
|
Х2760 |
Х2889 |
Х2889 |
Х2200 |
Х2800 |
XI150 |
|
|
Количество воздуха, продуваемого через ра- |
4000 |
|||||
|
диаторы не менее, м3/ч |
19 800 |
20 000 |
— |
9990 |
— |
|
|
К. п д., % |
98,3 |
98,0 |
— |
— |
— |
— |
*' Всех модификаций, кроме электропоездов ЭР9Е, где установлены тяговые трансформаторы ОДЦЭ-1600/25 Такой трансформатор, несмотря на то что в его бак дополнительно помещена обмотка сглаживающего реактора, имеет массу на 420 кг меньше, чем трансформатор ОЦР-1000/25, охладитель масла такой же, как на электропоездах ЭР9П и ЭР9М, работает в режиме самовентиляции Остальные характеристики трансформаторов одинаковые. *г На электровозах ВЛ80Р, ВЛ801 номинальное напряжение обмоток возбуждения 180 В, ток 720 А.

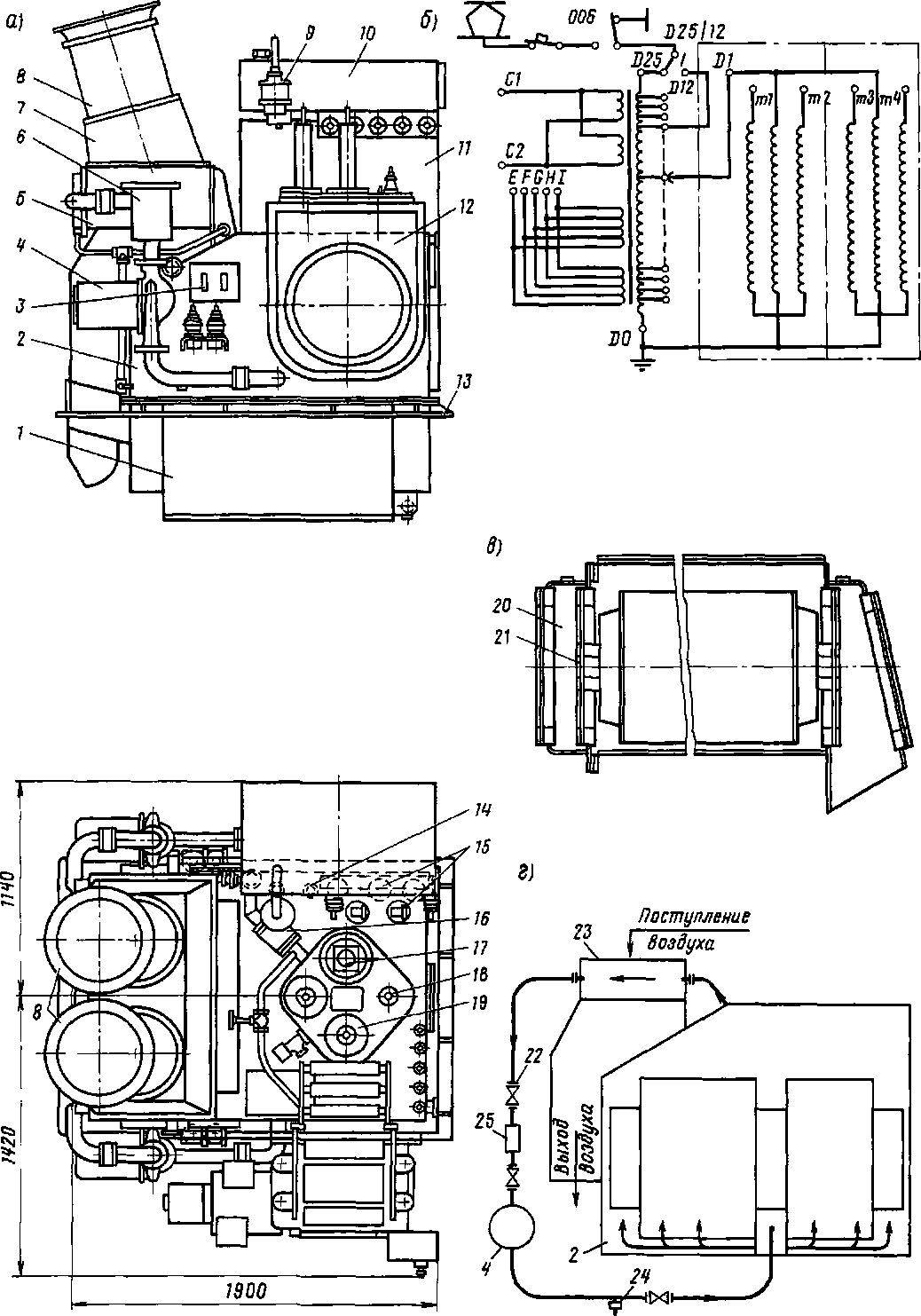
Рнс 114 Общий вид (а), схема расположения вводов (б) и схема соединения обмоток (в) трансформатора ОЦР-5000/25В электровоза ВЛ80К
из листовой стали толщиной 6 мм; к ним приварены жесткие балки-камеры 3, выполняющие роль воздуховодов и передающие силы, создаваемые весом трансформатора, на опорные балки 9. Балки-камеры имеют конусообразные стаканы 10, которые опираются на конусы рамы кузова электровоза через резиновые конусы. Секции 2 теплообменника установлены на стенках бака и соединены трубопроводом с масляным насосом 8.
На крышке трансформатора ОЦР-5000/25В расположены: два ввода А и X (рис. 114, б и в) сетевой обмотки напряжением 25 кВ, четыре ввода аі, хі, а2 и х2 основных (нерегулируемых) частей и десять вводов /, 2, 3, 4, 01, 02, 8, 7, 6, 5 регулируемых частей тяговой обмотки, пять вводов х, аЗ, а.4, а5, аб обмотки собственных нужд. Все вводы разборные и допускают замену изоляторов без подъема активной части
Для установки главного контроллера ЭКГ-8Д (а на трансформаторе ОДЦЭ-5000/25В электровоза ВЛ80С — ЭКГ-8Ж) на крышке смонтированы стойки 5 и 7 (см. рис. 114, а). На стойке 7 укреплен заводской щиток 6 с основными данными трансформатора, а на стойке 5 — расширитель 4.
Трансформатор ОДЦЭ-5000/25Б имеет такую же конструкцию, как и трансфор-
матор ОЦР-5000/25В, и отличается лишь монтажом выводов на крышке. Трансформатор ОДЦЭ-5000/25А электровоза ВЛ80Р имеет меньшее число секций и выводов тяговых обмоток. У него предусмотрена дополнительная обмотка для питания выпрямительной установки возбуждения в режиме рекуперации. Обмотки расположены таким образом, что в случае повреждения одной из них ее реактивное сопротивление увеличивается и ток к. з ограничивается. В связи с этим частично изменена и конструкция трансформатора.
Трансформаторы ОЦР-1000/25 и ОДЦЭР-1600/25. Трансформатор ОЦР-1000/25 моторного вагона электропоездов ЭР9, ЭР9П и ЭР9М выполнен с регулированием на стороне низшего напряжения. Трансформатор имеет полуовальный бак / (рис. 115) и подвешен к раме кузова вагона на балках 6 и 8, приваренных к крышке 5
Вводы 10 расположены на торцовой стенке бака и защищены герметической металлической коробкой 11 со съемной крышкой В верхней части коробки расположен кожух 9, через который силовые кабели подводят к вводам 10 На второй торцовой стенке установлен насос с трехфазным асинхронным двигателем 7, обеспечивающим принудительную цирку-

ляцию масла в системе охлаждения На боковой стенке бака / размещены воз-духоосушитель, коробка 3 термометрического сигнализатора и защитный кожух 2 термобаллона сигнализатора.
Воздухоосушитель очищает и сушит входящий в бак 1 воздух, который соприкасается с очень большой поверхностью масла, так как трансформатор не имеет расширителя. При понижении уровня масла в баке воздух засасывается через отверстие в дне 18 (рис. 115, б) осушителя в масляный затвор 16, проходит через масло, где очищается от грязи и пыли. Очищенный воздух поднимается вверх в камеру 4, заполненную силикаге-лем 15, который осушает воздух. В верхней части корпуса помещен стакан 13 с индикаторным силикагелем (силикагель, пропитанный хлористым кальцием и хлористым кобальтом), имеющим голубой цвет. При увлажнении он становится розовым. Наблюдают за состоянием сили-кагеля через смотровое окно 14 в стакане. Воздухоосушитель соединен с баком трансформатора патрубком 12. Масло в затвор наливают через пробку 17.
Выемная часть расположена в баке трансформатора горизонтально и подвешена к крышке 1 (рис. 116, а) за ярмо-вые балки 8 и 10 четырьмя шпильками
2 и 7. Для направления потока масла внутрь обмоток //, расположенных на стержнях магнитопровода 9, поставлены перегородки 6 из электрокартона. Отводы из медных шин 3 укреплены деревянными планками 4 на ярмовых балках магнитопровода. К нижней поверхности крышки / приварена коробка 5, предохраняющая масло от плескания во время ускорения и торможения электропоезда.
Первыми у стержней на бакелитовых цилиндрах с толщиной стенок 10 мм размещены соединенные последовательно катушки сетевой обмотки А—X (рис 116, б). Среднее положение занимают соединенные параллельно катушки тяговой обмотки с девятью выводами. На наружных цилиндрах 12 (см. рис. 116, а) размещены на одном стержне обмотка собственных нужд 02—х2, а на другом — обмотка отопления 01—х1.
Трансформатор ОДЦЭР-1600/25 установлен на электропоезде ЭР9Е. Принципиальная схема трансформатора ОДЦЭР-1600/25 и его характеристики такие же, как у трансформатора ОЦР-1000/25, но в бак трансформатора ОДЦЭР-1600/25 дополнительно помещена обмотка сглаживающего реактора Охладитель масла такой же, как на серийных электропоездах ЭР9П и ЭР9М, но использован в режиме

Рис 116 Выемная часть (а), схема соединения обмоток (б) трансформатора ОЦР-1000/25
самовентиляции. Вынесенный под встречный поток воздуха, он огражден специальным каркасом с металлической сеткой, исключающей попадание щебня и других предметов на его активную часть, и оборудован направляющим экраном — диффузором для улучшения условий охлаждения. Принудительная циркуляция масла через охладитель начинается после включения насоса, которое происходит автоматически при нагреве масла до температуры + 30° С. В диапазоне скоростей движения 40—100 км/ч поверхность охладителя масла трансформатора обдувается воздухом со средней скоростью 4,5—5 м/с.
Активная выемная часть состоит из трансформаторного и реакторного блоков Активная часть помещена в стальной бак с трансформаторным маслом, обеспечивающим необходимую изоляцию и охлаждение обмоток. Магни-топровод трансформатора стержневого типа, расположен горизонтально стержни установлены параллельно рельсовому пути Расположение обмоток на стержнях
концентрическое: первой размещена сетевая обмотка А—X, намотанная плашмя на бумажно-бакелитовый цилиндр с клиньями, которые образуют продольные каналы для масла Циркуляция мас-

Рис. 117 Тяговый трансформатор ЬТ5-7,85/25 электровоза ЧС4

Рис 118 Тяговый трансформатор 68/3848/51 (а), схема соединения обмоток (б), маслоохладитель 60Е (в) и схема его охлаждения (г)
ла осуществляется электронасосом 2ТТ-16/10-01.
Трансформатор LTS-7,85/25. Этот трансформатор (рис. 117) установлен на электровозе ЧС4 и выполнен с регулированием на стороне высшего напряжения. Он имеет бак / четырехугольной формы, к продольным стенкам которого приварены лапы (фланцы) 2 для установки трансформатора на опорной плите 6. Между лапами и опорной плитой находятся амортизирующие резиновые прокладки. Стенки бака имеют толщину 5 мм, дно — 10 мм.
На стенках бака укреплены: переключатель ступеней 3, отделенный от внутреннего пространства бака изоляционной перегородкой, на которой расположены штепсельные контакты регулируемой обмотки; вводы обмоток собственных нужд и отопления поезда; теплообменник 4 с насосом. На крышке смонтированы высоковольтные вводы, шинные вводы, расширитель 5, сваренный из листовой стали толщиной 3 мм, воздухоосушитель, реле газовой защиты. К стенке расширителя приварен маслоуказатель На стенке расширителя около маслоуказате-ля нанесены контрольные отметки, соответствующие уровню масла при температурах —40, +20 и +40° С. На расширителе 5 также установлен дистанционный контактный термометр, контролирующий температуру верхних слоев масла в баке, с уставкой контактов 60 (номинальная температура) и 90° С (максимальная температура). При температуре масла выше уставки контакты термометра замыкают цепь сигнальной лампы на пульте управления. Между крышкой бака и расширителем находится газовое реле.
Магнитопровод трансформатора броневого типа набран из листов холоднокатаной трансформаторной стали толщиной 0,35 мм Магнитные потери не превышают 0,7 Вт/кг при индукции lOOOx X Ю~4 Тл Листы покрыты карлитом.
Обмотки выполнены из медного провода прямоугольного сечения, изолированного несколькими слоями кабельной бумаги и одним слоем хлопчатобумажной пряжи.
Трансформатор SL68/3848/51. Трансформатор (рис. 118), примененный на
электровозе ЧС4Т, в отличие от трансформатора LTS-7,85/25 имеет магнитопровод, магнитные потери в котором не превышают 0,6 Вт/кг при индукции 1000 -Ю-4Тл. Бак 2 соединен с рамой / фланцами 13, между которыми проложена резиновая прокладка. На боковой стенке бака 2, укреплен переключатель ступеней 12. На верхней части бака 2 расположены: шкаф 11, на котором укреплен расширитель 10 с воздухоосу-шителем 9; газовое реле 16; проходные изоляторы с вводами 18 и 19 первичной обмотки. Рядом с расширителем находятся выводы 14 обмотки отопления (С1 и С2 на рис. 118, б) и выводы 15 обмотки собственных нужд, выводная коробка 17 переключателя напряжения 25/12 кВ. В отличие от трансформатора LTS-7,85/25, где переключение питания с 25 на 12 кВ производится пересоединением высоковольтного ввода на соответствующие выводы регулировочной обмотки, на трансформаторе SL-68/3848/51 имеется переключатель напряжения, к зажимам которого подключены выводы 3 обмотки DO—D25
Охладительная система расположена на баке 2 и включает в себя масляный насос 4, два мотор-вентилятора, установленных в отдельных блоках 8, коробку с зажимами 5, маслоохладители, фильтр 6, охладительную камеру 7 и трубопроводы. Маслоохладитель с поверхностью охлаждения 39 м2 состоит из латунных трубок 20 (рис. 118, в) с ребрами. В отличие от трансформатора LTS-7,85/25 в трансформаторе SL 68/3848/51 трубки 20 впаяны в корпус охладительных элементов, которые с обеих сторон закрыты камерами 21. Каждый из двух маслоохладителей обдувается воздухом, засасываемым отдельным вентилятором. Нагретый воздух выбрасывается под кузов электровоза ЧС4Т. Нагретое масло из бака 2 (рис. 118, г) трансформатора по трубе поступает в маслоохладитель 23 и затем по трубе через открытый затвор 22, фильтр 25, масляный насос 4 — снова в бак 2. Для спуска масла предусмотрен кран 24. Контроль температуры масла осуществляется термометром, который имеет контакты для сигнализации о нормальной (60° С) и наибольшей (90° С) температуре.
|
|