Выключатели управления, разъединители, кнопочные выключатели и посты.
Эти аппараты применяют для управления различными цепями нз кабин машиниста
или из машинных отделений электровозов и вагонов электропоездов. Например, выключателем управления подключают к источнику энергии и отключают от него цепи управления, разъединителем цепей управления отключают эти цепи от поездных проводов; с помощью кнопочных выключателей осуществляют подъем и опускание токоприемников, включение и выключение мотор-компрессоров, мотор-вентиляторов, печей отопления, освещения, восстановление реле перегрузки и т. д
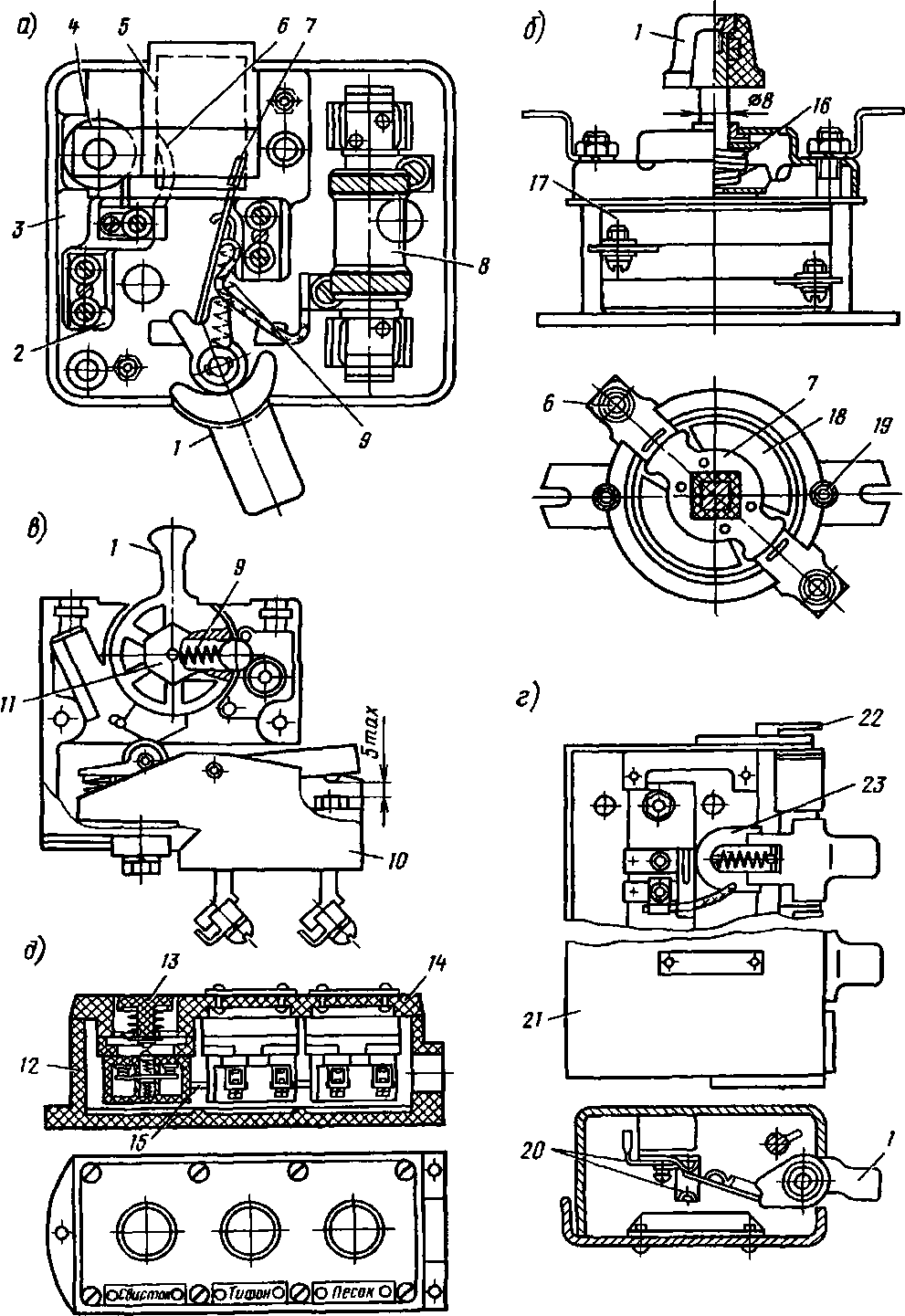
Все эти аппараты имеют ручное управление (рис. 221, а), их контактная система состоит из пальцев, стыковых контактов или из отдельных пакетов.
В цепях освещения широко используют пакетные выключатели ПВ (рис. 221, б), контактную систему 17 которых, набирают из отдельных пакетов, в пазах которых смонтированы неподвижные контакты с винтовыми зажимами для подключения проводов и пружинящих подвижных контактов с фибровыми дуго-гасительными шайбами 18. Пакеты набирают на скобе и крепят их стяжными шпильками 19. Подвижные контакты переключают изолированным квадратным переключающим валиком Необходимые контактные нажатия обеспечиваются пружинящими подвижными контактами. Пакетные выключатели снабжены заводными пружинами 16 для мгновенного переключения; скорость движения подвижных контактов не зависит от частоты

Рис 221 Выключатель управления ВУ-223 (а) и В-007 (в); пакетный выключатель ПВ-2-25
(б) и кнопочный выключатель КУ (г); кнопочный пост ПКЕ-25І (д). I — рукоятка, 2 — зажим, 3 — корпус из прессованного карболита, 4 — дугогасительная катушка, 5 — дугогасительная камера!; 6 н 20 — неподвижные контакты, 7 и> 23 — подвижные контакты; 8 — предохранитель, 9 — пружина, 10 — кулачковый контактор КЭ-153; // — валик; 12 — корпус, 13 — толкатель, 14 — крышка; 15 — перемычка; 16 — заводная пружина, 17 — контактная система, 18 — фибровые дугогасительные шайбы; 19 — стяжная шпилька; 21 — стальной корпус, 22 — специальный ключ
вращения рукоятки 1. В выключателях КУ (рис. 221, г) контактная система подобна примененной в выключателе ВУ-223А.
Применяют в цепях управления кнопочные посты и быстродействующие выключатели типа «Тумблер», которые при номинальном токе и номинальном напряжении выдерживают до 10 тыс. переклю,-чений.
Распределительные щиты и панели аппаратов. Они представляют собой панели, на которых смонтированы аппараты, обеспечивающие питание цепей управления и совместную работу источников энергии низкого напряжения, например: один или два регулятора напряжения; реле обратного тока; рубильники для переключения генераторов управления, а также для отключения и усиленного заряда аккумуляторной батареи; амперметр и вольтметр; переключатель вольтметра; низковольтные предохранители; резисторы трубчатые или проволочные эмалированные, установленные на лицевой или обратной стороне панели; перемычки, зажимы и другие детали. Расположение аппаратов на одной панели облегчает их эксплуатацию, упрощает монтажную схему цепей управления, дает экономию в проводах и кабелях.
На электровозах применяют панели управления и распределительные щиты различных типов. Размеры и схемы их в основном зависят от числа аппаратов, что обусловлено, например, числом ге-
нераторов напряжения, схемой защиты цепей управления и т. д.
Панели аппаратов применяют при блочном расположении оборудования для удобства монтажа и обслуживания, например аппаратов управления вспомогательными машинами, аппаратов защиты и т. д. Панели аппаратов состоят из каркасов и гетинаксовых панелей с аппаратами. Соединяют аппараты на панелях шинами и проводами. Бее зажимы панелей, предназначенные для подключения внешних проводов, выведены на зажимы силовые и цепей управления, что обеспечивает удобство монтажа при изготовлении и ремонте электровозов.
|
|