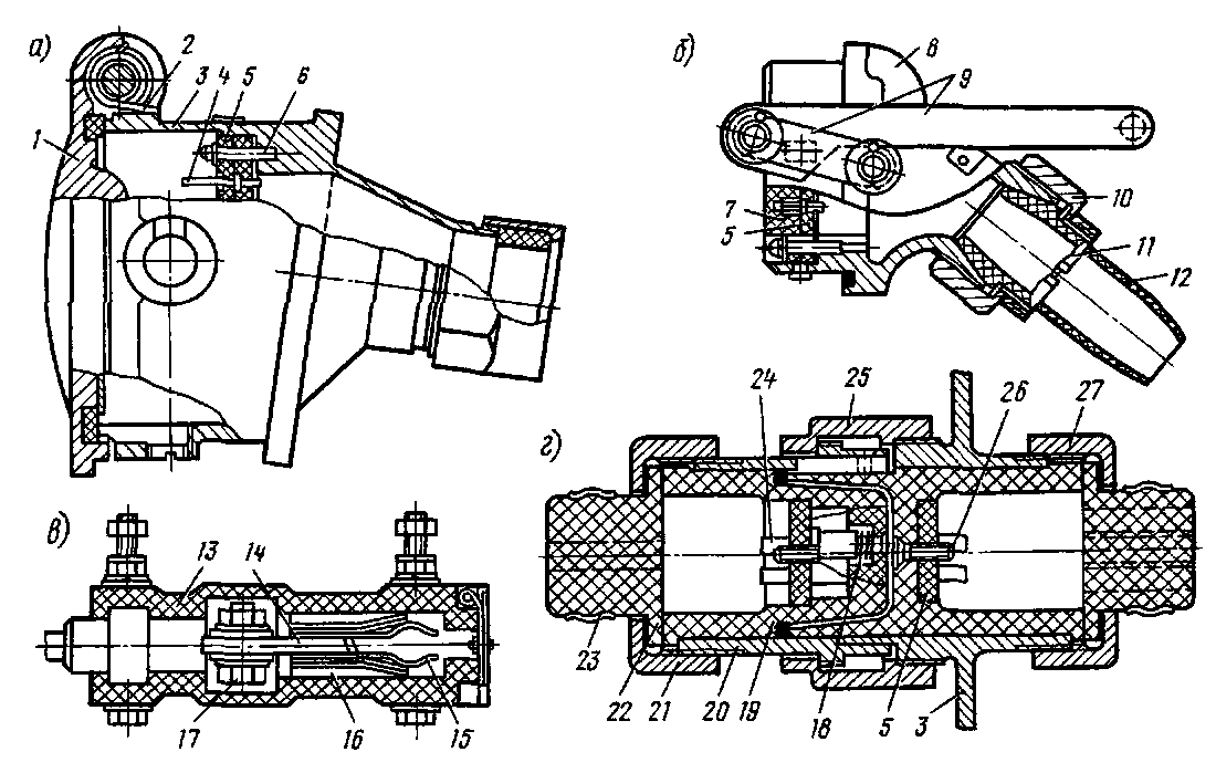
Межэлектровозные, межсекционные и междувагонные соединения. Они состоят из розеток и штепселей и предназначены для соединения проводов цепей управления секций электровозов или вагонов при работе по системе многих единиц, а на электропоездах ЭР9М, ЭР9Е, ЭР2Р — еще и для соединения вспомогательных цепей переменного тока напря-

Рис 225 Розетка РУ-51 (а), штепсель ШУ-21 (б), низковольтная розетка РН-1 (в) и высоковольтное штепсельное соединение СШВ (г) восьмиосиых электровозов. / — крышка; 2 — пружина; 3 — корпус розетки, 4, 26 — штыри, 5, 19 — изоляторы, 6 — винт, 7, 24 — гнезда, 8 — корпус штепселя, 9 — система рычагов, 10, 21, 25 к 27 — гайки, // — хомут, 12, 22, 23 — резиновые втулки; 13, 17—изоляционные колодки; 14 — контактные пластины, 15 — пальцы, 16 — плоские пружины, 18 — внтая пружина, 20 — корпус штепселя
жением 220 или 380 В (на вагонах ЭР2Р, ЭР2Т). Конструкция соединительных устройств поясняется рис. 225, 226
Рейки зажимов. Их применяют на электровозах и электропоездах для удобства монтажа проводов цепей управления. Они обычно состоят из основания (деревянного, текстолитового или пластмассового), на котором укреплены зажимы (болты) в соответствии с числом проводов в кабеле и числом контактных штифтов соединений. Зажимы обозначают номерами проводов, которые на них закреплены. Рейки обычно устанавливают вертикально комплектами на стенках высоковольтных камер, служебных помещений и ящиков.
Контактные шины. Их применяют для подключения цепей тяговых двигателей к источнику энергии сети депо. Контактную шину обычно укрепляют под кузовом электровоза на деревянных брусках. Чтобы при включении штепселя, прорезь контактной части которого обхватывает шину, был хороший контакт и шина несколько пружинила, ее выполняют из
двух медных полос с зазором посередине и медными прокладками на концах.
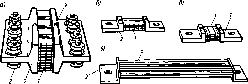
Шунты измерительных приборов. Они имеют небольшое сопротивление, и включают их в цепь для пропуска основного тока, так как обмотки подвижных рамок приборов рассчитаны на ток до 1 А. Шунты (рис 227) рассчитывают по условию допустимого нагрева на прохождение наибольшего тока, при котором на зажимах получается определенное значение падения напряжения.
Лампы и осветительная арматура. Для световой сигнализации и освещения на э. п. с. применяют электрические лампы железнодорожного типа с двухконтактным и пружинящим патроном типа «Сван», обеспечивающим хороший контакт при тряске. Эти лампы имеют пониженную на 12—15 % световую отдачу по сравнению с нормальными лампами вследствие того, что в них принята более низкая температура нити для лучшего сопротивления ее толчкам и тряске с целью обеспечения срока службы лампы до 1000 ч.

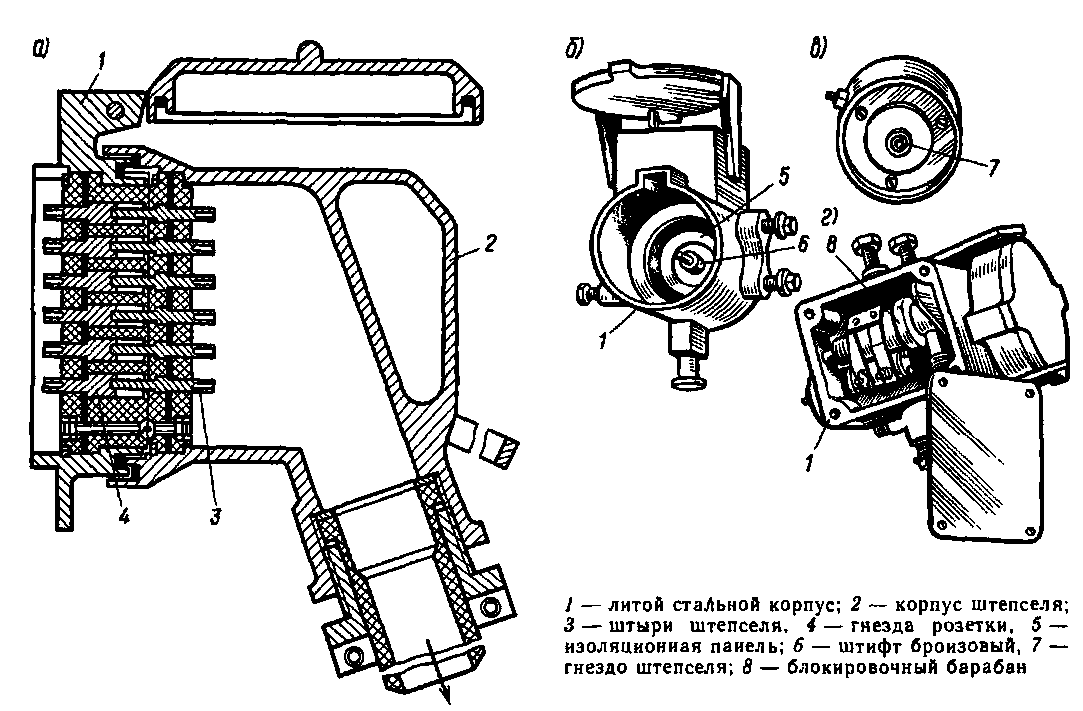
Рис 226 Штепсельное соединение 2СШ1-001 (а), розетка РСБ-20-16Б (б), штепсель ШС-20-16Б (в) и блокировочное устройство электропоездов (г)-
Для освещения пассажирских помещений, помимо ламп накаливания, применяют также и люминесцентные лампы. Они имеют большой срок службы (до 5000 ч). Так как люминесцентные лампы требуют более высокого напряжения, на э. п. с. устанавливают специальные полупроводниковые преобразователи.
Осветительная арматура для кабины машиниста и пассажирских помещений вагонов имеет плафоны с прозрачным или матовым стеклом
Освещение пути и контактного провода в темное время производят лобовыми прожекторами, установленными на крыше электровоза или вагона в специальной обойме, а сигнализацию — буферными фонарями.
На отечественном э. п. с. в качестве лобовых (рис. 228, а) применяют прожекторы, изготовленные на базе прожектора ПЛС-45. В прожекторе установлена лампа мощностью 500 Вт, которая работает в двух режимах: яркий н тусклый свет.

Рис 227 Шунты измерительных приборов электровозов и электропоездов на ток 600 А и падения напряжения 75 мВ (а), 300А и 50 мВ(б), 450 А и 50 мВ(в) и 500 А и 65 мВ (г): / — пластины, 2 — держатель, 3 — болт, 4 — зажим для подключения обмотки измерительных приборов, 5 — стержень
Буферные фонари (рис 228, б) устанавливают в лобовых стенках кузова, они имеют лампы небольшой мощности.
Провода и кабели. На электровозах и электропоездах применяют специальные провода и кабели повышенной гибкости, с усиленной изоляцией. Монтаж цепей с номинальным напряжением 50 В выполняют: одножильными проводами на напряжение 660 В марок ППСРМО площадью сечения 1,5; 2,5; 6 мм2 и ППСРМ-1 площадью сечения 25 н 120 мм2; многожильными кабелями марок КПСРМ 16X2,5X660 и КПСРМ 37X2,5X660 Провода ППСРМО 6x660 и ППСРМ-1 25x600 используют также для межкузовных соединений.
Для цепей управления применяют провода площадью сечения 2,5 и 6 мм2; для цепей освещения, локомотивной сигнализации и сигнальных ламп — 1,5 мм2; для цепей радиостанций, якорей генераторов управления и аккумуляторных батарей — 25 мм2. Цепи подсоединения генераторов преобразователей к контактам тормозных переключателей выполняют проводами, имеющими площадь сечения 120 мм2.
Монтаж высоковольтных цепей выполняют проводами, рассчитанными на номинальное напряжение 4000 В марок ППСРМ-1 площадью сечения 16, 35, 70, 120, 150, 185 мм2 и ППСРМО площадью сечения 4 и 6 мм2. Провода ППСРМ-1 70X4000 н ППСРМО 6X4000 используют также для межкузовных соединений.
Близко расположенные аппараты соединяют медными нли алюминиевыми шинамн. Площадь сечения шнн н проводов выбирают в зависимости от нагрузки, а в некоторых случаях при малых нагрузках — из условий механической прочности.
Для крепления проводов используют скобы, клицы, прутки и трубы. Скобы и прутки покрывают асфальтовым лаком и обматывают полотняной лентой. Провода, прокладываемые на прутках, обматывают прорезиненной липкой или киперной лентой.
При использовании прорезиненной липкой ленты пучок сверху окрашивают асфальтовым лаком, а при покрытии киперной лентой его промазывают клеем,

Рис. 228 Лобовой (а) и буферный (б) прожекторы:
/ — отражатель стеклянный, 2 — лампа, 3 — стойка; 4 — проушина для шарнирного соединения отражателя со стойкой для изменения угла наклона, 5 — основание; 6—металлический отражатель, 7 — пластмассовая крышка, в которую вставлены два стекла, 8 — стекло бесцветное, 9 — стекло красного цвета, 10— экран затемннтеля
а сверху покрывают серой электроэмалью. Провода, проходящие вблизи элементов, выделяющих тепло, покрывают асбестовой лентой. Концы проводов, подключаемые к аппаратам, машинам и приборам, заканчиваются кабельными наконечниками, которые соединяют с проводами пайкой (припой ПОС-30) или же опрессовывают. Провода, подходящие к резисторам, нагревающимся до высокой температуры, наконечников не имеют; их подсоединяют специальными зажимами.
Соединения выводных кабелей тяговых двигателей с кабелями, идущими под кузовом электровоза или вагона электропоезда, изолируют специальными изоляционными трубками с резиновыми втулками на концах
Изоляторы. Их применяют для механического крепления токоведущнх частей и аппаратов, электрического изолирования их от заземленных конструкций н друг от друга. Они должны обладать необходимой электрической и механической прочностью.
|
|