Чтобы перейти в режим электрического торможения, двигатели переводят в генераторный режим, при котором они создают тормозной момент. Выражение "генераторный режим" обычно вызывает у эксплуатационников неприятные ассоциации, так как хорошо известны
последствия: полностью выведенные из строя тяговые двигатели, а иногда — пожар на электропоезде. Дело в том, что этот стихийный процесс протекает обычно без ограничения тока якорей и совершенно бесконтрольно. Перечислим три фактора (или три условия) генераторного режима (условно считаем, что имеется один двигатель):
якорь должен вращаться, т.е. процесс происходит на ходу поезда;
имеется замкнутый контур для тока якоря. Обычно он возникает из-за пробоя изоляции на землю;
реверсор находится в положении, противоположном движению.
На практике это случается после отправления с конечной станции, когда один из реверсоров из-за неисправности не развернулся в требуемое положение, и хотя вагон не "повезет" (на нем не соберется силовая схема), все условия "генераторного режима" налицо.
Однако, если этим процессом управлять, то электропоезд можно затормозить тяговыми двигателями, сэкономив при этом колодки, снизив износ бандажей, возвратив в сеть значительное количество электроэнергии.
Процесс реостатного торможения при последовательном возбуждении тяговых двигателей может начаться только при наличии остаточного магнитного потока в двигателе. Для реостатного торможения обмотки возбуждения необходимо реверсировать, чтобы сохранить в них такое же направление тока (следовательно, и магнитного потока), как и в режиме тяги (в якоре при генераторном режиме направление тока изменится), т.е. нужно согласовать направление магнитного потока с направлением генераторного тока.
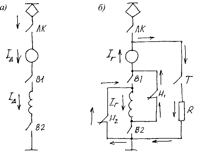
Допустим, при включенных контакторе ЛК и контактах реверсора В1, В2 (рис. 41, а) ток в режиме тяги проходит в направлении, показанном стрелками, тогда после отключения линейного контактора остаточный магнитный поток обмотки возбуждения будет направлен аналогично.
Если теперь замкнуть якорь через контактор на резистор II, оставив реверсор в прежнем положении, то наведенная в якоре небольшая э.д.с. Е за счет остаточного магнитного потока поступит на обмотку возбуждения в противоположном направлении. Это размагнитит двигатель, и торможение станет невозможным. Если при этом реверсор развернуть в положение "Назад" и замкнуть Ы1, Ы2, то генераторный ток 1г пройдет по обмотке как и в тяге. Он усилит остаточный магнитный поток и обеспечит самовозбуждение машины (рис. 41, б).
Было бы желательно подобный способ распространить на весь цикл торможения. Однако на практике торможение разбивается на несколько этапов. Прежде всего потому, что предпочтение отдается рекуперативному
торможению, позволяющему возвращать электроэнергию в контактную сеть, а двигатели с последовательным возбуждением практически нельзя перевести в режим рекуперации, так как не представляется возможным перейти через промежуточный момент холостого хода, необходимый для перевода электрической машины из двигательного в генераторный режим.

Рис. 41. Режимы работы:
а — режим тяги; б — режим реостатного торможения с самовозбуждением
Кроме того, использовать реостатное торможение с самовозбуждением с максимальной скорости тоже нельзя, поскольку их суммарное напряжение достигло бы очень большого значения, опасного и для электрооборудования, и для контактной сети. Применять реостатное торможение до остановки поезда не представляется возможным, потому что при малом вращении якоря двигателя, работающего в генераторном режиме, резко уменьшается его э.д.с, ток и электромагнитный тормозной момент. Поэтому полной остановки достигают с помощью электропневматического тормоза. Иными словами, описанная схема не обеспечивает сохранение тормозной силы при уменьшении скорости до нуля и непригодна для полной остановки поезда.
Схема начинает действовать с рекуперативного торможения, когда суммарное напряжение двигателей (точнее — суммарная э.д.с. генераторов) превышает напряжение контактной сети. Двигатели с последовательным
возбуждением становятся генераторами с независимым возбуждением. Их обмотки возбуждения отключаются от якорей и соединяются с трехфазным тиристорным преобразователем (мостом). Управляемый мост получает питание от синхронного генератора переменного тока, используемого также для собственных нужд электропоезда.
Область применения рекуперации имеет ограничения. Например, рекуперативное торможение при постоянном напряжении на тяговых двигателях ограничивается минимальной скоростью (45 — 50 км/ч), которая зависит от мощности синхронного генератора и насыщения тяговых двигателей, после чего приходится переходить на реостатное торможение с самовозбуждением.
Область рекуперации значительно расширяет использование двигателей, рассчитанных на глубокое ослабление возбуждения (до 18 %). Чтобы повысить коммутационную устойчивость двигателей в режиме электрического торможения и обеспечить надежную работу коллекторов и щеток, напряжение на коллекторах ограничивают до 750 В. При напряжении сети 3000 В это определяет постоянное последовательное соединение четырех двигателей.
Система рекуперативно-реостатного торможения предусматривает:
автоматический переход с рекуперативного торможения на реостатное с самовозбуждением при минимальной скорости движения;
автоматическое замещение рекуперативного торможения реостатным с независимым возбуждением при недостаточном потреблении энергии из контактной сети (при повышении в ней напряжения свыше 4000 В);
автоматическое управление процессами торможения.
Эффективность рекуперативного торможения зависит не только от режимов работы электропоезда, но и от потребления энергии и сети и параметров всей системы энергоснабжения.
Сбор схемы рекуперации начинается с включения линейных контакторов ЛК и ЖТ и контакторов возбуждения КВ и ОВ (рис. 87). Поскольку обмотки возбуждения тяговых двигателей подсоединяются к независимому источнику питания, реверсировать их нет необходимости, реверсоры остаются в том же положении, что и в тяге. Напряжение на якорях повышается, и когда оно превысит напряжение контактной сети, энергия поступает в сеть. После окончания рекуперации и перехода на реостатное торможение с самовозбуждением реостатный контроллер подключает обмотки возбуждения к якорям и пускотормозным резисторам.
Основная трудность использования двух видов электрического торможения (рекуперативного и реостатного) состоит в том, чтобы переход
с одного вида торможения на другой происходил бы без разрыва тока якорей и с минимальным снижением тормозной силы. Для этого в момент перехода параллельно тиристорному возбудителю (управляемому мосту) подключаются шунтирующие резисторы, через которые протекает часть тормозного тока. Если падение напряжения на них будет равно падению напряжения на обмотках возбуждения тяговых двигателей, то переход на самовозбуждение и отключение контура независимого возбуждения контакторами КВ и ОВ произойдет без бросков тока и тормозной силы. Шунтирующие резисторы (по схеме Я11 — Л15) при самовозбуждении остаются введенными в цепь тормозного тока.
Реостатное торможение с самовозбуждением начинается со скоростей 45 — 50 км/ч без предварительного самовозбуждения, что позволяет использовать одни и те же резисторы в тяге и торможении. При достижении максимального значения тока в обмотках возбуждения соответствующий датчик тока подает сигнал на срабатывание реле самовозбуждения, которое включает тормозной контактор Т и приводит в действие реостатный контроллер.
Если во время рекуперации при недостаточном потреблении энергии из контактной сети напряжение на токоприемнике повысится до 3950 В, то сработает реле максимального напряжения РМН, включающее контактор Т. Произойдет переход на замещающее реостатное торможение. Поскольку в составе электропоезда имеется несколько моторных вагонов, реле РМН которых срабатывают не одновременно, замещающее реостатное торможение может включиться на одном или нескольких вагонах в то время, когда оборудование на остальных вагонах продолжит работать в режиме рекуперации.
Силовая схема, обеспечивающая работу в данных режимах, получается наиболее простой при постоянном последовательном соединении тяговых двигателей, подключенных к общим резисторам. Все двигатели одинаково нагружены даже при расхождении характеристик. Недостаток последовательного соединения — склонность колесных пар к юзу.
Таблица З
Неисправности тяговых двигателей
Продолжение таблицы 3
|
Неисправность |
Причина |
Способ устранения |
|
Круговой огонь по коллектору или чрезмерное искрение под щетками, подгар коллектора |
Щетки плохо притерты к коллекторным пластинам, неплотное прилегание |
Приработать щетки к коллекторным пластинам при малых скоростях движения |
|
Изоляция между коллекторными пластинами выступает над ними, коллектор плохо прошлифован |
Продорожить, зачистить и отшлифовать коллектор |
|
|
Недопустимый износ щеток |
Заменить щетки |
|
|
Недостаточное или неравномерное нажатие щеток |
Отрегулировать нажатие щеток |
|
|
Биение коллектора |
Проточить и отшлифовать коллектор |
|
|
Низкое качество щеток, коллектора и изоляторов |
Заменить щетки, изоляторы |
|
|
Оборван проводник обмотки якоря |
Отремонтировать обмотку в деповских условиях |
|
|
Короткое замыкание в обмотке дополнительных полюсов |
Отыскать поврежденную катушку дополнительного полюса и заменить ее (в депо) |
|
|
Заклинивание щетки |
Обеспечить свободный ход щетки |
|
|
Коллектор загрязнен |
Очистить коллектор |
|
|
Межвитковое замыкание или выпаивание секции обмотки якоря из петушков коллектора |
Отремонтировать якорь в деповских условиях |
|
|
Потеки смазки внутри тягового двигателя |
Избыток смазки |
Снять потеки и наблюдать за подшипниковым узлом. Если повреждение повторится, снять тяговый двигатель с тележки, разобрать подшипниковый узел и заменить подшипник |
|
Неисправность |
Причина |
Способ устранения |
|
Перекос подшипника |
Устранить перекос, подтянув болты крышки подшипника |
|
|
Перегрев подшипника |
Недостаточно смазки |
Добавить смазку |
|
Повреждение подшипника |
Снять гяговый двигатель с тележки, разобрать подшипниковый узел, заменить подшипник и смазку |
|
|
Перекрытие или пробой кронштейна щеткодержателя |
Попадание влаги в тяговый двигатель, перенапряжение, грязный изолятор или кронштейн щеткодержателя |
Протереть тяговый двигатель чистой салфеткой, смоченной бензином, заменить изолятор или кронштейн щеткодержателя |
|
Пробой изоляции обмоток якорей и полюсов |
Механические повреждения, резкое снижение сопротивления изоляции при частых перенапряжениях на двигателях, попадании влаги, пыли и т.д. |
Устранить повреждения в депо |
|
Сильное искрение под щетками и срабатывание токовой защиты |
Механическое повреждение изоляции, старение изоляции, снижение изоляционных свойств вследствие частых перенапряжений |
Отключить тяговый двигатель, по прибытии в депо устранить повреждение |
|
Чрезмерное нагревание коллектора |
Щетки слишком сильно прижаты к коллекторным пластинам |
Установить нормальное нажатие щеток |
|
Чрезмерное нагревание якоря |
Замыкание между секциям и обмоток якоря или коллекторными пластинами |
Отключить тяговый двигатель, по прибытии в депо отремонтировать якорь |
|
Порванные сетки в вентиляционных отверстиях или торчащие из них остатки бандажей |
Размотаны бандажи якоря и часть обломков отброшена в сторону вентиляционных отверстий |
Отключить тяговый двигатель, по прибытии в депо отремонтировать |
|
На моторном вагоне срабатывает быстродействующий выключатель во время первой поездки после замены двигателя |
Неправильный монтаж проводов |
Пересоединить концы тягового двигателя |
Таблица 4
Основные технические данные двигателя 1 ДТ.003
|
Показатели |
Характеристика |
|
Напряжение на коллекторе, В |
750 |
|
Часовой режим. |
|
|
номинальная мощность, кВт |
240 |
|
Наименьший коэффициент ослабления возбуждения |
0,18 |
|
ток якоря, А |
350 |
|
частота вращения, об/мин |
1225 |
|
Якорь: |
|
|
диаметр сердечника, мм |
520 |
|
14 |
|
|
число сторон секций в пазу |
|
|
размер провода, мм |
1x1.74 |
|
диаметр коллектора, мм |
446 |
|
число коллекторных пластин |
322 |
|
Щетки: |
|
|
число щеткодержателей |
4 |
|
число щеток в щеткодержателе |
2 |
|
размеры, мм |
|
|
марка |
ЭГ2А, ЭГ61А |
|
нажатие на щетку, кгс |
2,2 — 2,6 |
|
Остов: |
|
|
число главных полюсов |
4 |
|
число дополнительных полюсов |
4 |
|
размер провода, мм |
2,26x25 |
|
сечение провода, мм |
4,4x26,3 |
|
Масса двигателя, кг |
2200 |
|
|