Плавное регулирование скорости движения электропоезда выполняется тирнегорным регулятором токи с шпротпо-нмпульсной модуляцией. Принятая частота регулирования 400 Гц выходит ла пределы используемых частот в системах автоблокировки и частотной АЛС-200.
Проектированию тиристорного регулятора предшествовали научные исследования, которые показали, что проблема обеспечения широкого диапазона изменения коэффициента ослабления возбуждения от 0,85 до 0,2 при широтно-импульсной модуляции на повышенной частоте 400 Гц решается достаточно удовлетворительно посредством комбинированного регулятора 1 с общим узлом запирания тиристоров [16]. С учетом результатов этих исследований для электропоезда ЭР200 специалистами РЭЗ разработан специальный комбинированный широтно-импульсный регулятор возбуждения тяговых двигателей [171. Регулятор является универсальным, так как его используют в схеме силовых цепей моторного вагона ЭР200 не только для регулирования возбуждения тяговых двигателей, но и для межступенчатого регулирования сопротивления пуско-тормоз-ного реостата при пуске и электрическом торможении.
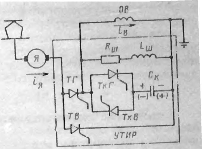
Универсальный тиристорный импульсный регулятор (УТИР) имеет главный тиристор ТГ (рис. 49) вспомогательный тиристор ТВ и коммутирующие тиристоры ТкГ и ТкВ. При ослаблении возбуждения в режиме тяги тиристор ТГ включен последовательно с обмоткой возбуждения ОВ тягового двигателя, которая шунтируется резистором Яш и дросселем 1ш. Тиристор ТВ включен параллельно обмотке возбуждения ОВ и тиристору ТГ. Аіежду катодами тиристоров ТГ и ТВ подключена цепочка, состоящая из коммутирующих тиристоров ТкГ и ТкВ, которые поочередно обеспечивают перезаряд коммутирующего конденсатора С„.
Различают четыре стадии работы регулятора в течение одного периода регулирования, равного 2,5 мс (при частоте 400 Гц).
Первая стадия. Отпираются тиристор ТГ и тиристор ТкГ. Перед этим тиристор ТВ был открыт, а конденсатор Ск был заряжен полярностью, показанной на рис. 49 в скобках. Отпирание тиристоров ТГ и ТкГ приводит к тому, что к тиристору ТВ прикладывается в обратном направлении напряжение конденсатора Ск и тиристор ТВ запирается. Одновременно конденсатор Ск перезаряжается, т. е. сначала разряжается через £ш и а затем заряжается обратной полярностью, которая потребуется в дальнейшем для запирания тиристора ТГ. Во время разряда конденсатора Ск ток воз-
1 В зависимости от схемы подключения тиристоров к обмоткам возбуждения тяговых двигателей тирнсторные регуляторы разделяют на последовательные, параллельные и комбинированные. У комбинированного регулятора тиристоры подключены последовательно и параллельно к обмоткам возбуждения.

Рис. 49. Принципиальная схема УТИР
буждення I несколько снижается, так как ток разряда конденсатора направлен встречно I . Продолжительность переходных процессов на первой стадии регулирования, т. е. коммутационного интервала /ь обеспечивающего запирание тиристоров и перезаряд коммутирующего конденсатора, равна 0,2 — 0,25 мс и составляет около 0,1 периода регулирования.
Вторая стадия. Тиристор ТГ открыт. Ток обмотки якоря протекает по обмотке возбуждения ОВ и но шунтирующей цепочке /с,,, II /.,„. Идет нарастание тока /п. Продолжительность второй стадии (/2) определяется временем открытого состояния тиристора ТГ.
Третья стадия. Отпираются тиристоры ТВ и ТкВ. Ток обмотки якоря переходит с тиристора ТГ на тиристор ТВ. Тиристор ТГ запирается, так как к нему прикладывается обратное напряжение на конденсаторе Ск. Одновременно происходит перезаряд конденсатора Сю который вновь приобретает полярность, показанную на
рис. 49 в скобках.
Ввиду того, что направление тока разряда коммутирующего конденсатора Ск на этой стадии совпадает с направлением тока возбуждения /в, последний несколько повышается. Продолжительность третьей стадии регулирования (г3) определяется, как и первой, временем ' переходных процессов в цепи конденсатора Ск.
Четвертая стадия. Тиристор ТВ открыт. Ток обмотки якоря протекает по цепи этого тиристора, которая шунтирует обмотку возбуждения ОВ. Ток обмотки возбуждения /в замыкается через Гш и Яш и поэтому интенсивно уменьшается. Напряжение конденсатора Ск, полученное на предыдущей стадии, остается неизменным, так как коммутирующие тиристоры закрыты. Продолжительность четвертой стадии регулирования (/4) определяется временем открытого состояния тиристора ТВ.
В тяговом режиме коэффициент ослабления возбуждения тяговых двигателей р* зависит от того, насколько снижается ток на четвертой стадии регулирования, а также зависит от относительной продолжительности открытого состояния регулятора или коэффициента заполнения импульсов у=/,,/7\ который в рассматриваемом режиме выражает долю времени открытого состояния вспомогательного тиристора в течение всего периода регулирования
(11)
у її гиптетственно уменьшая время /2 при Т і "на моРТо^> ГоГІР200 практически ос^ес—
ослабление возбуждения от (3 = 0.85 до \\ г 0,19. При этом коэфИ) фнцнент у изменяется от 0,2 до 0,8. $| В режиме можетл пепчатого регулирования сопротивления пуско-" тормозного реостата, а также в режиме регулирования возбужде*' ння тяговых двигателей при электрическом торможении у онреди-ч ляется временем открытого состояния главных тиристоров, т. е.к
ui импульсы упраилении подаются па іе элемент/л системы, котрих получали ранее, когда той? двигателей достигал /1||ах. Л эA4
гы системы, получавшие ранее импульсы управлении в начале ода регулирования, теперь, после изменения структуры, полу-
г импульсы управления, когда ток двигателей достигнет зпаче-меньше уставки па 5°п (контролируется минимальное значение
а двигателей ilui„).
(12).
Поддержание тока тяговых двигателей на его среднем уровне, соответствующем току \ставки (в пределах между наибольшим и наименьшим значениями), выполняют путем изменения коэффициента заполнения импульсов у от наименьшего значения (при малой скорости электропоезда) до наибольшего (при высокой скорости). Функцию автоматического изменения у несет система автоматического регулирования САР (см. с. 148—157).
Пока коэффициент заполнения импульсов у сохраняется менее 0,5, САР выдает импульсы управления в начале каждого периода регулирования:
на главные тиристоры ТГ и коммутирующие тиристоры перезаряда ТкГ (в режиме межступенчатого импульсного регулирования реостата при тяге н электрическом торможении н в режиме регулирования возбуждения двигателей при электрическом торможении);
па вспомогательные тиристоры ТВ и коммутирующие тиристоры гашения ТкВ (в режиме регулирования возбуждения двигателей при тяге).
Импульсы управления на закрывание тиристоров САР выдает в те моменты, когда ток двигателей превышает уставку на 5% (контролируется наибольшее значение тока двигателей /гаах). Эти импульсы подаются:
на вспомогательные тиристоры ТВ и коммутирующие тиристоры гашения ТкВ в режиме межступенчатого регулирования реостата при пуске и электрическом торможении и в режиме регулирования возбуждения при электрическом торможении;
на главные тиристоры ТГ и коммутирующие тиристоры перезаряда ТкГ в режиме регулирования возбуждения двигателей в тяге.
Указанная последовательность работы элементов регулятора предусмотрена лишь в начале регулирования и не может сохраняться при коэффициенте заполнения импульсов у, достигшем значения 0,5 или более, так как из-за возросшего времени открытого состояния тиристоров при малом времени периода (высокой частоте регулирования) не исключен пропуск отдельных периодов регулирования. Такой пропуск означал бы нежелательный "переход системы регулирования в релейно-частотный режим. Во избежание этого, когда коэффициент заполнения импульсов у достигает значения 0,5, предусмотрено изменение логической структуры управления (изменение структуры), заключающееся в том, что в начале каждого пе-116
|
|