Тяговая передача моторного вагона состоит из редуктора и упругой муфты. Редуктор служит для передачи вращающего момента от двигателя на колесую пару в тяговом режиме и от колесной пары к тяговому двигателю при элект-
рическом торможении (на электропоезде ЭР2Р). Зубчатая передача состоит из двух цилиндрических прямозубых колес редуктора, заключенных в литой стальной корпус. Передаточное число зубчатой передачи 3,17 у электропоезда ЭР2 и 3,41 у ЭР2Р. Эти числа показывают, во сколько раз уменьшается частота вращения при передаче вращения от двигателя к колесной паре.
Корпус редуктора 5 (рис. 41) является несущей конструкцией (толщина боковых стенок 12 мм) и состоит из двух половин — верхней и нижней, которые скреплены болтами и зафиксированы двумя штифтами. Эти половины с одной стороны опираются на опорный стакан, внутри которого на оси колесной пары напрессованы два роликовых подшипника, а с другой обхватывают своей горловиной с зазором 0,5—0,7 мм цилиндрическую часть удлиненной ступицы колесного центра. Для удержания смазки в горловине имеются лабиринтные канавки. Верхнюю и нижнюю половины редуктора крепят боковой стенкой к фланцу опорного стакана 4 восемью болтами.
Передний подшипник 3 корпуса редуктора имеет буртик на внутреннем
кольце и упорное кольцо, задний 16 выполнен без бурта. Между ними на оси установлены наружное 19 и внутреннее 20 распорные кольца. Опорный стакан с обеих сторон закрыт лабиринтными крышками 2, 14, предотвращающими вытекание смазки из подшипников редуктора.
В нижней половине корпуса редуктора предусмотрены два отверстия для заливки свежей и выпуска отработанной смазки. Одно отверстие закрыто пробкой, а в другое вставлен измеритель уровня масла. В верхней части редуктора для смазывания подшипников имеется резьбовое отверстие в корпусе и в стакане, которое также закрыто пробкой. Вверху расположен люк, закрытый крышкой с трубкой-сапуном. Люк служит для осмотра зубчатой передачи, а трубка-сапун — для выравнивания давления внутри редуктора с атмосферным. Трубка закрыта фильтром из распушенного войлока. Боковые стенки корпуса редуктора усилены ребрами для увели: чения жесткости. Кроме того, в верхней части корпуса редуктора имеются специальный прилив в виде уха, служащий для подвески редуктора, и два цилиндрических отверстия для подшипников малой шестерни.
Малое зубчатое колесо (шестерня) 8 представляет собой венец, изготовленный из хромоникелевой стали. Напрессовывают его в нагретом состоянии при температуре ПО—120°С на коническую поверхность вала. Вал шестерни вращается в двух роликовых подшипниках 7, //, внутренние коль-

Рис. 41. Редуктор электропоезда ЭР2:
/—ось колесной пары; 2 — лабиринтная крышка; 3—передний подшипник Л"? 92140Л2; 4 — стакан; 5 — корпус редуктора; 6', 12 — передняя и задняя малые крышки; 7 — передний подшипник № 2Н32518П; 8 — шестерня; 9, 10 — передняя н задняя большие крышки; // — задний подшипник шестерни (№ 2Н92518П); 13 — шайба; 14 — крышка; 15, 21 — лабиринтные кольца; 16 — задний подшипник № 32140Л1; 17 — призонный болт; 18 — большое зубчатое колесо; 19, 20 — наружное и внутреннее распорные кольца

Рис. 42. Редуктор электропоезда ЭР2Р:
/ ось колесной пары; 2, 17 — крышки; 3, 19 - обоймы подшипника; 4 — большое зубчатое колесо; 5, /(/ — дистанционные кольца; 6 шариковый подшипник; 7 — фланец муфты: 8 — передняя крышка: 9, /-/ — роликовые подшипники; //, 13 -передняя и задняя большие крышки: 12 — венец шестерни; 15 — вал малой шестерни; 16 •— задняя крышка; 18, 12 - подшипники; 20 — ступица зубчатого колеса; 23 — люк с сапуном: 24 — щуп-измеритель: 25 — корпус редуктора; 21, 26 -пробки
ца которых имеют тугую посадку, а наружные — скользящую (для облегчения сборки и разборки). Подшипники устанавливают в большие крышки 9, 10, которые крепят к корпусу редуктора болтами и связывают попарно проволокой. Подшипники снаружи закреплены малыми крышками 6, 12, передняя имеет отверстие для хвостовика вала, а задняя глухая. Малые крышки крепят болтами к большим крышкам. Для подачи смазки к подшипникам шестерни в малые крышки ввернуты штуцера, закрываемые резьбовыми пробками.
Шестерня-имеет 23 зуба (у электропоезда ЭР2Р — 22 зуба), прошедших це-мента'цию и закалку. Глубина цементированного слоя составляет 1,5—2 мм. Зубья имеют шлифованные рабочие поверхности.
Большое зубчатое колесо 18 представляет собой венец, имеющий 73 зуба (у электропоезда ЭР2Р — 75 зубьев), прикрепленный к фланцу ступицы правого колесного центра призонными болтами 17, входящими в отверстие с натягом.
Гайки болтов закреплены от самоотвинчивания пластинчатыми шайбами. Зубчатое колесо изготовляют из хромоникелевой стали ковкой и прокаткой. Зубья имеют шлифованные рабочие поверхности и закалены по всему контуру на глубину 2—5 мм, что увеличивает срок их службы.
Редуктор электропоезда ЭР2Р первого выпуска (рис. 42) имеет некоторые конструктивные отличия по сравнению с редуктором электропоезда ЭР2: в узле, малой шестерни установлены три подшипника (вместо двух), два из которых (роликовые) 9, 14 являются опорными и воспринимают только радиальные нагрузки, а третий (шариковый) 6 — осевые; корпус редуктора 25 опирается на ось 1 с двух сторон через опорные подшипники 18, 22, установленные симметрично относительно оси зубчатого колеса. В результате этого исключается перегрузка подшипников, возникающая при одностороннем опираний корпуса редуктора на подшипники,устраняется перекос пары зубчатых колес: большое зубчатое колесо 4 крепят к фланцу ступицы зубчатого колеса 20 призониыми болтами. Благодаря этим конструктивным особенностям улучшены условия работы подшипников, корпуса редуктора и зубчатого зацепления.
Подвеска редуктора состоит из стержня 5 (рис. 43), имеющего резьбу на обоих концах. Нижний конец крепят к уху редуктора при помощи двух резиновых гасителей 2, армированных стальными шайбами и стянутых гайками 3, а верхний конец — к кронштейну 7 поперечной балки рамы тележки такими же гасителями и гайками. Резиновые гасители служат для уменьшения вертикальных и боковых нагрузок, действующих на систему подвески редуктора при прохождении стыков и кривых пути. Они снижают напряжения в металле примерно на 30%.

Рис. 43. Подвеска редуктора:
/ — распорная втулка- г--резиновый гаситель; 3 — гайка; -/ — контргайка; 5 — стержень; 6 — штифт: 7- кронштейн: 8 — стопорная шайба; 9--стопорная скоба; 10 — предохранительная скоба

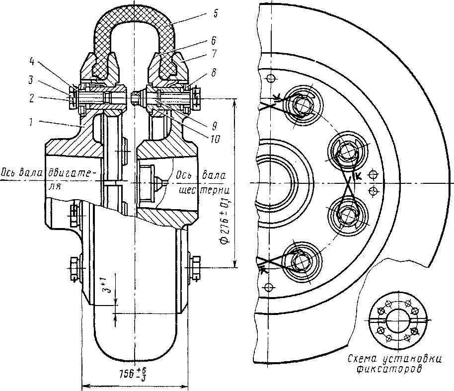
Рис. 44. Упругая муфта:
/, 7 — стальные фланцы; 2 — проволока; 3 — болт; 4 — шайба; 5 — упругая оболочка: 6 — полукольцо; 8 — шайба с прорезью; 9 — фиксатор: 10 — втулка
Для предохранения гаек от самоотвинчивания служат стопорные шайбы 8 с шестиугольными отверстиями, которые крепят болтами к бобышкам, приваренным к верхней армировке гасителя.
Гасители зафиксированы штифтами 6, запрессованными в кронштейн и в ухо корпуса редуктора. Для равномерной затяжки гасителей на стержень между верхней и нижней гайками надета распорная втулка /, которая ограничивает затяжку независимо от упругих свойств резины"
Стержень 5 имеет по длине запас резьбы, достаточный для регулировки редуктора и упругой муфты. Для удерживания стержня от вращения установлена стопорная скоба 9, а для предохранения редуктора от падения на путь в случае обрыва стержня служит предохранительная скоба 10, на которую опирается в этом случае хвостовая часть редуктора.
На электропоездах ЭР2 первых выпусков установлена серповидная подвеска редуктора. Она состоит из штампованной сварной серьги коробчатого сечения и кованого подвесного болта с двумя гайками и двумя резинометалличе-скими гасителями. Серьгу присоединяют к уху корпуса редуктора и подвесному болту при помощи шарнирных валиков (болтов) и сферических подшипников ШС-40. Отверстия под валики в серьге снабжены закаленными втулками. Подвесной болт проходит сквозь отверстия в кронштейне поперечной балки рамы тележки. Крепят его так же, как и стержень в подвеске редуктора, описанной выше, т. е. при помощи двух гасителей и двух гаек.
Регулировку редуктора и упругой муфты осуществляют подвесным болтом. Конструкция подвески редуктора допускает необходимый поворот при следовании по кривым участкам пути.
Упругая (эластичная) муфта служит соединительным звеном для передачи вращающего момента от валадвигателя на вал шестерни в режиме тяги и, наоборот, от вала шестерни на вал двигателя при электрическом торможении (на электропоезде ЭР2Р). Кроме того, упругая муфта компенсирует несоосность вала двигателя и вала шестерни, возникающую в результате перемещения колесной пары относительно тележки при движении вагона.
Упругая муфта состоит из двух стальных фланцев 1, 7 (рис. 44), резино-корд-ной упругой оболочки 5 и деталей крепления оболочки к фланцам. Оболочка изготовлена из резины с прослойкой из кордной ткани, края ее усилены армиров-кой из стальной проволоки. Фланцы насаживают на конические поверхности хвостовиков валов двигателя и шестерни в горячем состоянии.Упругую оболочку крепят к фланцам с помощью полуколец 6 восемью болтами 3, ввернутыми в запрессованные втулки 10 этих полуколец. Втулки в то же время предназначены для разгрузки болтов от действия поперечных срезывающих усилий. Во втулки полуколец со стороны редуктора запрессованы четыре фиксатора 9, которые служат для монтажа муфты. Для удобства сборки и разборки полуколец и фланцев на болты надеты шайбы 8 с прорезью, входящие в углубления на фланце. Для предохранения от самоотворачивания головки болтов 3 попарно связаны проволокой 2.
В упругой муфте отсутствуют трущиеся и смазываемые детали, для ее изготовления не требуется дорогостоящих материалов. Вследствие гибкости упругой оболочки муфты снижаются динамические нагрузки в приводе. -
Регулировка муфты заключается в установке правильной ширины ее по фланцам (15611 мм) и смещении вниз оси вала шестерни относительно оси вала тягового двигателя наЗ+] мм. Упругая муфта допускает параллельное смещение осей валов двигателя и шестерни до 15 мм, продольное смещение — до 20 мм, угловое — до 4°.
|
|