Контакторами называют аппараты, предназначенные для замыкания и размыкания электрических цепей. В зависимости от типа привода их подразделяют на электропневматические, электромагнитные и кулачковые. Кроме главных контактов, контакторы могут иметь блок-контакты, предназначенные для переключений в цепях управления и сигнализации. Контакты, разомкнутые при недействующем приводе, называют замыкающими, а замкнутые — размыкающими.
Элекропневматические контакторы применяют для переключений в силовых цепях и в зависимости от выполняемой работы называют линейными, мостовыми, переходными и ослабления возбуждения на электропоезде ЭР2; линейными, тормозными, линейно-тормозными и ослабления возбуждения на электропоезде ЭР2Р.
Электропневматические контакторы выполняют одинарными и свдоенны-ми. Назначение их одинаково. Отличие заключается в том, что сдвоенные контакторы имеют двойной разрыв дуги. •
На электропоезде ЭР2 устанавливают электропневматические контакторы ПК-350В (в качестве мостовых) и ПК-306Т (в качестве линейных, переходных, для ослабления возбуждения).
На электропоезде ЭР2Р применяют однополюсные контакторы ПКУ-1 (в качестве линейно-тормозных и для ослабления возбуждения) и двухполюсные ПКУ-2 (в качестве линейных и тормозных).
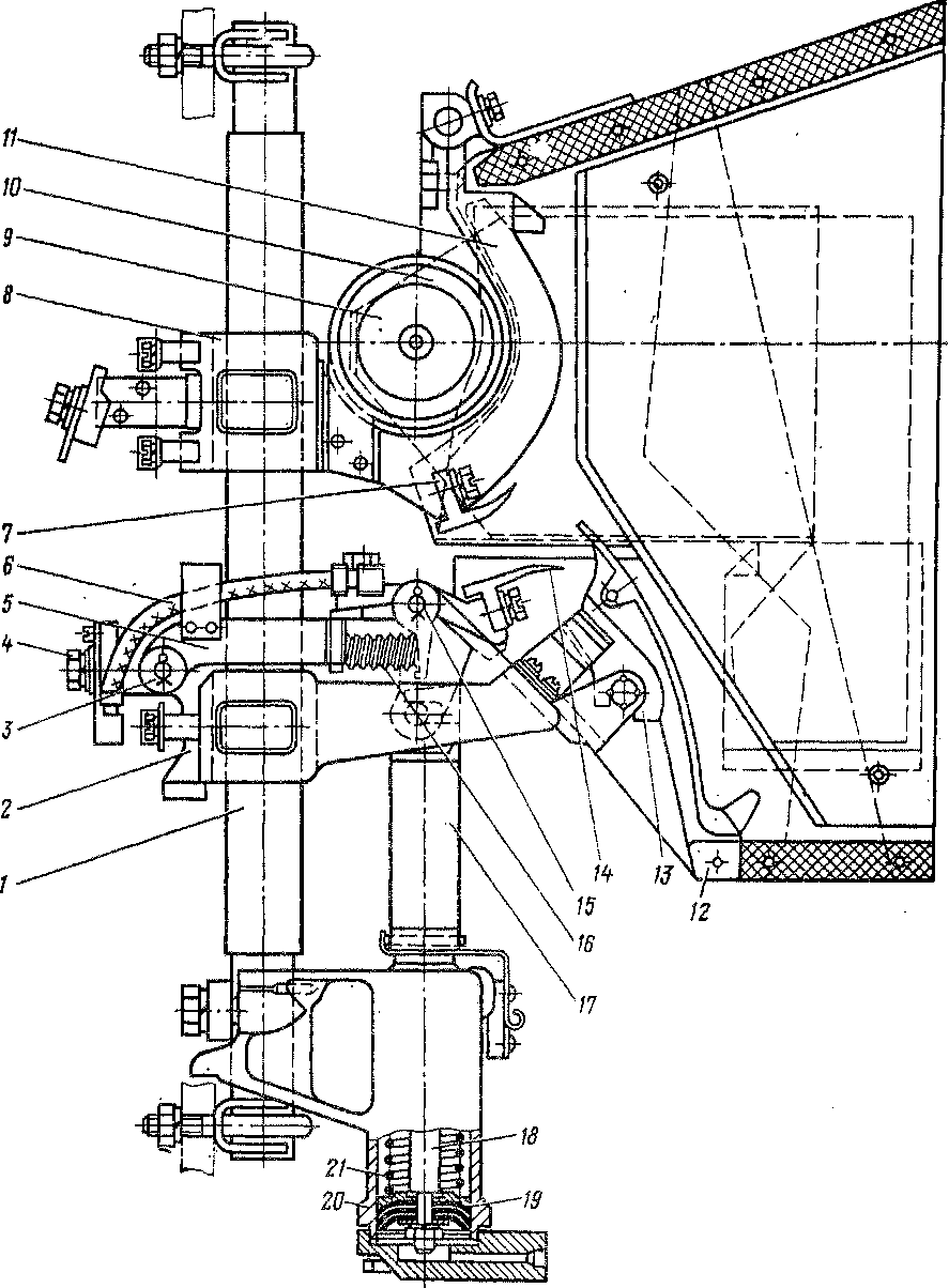
Контактор ПК-350В (рис. 85) состоит из металлического прямоугольного изолированного стержня 1, верхнего 8 и нижнего 2 кронштейнов, пневматического привода,дугогасительной камеры 12 и блокировочного устройства.
Верхний кронштейн 8 представляет собой сложную латунную деталь, отлитую совместно с дугогасительным рогом //, на котором укреплены неподвижный контакт 7 и дугогасительная катушка 9. Кронштейн надевают на изолированный стержень / и крепят к нему двумя винтами. Между кронштейном и стержнем проложена прокладка, которая защищает изоляцию стержня от повреждения винтами. Для предотвращения отворачивания винтов на их головки надевают запорные шайбы, которые крепят болтиками.
Дугогасительная катушка 9 представляет собой электромагнит, предназначенный для создания магнитного поля, необходимого для гашения дуги при размыкании контактора под током.
Нижний кронштейн 2 отлит из латуни, имеет две консоли. Правая (длинная консоль) имеет валик для установки дугогасительной камеры, а левая (короткая) шарнирно соединена с контактным рычагом 5. Правая консоль в средней части имеет две стенки, между которыми проходят детали подвижного контакта 14. Контактный рычаг — это фасонная латунная отливка с тремя концами. Один конец представляет собой вилку, которая свободно обхватыва-

Рис. 85. Электропневматический контактор ҐЩ-350В:
/- стержень; 2 — нижний кронштейн; 3. 15 - валики; 4 - зажим для силового кабеля; 5 - контактный рычаг; 6 — шунт; 7 — неподвижный контакт; 8 — верхний кронштейн; 9 — дугогасительная катушка; 10 - полюс; 11, 13 - дугогасительиые рога; 12 - дугогасительная камер! 14 Подвижной контакт; /5 - притирающая пружина; 17 - изоляционная тяга; 18 — шток; 19 - поршень-20 — цилиндр; 21 — отключающая пружина
ёт стержень контактора и шарнирно соединена с кронштейном. На другом конце расположены притирающая пружина 16 и держатель подвижного контакта, который закреплен шарнирно. Нижний конец (третий) служит для шарнирного соединения рычага с тягой пневматического привода.
Медный шунт 6, расположенный в подвижном узле, соединяет держатель подвижного контакта с кронштейном и служит для предохранения шарнирных соединений от нагревания. Притирающую пружину устанавливают с предварительным сжатием, она осуществляет притирание контактов и создает их начальное нажатие.
Пневматический привод контактора выполнен из литого чугунного цилиндра 20 с приливом, служащим для крепления к стойке. В цилиндре размещают поршень 19, на который действует сверху сильная отключающая пружина 21. Шток 18 поршня выходит вверх, где соединен с нижним концом изоляционной тяги 17. Уплотнение поршня представляет собой кожаную манжету, плотность прилегания которой к стенкам обеспечивается постановкой пружинных металлических звездообразных шайб. К цилиндру прикреплен вентиль, через который подают воздух в цилиндр и выпускают его при выключении контактора.
Изоляционная тяга 17 передает усилия от штока 18 поршня цилиндра на контактный рычаг 5 при включении или выключении контактора, а также изолирует токоведущие части подвижного контакта 14 от цилиндра 20.
Изоляционная тяга — это цилиндрический стержень, -изготовленный из прессованного волокнита и запрессованных в него двух стальных наконечников. Верхний наконечник выполнен в виде крюка, а нижний — в виде гайки. Верхний наконечник сцепляется с осью контактного рычага, нижний навертывается своей резьбой на конец штока поршня до упора в направляющую скобу.
На поршень при включении контактора действует сила около 800 Н. Но этой силе противодействует сила пружины, которая увеличивается по мере, сжатия. Если вначале она составляет 130—140 Н, то к моменту, когда поршень находится в верхнем крайнем положении и пружина максимально сжата, — уже 300 — 320 Н. Таким образом, сила, действующая на поршень, составит примерно 500 Н.
Однако на главные контакты будет действовать меньшая сила из-за действия притирающей пружины и конечное нажатие силовых контактов составит 380—400 Н.
Дугогасительную камеру применяют трехщелевого типа. Она представляет собой коробку, собранную из асбоцементных листов. Камера внутри разделена на три параллельные щели двумя продольными перегородками. Снаружи к камере прикреплены два стальных листа, играющих роль полюсных наконечников для сердечника дугогасительной системы. Поверх этих листов наложено наружное текстолитовое покрытие камер. В нижней части камеры укреплен нижний дугогасительный рог контактора. Он имеет внизу шарнирный крюк и контактный выступ. При установке камеры на контактор шарнирный крюк надевают на валик длинной консоли нижнего кронштейна, затем камеру поворачивают так, чтобы контактный выступ рога плотно вошел в контактную скобу, укрепленную на той же консоли. Верхнюю часть камеры крепят к рогу верхнего кронштейна скобой и винтом.
Блокировочное устройство связано с подвижной системой контактора и состоит из подвижного рычага с блокировочными контактами (медными пластинами, укрепленными на изоляционной колодке) и неподвижного кронштейна с комплектом контактных пальцев, смонтированных на другой изоляционной (фибровой) колодке. Блок-контакты служат для создания определенной последовательности работы электрических аппаратов.

Рис. 86. Схема притирания контактов:
/ — подвижной контакт; 2 — неподвижный контакт; 3 — держатель; -/ — притирающая пружина; 5 — рычаг; а — угол поворота подвижного контакта; А, Б — точки соприкосновения контактов
Для включения контактора возбуждают катушку вентиля, в результате чего сжатый воздух подается в нижнюю часть цилиндра и вызывает движение поршня вверх, при этом выключающая пружина сжимается. Шток поршня через изоляционную тягу вызывает движение контактного рычага подвижного контакта до замыкания с неподвижным контактом. Замыкание контактов осуществляется следующим образом: сначала соединяются вспомогательные поверхности, затем благодаря дополнительному сжатию притирающей пружины подвижной контакт перекатывается по неподвижному с небольшим скольжением, обеспечивающим зачистку контактных поверхностей, и, наконец, происходит полное соприкосновение основных поверхностей контактов (рис. 86).
При выключении контактора воздух через вентиль выпускается из цилиндра. Под воздействием выключающей пружины поршень идет вниз и посредством изоляционной тяги вызывает размыкание контактов. Контакты размыкаются не сразу. Вначале под воздействием притирающей пружины происходит обратное перекатывание подвижного контакта по неподвижному и контакты соприкасаются только в зоне вспомогательных поверхностей. Затем подвижной контакт отходит от неподвижного. При этом между контактами возникает электрическая дуга. Проходящий по дугогасительной катушке ток создает магнитный поток, пронизывающий пространство дугогасительной камеры. Взаимодействие тока, проходящего по дуге, с магнитным потоком вызывает выбрасывание дуги в камеру. При этом дуга переходит на дугогаситель-ные рога, в камере разделяется перегородками, охлаждается о стенки и гаснет.
Контактор ПК-306Т состоит из двух самостоятельных контакторов, имеющих общий пневматический привод. Устройство каждого контактора аналогично устройству контактора ПК-350В. Пневматический привод также аналогичен пневматическому приводу контактора ПК-350В. Только внутренний диаметр цилиндра выполнен большим для того, чтобы увеличить силу, действующую на шток, так как эта сила должна обеспечить включение двух контакторов. Ход поршня в цилиндре ограничен упором, поэтому конечное нажатие контактов равно усилию притирающей пруж ины [42—50 Н (4,2—5,0 кгс)]. Кроме того, шток поршня у сдвоенного контактора соединен с металлической планкой, на которой смонтированы две изоляционные тяги, в результате чего обеспечивается одновременное включение и выключение контакторов.
Технические данные контакторов
Тип контактора.......... ПК-350В ПК-306Т
Номинальное напряжение, кВ....... 3 з
Продолжительный ток, А........ 250 250
Ход поршня, мм.......... 24,5 25,5
Диаметр поршня, мм......... 45 58
Ширина контактов, мм........ 20 20
Раствор » »......... 21—24 21—24
Число витков дугогасительной катушки .... 7,75 7,75
контактор ПКУ-1 (рис. 87) имеет пластмассовую изоляционную стойку 2 на которой укреплены кронштейн 10 с неподвижными контактами 12 и пневматический привод 1. На кронштейне установлены дугогасительная катушка 13 с сердечником, верхний дугогасительный рог и два неподвижных контакта: главный 12 и дугогасительный 9, изолированные друг от друга.
Пневматический привод / состоит из цилиндра, внутри которого помещены поршень со штоком и отключающая пружина. Устройство его подобно уст-

Рис 87 Электропневматический контактор ПКУ-1:
; - пневматический привод; 2 - пластмассовая изоляционная стойка; 3 - пластмассовый изолятор; иого контактора; 19 — электропневматнческий вентиль

Рис. 88. Схемы, поясняющие принцип действия контактора ПКУ-1:
а — включение; б — включено; в — отключение: г — отключено; / — неподвижный контакт; 2 — дугогасительная катушка; 3 — дугогасительные контакты; 4 — притирающая пружина; 5 — держатель подвижного контакта; 6 — валик; 7 — шунт; 8 — силовые выводы
ройству пневматического привода контактора ПК-350В. Управляет работой привода элек-тропневматический вентиль.
Верхний конец штока цилиндра соединен с пластмассовым изолятором 3, на котором крепят систему подвижных контактов. Она имеет нижний дугогасительный рог, подвижной главный контакт 8, подвижной дугогасительный контакт и притирающую пружину 7. Подвижные контакты установлены на держателе. Силовые выводы 5, // расположены с задней стороны пластмассовой стойки: один — на кронштейне неподвижных контактов, а другой соединен с системой подвижных контактов гибким медным шунтом 6.
Дугогасительная камера 15 контактора выполнена лабиринтно-щелевого типа с параллельными лучами. Она состоит из двух стенок, изготовленных из кремнийорганической массы или асбоцемента, и двух впрессованных в эти стенки стальных полюсов. Камеру верхней частью подвешивают на полуосях, ввернутых в сердечник дугогасительной катушки, а внизу она опирается на кронштейн, укрепленный к цилиндру, и закрепляется пружинным замком. В качестве блокировочного контактора установлен кулачковый контактор КР-П, подвижные контакты которого соединены со штоком цилиндра.
Принцип действия контактора ПКУ-1 следующий (рис. 88). При возбуждении катушки вентиля сжатый воздух поступает в пневматический цилиндр, вызывая движение поршня вверх. Система подвижных контактов также движется вверх. Вначале замыкаются дугогасительные контакты 3 (рис. 88, а), подключая при этом дугогасительную катушку 2. При дальнейшем движении подвижной системы вверх происходит замыкание главных контактов и их притирание (рис. 88, б), а также поворот держателя 5 подвижных контактов вокруг шарнира, в результате чего дугогасительные контакты 3 размыкаются и дугогасительная катушка 2 отключается. На этом процесс включения заканчивается. Цепь прохождения тока через контактор: подводящий кабель — медный- шунт — держатель — подвижной главный контакт— неподвижный главный контакт — кронштейн — отводящий кабель.
При выключении контактора воздух через вентиль выпускают из цилиндра. Под воздействием выключающей пружины поршень и связанная с ним подвижная система идут вниз. До размыкания главных контактов происходит поворот держателя подвижных контактов, вследствие чего дугогасительные контакты замыкаются, подключая дугогасительную катушку (рис. 88, в). Затем происходит размыкание без тока главных контактов, после чего начинается отход подвижного дугогасительного контакта от неподвижного (рис. 88, г). Цепь прохождения тока в данном случае такова: подводящий кабель — медный шунт — держатель — подвижной дугогасительный контакт — неподвижный дугогасительный контакт — дугогасительная катушка — кронштейн — отводящий кабель. Возникающая между дугогасительными контактами электрическая дуга переходит на дугогасительные рога. В камере она удлиня-
ется, охлаждается и гаснет. Дугогасительная катушка включается только на время гашения дуги. Нормально при включенном контакторе она обесточена.
Контактор ПКУ-2 состоит из двух самостоятельных контакторов, соединенных последовательно и имеющих общий пневматический привод. Устройство каждого контактора аналогично устройству контактора ПКУ-1-
Технические данные .контакторов ПКУ-1 и ПКУ-2
Номинальное напряжение, кВ....... 3
Продолжительный ток, А........ 250
Раствор контактов, мм:
главных........... 29
дугогасительных......... 21
Рабочее давление воздуха, МПа (кгс/см2) ... ££1,1 „ч\ Нажатие главных контактов, Н (кгс) .... 1 /0—/зи1(1 /—1й) Число витков дугогасительной катушки .... 9
Электромагнитные контакторы применяют для включения вспомогательных машин, отопления и передачи напряжения на прицепной вагон (головной). Они имеют электромагнитный привод, что дает возможность включать их при отсутствии сжатого воздуха на электропоезде. Поскольку ток вспомогательных высоковольтных цепей невелик и не создает нагрева контактов при небольшом их нажатии, электромагнитный привод вполне удовлетворяет условиям работы контактора.
Электромагнитный контактор КМВ-104 состоит из изоляционной пластмассовой панели 8 (рис. 89, а) с прикрепленными к ней деталями. В верхней части расположена высоковольтная часть, в нижней — низковольтная. Высоковольтная часть имеет кронштейн 4, отлитый совместно с дугогасительным рогом, на котором установлен неподвижный силовой контакт.

К якорю электромагнитного привода крепят пластмассовый изолятор 5 с подвижной системой, имеющей подвижной силовой контакт. Контактор снабжен системой дугогашения, установленной на изоляционных стойках 3. В нее входят постоянный магнит и два полюса-2, скрепленных заклепкой, а также дугогасительные рога и дугогасительная лабиринто-щеЛевая камера 1, выполненная из кремнийорганической массы.
Электромагнитный привод представляет собой Г-образный магнитопровод, на сердечнике которого установлена включающая катушка 10, и якорь с отключающей пружиной 7. Кроме силовых, контактор имеет блокировочные контакты, установленные на конце якоря подвижной системы. Так как дугогасительная система включает в себя постоянный магнит, необходимо соблюдать полярность при присоединении силовых проводов. При неправильном присоединении дуга при расхождении контактов будет отклоняться не в дугогасительную камеру, а на токоведущие части контактора, что может привести к его порче. Северный полюс постоянного магнита находится с правой стороны контактора, если смотреть на контактор со стороны зажима « + ». Зажим « + » находится у подвижного контакта, зажим «—» — у неподвижного.
Катушка электромагнита рассчитана на напряжение 50 В на электропоезде ЭР2 и 100 В — на ЭР2Р. При включении магнитный поток катушки притягивает якорь, который замыкает контакты, сжимая притирающую и отключающую пружины. На якоре укреплена прокладка из немагнитного материала для предотвращения прилипания его к сердечнику электромагнита. Для выключения контактора разрывают цепь питания катушки электромагнита. Тогда под воздействием отключающей пружины якорь отпадает от сердечника электромагнита и размыкает контакты. Магнитный поток постоянного магнита при взаимодействии с магнитным потоком дуги выбросит ее вверх в дугогасительную камеру, там она растянется и погаснет.
Контактор КМВ-105 отличается от контактора КМВ-104 наличием дугогасительной катушки вместо постоянного магнита в системе дугогашения. Контакторы КМВ-104 в схеме электропоезда ЭР2 имеют обозначение МК1 — МК6, а в схеме электропоезда ЭР2Р — К01, КОЗ; контакторы КМВ-105 в схеме электропоезда ЭР2Р имеют обозначения КП, ПКП, ОВ.
Технические данные контакторов КМВ-104 и КМВ-105
Номинальное напряжение, кВ ....... 3
Номинальный отключаемый ток, А . . . . 250
Раствор силовых контактов, мм . . 21—24
Нажатие » » Н (кгс)..... 10—12 (1—1,2)
Кулачковый контактор КЭ-4Д применяют в качестве силового без дугогашения (рис. 89, б). Устанавливают такие контакторы в реостатном контроллере и в реверсоре (на электропоезде ЭР2), в реостатном контроллере и в ревер-сивно-тормозном переключателе (на электропоезде ЭР2Р).
Контактор имеет пластмассовый изолятор, который привинчивают болтом к рейке группового аппарата. На этом изоляторе устанавливают кронштейн и латунный держатель с закрепленным на нем неподвижным контактом. На оси кронштейна крепят рычаг, который является подвижной частью контактора. На оси рычага монтируют латунный держатель,на котором закреплен подвижной контакт с гибким шунтом. Между кронштейном и рычагом на специальных цилиндрических направляющих установлена включающая пружина, а между держателем и рычагом — притирающая пружина. В рычаге на игольчатом подшипнике укреплен ролик, который при набегании на выступ кулачковой шайбы поворачивает рычаг вокруг его оси. Включающая пружина при этом сжимается, а контакты под действием притирающей пружины сначала перекатываются, а затем, когда держатель упрется в рычаг, размыкаются.
При сбегании ролика контактора с выступа кулачковой шайбы рычаг под действием включающей пружины поворачивается вокруг оси до упора на изоляторе. В процессе поворота подвижной и неподвижный контакты замыкаются, а затем под дейеишем притирающей пружины перекатываются и притираются .
Кулачковый контактор КР-9А применяют в качестве силового и устанавливают в реостатном контроллере электропоезда ЭР2Р. По конструкции он аналогичен контактору КЭ-4Д и отличается от него наличием дугогасительной системы. Эта система состоит из сердечника, двух полюсов, дугогасительной камеры и дугогасительной катушки,включенной последовательно с неподвижным контактом. Крепят дугогасительную систему на изоляторе контактора двумя текстолитовыми планками.
|
|