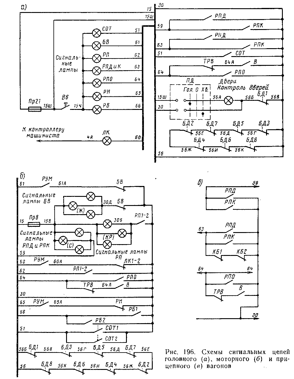
В систему сигнализации электропоезда входят сигнальные лампы, расположенные на пульте головного вагона, опознавательные сигнальные лампы моторных вагонов, а также указатели срабатывания отдельных защитных аппаратов на прицепных вагонах.
На сигнальные лампы головного вагона (рис. 196, а) напряжение («плюс») подается по проводу 15 через выключатель В6 (сигнальные лампы), а «минус» — по поездному проводу к каждой лампе отдельно через контакты тех аппаратов, о положении которых сигнализирует данная лампа. В головной вагон подаются следующие сигналы: о срабатывании БВ, РП, исчезновении напряжения сети (опустился токоприемник, сгорел предохранитель вспомогательных цепей), о возникновении боксования, срабатывании реле перегрузки преобразователя или компрессора РПД и К, неисправности в цепях отопления РПО, неисправности генератора управления (контакты КБ1 и К Б 2), о сборе силовой цепи и включении контакторов ЛК- Цепи питания каждой лампы прослеживаются по схеме.

Рассмотрим причины срабатывания блокировок и загорания сигнальных ламп. На сигнальную лампу ЛК подается «плюс» по проводу 4А лишь тогда, когда главная рукоятка контроллера установлена в одно из ходовых положений и линейные контакторы не включились.
Следовательно, по сигнальной лампе ЛК можно судить о сборе цепи на моторных вагонах всего поезда, так как ЛК в силовой цепи включаются последними.
Сигнальная лампа ЛК горит при невключении линейного контактора ЛК1-2 хотя бы на одном моторном вагоне.
При нормальном сборе силовой цепи в момент установки главной рукоятки контроллера в одно из рабочих положений сигнальная лампа ЛК загорается кратковременно, а после включения контакторов гаснет. По показаниям лампы ЛК машинист может судить о наличии неисправностей, связанных с потерей управления электропоездом из головного вагона.
Сигнальная лампа БВ загорается в случае выключения быстродействующего выключателя хотя бы на одном моторном вагоне. Когда все БВ включены или на неработающем вагоне выключен РУМ, лампа БВ гаснет (опознавательная лампа БВ на моторном вагоне продолжает гореть независимо от положения РУМ по цепи: провод 15, предохранитель Пр8, провод 15В, лампа Б В, провод ЗОД, блок-контакт БВ и провод 30).
Лампа РП горит до тех пор, пока сработавшее реле перегрузки не будет возвращено в исходное состояние нажатием на кнопку Возврат БВ и РП. Цепь включения лампы РП: провод 154, лампа РП, поездной провод 62, контакт ПР1-2, провод 30. Одновременно горят лампы РП на неисправном вагоне. По указателям срабатывания ,реле можно определить пару двигателей, в которой находится неисправный (РП1 для 1-го и 2-го двигателей, РП2 для 3-го. и 4-го).
Сигнальная лампа РН горит в случае, если хотя бы на одном моторном вагоне не поднят токоприемник, перегорел высоковольтный предохранитель вспомогательных цепей или неисправно само реле напряжения, в также в случае, если в контактной сети напряжение снизилось настолько, что выключилось реле напряжения РН. Цепь питания лампы: провод 154, лампа РН, поездной провод 65, контакт РУМ, провод 65А, блок-контакт РН, провод 30.
Сигнальная лампа РБ подает сигнал на пульт управления о начавшемся боксовании одной из колесных пар моторных вагонов и включении реле РБ. Лампа горит, пока продолжается боксование. Необходимо учитывать, что по условиям работы тяговых двигателей продолжительность боксования допускается не более 5—7 с. Если лампа РБ горит дольше, необходимо рукоятку контроллера машиниста временно установить в нулевое положение и произвести повторный пуск. Включение лампы РБ сразу же после установки рукоятки контроллера машиниста в рабочее положение и непрерывное ее горение сигнализирует о неисправности в цепи резисторов реле боксования или о разрушении тягового привода (в последнем случае тяговый двигатель идет вразнос).
Сигнальная лампа РПД и К горит при неисправности делителя напряжения или компрессора на одном из прицепных или головных вагонов. Лампа получает питание по цепи: провод 154, лампа РПД и К, провод 63, контакты РПД или РПК, провод 30. Одновременно с ней загораются опознавательные лампы в моторном вагоне той секции, к которой принадлежит вагон с неисправной вспомогательной машиной. Они включаются при замыкании блок-контакта РПД или РПК в проводах 59-30. Какая из вспомогательных машин неисправна, определяют по указателям реле РПД и К на стоянке поезда при опущен-
ном токоприемнике. Кнопка Возврат РПД и К находится на подвагонном ящике.
На каждом моторном вагоне имеется по три комплекта опознавательных ламп, расположенных в шкафах электрических аппаратов и видимых как с любой стороны снаружи вагона, так и из тамбура. Эти лампы позволяют опознавать вагон, в котором сработало реле перегрузки или выключился быстродействующий выключатель.
Все девять ламп каждого вагона получают питание непосредственно по проводу 15 через предохранитель Пр8.
Сигнальные лампы БВ горят, если выключен БВ на данном вагоне. Лампы РП загораются на том моторном вагоне, на котором сработало одно реле перегрузки тяговых двигателей. При этом сработавшее реле можно опознать по сигнальному флажку в камере под вагоном.
Сигнальная лампа РПД и РПК (рис. 196, б и в) горит на моторном вагоне, соединенном в одну секцию с тем прицепным вагоном, на котором сработало реле перегрузки делителя напряжения или компрессора. Лампа включается по секционному проводу 59. На соседнем прицепном вагоне провод 59 соединен с проводом 30 замыкающими контактами реле перегрузки делителя напряжения или компрессора.
Сигнальная лампа РПО загорается, если на одном из вагонов сработало реле перегрузки отопления РПО или возникла неисправность в цепи вентиляторов. Цепь питания лампы: провод 154, лампа РПО, провод 64, который может быть соединен с «минусом» цепей управления через контакт РПО в проводах 64-30 или через контакты токового реле вентиляторов ТРВ и контактора В. Цепь лампы замкнута, если контактор В включен, а реле ТРВ не включилось.
Сигнальная лампа контроля работы тормоза К (на рисунке не показана) горит при правильном положении переключателей электропневматического тормоза в кабинах управления поезда (в головном вагоне — в I положении, в хвостовом — в III положении) и при отсутствии повреждений в «минусовом» проводе (поездной провод 43) тормозных цепей.
Сигнальная лампа контроля торможения Т (см. рис. 224) горит при наличии напряжения в цепях проводов 45, 47, 49 и их исправности. Сигнальная лампа отпуска тормозов О получает питание вместе с катушками вентилей отпуска по проводу 49-
Сигнальная лампа неотпуска тормозов СНТ загорается при замыкании контакта сигнализатора отпуска тормозов СОТ (провода 51-30), датчик которого реагирует на наличие давления воздуха в тормозных цилиндрах.
Сигнальная лампа Контроль дверей (см. рис. 196, а) получает питание по поездному проводу 56, если на всех вагонах поезда закрылись все двери (замкнуты все блокировки дверей БД1—БД8). Для того чтобы лампа могла гореть, необходимо переключатель дверей ПД в головной кабине установить в положение Головной, а в хвостовой кабине — в положение Хвостовой. Если хотя бы одна из дверей поезда не закрылась, сигнальная лампа гореть не будет.
|
|