Назначение и технические данные. Система предназначена для питания потребителей выпрямленным стабилизированным напряжением 100,В и заряда аккумуляторных батарей, работающих в режиме постоянного подзаряда, а также для питания потребителей напряжением 50 В. В нормальном режиме система питается от тиристорного'ста-билизатора переменного напряжения 220 В, в аварийном — непосредственно от главного трансформатора.
Система содержит две одинаковые установки, размещенные на головных вагонах и работающие параллельно, а также пять аккумуляторных батарей, размещенных на головных и прицепных вагонах.
Каждая установка включает блок с аппаратурой 1 БА. 169, трансформатор разделительный 1ТР.071, дроссель фильтра 1 ДР.007, блок с датчиком температуры окружающей среды 1БА.174. Технические данные установки
Средняя номинальная мощность .... 4,4 кВт
Средняя мощность в часовом режиме . , 6,6 кВт
Среднее номинальное выходное напряжение 110 В
Средний номинальный ток нагрузки ... 40 А
Средний ток часового режима...... 60 А
Номинальное входное напряжение . . . 220 В Коэффициент:
полезного действия в номинальном режиме ............. 80%
мощности в номинальном режиме . . 0,76 формы выходного напряжения в номинальном режиме, не более..... 1,04
Пределы изменения:
входного напряжения....... 180...240 В
тока нагрузки.......... 7...60 А
среднего значения выходного напряжения при изменении входного напряжения и нагрузки в пределах, указанных
выше............1 103...113 В,
конечного напряжения заряда . . . 142...158 В
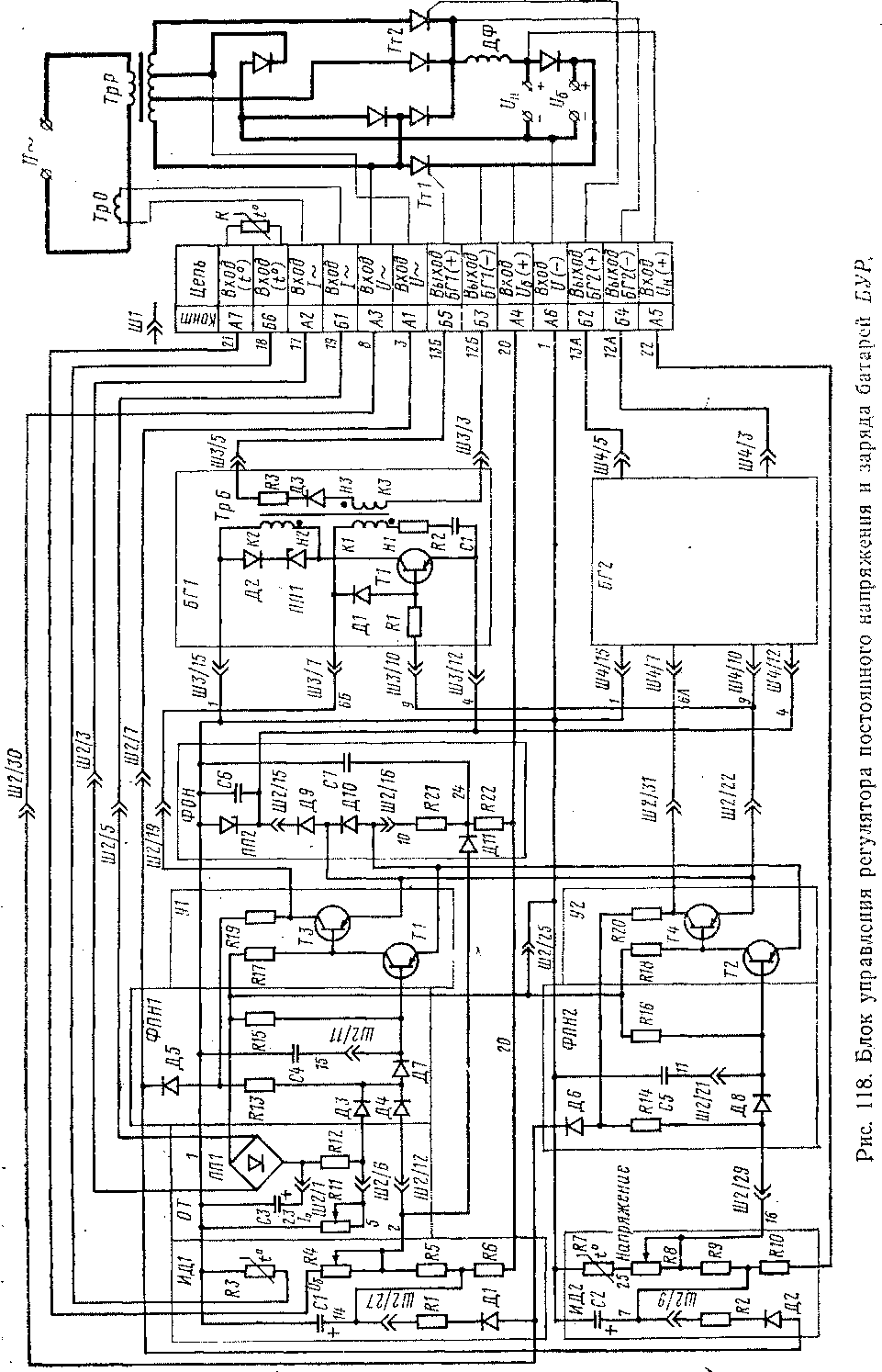
Устройство и работа. В принципиальной электрической схеме установки (см. рис. 112, б*, 118) можно выделить четыре основные функциональные группы: силовую группу, группу управления, группу защиты и сигнализации и группу питания цепей 50 В.
Силовая группа содержит: разделительный трансформатор ТрР, кремниевые вентили ВК.1 ... ВК5, дроссель фильтра ДФ, тиристоры Тт1, Тт2.
Вторичная" обмотка трансформатора ТрР состоит из трех секций wlt w2, дая (71А—71Д, 71Б—71Д, 71Б—71Г), соединенных последовательно. К выводам вторичной, обмотки подсоединены тиристоры Тт1, ТТ2 и вентили ВК1 ... ВК4. Вентили ВК1 ■•■ ВК4 образуют несимметричный двухполупериодный мостовой выпрямитель. Тиристор Тт2 образует дополнительное управляемое плечо моста, подключенное параллельно вентилю ВК2. В цепь нагрузки на выходе выпрямителя включен сглаживающий дроссель ДФ. Резервное питание потребителей осуществляется от аккумуляторных батарей, нормально работающих в режиме постоянного подзаряда.
Заряд аккумуляторных батарей осуществляется через тиристор TT], образующий с секциями wu w2 трансформатора ТрР однополу-периодный управляемый выпрямитель.
При закрытом тиристоре ток заряда батареи может протекать по цепи через вентиль ВК5. Батареи, установленные на прицепных вагонах, заряжаются по поездному проводу 56.
Группа управления служит для фазового управления тиристорами и обеспечивает стабилизацию среднего значения напряжения ПО В и требуемый уровень заряда аккумуляторной батареи.
Все элементы группы управления, за исключением терморезистора R23, установленного на блоке 1БА.174, и трансформатора отсечки

ТрО, размещены на съемном блоке 1БА. 166 (БУР) и подключены через штепсельный разъем Шр13—Uli.
В группе управления можно выделить следующие функциональные подгруппы: измерительный делитель напряжения (ИД), формирователь пилообразного напряжения (ФПН), формирователь опорного напряжения (ФОН), усилитель (У), блокинг-генератор (БГ) и ограничитель тока заряда аккумуляторной батареи (ОТ).
Функциональная схема управления представлена на рис. 119, где индексом 2 отмечены элементы канала управления стабилизатора напряжения 110 В (ин), индексом / — элементы канала управления регулятора напряжения заряда аккумуляторной батареи (иб). -,Щ Формирователь опорного напряжения ФОН содержит резисторы R21, R22, конденсаторы С6, С7, диоды Д9, Д10 и стабилитрон ПП2. Опорное напряжение U0 создается за счет прямого падения напряжения на диодах Д9, Д10 и обратного напряжения на стабилитроне ПП2. Резисторы R21, R22 выполняют роль балластных сопротивлений. Конденсатор С7 предназначен для сглаживания опорного напряжения, а конденсатор С6 является накопителем энергии для блокинг-генератор ов БГ1 и БГ2.
Диод Д11 обеспечивает защиту транзистора Т2 от недопустимого повышения напряжения при обрыве цепи терморезистора R23.
Измерительный делитель напряжения ИД2 содержит резисторы R2, R7 ... RIO, конденсатор С2, диод Д2 и предназначен для измерения, деления и фильтрации выходного напряжения стабилизатора «н (между проводами 15—30). Измерительный делитель напряжения ИД1 содержит резисторы Rl, R3 ... R6, R23, конденсатор С1, диод Д1 и служит для измерения, деления и фильтрации напряжения батареи иб (между проводами 15И—30). Цепочки Р2—Д2 и R1—Д1 осуществляют коррекцию выходного напряжения делителей по входному напряжению системы. Конденсаторы Cl, С2 обеспечивают требуемое сглаживание измеряемого напряжения.
Терморезисторы R3, R7 компенсируют уход опорного напряжения U0 при изменении температуры окружающей среды. Регулировка выгодного напряжения делителей иа1, ид2 осуществляется резисторами

Рис. 119. Функциональная схема блока управления регулятора БУР: —переменное напряжение; ив—напряжение аккумуляторных батарей; ищ, ып2 — пилообразное напряжение; Оуи г7у2 — выходное напряжение усилителей; 1/упр1, 1/ущ>а — сигналы управления тиристорами; ыдь ыдг — выходное напряжение делителей; ыот — выходное напряжение токовой отсечки; Ин — напряжение питания цепей управления; Ьх — ток на входе системы; 11 о — опорное напряжение; Р — температура окружающей среды
#4 и #6\ Терморезистор .г?23, расположенный вне блока БУР, обеспечивает автоматическую сезонную регулировку конечного напряжения заряда аккумуляторной-батареи — повышение зарядного напряжения при снижении температуры окружающей среды.
Формирователь пилообразного напряжения ФПН2 содержит резисторы R14, R16, диоды Д6, Д8, конденсатор С5, а ФПН1 — резисторы Р13, R15, диоды ДЗ, Д4, Д7, конденсатор С4.
Формирование пилообразного напряжения ипЪ ит обеспечивается периодическим переключением конденсаторов С5 и С4 с заряда на разряд, осуществляемым с помощью диодно-резисторных ключей Д6—р14 и Д5—Р13, синхронизированных с входным напряжением.
Усилитель У2 содержит транзисторы Т2, Т4, резисторы R18, R20, а усилитель У1 — транзисторы 77, ТЗ, резисторы Р16, Р19 и служат для сравнения пилообразного напряжения ип с опорным напряжением 0о, выявления сигнала рассогласования и его усиления. •
Блокинг-генератор БГ1 (БГ2) содержит транзистор 77, трансформатор ТрБ, резисторы Р1 ... R3, конденсатор С1, диоды Д1 ... ДЗ, стабилитрон ПП1. Блокинг-генераторы БГ1, БГ2 предназначены для формирования импульсов управления тиристорами Тт1 и Тт2.
Ограничитель тока заряда аккумуляторной батареи ОТ содержит резисторный делитель напряжения Р11, /?/2, регулировка выходного напряжения которого осуществляется резистором РП, выпрямитель ПП1, сглаживающий конденсатор СЗ, диод ДЗ и трансформатор отсечки ТрО, расположенный вне блока БУР. Ограничитель тока ОТ предназначен для ограничения начального тока заряда аккумуляторных батарей и защиты системы от перегрузки.
На рис. 120 приведены диаграммы, поясняющие принцип работы системы.
В момент г-0 и в сдвинутый на полпериода момент ^2 отпираются соответственно диоды Д6 и Д5, выходное напряжение измерительных делителей напряжения ид2 и ид1 уменьшается, запираются диоды Д8 и Д7 и начинается разряд конденсаторов С5 и С4 через резисторы Р16 и Р15. В моменты ^2 и *4 запираются соответственно диоды Д6, Д5 и конденсаторы С5, С4 заряжаются до первоначального уровня. Таким образом, на конденсаторах С5 и С4 формируется пилообразное напряжение ип2, ив1, постоянная составляющая которого пропорциональна напряжению «н и иб соответственно.
В моменты и /"з, когда уровень пилообразного напряжения ып2 и соответственно напряжения иш становится меньше опорного напряжения £/0, транзисторы Т2 и 77 открываются, транзисторы Т4 и ТЗ запираются. Это приводит к запуску блокинг-генераторов БГ1 и БГ2, выходные импульсы которых <7у11р1, Ц-щ>2 подаются соответственно на входы тиристоров ТТ1 и ТТ2.
Ток нагрузки на интервале и—к замыкается по цепи через обмотку о»! трансформатора ТрР, вентили ВКЗ и ВК2. При этом выходное напряжение выпрямителя нн равно напряжению и± на обмотке о^. На интервале ^ — 4 проводят ток тиристор ТТ2 и вентиль ВКЗлн выходное напряжение ыи определяется суммой напряжений ии и2, и3 на обмотках хюг, хю%, гю3. На интервале /2 — к проводят ток вентили

Рис. 120. Временные диаграммы системы управления стабилизатора постоянного напряжения и регулятора заряда батарей:
«ь «2, "з —• напряжения на секциях ши ш2, ш3 вторичной обмотки трансформатора ТрР; (Л> —. опорное напряжение; ищ, «щ — пилообразное напряжение; (Уу1, Суг — выходное напряжение усилителя; (Уупр.ь -Супр.г — импульсы управления тиристорами; % — выпрямленное напряжение (до ДФ); ыб — напряжение аккумуляторной батареи
ВК1, ВК4 и напряжение ин определяется суммой напряжений их и ы2 на обмотках хюъ гю2. При изменении среднего значения выпрямленного напряжения изменяется постоянная, составляющая пилообразного напряжения (7па и Смещается момент 1^ соответствующий отпиранию тиристора. ТТ2, таким образом, что среднее значение выпрямленного напряжения остается в заданных пределах при изменении входного напряжения и тока нагрузки системы.
В момент открывается тиристор ТТ1 и к аккумуляторной батарее прикладывается напряжение, равное сумме напряжений щ, и2 на обмотках хюъ ау2. Тиристор проводит ток до тех пор, пока напряжение на обмотках гюъ ш» больше э. д. с. аккумуляторной батареи. При изменении питающего напряжения и напряжения иб момент ^8 смещается и угол проводимости тиристора изменяется таким" образом, что среднее напряжение заряда батареи стабилизируется.
При разряженных аккумуляторных батареях из-за низкого значения э. д. с. батареи среднее значение зарядного напряжения может быть ниже уставки регулятора. При изменении температуры окружающей среды изменяется сопротивление терморезистора Р23 (блок 1БА. 174), что приводит к изменению уставки регулятора напряжения заряда и обеспечивает автоматическую сезонную регулировку режима подзаряда.
В процессе заряда среднее, значение напряжения аккумуляторных батарей увеличивается до достижения уровня, соответствующего уставке регулятора.
С ростом входного тока системы 'их ~ увеличивается выходное напряжение ограничителя тока заря-
1 да батареи иот, снимаемое с резистора R11. При достижении входным током системы івх величины, определяемой уставкой ограничителя тока, выходное напряжение иот становится выше выходного напряжения делителя ид2, в результате чего открывается диод ДЗ, увеличивается постоянная составляющая пилообразного напряжения «п1, что приводит к смещению момента /3 вправо и к уменьшению угла проводимости тиристора Тт1. Таким образом осуществляется поддержание входного тока системы на уровне уставки ограничителя тока I за счет уменьшения тбка заряда батареи.
Группа защиты и сигнализации содержит предохранители, контакторы, реле, рубильник, выключатель, резисторы, сигнальные лампы, блок защиты максимального напряжения и обеспечивает защиту от коротких замыканий и перегрузок, защиту от не-I допустимого повышения напряжения, резервирование питания по-( требителей с помощью переключателя аккумуляторных батарей с за-J ряда на разряд, а также сигнализацию о нарушении нормального функ-| ционирования системы.
I ■ Для защиты вентилей и тиристоров от перенапряжений параллельно им включены R—С цепочки. I Предохранители Пр45, Пр46 защищают тиристоры Тт1 и Тт2 от | перегрузок. Сигнальная лампа Заряд через балластный резистор R27 і подключена к анодам тиристоров Тт1, Тт2 и контролирует наличие { анодного напряжения на тиристорах и целостность предохранителей Пр45, Пр46.
Реле напряжения РН1 обеспечивает контроль напряжения на входе разделительного трансформатора ТрР и с помощью контактора батареи БК осуществляет переключение питания потребителей от акку-I муляторных батарей к системе, коммутирует питание сигнальной лам-| пы Зарядный агрегат, установленной на пульте машиниста, контактора трансформатора КТ, включающего систему, и блока защиты БЗМН1, осуществляющего защиту потребителей от недопустимого повышения напряжения.
Рубильник БР служит для включения аккумуляторной батареи, а предохранители Пр14, Пр15 защищают аккумуляторную батарею от перегрузок. Поездные провода 20, 22, 56 защищают от перегрузок и коротких замыканий соответственно предохранители Пр34, ПрЗЗ, ПрЗб. Для защиты системы от перегрузок и коротких замыканий служит предохранитель ПрЮ, установленный в первичной цепи трансформатора ТрР.
Сигнальные лампы ЛСЗ и ЛС4 Контроль изоляции осуществляют контроль за состоянием изоляции цепей питания потребителей и подключены через балластные резисторы R32 и R33 соответственно к 15 и 30 проводам, а общей точкой 15ЖВ — к корпусу.
Промежуточное реле РМН включается блоком защиты БЗМН1 и коммутирует питание контактора КТ.
При включении рубильника БР питание потребителей осуществляется от аккумуляторной батареи через размыкающий контакт 15— 15И контактора БК, включается контактор КТ и подключает первичную обмотку трансформатора ТрР к источнику переменного напря-
жения 220 В. Если входное напряжение системы выше 185 В,-срабатывает реле РН1 и своим контактом 15ЕА—15ЕЛ замыкает цепь катушки контактора БК, а контактом 15ЕА—15ЕР подключает блок БЗМН1.
Катушки контакторов БК головных и прицепных вагонов подключены к поездному проводу 20, который получает питание через контакты 15ЕА—15EJI реле РН1 обоих головных вагонов. Если работает хотя бы одна установка, все контакторы БК включены и все аккумуляторные батареи работают в режиме заряда. В момент исчезновения переменного напряжения на обоих головных вагонах отключаются реле РН1 и контакторы БК переводят питание потребителей от аккумуляторных батарей.
Если недопустимо завышено выходное напряжение системы, блок БЗМН1 включает сигнальное реле РМН (блинкер), которое своим контактом 15ЕК—15ЕН отключает контактор КТ, отключается трансформатор ТрР и реле РН1. Для восстановления защиты необходимо возвратить реле РМН в исходное положение, после чего включается контактор КТ. Блок защиты БЗМН1 по схеме и конструкции полностью соответствует блоку БЗМН и отличается от него только регулировкой.
Описание блока БЗМН приведено на рис. 31 (см. рис. 117, б).
Сигнализация о работе системы осуществляется лампой Заряд, расположенной на блоке 1БА.169, и лампой Зарядный агрегат, расположенной в кабине машиниста. При отключении одной из установок на соответствующем головном вагоне включается лампа Зарядный агрегат и отключается лампа Заряд. Лампа Заряд гаснет также в случае сгорания плавких вставок предохранителей Пр45, Пр46.
Потребители постоянного напряжения 50 В, за исключением системы АЛС, при работе аккумуляторной батареи в режиме заряда питаются от вывода аккумуляторной батареи 78Б через предохранитель Пр31, замыкающий контакт 78В—78Г контактора батареи Б К, при работе аккумуляторной батареи в режиме разряда — от вывода аккумуляторной батареи 78А через предохранитель Пр39 и контакт 78Ж.—78Г контактора БК- Диод Д1 служит для беспрерывного питания потребителей в момент переключения контактора БК.
Во время наличия переменного напряжения 220 В реле РН2 включено, горит сигнальная лампа Выпрямитель 50 В и питание системы АЛС осуществляется через предохранитель Пр47, понижающий разделительный трансформатор ТрП, выпрямитель Д4-Д7, переключатель резервного питания ПРП и фильтр ДЛС—С2. При этом обеспечивается отсутствие гальванической связи системы АЛС с потребителями постоянного напряжения электропоезда. Для исключения ложных срабатываний реле РН2 через балластный резистор R34 запитывается от плюсовой группы выпрямителя Д6—Д7 и выпрямителя Д8—Д9.
При отсутствии переменного напряжения реле РН2 отключается-и своими размыкающими контактами ЗОЯ—30, 78Х—78Д подключает систему АЛС к аккумуляторной батарее. При этом лампа Выпрямитель 50 В не горит. Диод Д2 исключает заряд аккумуляторной батареи от выпрямителя Д4—Д7.
При выходе из строя стабилизатора переменного напряжения 220 В, а также выпрямителя Д4—Д7 переключатель ПРП необходимо переключить в положение «Резерв», при этом питание системы АЛС осуществляется от аккумуляторной батареи. Для отключения питания АЛС и фильтра ДЛС—С2 на головном вагоне в хвосте поезда переключатель ПРИ необходимо установить в положение О.
|
|