

Продолжение прилож. 1


Продолжение прилож. 1

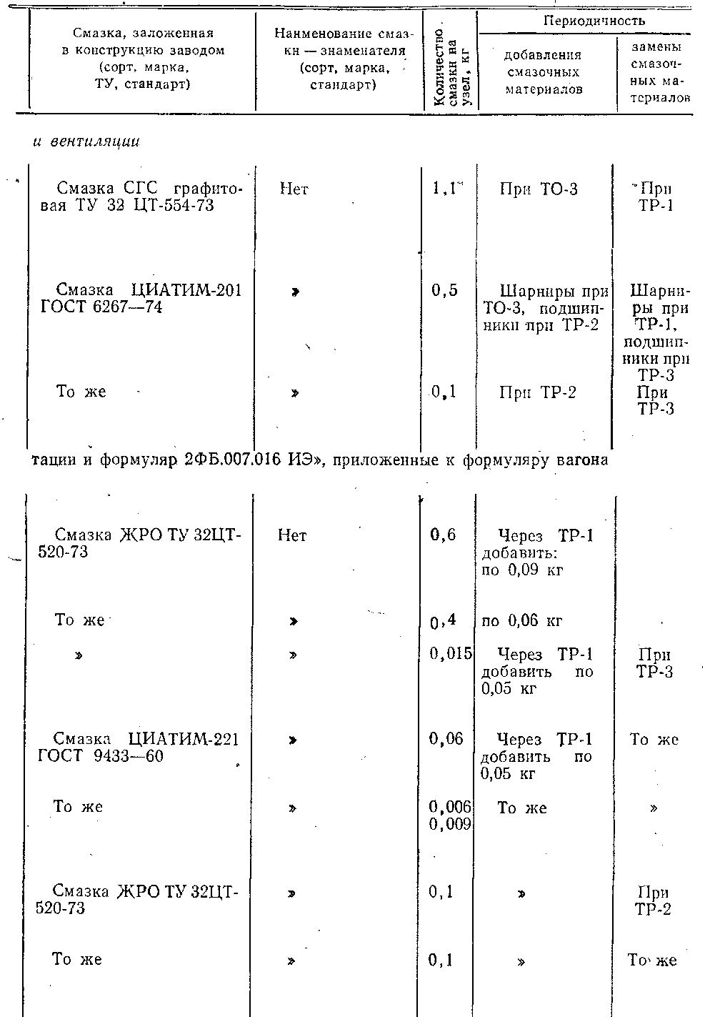
оборудования

|
Наименование смазываемого узла или детали |
Номер рисунка н позиции1 |
Основная характеристика узлов, определяющая выбор смазки |
Способ нанесения смазки. Число смазочных мест на одном электропоезде |
|
|
Детали ЭПК-150И |
46 (25) |
Закрытые поверхности трения |
Индивидуальный, обмазка при сборке |
|
|
Воздухораспределитель |
50 (6) |
Закрытые поверхности трения «металл—металл» и «металл—резина» Притирочные поверхности пробки и втулки * Резьбодые разборные соединения |
» » |
|
|
Цилиндры пневмоприводов: реверсивного переключателя ПР-320Б контактора ПК-306 клапана токоприемника |
48 (17) ,. 49 (/) 49 (1) |
Закрытые поверхности трения То же » |
Масленкой через два отверстия в цилиндре. Смазочных мест — 10 Масленкой через отверстие в цилиндре. Смазочных мест — 20 Влить при сборке |
|
|
Стеклоочиститель СЛ-21Б, регулятор давления АК-ПБ |
49 (1) |
Поверхности трения «металл—металл» |
Индивидуальный, обмазка при сборке |
|
|
Клапан токоприемника КЛП-101Б-2: трущиеся поверхности пробка,- прокладки |
49 .и) |
То же |
То же |
|
|
Клапаны обратные Э-155, Э-175, 3700 (притертые и резьбовые поверхности) |
— |
Закрытые поверхности трения «металл—металл» и «металл—капрон» |
» |
|
|
Краны концевые |
«Металл—металл» и «металл—резина» Резьбовые соединения |
|||
|
Выключатель ПВУ-2 (трущиеся детали, манжета, шариковые фиксаторы) |
Поверхности трения «металл—металл» |
» |
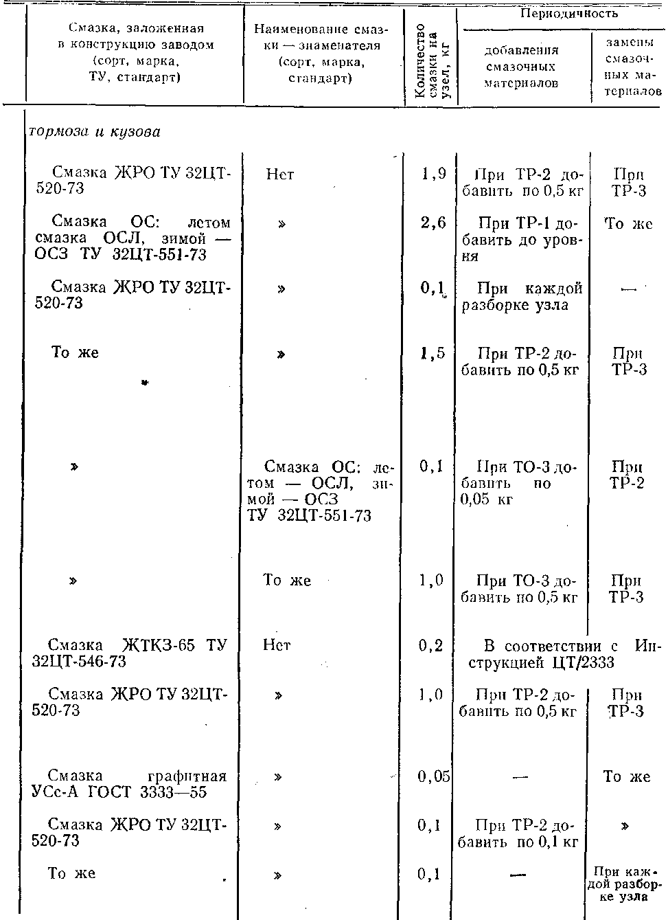
Продолжение прилож. 1
|
Смазка, заложенная в конструкцию заводом (сорт, марка, ТУ, стандарт) |
Наименование смазки — знаменателя (сорт, марка, стандарт) |
'Периодичность |
|||
|
Количестве смазки иа узел, кг |
добавления смазочных материалов |
замены смазочных материалов |
|||
|
Смазка ЖТКЗ-65 ТУ 32ЦТ-546-73 |
Смазка ЦИАТИМ-201 ГОСТ 6267—74 |
0,02 |
1 — |
При ТР-2 |
|
|
Смазка ЖТ-72 (ЦИАТИМ 221-Д) ТУ 38-101345-73 Вазелин технический ОСТ 38.1.56-74 Смазка ЖА ТУ 32ЦТ-550-73 |
Смазка ЖТКЗ-65 ТУ 32ЦТ-546-73 Нет » |
0,02 0,02 0,01 |
При ТР-1 |
То же Через ТР-1 |
|
|
Масло приборное МВП ГОСТ 1805—76 |
» |
0,01 |
При ТО-3 добавить по 0,005 кг |
При ТР-2 |
|
|
То же » |
» » |
0,01 0,003 |
То же При ТР-1 |
То же Через ТР-1 |
|
|
Смазка ЖТКЗ-65 ТУ 32ЦТ-546-73 |
Смазка ЦИАТИМ-201 ГОСТ 6267—74 |
По 0,005 |
При ТР-2 добавить по 0,003 |
При ТР-3 |
|
|
Смазка ЦИАТИМ-201 ГОСТ 6267—74 Смазка ЖРО ТУ 32ЦТ-520-73- |
Нет |
0,10 0,05 |
— |
Через ТР-1 То же |
|
|
Масло индустриальное И-50А ГОСТ 20799—75 |
0,01 |
— |
При ТР-3 |
||
|
Смазка ЖТКЗ-65 ТУ 32ЦТ-546-73 Смазка ЖА ТУ 32ЦТ-550-73 |
» » |
0,01 0,005 |
— |
То же |
|
|
Смазка ЦИАТИМ-201 ГОСТ 6267—74 |
0,1 |
При ТР-2 |
|||

Продолжение прилож. 1


Продолжение прилож. 1

ПРИЛОЖЕНИЕ 2 перечень пневматических аппаратов

Продолжение прилож. 2

ПРИЛОЖЕНИЕ 3 ПЕРЕЧЕНЬ ЭЛЕКТРИЧЕСКИХ МАШИН И АППАРАТОВ

Продолжение прилож. 3

Продолжение прилож. 3

Продолжение прилож. 3

Моторный вагон (см. рис. 107*, 123*)

** Перечень элементов блоков 1Б.2І6 и 1БА.076 см. ниже.
Продолжение прилож. 3
|
■ Обозначение |
Наименование, тип |
Коли- |
Примечание |
|
по схеме |
че ство |
||
|
В1...ВЗ; |
Выключатель пакетный |
5 |
Отключение ВОВ, Отопле- |
|
В5, В6 |
ПВЗ-10 |
ние, Отключение СОВ, дежурное и подвагонное освещение |
|
|
Гр1...Гр6 |
Громкоговоритель |
6 |
Оповещение пассажиров |
|
ТР1 |
Датчик-реле температуры |
1 |
Терморегулятор салона |
|
тж-в |
1 |
||
|
Дзт |
Дроссель Д-101В |
Защита цепи управления |
|
|
Заземлитель трансформа- |
1 |
от высокого напряжения |
|
|
зт |
|||
|
тора ГР-2А-3 |
1 |
||
|
КЛЛ-П, |
Клапан КЛП-101Б-2 |
Вентили подъема и опуска- |
|
|
клп-о |
ния токоприемника |
||
|
Кн1, |
Кнопка КУ-Ш |
6 |
Проверка ГК, Включение |
|
КнЗ...Кн1 |
ВВ, Токоприемник поднят, |
||
|
Токоприемник опущен, Восстановление защиты АРФ, |
|||
|
* |
Контроль БЗМН |
||
|
Контактор: |
1 |
||
|
- лкі |
ПК-306.3 |
Линейный контактор |
|
|
ЛК2 |
ПК-306.54 |
1 |
То же |
|
КР, КПР |
КМ-15.3 |
2 |
Контакторы включения и |
|
.1 |
пуска расщепителя фаз |
||
|
КРС |
КМ-1Б |
Контактор высоковольт- |
|
|
KÔ1 |
1 |
ной розетки |
|
|
КМ-ЗГ-4 |
Контактор отопления |
||
|
К02 |
КМ-ЗГ-5 |
1 |
То же |
|
КЗ |
КМ-ЗД-1 |
1 |
Контактор защиты |
|
KBJ |
МК-1-20 |
1 |
Контактор вентилятора |
|
1...12, |
Контроллер 1 КС.006 |
1 |
. Силовой контроллер |
|
ГК1-ГК8, |
|||
|
Ш1...Ш4 |
96 |
||
|
ЭК1, 2 |
Нагревательный элемент |
Обогрев салона |
|
|
ТЭН78А |
1 |
Изменение направления |
|
|
В1...В4, |
Переключатель реверсивный ПР-320Б-1 |
||
|
Н1...Н4, |
движения |
||
|
Вії, Нз |
Переключения в цепях управления |
||
|
РУМ |
Переключатель универсальный УП .5316-Е 139 |
1 |
|
|
пел |
Переключатель пакетный |
1 |
Переключатель системы |
|
ППЗ-10/Н2 |
1 |
питания |
|
|
ПВК |
Переключатель пакетный ПП2-25/Н2 |
Переключатель вспомогательного компрессора |
|
|
ЭП |
Печь ПЭТ-1 УЗ ГОСТ |
20 |
Отопление салона |
|
5.1253—72 |
Защита от атмосферных |
||
|
РВС |
Разрядник РВЭ-25М |
1 |
|
|
1 |
перенапряжений |
||
|
PB |
Разрядник РВМК-УМ |
Защита от коммутацион- |
|
|
1 |
ных перенапряжений |
||
|
АРФ |
Расщепитель фаз РФ-1Д |
Преобразование однофаз- |
|
|
ного тока в переменный |
|||
|
РД |
Регулятор давления АК-ПБ |
1 |
Давление вспомогательного компрессора |
Продолжение прилож. 3
|
Обозначение по схеме |
Наименование, тип |
Количество |
Примечание |
|
Реле: |
|||
|
ос, КВН |
Р-101.1 |
2 |
Контакторы освещения, |
|
насоса трансформатора |
|||
|
ПВВ2 |
Р-101.2 |
1 |
Промежуточное реле |
|
управления В В |
|||
|
ПВВ1 |
Р-101.4 |
1 |
То же |
|
РОП |
Р-101.10 |
1 |
Реле опускания токопри- |
|
емника |
|||
|
кнт |
Р-306.4 |
I |
Реле насоса трансформа- |
|
тора |
|||
|
РБ |
Р-304Г-1 |
1 |
Реле боксования |
|
РУ |
Р-40.4 |
1 |
Реле ускорения |
|
РП1, РП2 |
Р-103А/Р-102 |
2 |
Реле перегрузки тяговых |
|
1 |
двигателей |
||
|
БДР |
РДБ-101А-1 |
Реле дифференциальное |
|
|
ПНФ, РТВ, |
РП-23 |
3 |
Реле-повторитель напря- |
|
РРУ |
жения фазорасщепителя, ре- |
||
|
ле термоавтоматики, реле |
|||
|
регулировки ускорения |
|||
|
РЗ, РЛО |
РЭВ-202 (40 А) ' |
2 |
Реле заземления, пере- |
|
грузки отопления |
|||
|
РНВ1, РН |
РЭВ-261 (220 В) |
2 |
Реле напряжения венти- |
|
1 |
лятора, реле напряжения |
||
|
РНФ |
РЭВ-261 (127 В) |
Реле напряжения фазо- |
|
|
1 |
расщепителя |
||
|
РВП |
РЭВ-811 |
Реле времени пуска |
|
|
РВФ |
РЭВ-884 |
1 |
Реле времени фазорасще- |
|
пителя |
|||
|
ТРФ |
1 |
Реле токовое фазорасще- |
|
|
пителя |
|||
|
БС. БТМ, |
РУ-21/110 |
3 |
Сигнальные реле (блин- |
|
БМН - |
керы) линейных контакто- |
||
|
ров, температуры масла и |
|||
|
максимального напряжения |
|||
|
РМН, ПТВ1 |
МКУ-48С (48 В) |
2 |
Реле максимального на- |
|
пряжения, повторитель тер- |
|||
|
моконтактора |
|||
|
ТР7, ТР8 |
ТРТП-114Р |
2 |
Реле тепловые |
|
ТРЗ...ТР6 |
ТРТП-115Р |
4 |
То же |
|
СР |
Реактор СР-800 |
1 |
Сглаживание пульсаций |
|
выпрямленного тока |
|||
|
Розетка: |
|||
|
РСБ |
1РШ.006 |
2 |
Розетки цепей отопления |
|
РУР РУ2 |
РУ-101А |
2 |
Розетки цепей управления |
|
>Ш2 |
РЗ-8Б |
1 |
Розетка для переносной |
|
лампы |
|||
|
СОТ1, СОТ2 |
Сигнализатор отпуска тор- |
2 |
|
|
мозов № 352А |
Счетчик активной энергии |
||
|
Ш |
Счетчик электронный од- |
1 |
|
|
нофазный Ф440 |
|||
|
25 000/220 В, 300/5 А |
Продолжение прилож. 3
|
' Обозначение |
Наименование, тип |
Коли- |
Примечание |
|
по схеме |
чество |
||
|
Т31...Т38 |
Термоконтакт с легко- |
8 |
Отключение отопления при |
|
плавкой вставкой А14 |
недопустимом повышении |
||
|
Термоконтактор ртутный |
температуры калориферов |
||
|
ТВ!, ТВ2 |
2 |
Поддержание постоянной |
|
|
ТК52А |
температуры воздуха в са- |
||
|
1 |
лоне |
||
|
ТРТ |
Термометр манометриче- |
Контроль за температурой |
|
|
ский сигнализирующий |
масла в главном трансфор- |
||
|
ТСМ-100 |
1 |
маторе |
|
|
т |
Токоприемник Л ГОСТ |
||
|
12058—72 |
|||
|
гт |
Трансформатор тяговый |
1 |
■ Снижение напряжения се- |
|
(А—Х, 0...8, |
однофазный ОЦР-1000/25-01 |
ти |
|
|
о!—al, xl, х2) |
|||
|
ТТ1 |
Трансформатор тока |
1 |
|
|
ТК-20-50/5УЗ |
2 |
||
|
ТТ2, ТТ4 |
Трансформатор тока |
||
|
ТПОЛ-10 Р/Р 1000/5 |
1 |
||
|
ТТЗ |
Трансформатор тока |
Высоковольтный ввод |
|
|
ТПР-25 |
1 |
||
|
ВК1...ВК4, |
Установка выпрямитель- |
Преобразование перемен- |
|
|
В Г Г, ВГ2, А7, |
ная УВП-3-01 |
ного тога в постоянный |
|
|
Б7, ВП1...ВП4 |
|||
|
ДН |
Фильтр индуктивный |
1 |
Защита от помех радио- |
|
ФС-ЗБ-3 |
приему |
||
|
С4 |
Фильтр конденсаторный |
1 |
Подавление радиопомех |
|
1Ф.006 |
|||
|
ШУ1...ШУ4 |
Штепсель ШУ-101А |
4 |
Штепсели цепей управле- |
|
ния |
|||
|
ВТ, ВО |
Электровоздухораспреде- |
1 |
Вентили торможения и |
|
литель 305.001 |
отпуска |
||
|
Электродвигатель: |
|||
|
Д1...Д4 |
РТ-51Д |
4 |
Тяговые двигатели |
|
ДВІ, ДВ2 |
АОМ-32-4 |
2 |
Двигатели вентиляторов |
|
салона |
|||
|
двк |
П31 |
1 |
Двигатель вспомогатель- |
|
1 |
ного компрессора |
||
|
днт |
Электронасос 2ТТ-16/10-01 |
Двигатель насоса транс- |
|
|
- |
форматора |
||
|
Прицепной вагон (см. рис. 113) |
|||
|
А |
Амперметр М-4200, 50— |
1 |
Амперметр батареи |
|
0—50 А |
|||
|
+Б, —Б |
Батарея аккумуляторная |
1 |
|
|
90НК-55 |
|||
|
ВД1...ВД8 |
Вентиль включающий |
8 |
Вентили дверей |
|
ВВ-2Г-1 |
|||
|
вмк |
Вентиль электропневмати- |
1 |
Вентиль разгрузки ком- |
|
шс |
ческий ВВ-34Ш |
прессора |
|
|
Вилка штепсельная |
2 |
Штепсели цепей отопле- |
|
|
1ВШ.006.1 |
ния |
||
|
V |
Вольтметр М-4200, |
1 |
Напряжение заряда бата- |
|
0...250 В |
реи' |
||
Продолжение прилож. 3
|
Обозначение по схеме |
Наименование, тип |
Количество |
Примечание |
|
БД1...БД8 |
Выключатель путевой ко- |
8 |
Блокировка наружных |
|
нечный ВПК-2112У2 ГОСТ |
дверей |
||
|
18147—72 |
|||
|
■ ВБ |
Выключатель путевой |
1 |
Блокировка высоковольт- |
|
ВК300ГАУ2 |
ного шкафа № 2 |
||
|
В5, B8, |
Выключатель пакетный |
4 |
Выключатели дежурного |
|
СОВ, смк |
ПВЗ-10 |
освещения, отопления, сиг- |
|
|
нала отопления и вентиля- |
|||
|
Громкоговоритель |
ции, компрессора |
||
|
Гр1...Гр8 |
8 |
Оповещение пассажиров и |
|
|
связь |
|||
|
ТР1 |
Датчик-реле температуры |
1 |
Терморегулятор салона |
|
ТЖ-В - |
|||
|
Контактор: |
Контактор: • |
||
|
КВ1 |
МК1-20УЗ |
1 |
вентилятора |
|
KOI |
КМ-ЗГ-4 |
1 |
отопления |
|
К02 |
КМ-ЗГ-5 |
1 |
отопления |
|
кмк |
КТПВ-621 |
1 |
электрокомпрессора |
|
ОМ, ост |
Нагревательный элемент |
4 |
Обогрев маслоотделителя, |
|
ТЭН-32А ГОСТ 13268—74 |
сливной трубы |
||
|
ОБТ, ЭК.1, |
Нагревательный элемент |
102 |
Обогрев бака туалета, ка- |
|
ЭК2 |
ТЭН-78А ГОСТ 13268—74 |
лорифер салона |
|
|
ТЮБ |
Переключатель пакетный |
1 |
Переключатель обогрева |
|
ППЗ-10 |
бака туалета |
||
|
ЭП, ОТ |
Печь электрическая |
21 |
Обогрев салона и туалета |
|
ПЭТ-1 УЗ ГОСТ 5.1253—72 |
|||
|
Реле: |
|||
|
БК |
Р-310А-2 |
1 |
Реле батареи |
|
ПНФ, РТВ, |
РП-23 |
3 |
Повторитель напряжения |
|
ПРК |
- |
АРФ, реле термоавтомати- |
|
|
ки, промежуточное сигнала |
|||
|
компрессора |
|||
|
ПТВ1 |
МКУ-48С |
і |
Реле промежуточное тер- |
|
моавтоматики |
|||
|
РВК |
РЭВ-882 |
1 |
Реле времени компрессора |
|
■ РНВ1 |
" РЭВ-261 |
1 |
Реле напряжения вентиля- |
|
тора |
|||
|
РПО |
РЭВ-202 |
1 |
Реле перегрузки отопле- |
|
ния |
|||
|
ОС |
Р-101.1 |
1 |
Контактор освещения |
|
ТРЗ...ТР6 |
ТРТП-115Р |
4 |
Реле тепловые |
|
ТР7, ТР8 |
ТРТП-137Р |
2 |
То же |
|
РУ1...РУ4 |
Розетка РУ-101А |
4 |
Розетки управления |
|
ЩР1...ШР4 |
Розетка РЗ-8Б |
4 |
Розетки переносной лам- |
|
пы, внешнего питания |
|||
|
БР |
Рубильник |
1 |
Включение _ аккумулятор- |
|
ной батареи |
|||
|
СОТ |
Сигнализатор отпуска тор- |
1 |
— |
|
мозов № 352А |
|||
|
TBI, ТВ2~ |
Термоконтактор ртутный |
2 |
— |
|
ТК-52А |
|||
|
Т31...Т38 |
Термоконтакт с легко- |
8 |
— |
|
плавкой вставкой А14 |
|||
|
ше |
Шунт калиброванный ста- |
1 |
Шунт к амперметру бата- |
|
ционарный 75ШС, 50 А |
реи |
Продолжение прилож. 3
|
Обозначение |
Наименование, тип ' |
Коли- |
Примечание |
|
по схеме |
чество |
||
|
Электродвигатель: |
|||
|
ДВІ, ДВ2 . |
АОМ-32-4 |
2 |
Двигатели вентиляторов |
|
салона |
|||
|
ДК |
№ 548 А |
1 |
Двигатель компрессора |
|
ВТ, ВО |
Электровоздухораспреде- |
1 |
Вентили торможения и от- |
|
литель 305-001 |
пуска |
||
|
Блок защиты максимального напряжения БЗМН (см. рис. 117) . |
|||
|
Д1-ДЗ |
Диод Д211 |
3 |
|
|
Cl, ~С2 |
Конденсатор: |
||
|
К50-ЗБ-50-50 |
2 |
||
|
СЗ |
К50-ЗБ-100-20 |
2 |
Параллельно |
|
Стабилитрон: |
1 |
||
|
ПП1 |
Д814В |
||
|
ПП2 |
Д816В |
1 |
|
|
ППЗ |
Д817А |
1 |
|
|
Т1...ТЗ |
Транзистор МП26Б |
3 |
|
|
Ш |
Штепсельный разъем: |
||
|
вилка РП10-11«Л» |
1 |
||
|
розетка РП10-11«3» |
1 |
||
Блок управления стабилизатора переменного напряжения БУС (см. рис. 115)
|
БП, БГ2 |
Блокинг-генератор 1 |
2 |
|
ПП1, ПП2 |
Выпрямитель КЦ-405В |
2 |
|
Д1...ДЗ |
Диод Д-223Б |
3 |
|
Д4 |
Диод Д-226Б |
1 |
|
Др |
Дроссель 1ДР.020.1 |
1 |
|
Конденсатор: |
||
|
С Г |
МБМ-160-0,5 |
1 |
|
<32, С4 |
МБГО-1-300-4-ІІ |
2 |
|
СЗ, С5 . |
МБГО-1-160-30-ІІ |
2 |
|
Стабилитрон: |
||
|
ППЗ |
Д818В |
1 |
|
ПП4 |
Д814А |
1 |
|
ПП5 |
Д816В |
1 |
|
Т1...Т4 |
Транзистор МП-26Б |
4 |
|
ТР1, ТР2 |
Трансформатор 1ТР.068 |
2 |
|
Штепсельные разъемы: |
||
|
Ш1 |
вилка РШ2Н-2-17 |
1 |
|
Ш2, ШЗ |
розетка РПН-2-29 |
1 |
|
розетка РПН-2-23 |
2 |
|
|
Ш4 |
вилка РП-10-11«3» |
1 |

1 Перечень элементов блокинг-генератора см. ниже.
Продолжение прилож. 3
|
Обозначение по схеме |
Наименование, тип |
Количество |
Примечание |
|
ДЗ, Д4, Д7, |
Диод Д223Б. |
4 |
|
|
Д8 |
- |
||
|
Д9...Д11 |
Диод Д226Б |
3 |
|
|
Конденсатор: |
|||
|
С1...СЗ |
К5О-ЗБ-160-200 . |
3 |
С2 — два конденсатора па |
|
раллельно |
|||
|
С4...С6 |
МБГО-1-300-4-ІІ |
3 |
|
|
С7 |
МБГО-1-160-30-ІІ |
1 |
|
|
ПП2 |
Стабилитрон Д816В |
1 |
|
|
Т1...Т4 |
Транзистор МП26Б |
4 |
|
|
Штепсельные разъемы: |
|||
|
Ш1 |
вилка РП10-15«3» |
1 |
|
|
Ш2 |
вилка РШ2Н-2-17 |
1 |
|
|
розетка РГШ-2-29 |
|||
|
ШЗ, Ш4 |
розетка РПН-2-23 |
2 |
Блокинг-генератор БГ (см. рис. 115 и 118)
|
ш |
Вилка РШ2Н-2-14 |
1 |
|
|
Д1...Д8 |
Диод Д226Б |
3 |
|
|
С1 |
Конденсатор МБМ-160-1-ІІ |
1 |
|
|
ПП1 |
Стабилитрон Д815А |
1 |
|
|
Т1 |
Транзистор ГТ403И |
1 |
|
|
ТрБ |
Трансформатор 1ТР.033.1 |
1 |
ПРИЛОЖЕНИЕ 4
ТАБЛИЦА РЕЗИСТОРОВ
|
Обозначение по схеме |
Тип |
Количество |
Сопротивление, Ом |
Примечание |
|
Головной |
вагон (см. рис. 112*, |
а, б): |
||
|
R1...R10, |
ПЭВР-25 |
13 |
510±10% |
К сигнальным лампам и |
|
R13, R14, |
лампам освещения расписа- |
|||
|
R36 |
- |
ния |
||
|
RH |
СР-334А |
1 |
9 |
К прожектору |
|
R12 |
ПЭВР-100 |
1 |
130±10% |
К лампам освещения |
|
пульта |
||||
|
R15 |
МЛТ-2 |
1 |
2000±10% |
К звонку |
|
R16, R19, |
ПЭВ-25 |
4 |
390±5% |
В цепи термоавтоматики |
|
R22, R40 |
||||
|
JU7, R20 |
МЛТ-0,5 |
2 |
1000±10% |
То же |
|
R18, R21 |
МЛТ-0,5 |
2 |
4300 ±10% |
|
|
<R23 |
Терморе- |
1 |
390 |
К блоку БУР |
|
зистор |
||||
|
R24...R26, |
ПЭВ-7,5 |
6 |
■ 36±10% |
К цепи стабилизации на- |
|
R28...R30 |
пряжения |
|||
|
R27 |
ПЭВ-25 |
1 |
3000 ±ю% |
К сигнальной лампе За- |
|
ряд |
||||
|
R3I |
ПЭВ-25 |
1 |
36±10% |
К контактору батареи |
|
R32, R33 |
ПЭВ-25 |
2 |
1000±10% |
К сигнальной лампе Конт- |
|
роль изоляции |
||||
|
R34 |
ПЭВ-7,5 |
1 |
680±10% |
К системе питания 50 В |
|
> R35 |
ПЭВ-25 |
1 |
330 ±10% |
К лампе Выпрямитель 50 В |
|
R37, R38 |
ТСО-15 |
2 |
15 |
К радиостанции |
|
R39 |
ТСО-10Б |
1 |
10 |
К лампам освещения сало- |
|
СР-326В, |
на |
|||
|
R41 |
СР-335АХ2 |
3 |
3,5; 3x2 |
К прожектору |
|
Моторный вагон ( |
см. рис. 107* |
и 123*) |
||
|
R1 |
БС-16А-1 |
1 |
4,7 |
К реле заземления РЗ |
|
R2 |
1БС.026 |
2 |
0,102±5% |
Маневровое |
|
R3, R9 |
КФ-П6В |
2 |
4,0±5% |
Ослабление возбуждения |
|
тяговых двигателей |
||||
|
R4, R7 |
КФ-И6В |
2 |
0,169±5% |
То же |
|
R5, R8 |
КФ-П6В |
2 |
0,271 ±5% |
» |
|
№ |
ПЭВ-75 |
1 |
5200±5% |
К реле боксов ания РБ |
|
RIO |
ПЭВ-100 |
1 |
51000±10% |
Для защиты от перена- |
|
пряжений |
||||
|
RU |
ПЭВ-7,5 |
1 |
36 |
К системе стабилизации |
|
220 В |
||||
|
R12 |
ПЭВ-50 |
1 |
36 |
К катушке ВВ-У |
|
R14, R15 |
1Б.214 |
2 |
2,4 |
К отключающей .катушке |
|
ВВ-0 |
||||
Продолжение прилож. 4
|
Обозначение по схеме |
Тип |
Количество |
Сопротивление. Ом |
Примечание |
|
r16 |
ПЭВ-50 |
! |
200 ±10% |
К реле РОП |
|
R17 |
ПЭВ-25 |
1 |
1500 ±10% |
К реле ускорения РУ |
|
R18 |
ПЭВ-25 |
1 |
1000±10% |
То же * |
|
R19 |
ПЭВ-25 |
1 |
510±10% |
» |
|
R20 |
ПЭВ-25 |
1 |
360±5% |
К вентилям ГК |
|
R21, r22 |
ПЭВ-25 |
390 ±5% |
В цепи тёрмоавтоматикн |
|
|
r23 |
МЛТ-0,5 |
1 |
1000 |
То же |
|
r24 |
МЛТ-0,5 |
1 |
4,3 |
» |
|
r26 |
1С.013 |
1 |
0,42±5% |
Пусковое сопротивление |
|
фазорасщепителя |
||||
|
r27 |
ТСО-10Б |
1 |
10 |
К лампам освещения салона |
Прицепной вагон (см. рис. 113)

Блок БУР (см. рис. 118)
|
r1 |
МЛТ-0,5 |
1 |
18000 ±Ю% |
|
r2, r13, |
МЛТ-0,5 |
3 |
8200± 10% |
|
r14 |
360 |
||
|
r3, r7 |
Терморе- |
2 |
|
|
. зистор |
1500±10% |
||
|
r4, r8 |
ПП2-11 |
2 |
|
|
r5, r9 |
ПЭВ-7,5 |
2 |
1500±10% |
|
r6 |
ПЭВ-7,5 |
1 |
2200 ±10% |
|
rio |
ПЭВ-7,5 |
1 |
1000 ± І 0 % |
|
, rh |
ПП2-11 |
1 |
6800 ±10% |
|
r12 |
МЛТ-2 |
1 |
2400 ±5% |
|
r15 |
МЛТ-0,5 |
1 |
75000 ±5% |
|
r16 |
МЛТ-0,5 |
1 |
39000 ±10% |
|
r17, r18 |
МЛТ-0,5 |
2 |
20000 ±5% |
|
ri9, r20 |
МЛТ-1 |
3300±10% |
|
|
r21, r22 |
ПЭВ-25 |
2 |
680±10% |
Блок БУС (см. рис. 115)
|
R1 |
МЛТ-1 |
1 |
1000±10% |
|
|
№, R16 |
МЛТ-1 |
2 |
2700±10% |
|
|
R3, R4 |
МЛТ-1 |
2 |
5600 ±10% |
|
|
R5 |
МЛТ-1 |
1 |
3900±10% |
|
|
R6, R13, |
МЛТ-0,5 |
3 |
39000 ±10% |
|
|
R17 |
|
Обозначение, по схеме |
Тип |
Количество |
Сопротивление Ом |
Применение |
|
R7 R8 R9 RIO RU, R12, - RI4 |
ПП2-11 МЛТ-1 Терморезистор МЛТ-2 МЛТ-0,5 |
1 1 1 1 3 |
680+10% 160±5% 170 1500 ±5% 2700 + 10% |
|
|
R15, R19 RI8, R20 |
МЛТ-1 ПЭВ-25 |
2 2 |
3300±Ю% 560±10% |

Блок БЗМН (см. рис. 117)
ПРИЛОЖЕНИЕ 5 ПЕРЕЧЕНЬ ПРЕДОХРАНИТЕЛЕЙ ТИПА ПР-2
Обозначение по схеме
Наименование цепн
Ток вставки, А
Головной вагон (см. рис. 112*, а, б)
|
Пр], Лр2 |
Основное освещение салона |
6 |
|
ЛрЗ |
Управление дверьми |
6 |
|
Пр4 |
Звонок |
6 |
|
Пр5 |
Сигнализация неисправности вагона |
6 |
|
Прб |
Контакторы отопления |
6 |
|
Цр7 |
Дежурное и служебное освещение, маршрутные |
15 |
|
фонари |
||
|
Пр8 |
Блокировка высоковольтного шкафа |
6 |
|
Пр9 |
Электропневматический тормоз |
6 |
|
• ПрЮ |
Разделительный трансформатор аккумуляторной |
80 |
|
батареи |
6 6 |
|
|
Пр12 |
Контактор электрокомпрессора |
|
|
ПрІЗ |
Обогрев маслоотделителя вагона |
|
|
Пр14, Пр15 |
Аккумуляторная батарея |
35 6 |
|
ПрП |
Прожектор |
|
|
Пр18 |
Освещение кабины, пульта, расписания, служебно- |
6 |
|
го тамбура, зеленый свет |
||
|
Пр19 |
Сигналы |
6 |
|
Пр20 |
Буферные фонари |
6 |
|
Пр21 |
Контакторы освещения салонов электропоезда |
6 60 20 |
|
Лр22 |
Вспомогательный компрессор |
|
|
Пр23 |
Обогрев маслоотделителей электропоезда |
|
|
Пр24 |
Управление вентиляцией |
6 |
|
Пр25 |
Контроллер машиниста |
6 |
|
Пр31, Пр39 |
50 В аккумуляторной батареи |
10 |
|
ЛрЗЗ |
Блок ускоренного отключения ВОВ |
25 6 |
|
Пр34 |
Контактор разделительного трансформатора |
|
|
ПрЗб |
. Плюс аккумуляторной батареи |
45 |
|
Лр38 |
Обогрев оборудования туалетной |
10 |
|
Пр40, Пр41 |
Двигатель электрокомпрессора |
100 |
|
Пр42, Пр43 |
Двигатели вентиляторов салона |
25 |
|
Пр44 |
Управление песочницами |
6 |
|
Пр45, 46 |
Заряд аккумуляторной батареи и питание цепей управления |
60 |
|
Пр47 |
Питающий трансформатор АЛСНВ 1 |
2 |
|
Пр48 |
Блок питания В-100 |
6 |
|
Пр49 |
Обогрев подножки |
6 |
|
Пр50, 51 |
Двигатель вентилятора кабины |
6 |
|
Пр52 |
Обогрев кабины |
6 |
|
Пр53 |
Стеклообогрев |
6 . |
Продолжение прилож. 5

Прицепной вагон (см. рис. 113)
|
ПР1, Пр2 |
Основное освещение салона |
6 |
|
Пр5 |
Сигнализация неисправности вагона |
6 |
|
Прб |
Контакторы отопления |
6 |
|
Пр7 |
Дежурное и служебное освещение |
6 |
|
Пр8 |
Разгрузочный вентиль и промежуточное реле комп- |
6 |
|
Пр12 |
рессора |
|
|
Контактор электрокомпрессора |
6 |
|
|
Пр13 |
Обогрев маслоотделителя |
6 |
|
Пр14, 15 |
Аккумуляторная батарея |
35 |
|
ПрЗЗ |
Блок ускоренного отключения ВОВ |
25 |
|
Пр38 |
Отопление оборудования туалетной |
10 |
|
Пр40, Пр41 |
Двигатель электрокомпрессора . |
100 |
|
Пр42, Пр43 |
Двигатели вентиляторов салона |
-25 |
Применен предохранитель типа ПК-45-2.
" ПРИЛОЖЕНИЕ 6
ТАБЛИЦА ПОЕЗДНЫХ И СЕКЦИОННЫХ ПРОВОДОВ ЦЕПИ УПРАВЛЕНИЯ
|
№ гнезда |
№ провода |
Назначение провода |
|
1 |
1 |
Автоматический пуск до 6-й позиции ГК |
|
2 |
2 |
Автоматический пуск до 10-й позиции ГК |
|
3 |
3 |
Маневровый режим |
|
4 |
4 |
Пониженное ускорение |
|
5 |
6 |
Контроль схемы (блинкеры) |
|
6 |
7 |
Восстановление ВВ и защиты |
|
7 |
8 |
Автоматический пуск до 16-й позиции ГК |
|
8 |
10 |
Автоматический пуск до 19-й позиции ГК |
|
9 |
11 |
Реверсор «Вперед» |
|
10 |
12 |
Реверсор «Назад» |
|
И |
13 |
Включение вспомогательного компрессора |
|
12 |
15 |
Плюс цепи управления |
|
13 |
15 |
То же |
|
14 |
15 |
» |
|
15 |
18 |
Сигнализация закрытых дверей |
|
16 |
19 |
Отключение ВВ |
|
17 |
20 |
Включение БК |
|
18* |
22 |
Питание защиты выпрямительной установки |
|
19 |
' 23 |
Трансляция |
|
20 |
24 |
» |
|
21 |
. 25 |
Подъем токоприемников |
|
22 |
26 |
Опускание токоприемников |
|
23 |
27 |
Электрокомпрессор |
|
24* |
28 |
Расщепитель фаз |
|
25* |
29 |
Блокировка высоковольтного шкафа |
|
26 |
30 |
Минус цепей управления |
|
27 |
30 |
То же |
|
28 |
30 |
» |
|
29 |
31 |
Сигнал «ЛК» |
|
30 |
32 |
Сигнал «ВВ» |
|
31 |
33 |
Сигнал «Защита вспомогательных цепей» |
|
32 |
34 |
Сигнал «Напряжение сети» |
|
33 |
35 |
Сигнал «Боксование» |
|
34 |
36 |
Управление вентиляцией |
|
35 |
37 |
Управление освещением |
|
36 |
39 |
Обогрев маслоотделителя |
|
37 |
42 |
Вентиляция минус 20° С |
|
38 |
43 |
Минус электропневматического тормоза |
|
39 |
44 |
Свободный |
|
)40 |
45 |
Срывной клапан |
|
41 |
46 |
Свободный |
Продолжение прилож. 6
|
№ гнезда |
№ провода |
Назначение провода |
|
42 |
47 |
Вентиль торможения |
|
43 |
48 |
Свободный |
|
44 |
49 |
Вентиль отпуска |
|
45 |
50 |
Звонок |
|
46 |
51 |
Сигнал отпуска тормозов |
|
47 |
52 |
Правые двери открыты |
|
'48 |
53 |
Правые двери закрыты |
|
49 |
■ 54 |
Левые двери открыты |
|
50 |
'55 |
Левые двери закрыты |
|
51 |
66 |
Плюс аккумуляторной батареи |
|
52 |
57 |
Связь |
|
53 |
58 |
» |
|
54 |
59 |
Песочницы |
|
55 |
60 |
» |
|
56* |
61 - |
Переменный ток (фаза СЗ — земля) |
|
57* |
61 |
То же |
|
58* |
61 |
» |
|
59* |
62 |
Переменный ток (фаза С1) |
|
60* |
62 |
То же |
|
61* |
62 |
» Переменный ток (фаза С2—генератора) |
|
62* |
, 63 |
|
|
, 63* |
63 |
То же |
|
'■64 |
'56. |
Плюс аккумуляторной батареи |
|
65* |
61 |
Переменный ток (фаза СЗ—земля) |
|
66* |
62 |
Переменный ток (фаза С1) |
|
€7* |
67 |
Освещение |
|
68* |
68 |
» |
Применение. Гнезда, отмеченные звездочкой, предназначены для секционного провода, остальные гнезда — для поездного провода.
ПРИЛОЖЕНИЕ 7
ОСОБЕННОСТИ ФОРМИРОВАНИЯ ПОЕЗДОВ ИЗ ВАГОНОВ РАЗНЫХ ВЫПУСКОВ
Электропоезд ЭР9М по назначению поездных проводов соответствует электропоездам ЭР9П (начиная с № 84). Ниже перечислены основные особенности, которые необходимо учесть при формировании электропоездов из вагонов ЭР9М и ЭР9П.
1. Поездной проводи и выключатель на пульте машиниста «Вентиляция-20°» на электропоезде ЭР9М предусмотрены, но не используются; при включении в состав электропоезда ЭР9М вагонов ЭР9П или подсоединении головных вагонов ЭР9М к электропоезду ЭР9П провод 42 необходим для переключения режимов вентиляции.
2. На электропоезде ЭР9М песочницы смонтированы на лобовой стене, а на ЭР9П — на торцовой стене моторного вагона, поэтому при формировании электропоезда из вагонов ЭР9П и ЭР9М обратите особое внимание на положение песочниц для получения наибольшего эффекта от их действия. Включение песочниц осуществляется по двум поездным проводам 59 п60(в зависимости от направления движения поезда). Определите положение песочниц и при необходимости переключите на рейках моторных вагонов провода питания вентилей. На моторных вагонах электропоезда ЭР9М, выпускаемых с завода, питание вентиля песочницы подается по проводу 59.
3. С электропоезда ЭР9П № 326 введена сигнализация закрытых дверей (провод 18), поэтому при формировании электропоезда из вагонов ЭР9М и ЭР9П до № 326 сигнальная лампа дверей будет гореть, не отражая истинного положения дверей на старых вагонах.
4. При включении средних секций (М + П) ЭР9М в состав электропоезда ЭР9П с №>84 до № 307 на прицепном вагоне ЭР9М необходимо установить панель "ІПА.386 с дросселем заряда аккумуляторной батареи и подсоединить ее к основному монтажу согласно Инструкции ТР41.176, прилагаемой к панели. Средние секции электропоезда ЭР9М; поставляемые заводом отдельно, оборудуются панелью ІПА.386, не подключенной к основной схеме вагона.

|
|