Назначение и технические данные. Гаситель колебаний способствует обеспечению необходимой плавности хода вагонов, уменьшает износ деталей тележки, способствует безопасности движения. Технические данные гасителя:
Диаметр: поршня ..... 68 мм
штока...... 48 мм
кожуха.....120 мм
Ход поршня .... 190 мм Длина гасителя при полном сжатии по осям отверстпй в головках . 360 мм
Механическое сопротивление ......9-104Н-с/м
(90 кгс-с/см) Рабочая жидкость . . 0,8 л масла приборного
МВП гост
1805-76 ,

Рис. 21. Положение штока при ходе вверх (а) и вниз (б)
Устройство и работа. Гидравлический гаситель колебаний представляет собой поршневой телескопический демпфер одностороннего действия1, развивающий усилие сопротивления только на ходе сжатия. Ход растяжения является вспомогательным, шток свободно перемещается вверх и засасывает масло в подпоршневую полость.
Гаситель (рис. 20) состоит из цилиндра 6, в котором перемещается шток 7. В нижнюю часть цилиндра запрессован корпус 23 клапана, а в верхнюю вставлен шток, который уплотнен направляющей буксой 20 и сальниковым устройством, состоящим из обоймы 8 и двух каркасных сальников П. Гайка 9 фиксирует положение деталей гасителя: она разжимает резиновое кольцо 19, которое уплотняет корпус 21 гасителя. К тележке гаситель крепят верхней 12 и нижней 25 головками через втулки 1 и 2.
На верхнюю головку наворачивают защитный кожух 10, который стопорится болтом 14. Стопорение штока с верхней головкой осуществляется винтом 13.
В момент хода поршня вверх (рис. 21) в подпоршневой полости 22 (см. рис. 20) цилиндра образуется разряжение. Из-за перепада давления в этой полости и в рекуперативной камере 4 диск клапана 24 поднимается, и масло через впускные отверстия клапана из рекуперативной камеры 4 поступает в подпоршневую полость 22 цилиндра.
1 В настоящей книге дано описание опытного гидравлического гасителя колебаний одностороннего действия, установленного на электропоездах с № 348 по № 355 выпуска 1974 г. и на электропоездах выпуска 1976 и 1977 гг. Описание гасителей двустороннего действия см. в книге «Электропоезд ЭР9П. Руководство по эксплуатации» (М, «Транспорт», 1969. 328 с).

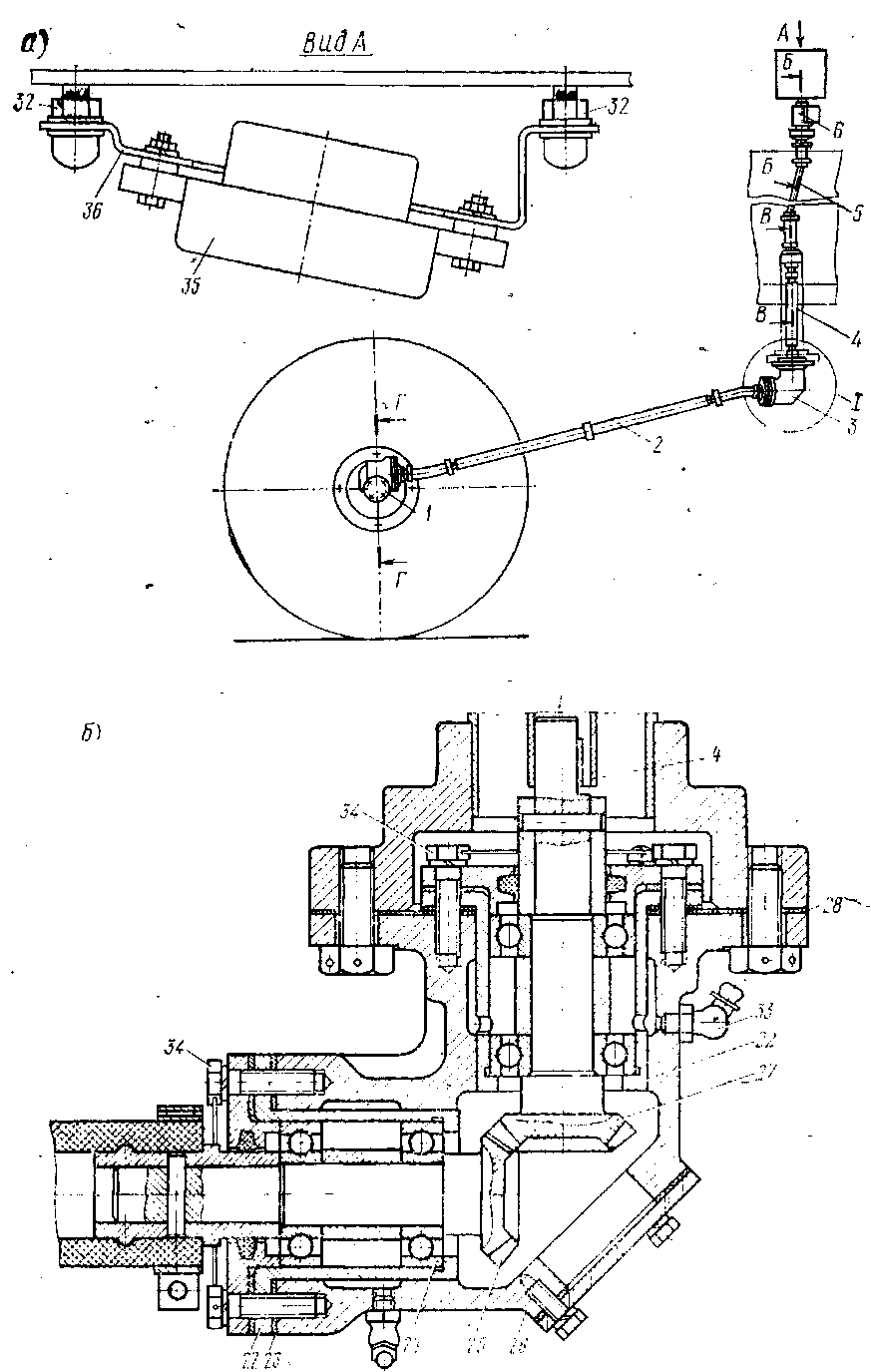
Рис. 22- Привод
а— установка скоростемера; 6 — конический редуктор; в — червячный редуктор; г — под-дуктор; 4 — нижний вал; 5 — наклонный вал; 6 — верхний подшипниковый узел; 7, 11, 20 — обгонная муфта; 13 — резьбовые пальцы; 14, 34 — болты; 16 — червячное колесо; 17 — вал шестерня; 20 — корпус конического редуктора; 27 — ведомая шестерня; 29 — верхний проме
30 — крон

скоростемера и его узлы:-
шипниковые узлы; / — червячный редуктор; 2 — телескопический вал; 3 — конический ре-крышки; 8, 19, 23, 28 — прокладки; 9, 15, 18, 24 — Подшипники; 10 — червячный вал; 12 — червячного колеса; 21 — резино-тканевый рукав; 22 — корпус подшипника; 25 — ведущая жуточный вал; 30 — шайба; 31 — выходной вал; 32 — гайка; 33— масленка; 35 — скоростемер; штейн
\ При остановке поршня диск закрывает впускные отверстия клапана, и при движении поршня вниз (см. рис. 21) часть масла с большим сопротивлением вытесняется из подпоршневой полости через дроссельные щели клапана обратно в рекуперативную камеру 4 (см. рис. 20), а другая часть — через дроссельное отверстие в штоке 7 в надпоршне-вую полость 5 цилиндра. Масло, проходящее через отверстие в штоке, при заполнении надпоршневой полости имеет возможность через отверстия в цилиндре перетекать в рекуперативную камеру. С увеличением давления в подпоршневой полости 22 цилиндра выше 3,0 ± ± 0,3 МПа (30 ± 3 кгс/см2) срабатывает предохранительный клапан 26, ограничивая тем самым усилие сопротивления гасителя.
|
|