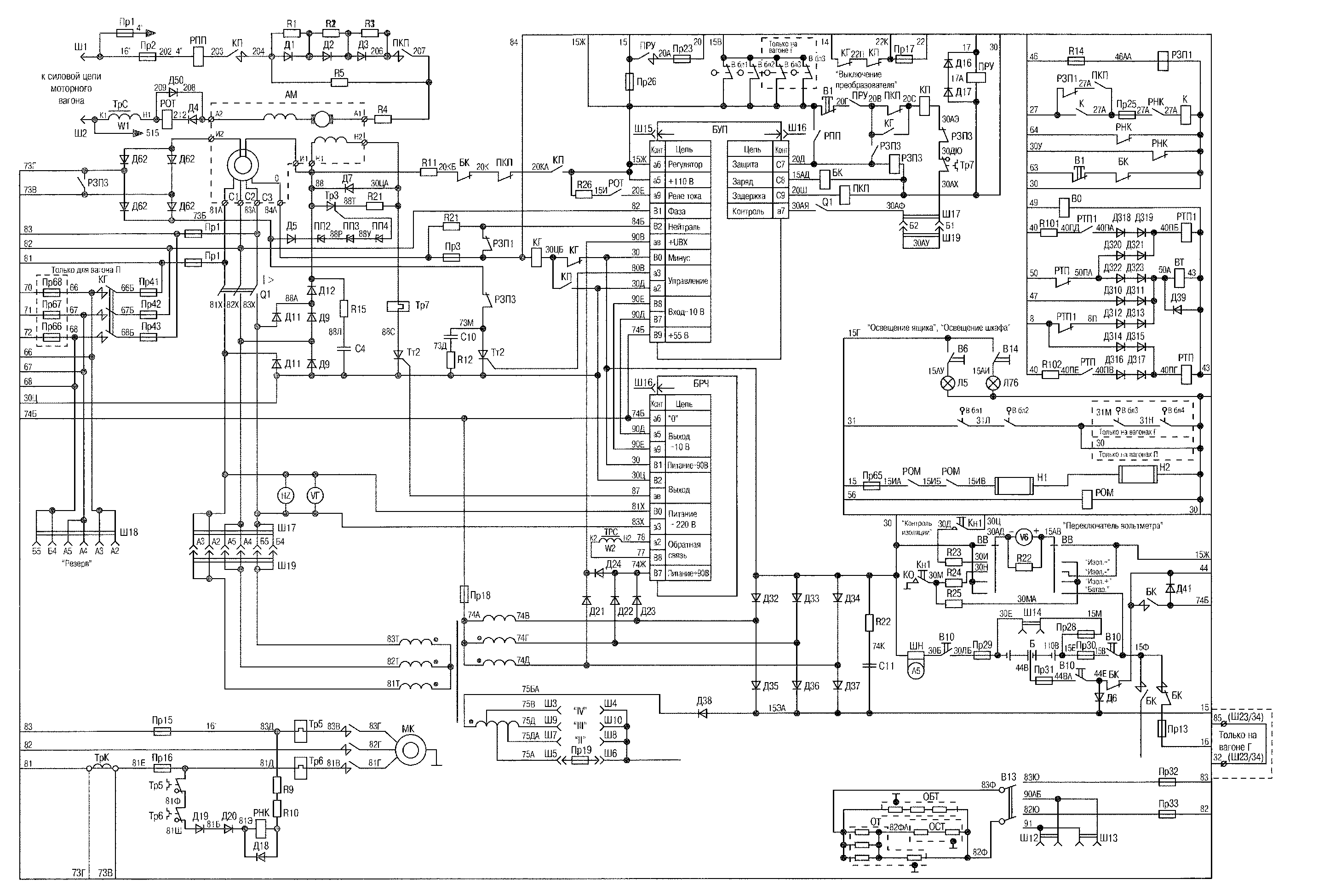
50-47Э. Подает питание на тормозные вентили ВТ секции (моторного и прицепного вагонов).
40- 40ЭР. Обеспечивает включение режима самоподхвата реле PKT.
Реле выдержки времени торможения РВТ1, РВТ2, РВТЗ
40ЭВ-40ЭГ. Препятствует включению режимов дотормаживания или замещения ЭПТ при первом тормозном положении контроллера машиниста, а также создает выдержку времени (3 с), отведенную для сбора схемы электрического торможения, не позволяя собираться схеме позже указанного промежутка времени.
60Б-30. Замыкает в первом тормозном положении контроллера машиниста цепь сигнального диода линейных контакторов, напоминающего машинисту о том, что на одном из вагонов электрический тормоз выключен.
50-44ЭД. Создает цепь питания провода 50 тормозных вентилей ВТ моторного и своего прицепного вагона при режиме замещения ЭПТ.
50-44ЭБ. Обеспечивает включение режима дотормаживания ЭПТ (аналогично блокировке РВТ2).
Промежуточное реле торможения ПРТ, ПРТ1
40-40ЭБ. Создает цепь самоподхвата реле ПРТ, включает питание реле контроля торможения PKT.
40-40ЭЛ. Выключает реле выдержки PBT2 при управлении в режиме замещения.
44-44ЭА. Управляет режимом замеще-ниея ЭПТ, подает питание на провод 50.
9-40ЭМ. Исключает включение режима дотормаживания, если действует режим замещения, разрывая цепь питания ПРТ 1.
40-40ЭМ. Создает цепь самоподхвата реле ПРТ 1.
40ЭД-40ЭЕ. Препятствует включению реле ПРТ, исключая наложение одного вида электропневматического торможения на другой.
44-44ЭБ. Управляет режимом дотормаживания.
40-40ЭК. Отключает питание реле выдержки PBT3 при управлении в режиме дотормаживания.
Повторители реле боксования ПРБ и реле разносного боксования ПРРБ
1М-1Ф. Разрывает цепь питания реостатного контроллера при буксовании колесных пар во время пуска или юза при торможении.
40 ЭЖ-40ЭД. Исключает возможность включения режима замещения ЭПТ в момент юза колесной пары.
40-87И. Снижает уставку блока БУТ.
62А-30. Замыкает цепь сигнального диода на пульте управления при буксовании и юзе колесной пары.
22П-22ПВ. Обеспечивает самоподхват реле ПРРБ.
2В-2И. Отключает тягу при разносном буксовании.
40П-40М. Разбирает схему электрического торможения при юзе.
ЗО-ЗОФ. Подает питание на диод желтого цвета в шкафу при срабатывании реле разносного боксования.
Реле максимального напряжения и его повторитель ПРМН
40В-40ПД. Включает повторитель ПРМН, а также фиксирует ток возбуждения, не позволяя быстро нарастать напряжению на якорях с момента включения РМН до момента включения контактора Т.
40Н-40Л. Переводит схему из режима рекуперации в режим реостатного торможения при повышении напряжения в контактной сети до 4 кВ.
Реле блокировки резервирования РБР
14-14А. Включает питание катушки КР.
Приложение № 5
|
Обозначение |
Тип |
Величина |
Количество (схема подключения) |
|
по схеме |
сопротивления, Ом |
||
|
Головной и прицепной вагоны |
|||
|
R 1 |
ПЭВ-25 |
1500 |
1 |
|
R2, R3 |
ПЭВ-25 |
1500 |
2 |
|
R4 |
БРВЦ |
Блок резисторов |
|
|
R5 |
СР-325А |
4,8 |
6 |
|
R9 |
МЛТ-2 |
1500 |
3 (последовательно) |
|
R 10 |
МЛТ-2 |
510 |
1 |
|
R 11 |
ПЭВ-100 |
220 |
1 |
|
R 12 |
ПЭВ-10 |
36 |
1 |
|
R 14 |
ПЭВ-10 |
1500 |
1 |
|
R 15 |
ПЭВ-10 |
36 |
■е І |
|
R 16 |
МЛТ-2 |
2000 |
1 |
|
R 17 |
ПЭВ-10 |
36 |
1 |
|
R21 |
ПЭВ-50 |
100 |
1 |
|
R22 |
МЛТ-2 |
20000 |
1 |
|
R 23-26 |
МЛТ-2 |
6200 |
4 |
|
R28 |
МЛТ-2 |
100000 |
10 (последовательно) |
|
R41 |
МЛТ-2 |
510 |
3 (последовательно) |
|
R42 |
ПЭВ-50 |
180 |
1 |
|
R49 |
ПЭВ-10 |
1500 |
1 |
|
R50 |
ПЭВ-10 |
1500 |
1 |
|
R53 |
МЛТ-2 |
1500 |
1 |
|
R61, R62 |
ПЭВ-25 |
390 |
2 |
|
R64 |
МЛТ-0,5 |
1000 |
1 |
|
R66 |
ПЭВР-100 |
130 |
1 |

Приложения
Приложение № 6
Соответствие типов устройств их условным обозначениям в элекіросхема*
|
С8, С9, СЮ, СП, С12, С13, С14-С16 |
К50-20 |
|
CK |
УПН-6 |
|
Т7 |
ТО-45 |
|
TKtl |
Т419-2М |
|
Til |
ПКД-25А |
|
Tpl-Tp4 |
TPT-115 |
|
Tpll,Tpl2 |
ТРТ-114 |
|
Трб, Трб |
TPT-135 |
|
ТрВ |
Т-34 |
|
ТрД |
ТО-44 |
|
УПН1-УПН4 |
УПН-5 |
|
Шнб, Шн7 |
75ШСМ-300-0,5 |
|
Э1-ЭЗ |
ПЗБЮ-175 |
Электропоезда постоянного тока ЭТ2, ЭТ2М, ЭР2Т, ЭД2Т
Обнаруженные типографские опечатки:
1. стр. 3 Таблица, 16 строка сверху, система подвески тяговых двигателей, в таблице «рамная», должно быть опорно-рамная:
2. стр.4 рис. 1.1. 2-я схема сверху, токоприемник нарисован на вагоне 07, должен на 08:
3 стр.4 рис. 1.1. 5-я схема сверху, на вагоне 12 токоприемник должен быть нарисован с противоположной стороны вагона;
4. стр.4 3-й столбец, 5-я строка снизу, по тексту «для регулировки блока реле ускорения», должно быть « для регулировки блока регулятора ускорения»;
5. стр. 11 рис. 1.9 обозначена кнопка «ВК», должно быть «Звонок»;
6. стр. 14 рис. 1.12 обозначено реле «ПРТ», должно быть «ПРУ»
7. стр. 14 рис. 1.12 нет расшифровки Тт2, «тиристор питания независимой обмотки преобразователя»;
8. стр.17 рис 1.1 б два аппарата под одной цифрой 5, первая слева не 5, а 12- клемма на изоляторе, под цифрой 7 не датчик тока, а импульсный трансформатор;
9. стр.19 рис. 1.18 под цифрой 3- не манометр напорной магистрали, а манометр запасного резервуара токоприемника;
10. стр.20 рис. 1.19 под обозначением Тт5- не тепловое реле защиты ЭДТ, а тепловое реле первичной обмотки ТрВ:
11. стр.21 рис. 1.20 три последних строки не ПЛ 39,40,41, а ПП 39,40,41;
12. стр.38 рис.2.18 контакт РК 2-20 (для риса и 2-11 для рис.б) нижний провод не 87Н, а 87Л;
13. стр.51 таблица 4-я строка снизу, убрать слова «реле перегрузки»;
14. стр.67 3-й столбец реле типа РЭВ-5.06 не ПЛКТ, а РВТ, реле ПЛКТ, РВВ типа РП-8;
15. стр.70 2-й столбец, блокировки типа ВПК-2112 применяются не на всех поездах, основной тип блокировок ВП15К21-Б23І-54У28;
16. стр.76 рис.4.25 под цифрой 21 не писец скорости, а писец заднего хода, рядом слева без цифры - писец скорости: 17 стр.77 3-й столбец 5-я и 6-я строка снизу слово «мощности» заменить на «напряжение»;
18. стр.78 3-й столбец, 3-я строка сверху к обозначению В-400 (для ЭР2Т) добавить - ЗРУ-050 (для ЭТ2М);
19. стр.80 1-й столбец 9-я строка сверху, слово «два», заменить на «три» (ТП-10,11,12);
20 стр.80 3-й столбец I 1-я строка снизу, слово «блокировка», заменить на «катушка»;
21 стр.81 3-й столбец 16-я строка сверху, убрать слово «током»;
22. стр.85 1-й столбец 12 и 13 строки снизу, фразу «эта катушка подает питание на катушку РВВ», заменить на «это реле снимает питание с катушки РВВ»;
23 стр.86. 3-й столбец, 29 строка сверху слово «больше», заменить на «меньше»;
24 стр.87. 3-й столбец. 5-я строка снизу, убрать буквы «ОВ»;
25 стр.89. 3-й столбец, 21 и 22-я строки снизу, фразу «Так как провода 603 и 638 отключены контактами ОВ». заменить на « Так как резистор R68 закорочен блокировкой ОВ (603-638)»;
26. стр.90 1-й столбец 3-я строка сверху, убрать буквы «ЛК»;
27. стр.90 1-й столбец 5-я строка сверху, фразу «остается на первой позиции», заменить на «переходит на третью позицию и фиксируется так ... и далее по тексту»;
28. стр.92 3-й столбец 11-я строка сверху, слово «срабатывает», заменить на «отключается»;
29. стр.97 3-й столбец 9-10-я строки снизу «16 кВт» заменить на «12.8 кВт», «25 печей», заменит на «20 печей»;
30. стр.102 рис.6.10 внутренняя пружина под номером 8, должна быть нарисована встречно пружине под номером 9;
31. стр.109 рис.6.22 на нижнем сочлинении половинок редуктора не нарисован контрольный болт;
32. стр.115 2-й столбец, 18-я строка снизу, слово «включении», заменить на «выключении»;
33. стр. 145 рис.7.46 привод ручного тормоза нарисован после модернизации в депо;
34. стр. 150 провод 35 «Управление вентиляцией салонов», при модернизации схемы в депо для раздельного отопления.
35 Цветная пневматическая схема на вкладке - на головном вагоне нарисован лишний блок вентилей, на всех вагонах по два лишних вентиля управления дверями, вместо крана на тормозной магистрали к крану машиниста нарисован тройник;
36. Цветная силовая схема на вкладке, между РТП и РК должен быть контактор Ш, а не ЛК, неверно показан контактор КВ
37. Опечатки в схемах на вкладках. Схемы ЭР2Т:
Силовая схема моторного вагона, опечатки в маркировки пусковых сопротивлений, вместо R19, должно быть R18, вместо R61 должно быть R19, вместо R62 должно бызъ R20, вместо R63 должно быть R21.
Схема принципиальная моторного вагона (лист 1), провод от нормально-замкнутой блокировки ПЛК1 имеет номер 22ГБ. Провод 80 заменить на 86.
Схема принципиальная моторного вагона (лист 2), провода к блоку БРУ, вместо провода 630 должен быть 638. соелененный с проводом 638 выходящим из верхний части схемы блока. На схеме диоды ПП35 и ПП36, заменить на стабилитроны. Провода 20 и 20Б должны быть соединными между собой. Убрать неверное соединение проводов 22П и 87И. На схеме провод 87И к диоду Д38. должен быть 87ИВ. Схема принципиальная регулирования преобразователя: Не пропечатан провод от вольтдобавки заряда АБ к контакту БК. Не пропечатана точка в месте соединения диода Д5 и стабилитрона ПП2.
Схема принципиальная головного вагона (лист 2), убрать слова «Стеклообогрев внутренний и наружный». Диод Д46 в проводе 64, развернуть в обратную сторону. Схемы ЭТ2М:
Схема принципиальная головного вагона:
В проводе 45 после блокировки РТ, следует провод 45А, а не 40Р.
Между проводом 40Р и катушкой СК (до перемычки), не нарисована нормально-замкнутая блокировка РКТ Схема принципиальная моторного вагона (лист 2):
В прочоде 703 (к блоку БУВЗТ), не нарисована отключающая катушка ВЗТ. В месте пересечения проводов от диодов Д45 и Д46, поставить точку. Реле в проводе 22АЮ, должно иметь маркировку ПРЮ, а не ПРО.
Блокировка РЗ'Г в проводах 87И и 40В, должна быть нормально-замкнутая, а не разомкнутая.
Схема принципиальная моторного вагона (лист 1):
Катушка в проводах 40Я и 30 должна иметь обозначение ОВ, а не 08.
Блокировка ПРБ в проводе 62А, должна параллельно закорачиваться блокировкой ПРРБ.
Схема принципиальная головного вагона (лист 2):
Блокировка ПРО в проводах 64А должна подключаться к проводу 30, а не закорачиваться на себя
Авторский коллектив приносит читателям глубокие извинения за допущенные опечатки в тексте книги При выявлении Вами других опечаток, не указанных в данном тексте, авторы будут очень признательны Вам о сообщении о них в адрес депо ТЧ-10 (С.Петербург Московское Октябрьской железной дороги) или по
Электронной почте dimaspeEao<rambler.ni.. для исправления в последующих изданиях
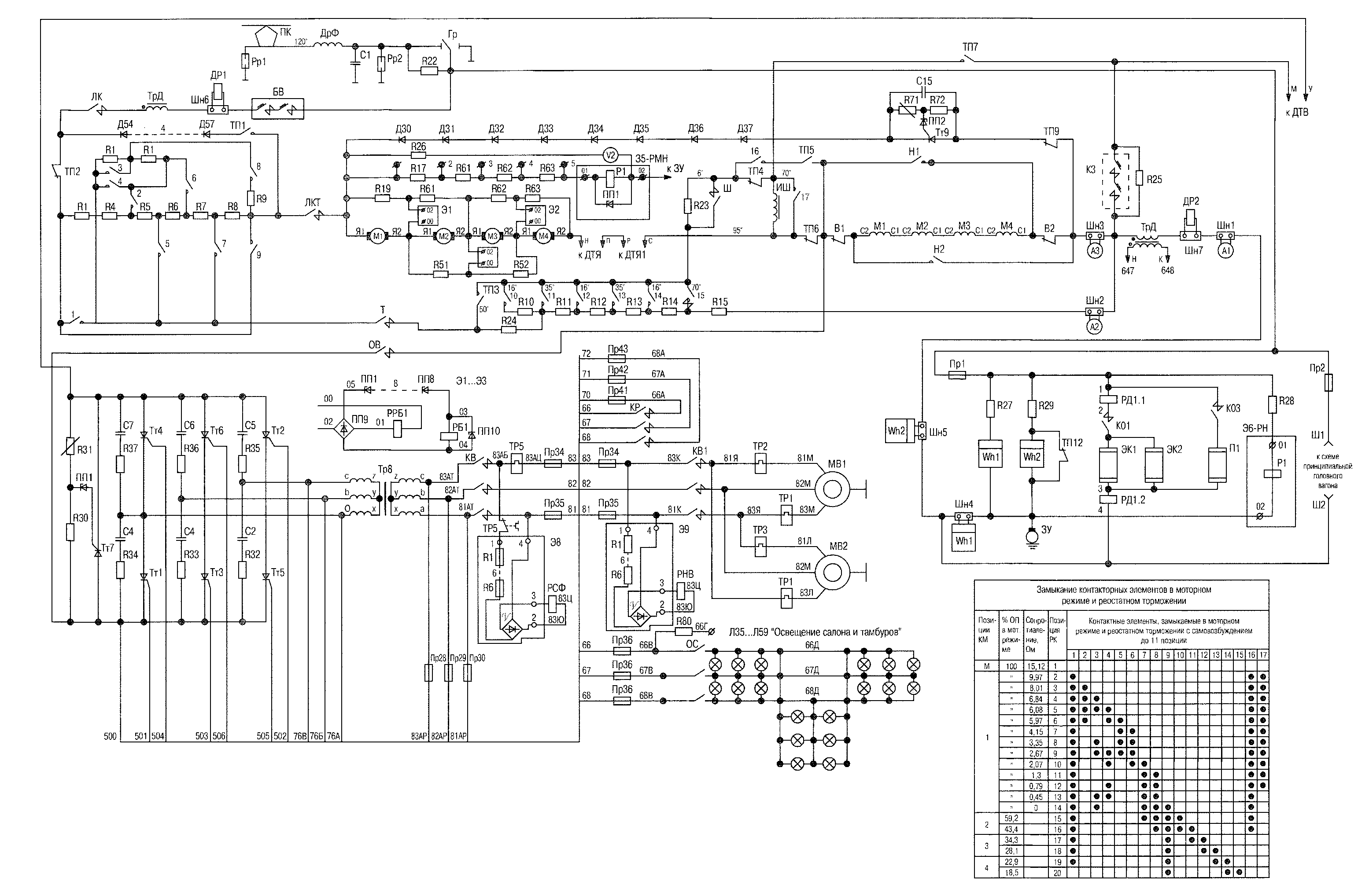
Схема принципиальная силовой цепи моторного вагона электропоезда ЭР2Т

хема принципиальная моторного вагона электропоезда ЭР2Т (Лист

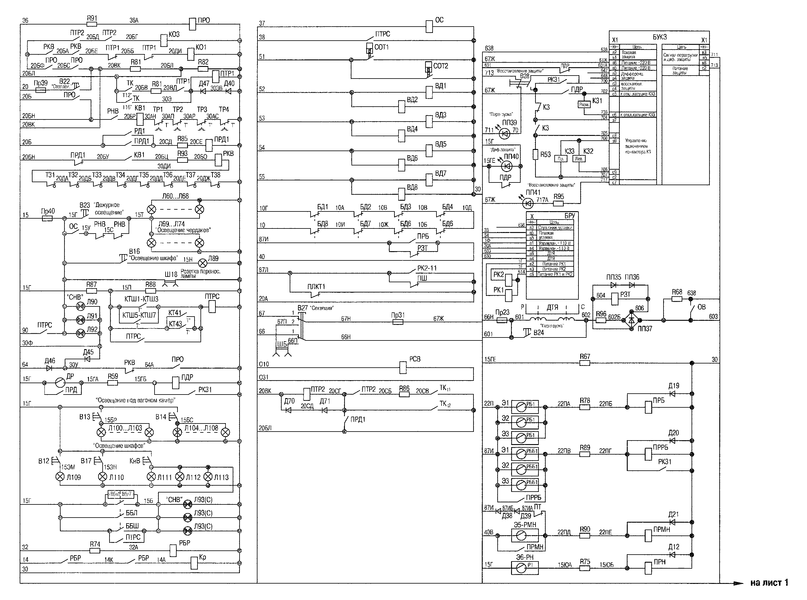
Охема принципиальная моторного вагона электропоезда ЭР2Т (Лист 2)

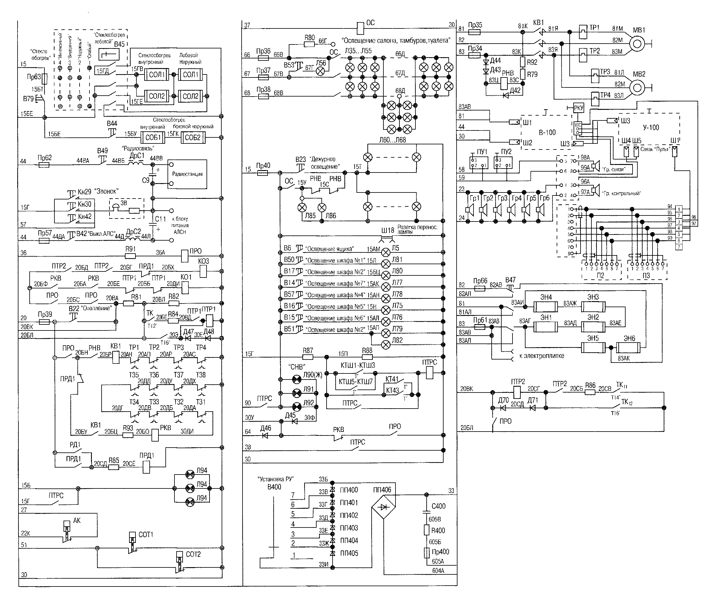
xeivia принципиальная головного вагона электропоезда ЭР2Т (Лист

Oxeivia принципиальная головного вагона электропоезда ЭР2Т (Лист 2

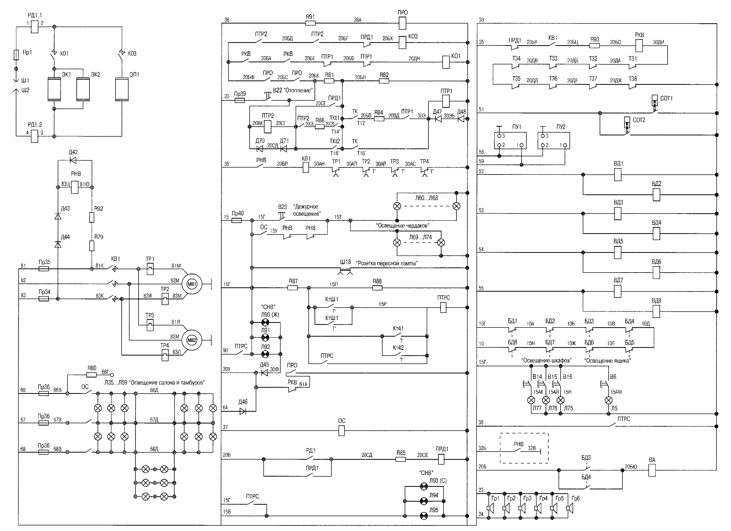
:жема принципиальная прицепного вагона электропоезда ЭР2Т

Oxeivsa резервирования преобразователя электропоезда ЭР2Т

Схема принципиальная регулирование преобразователе электропоезда ЗР2Т








Лобовой


1 - концевой кран; 2 - соединительный рукав; 3 - стоп-кран; 4 - стеклоочиститель; 5 - регулятор давления; 6 - свисток; 7 - разобщительный кран; 8 - тифон; 9 - клапан тифона; 10 - срывной клапан; 11 - клапан автостопа ЭПК-150И; 12 - фильтр; 13 - выпускной кран; 14 - регулятор давления АК-11 Б; 15 - уравнительный резервуар; 16- манометр; 17- кран машиниста усл. №395; 18 - цилиндр привода дверей; 19 - вентель; 20 - пневматическое устройство УПН-5; 21 - регулятор выхода штока; 22 - тормозной цилиндр; 23 -сигнализатор отпуска тормозов; 24 - выпускной клапан; 25 - электровоздухораспределитель усл. № 305; 26 - воздухораспределитель усл. № 292; 27 - реле давления; 28 - запасный резервуар; 29 - запасный резервуар (ложный тормозной цилиндр); 30 -питательный резервуар; 31 - обратный клапан; 32 - трехходовой кран; 33 - редуктор; 34 - клапан песочницы; 35 - бункер песочницы; 36 - форсунки песочницы; 37 - главный резервуар; 38 - предохранительный клапан; 39 - маслоотделитель; 40 - компрессор; 41 -двигатель компрессора; 42 - фильтр; 43 - запасный резервуар токоприемника; 44 - соединительный рукав; 45 - клапан токопремника; 46 - вспомогательный компрессор; 47 - электродвигатель вспомогательного компрессора; 48 - автоматический выключатель управления; 49 - автоматический выключатель торможения

|
|