Для работы ЭДТ на электровозе необходимо: включить АЗВ 340, 384; поставить выключатель 367 в 1 положение, а переключатель 339 в положение "Выключено" (влево); выключатель ЭДТ 337 на пульте в обеих кабинах установить в положение "Включено"; включить блоки 750; при их неисправности ввести в действие скоростные регуляторы ДАКО обеих секций для обеспечения работы цепей ЭДТ через блок-контакты реле давления 336.
Управление ЭДТ осуществляется краном машиниста № 395 или специальным переключателем 358 на пульте управления.
Управление ЭДТ краном машиниста № 395. В процессе торможения (пневматического) краном машиниста№ 395 при достижении давления воздуха в ТЦ (в имитирующей трубе перед ДАКО) свыше 80 кПа срабатывает реле давления 338/, и собирается схема цепей управления ЭДТ (рис. 33 на вкладке): провод 30/0, блок-контакты 3 — 4 выключателя 337/, замыкающиеся при включении ЭДТ в кабине I, провод 6600, блок-контакты 3 — 4 выключателя 3372, замыкающиеся при включении ЭДТ в кабине 2, провод 66/0, блок-контакты реле Кб блока 750/, замкнутые при скорости свыше 20 км/ч, или
блок-контакты реле давления 3361, замкнутые при скорости свыше 50 км/ч, провод 6620, блок-контакты реле3381, замкнутые при давлении в ТЦ свыше 80 кПа, провод 6631, катушки реле 3951 и 3952.
После включения реле 3951 размыкаются его блок-контакты между проводами 6641 и 6381, в результате чего теряет питание катушка реле времени 8771. Так как задержка времени на отключение реле 8771 составляет 6 с, его блок-контакты / — 2 между проводами 6981 и 6990 в цепи регулятора 3631 и блок-контакты 4 — 5 между проводами 6371 и 6681 в цепи питания реле 3731 и 3741 в течение 6 с будут оставаться замкнутыми.
Одновременно замыкаются блок-контакты реле 3951 между проводами 6671 и 6371, и катушки реле 3731 и 3741 начинают получать питание по следующей цепи: провод 5000, АЗВ 3401, провод 6641, блок-контакты реле давления 3561, соединенные параллельно с обратными блок-контактами реле 373/, провод 6280, замкнутые блок-контакты реле давления прямодействующего тормоза 3551, которые размыкаются при давлении в трубопроводах крана № 254 более 100 кПа, провод 667/, замкнутые блок-контакты реле 3951, провод 6371, замкнутые блок-контакты 4 — 5 реле времени 8771, провод 6681, катушка реле 3741, а также диод 3571 и катушка реле 3731.
Отпровода665/ через диод350/ и провод 4440 питание поступает на катушки реле 425 для сброса позиций ПБК 330 до нулевой. Реле 425 в режиме ЭДТ включено постоянно.
После включения реле 3731 размыкаются его блок-контакты в цепи контактора 333, что приводит к отключению всех линейных и реостатных контакторов. Одновременно замыкаются блок-контакты реле 3731 между проводами 3010 и 3540 (см. рис. 16), и через замкнутые блок-контакты реле 323 получают питание катушки электропневматических вентилей Т (тормоз) переключателей 071 и 072. После разворота переключателей 071, 072 в положение "Тормоз" замыкаются блок-контакты 63 — 64 переключателя 071, и вентили Т начинают получать питание по параллельной цепи в обход блок-контактов реле 3231.
Замыкание контактов реле 3731 между проводами 3321 и 7451 вызывает подачу питания на катушки реле 3341, 3351 по цепи (см. рис. 25): провод 3240, блок-контакты 61 — 62 переключателя 0711, замкнутые в положении "Тормоз", провод 3291, блок-контакты 103 — 104 переключателя 0711, замкнутые в положении "НЭ", провод 3301, блок-контакты 61 — 62 переключателя 0721, замкнутые в положении "Тормоз", блок-контакты 103— 104 переключателя 0721, замкнутые в положении "НЭ", провод 3321, блок-контакты реле 3731, провод 7451, блок-контакты реле 8041, провод 7461, катушки реле 3341, 3351.
Замыкание контактов реле 3731 между проводами 6641 и 7951 (см. рис. 33 на вкладке) приводит к тому, что через блок-контакты реле 4571 реле 3731 становится на самопитание. В результате, пока
ПБК 330 не перейдет на нулевую позицию, схема моторного режима не соберется.
После включения реле 3741 замыкаются его блок-контакты в цепи питания регулятора 3631, а также блок-контакты в параллельной цепи питания катушек реле 3731, 3741.
Включение реле 334, 335 вызывает включение линейных контакторов 0292, 0301, 0302, 0311, 0312, 0402, 0411, 0412, 0571, 0581, 0591, 0602 и электромагнитных контакторов 0991, 0992. При этом замыкаются блок-контакты этих контакторов в цепи питания автоматического регулятора 3631, и регулятор начинает получать питание по цепи: АЗВ 3401, блок-контакты контакторов 0591, 0571, 0581, 0311, 0411, 0301, 0991, блок-контакты реле времени управления жалюзи 3611, реле 3741, реле времени 8771, провод 6990, вход Ь5 регулятора 3631.
Одновременно питание от провода 6990 через диод 4631 поступает на катушку инверсионного вентиля 3511, который выпускает воздух из ТЦ. От провода 6990 питание поступает также на сигнальную лампу работы ЭДТа0 на панели сигнализации 827. Лампа получает питание в импульсном режиме через блок-контакты реле 8332 (см. рис. 39). Мигание сигнальной лампы свидетельствует об окончании процесса подготовки силовой схемы реостатного тормоза.
Получив сигнал на вход Ь5 о сборе силовой схемы ЭДТ, регулятор 3631 подаетсигнал на управляющиеэлектроды тиристоров статического возбудителя 1001 в цепи питания обмоток возбуждения ТД и устанавливает ток в обмотках возбуждения в соответствии с сигналами задатчика 343 для получения требуемого тормозного усилия. Когда ток возбуждения, измеряемый измерительным комплектом 3661, достигает 100 А, сигнал от комплекта поступает в регулятор 3631, и тот подает питание на катушку вспомогательного реле 3491 по проводу 9441 через блок-контакты 65 — 66 переключателя "X — Т" 0721, замкнутые в положении "Тормоз".
После включения реле 3491 его блок-контакты замыкают цепи питания следующих аппаратов: \
реле времени 8771 — провод 6641, блок-контакты реле 3491, вывод 7 реле времени 8771;
реле 3731 — АЗВ 3401, блок-контакты реле 3491, катушка реле 3731 (реле 3731 становится на самопитание);
реле времени 3751 — провод 6641, блок-контакты реле давления 3561 или реле 3741, блок-контакты реле давления 3551, реле 3951, реле8771, провод 6681, блок-контакты реле3491, катушка реле 3751.
Одновременно замыкаются блок-контакты реле 3491 в минусовой цепи сигнальной лампы ЭДТ на панели 827 (828), и сигнальная лампа горит, не мигая.
После включения реле 3751 через его блок-контакты подается питание на катушку инверсионного вентиля 3511 по цепи: провод 6641, блок контакты / — 2 реле времени 375/, провод 6891, катушка инверсионного вентиля.

Рис. 34. Цепи включения реостатных контакторов в режиме ЭДТ
Процесс реостатного торможения, т. е. регулирования токов в обмотках возбуждения ТД, в дальнейшем протекает в соответствии с изменением давления в задатчике тормозной силы 3431.
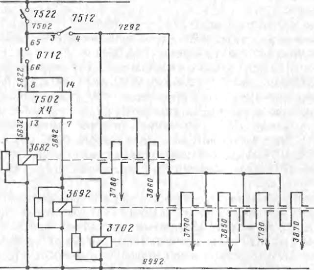
При снижении скорости до 60 км/ч происходит включение по сигналам блока 750 контакторов 035 и 045, которые шунтируют часть ПТР, и электровоз переходит в режим торможения Т1. Сначала получает питание реле3682 по цепи (рис. 34): АЗВ 7522, контакты 65 — 66 переключателя "X — Т" 0712, замкнутые в положении "Тормоз", провод 5822, вывод 14 блока 7502, контакты реле К7 внутри блока, замкнутые при скорости менее 60 км/ч, вывод 13 блока, провод 5832, катушка реле 3682, провод 9992. Реле включается и своими блок-контактами замыкает цепь питания контакторов: провод 7502, выключатель 7512, провод 7292, блок-контакты реле 3682, провод 3780, катушки контакторов 035 (см. рис. 29 на вкладке), а также провод 3860, катушки контакторов 045.
При снижении скорости до 40 км/ч происходит включение контакторов 034, 036, 044, 046, и электровоз переходит в режим торможения Т2. Сначала получают питание реле 3692 и 3702 по цепи (см. рис. 34): провод 5822, вывод 8 блока 7502, контакты реле К8 внутри блока, замкнутые при скорости менее 40 км/ч, вывод 7блока, провод 5842, катушки реле 3692, 3702. После включения реле 3692, 3702 через их блок-контакты напряжение с провода 7292 подается на провода 3370, 3850, 3790 и 3870, а с них соответственно на катушки контакторов 034, 044, 036 и 046.
В режиме экстренного торможения на вход Ь6 регулятора 3631 (см. рис. 33 на вкладке) от провода 6641 через контакты реле давления 3541 поступает сигнал экстренного торможения, что приводит к быстрому (в течение 2 с) нарастанию до требуемого значения тока возбуждения ТД. При служебном торможении для обеспечения плавности нарастание тока возбуждения длится 8 с.
То же самое происходит при поступлении сигнала на вход ЬЗ регулятора 3631 после включения реле 890 АЛСН.
При торможении ЭПТ краном машиниста № 395 имеются следующие особенности в цепях питания вентилей О и Т.
К зажимам Л и 3 БУ-ЭПТ 3881 подключена катушка вспомогательного реле 3761. При I и II положениях ручки крана машиниста № 395 к катушке реле 3761 подводится напряжение переменного тока, и реле не включается. При положениях перекрыши и торможения на зажимы ЗиЛ подается напряжение постоя иного тока, и реле 3761 включается.
В положении торможения катушка вентиля Т получает питание от зажима Л через диод 3771. Катушка отпускного вентиля О получает питание по цепи: провод 6280, кнопка отпуска тормозов 3901, провод 6710, кнопка отпуска 3902, провод 6810, блок-контакты реле 3761, катушка вентиля О. В результате возбуждения катушек обоих вентилей начинается торможение; после достижения давления в ТЦ 80 кПа срабатывает реле 3381 в цепи управления ЭДТ.
В положении перекрыши вентиль Т обесточен, так как полярность прикладываемого напряжения изменяется, а в цепи вентиля Т стоит запирающий диод 3771. Вентиль О продолжает получать питание через блок-контакты реле 3761.
Питание катушки вентиля О обеспечивается при любом давлении в ТЦ независимо от режима работы электровоза. Так, если электровоз работает в режиме "Ход", питание на вентиль О поступает через параллельно соединенные контакты реле 3731 и реле давления 3561. Когда при давлении более 250 кПа контакты реле давления 3561 размыкаются, питание на вентиль продолжает поступать только через блок-контакты реле 3731. В режиме "Тормоз" питание на вентиль О подается через блок-контакты реле 3561 и 3741.
При снижении скорости до 50 км/ч в процессе управления ЭДТ от реле давления 3361 или до скорости 20 км/ч при управлении от блока 7501 размыкаются контакты соответственно реле 3361 или реле Кб в блоке 7501 в цепи реле 3951, которое отключается. Размыкание блок-контактов реле 3951 в цепи катушки реле 3741 приводит к отключению последнего. Его блок-контакты разрывают цепь подачи питания на вход Ь5 регулятора 3631, что служит сигналом для прекращения подачи отпирающих импульсов на тиристоры статического возбудителя 1001. Однако силовая цепь реостатного торможения не изменяется, так как реле 3731 продолжает получать питание через замкнутые блок-контакты реле 3491.
Ток возбуждения ТД уменьшается плавно благодаря большой индуктивности обмоток возбуждения. Реостатное торможение прекращается, когда токи якорей ТД снижаются до 50 А. При этом обесточивается реле 3491, контакты которого разрывают цепь питания реле 3731 и реле времени 3751, и происходит переключение силовых цепей с режима "Тормоз" на режим "Ход".
После отключения реле времени 3751 его блок-контакты / — 2 с выдержкой времени 2 с размыкают цепь питания вентиля 3511, и происходит наполнение тормозных цилиндров через ДАКО, т. е. замещение реостатного тормоза пневматическим. При этом давление в ТЦ ограничивается 250 кПа с целью недопущения юза. Ограничение давления обеспечивает реле 3561, контакты которого разрывают цепь питания катушки вентиля О при давлении в задатчике и трубопроводе ТЦ более 250 кПа в период, когда реле 3741 уже выключилось, а реле 37с?/еще остается включенным через блок-контакты реле 3491. Замещение реостатного тормоза пневматическим происходит также при отсутствии напряжения на входе Ь4 регулятора 3631 вследствие отключения реле 8041 или размыкания блок-контактов 4911 двери статического возбудителя 1001. Отсутствие напряжения на входе Ь4является сигналом для запирания тиристоров возбудителя и прекращения реостатного торможения.
При срабатывании защиты в режиме ЭДТ срабатывает бленкер-ный сигнализатор Т на табло 8021, разрывая цепь реле 804, и на панелях сигнализации 827, 828 после отключения реле защиты тормоза 804 загорается сигнальная лампа а2 "Защита Т".
При отсутствии на входе Ы2 напряжения 48 В регулятор 3631 прекращает работу, и происходит замещение реостатного тормоза пневматическим.
При поступлении из блока 750 на вход Ь7 сигнала юза регулятор 3631 плавно уменьшает ток возбуждения до прекращения юза колесных пар, после чего снова плавно увеличивают ток возбуждения до требуемой величины.
Тормозная сила может ограничиваться машинистом с помощью переключателя 378 на пульте управления в зависимости от условий сцепления колес рельсами. При положении "0" тормозное усилие составляет 100 %; в положении "3/4" замыкаются контакты / — 2 переключателя 3781, на вход Ы9 регулятора 3631 поступает сигнал, и тормозное усилие уменьшается на 25 %; в положении "1/2" замыкаются контакты.? — 4 переключателя 3781, на вход Ы7регулятора поступает сигнал, и тормозное усилие уменьшается на 50 %. При поступлении на вход Ь6 регулятора сигнала экстренного торможения или на вход ЬЗ сигнала о срыве ЭПК.сигналы на входы Ы7яЫ9 блокируются, и регулятор обеспечивает максимальное тормозное усилие. Переключатель<?7# действует только при давлении на манометре задатчика не менее 200 кПа.
Управление ЭДТ переключателем ручного управления 358. При переводе переключателя в положение "Тормоз" от провода 6641
через контакть 19 — 20 ВУ ЗОИ, провод 6741, контакты 5 — 6 переключателя 358!, замкнутые в положении "Тормоз", провод 6770 получает питание катушка вентиля Т электровоздухораспределителя 9301. Через контакты реле 3741, блок-контакты 17— 18 ВУ ЗОН, провод 6721, контакты / — 2 переключателя 3581, замкнутые в положениях "Перекрыша" и "Тормоз", подается питание на катушку вентиля О.
При возбуждении катушек О и Т в ТЦ поступает воздух, давление которого определяется временем выдержки переключателя 3581 в тормозном положении. При давлении в ТЦ 80 кПа срабатывает реле давления 3381, и собирается схема ЭДТ, рассмотренная выше.
При постановке переключателя 3581 в положение "Перекрыша" размыкаются его контакты 5 — 6, и катушка вентиля 7" обесточивается. Катушка вентиля О продолжает получать питание, так как контакты / — 2 переключателя 3581 остаются замкнутыми, и в задатчике фиксируется заданное давление.
При постановке переключателя 3581 в положение "Отпуск" размыкаются его контакты / — 2 и 5 — 6, и катушки обоих вентилей теряют питание.
Диод377/ предотвращает при управлении переключателем 3581 срабатывание тормозных вентилей в электровоздухораспределителях вагонов.
|
|