Охлаждение тяговых двигателей осуществляется двумя аксиальными двухступенчатыми мотор-вентиляторами с диаметром рабочих колес 710 мм. Каждый вентилятор предназначен для охлаждения трех тяговых двигателей одной телелеки. Мотор-вентиляторы установлены в вертикальное положение.
Мотор-веитилятор имеет корпус с двумя кожухами — наружным и внутренним. Наружный кожух цилиндрической формы сварен из стального листа. С помощью направляющих лопаток к нему крепится внутренний кожух, в котором помещен двигатель, подвешенный на предохранительном кольце. Двигатель в корпусе закреплен шестью болтами, ввернутыми в его остов и проходящими через наружный и внутренний кожуха, а также тремя болтами, проходящими только через внутренний кожух. Для доступа к коллектору и щеточному узлу двигателя в наружном кожухе предусмотрены два люка, имеющие съемные крышки. Кроме того, в нем имеется отверстие прямоугольной формы, через которое выбрасывается в кузов некоторое количество воздуха для создания избыточного давления.
Электродвигатель последовательного возбуледения 1А2839/4
(рис. 37) выполнен четырехполюсным. Остов 8 имеет цилиндрическую форму, отлит из электротехнической стали. Для предохранительного кольца, с помощью которого двигатель подвешен к ко-леуху, в остове предусмотрен специальный паз 11. Четыре люка обеспечивают доступ к коллектору.
Сердечники 7 главных полюсов набраны из стальных листов, а дополнительных — изготовлены из прокатной стали. Катушка главного полюса 6 намотана из круглого изолированного провода диаметром 3 мм (с изоляцией 3,365 мм) и имеет 120 витков. Снаружи катушка обмотана в четыре слоя виолуиерекрышу стеклянной лентой толщиной 0,2 и шириной 15 мм и пропитана компаунд-ными лаками. Катушка дополнительного полюса 9 изготовлена из

круглого изолированного провода диаметром 2,65 мм (с изоляцией 3,015 мм) и имеет 88 витков. Наружная изоляция катушки такая же, как и у главных полюсов. Межкатушечное соединение выполнено кабелями, запаянными в кабельные наконечники, которые привинчены к выводам 5 катушек. Воздушный зазор между главным полюсом и якорем составляет 2,5 мм, зазор у дополнительного полюса — 6 мм.
Сердечник якоря иабран из листов электротехнической стали толщиной 1 мм, в которых выштампованы пазы высотой 23,5 и шириной 11,6 мм. Всего в сердечнике 37 пазов, в которые уложена обмотка. В каждом пазу в два слоя размещено 28 медных проводников сечением 0,8X2,8 мм2 с изоляцией класса А; сечение проводника с изоляцией — 1,15X3,15 мм2. Пазовая часть обмотки якоря опрессована в горячем состоянии мнкафолиевыми трубками, лобовые части изолированы стеклянной лентой. В пазовой части обмотка закреплена клиньями из текстолита 14, а в лобовой — бандажами 10, выполненными из немагнитной проволоки.
Обмотка якоря — волновая, с шагом по коллектору 1-130. Коллектор имеет 259 пластин, в качестве изоляции между которыми использован калиброванный коллекторный миканит толщиной 0,8 мм. Пластины расположены между коллекторной втулкой 3 и нажимным конусом 2. Пластины изолированы от стальных частей коллектора мнканитовыми манжетами 4. Ток к коллектору подводится с помощью четырех щеткодержателей, в каждом из которых устанавливаются две щетки размером 12X12X30 мм. Нажатие щетки на коллектор должно составлять 0,5 кгс. Опыт эксплуатации электровозов показал, что для улучшения состояния коллектора двигателя 1А2839/4 более целесообразно устанавливать в щеткодержателе одну щетку вместо двух.
Якорь двигателя динамически сбалансирован. Балансировочные грузы /, 12 укреплены в пазах между нажимным конусом коллектора и венцом вентилятора 13, предназначенного для охлаждения электродвигателя. Воздух, прогоняемый через двигатель, всасывается со стороны коллектора и выдувается через отверстия в подшипниковом щите со стороны, противоположной коллектору.
Вал якоря двигателя вращается в подшипниках, внешние кольца которых запрессованы в подшипниковые щиты. Со стороны коллектора установлен шариковый подшипник 6313/СЗ, на противоположной коллектору стороне — открытый роликовый подшипник N11312. Подшипники работают на консистентной смазке 1-13.
Двигатель выполнен с изоляцией класса В; основные технические данные его следующие:
Номинальное напряжение............... 1500 В
Продолжительный режим:
мощность..................... 28 кВт
ток........................ 21,5 А
частота вращения.................. 1800 об/мин
Напряжение испытания изоляции в течение 1 мин .... 8750 В
Частота вращения при испытаниях в течение 5 мин . . . 3000 об/мин
Масса........................ 465 кг
Охлаждение пуско-тормозных резисторов осуществляется воздухом, который подается с помощью двух одноступенчатых вентиляторов с диаметром рабочего колеса 800 мм. Вентиляторы приводятся в действие двумя двигателями 1А132732/4 с последовательным возбуждением.
Мотор-вентилятор установлен в горизонтальное положение; он имеет корпус с двумя кожухами — наружным и внутренним. Наружный кожух цилиндрической формы диаметром 814 мм сварен из стального листа. С помощью направляющих лопаток к нему крепится внутренний кожух, в котором помещен двигатель. Закрепление двигателя в корпусе осуществляется шестью болтами М12 с пружинными шайбами, ввернутыми в его остов.
На вал двигателя со стороны, противоположной коллектору, насажено рабочее колесо, к которому крепятся лопатки вентилятора. Торцовая сторона двигателя со стороны коллектора закрыта кожухом. На внешней поверхности наружного кожуха имеются четыре опоры, с помощью которых мотор-вентилятор закрепляется на фундаментной плите.
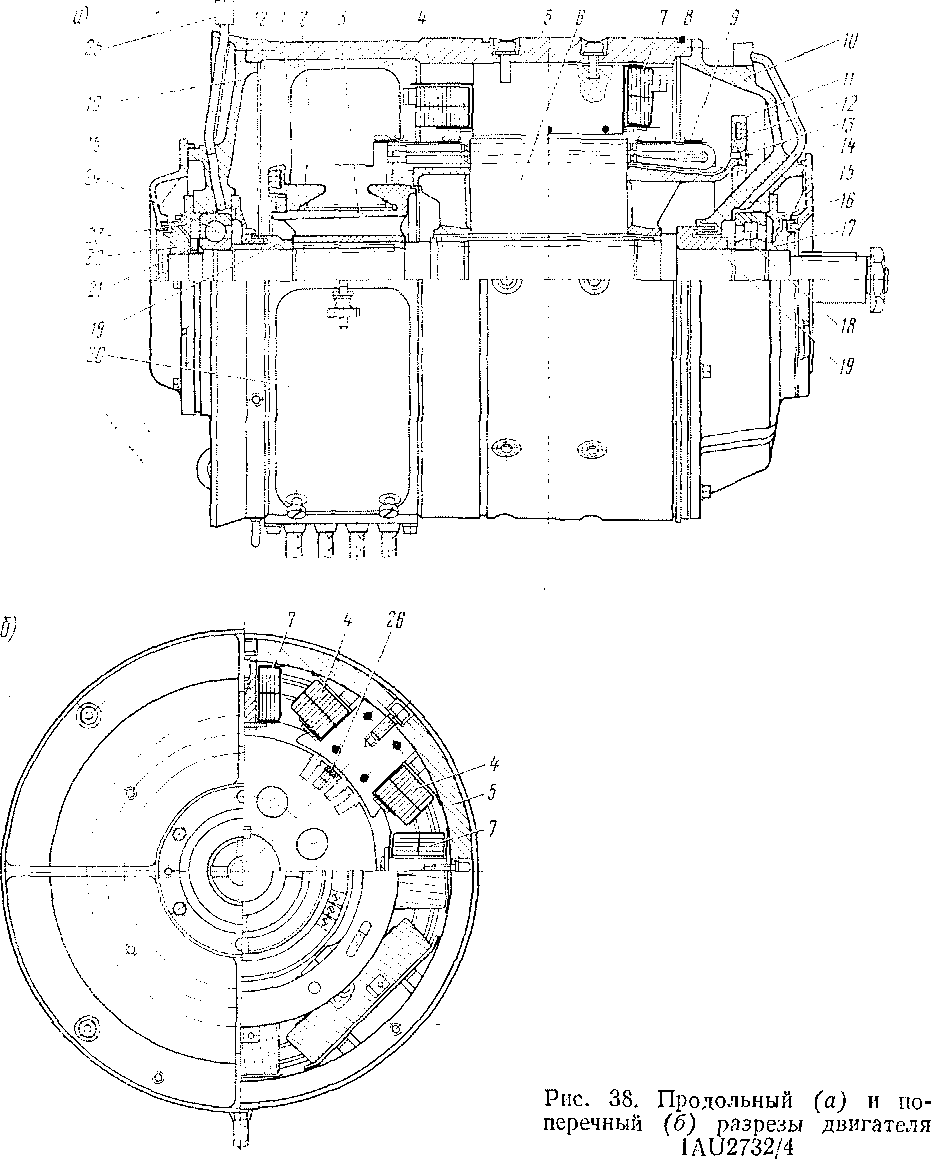
Двигатель 1А1Л2732/4 закрытого исполнения с односторонне выведенным валом, на который насажено рабочее колесо вентилятора (рис. 38).
Остов 5 цилиндрической формы отлит из электротехнической стали с хорошими магнитными свойствами. По наружной поверхности остова имеется по кругу выточка, в которую вставляется предохранительное кольцо 8, препятствующее аксиальному сдвигу двигателя относительно кожуха вентилятора. В остове предусмотрены четыре прямоугольных люка 20 для осмотра коллектора.
Двигатель имеет четыре главных и четыре дополнительных полюса. Сердечник главного полюса набран из стальных листов, а сердечник дополнительного изготовлен из прокатной стали. Катушка 4 главного полюса имеет 24 витка — по 12 в каждом слое и намотана из полосовой меди сечением 3,2X18 мм2. Медь намотана на широкое ребро в два слоя. Витки изолированы один от другого асбестовой лентой толщиной 0,3 и шириной 20 мм. Между слоями положен асбестовый картон толщиной 1 мм. Наружная изоляция катушки выполнена из двух слоев вперекрышу стек-ломикаленты толщиной 0,1 и шириной 20 мм п одного слоя вперекрышу стеклянной ленты толщиной 0,15 и шириной 15 мм. После намотки катушкн компаундируются. Катушка испытывает-ся напряжением 1500 В в течение 1 мин. Воздушный зазор между главным полюсом н якорем составляет 3,5 мм.
Катушка дополнительного полюса 7 изготовлена из прямоугольной меди сечением 1,7X25 мм2 и имеет 20,5 витка, которые намотаны в два слоя по 10,25 витка в каждом слое. Изоляция между витками и наружная такая же, как и у катушек главных полюсов. Зазор между дополнительным полюсом и якорем составляет 5 мм.
Сердечник якоря 6 набран из листов электротехнической стали толщиной 0,5 мм, в которых выштамповано восемь круглых
вентиляционных отверстий и 43 паза высотой 23,8 и шириной 8,8 мм. Наружный диаметр сердечника 270, внутренний 176, длина сердечника 155 мм. Крайние пять листов с каждой стороны выполнены из стали толщиной 1 мм.
Обмотка якоря волновая с шагом по коллектору 1-65. В каждом пазу в два слоя размещено шесть (по три в каждом слое) медных проводников сечением 2X8 мм2. Прямолинейные части обмотки, уложенные в пазах, опрессованы в горячем состоянии ми-кафолевыми трубками толщиной 0,15 мм. На лобовых частях об-

мотка изолирована стеклолентой. В пазовой части обмотка закреплена текстолитовыми клиньями 26, а в лобовой — бандажами 9 из немагнитной проволоки.
Коллектор состоит из 129 медных пластин с изоляцией между ними из коллекторного миканита толщиной 0,8 мм. Пластины изолированы от втулки 3 и нажимного конуса 1 миканитовой манжетой 2. Диаметр нового коллектора 220 мм. У двигателя четыре щеткодержателя, в каждом из которых помещено по две щетки размером 12X25X28 мм. Нажатие на щетки должно составлять 1,05—1,2 кгс. Якорь динамически сбалансирован. Балансировочные грузы 12 расположены в пазах нажимного конуса коллектора и в балансировочном кольце 11, укрепленном винтами 13 на задней нажимной шайбе 14.
Подшипниковые щиты 10 прикреплены болтами к торцовым стенкам остова двигателя. В щиты посажены внешние кольца подшипников. Со стороны коллектора установлен шариковый подшипник 24 типа 6312/СЗ, предназначенный для восприятия аксиальных нагрузок, а со стороны, противоположной коллектору, — открытый роликовый подшипник 18 типа ЫЫ312. Лабиринтные кольца 19, насаженные на вал якоря, перед посадкой нагревают до 150°С. Внутренние кольца подшипников надевают на вал подогретыми в масляной ванне до 70—80°С. Со стороны коллектора подшипник фиксируется навернутой непосредственно на вал гайкой 21 с предохранительной шайбой. Шариковый подшипник закрыт с наружной стороны крышкой 23, которая крепится совместно с внутренней крышкой болтами к подшипниковому щиту, а также насаженным на вал якоря маслоотражательным кольцом 22. Подшипник, установленный со стороны, противоположной коллектору, закрыт изнутри подшипниковым щитом, вставленным в пазы лабиринтного кольца, а снаружи — крышкой 16 с масло-отражательным кольцом 17. Оба подшипниковых щита закрыты крышками 15. Для смазки подшипниковых узлов под давлением предусмотрены трубки с пресс-масленками 25. Применяется консистентная смазка марки 1-13 или ЖРО.
Основные технические данные двигателя 1АШ732/4 следующие:
Напряжение питания......•.......... 280 В
Ток при 40-минутном режиме работы......... 160 А
Частота вращения якоря .... •..........2140 об/мин
Потребляемая мощность................ 39 кВт
Сопротивление обмотки якоря ............. 0,0309 Ом
» » главных полюсов....... 0,0215 »
» » дополнительных полюсов .... 0,01748 »
Класс изоляции ................... В
Масса......•................. 350 кг
Напряжение испытания изоляции в течение 1 мин .... 1500 В
Двигатель вентилятора пуско-тормозных резисторов подключен к выводам ВО этих резисторов (см. рис. 12). Напряжение питания может изменяться при этом в зависимости от нагрузки до 340 В в режиме пуска и до 300 В в режиме реостатного торможе-
ния, т. е. возможна работа двигателя с перегрузкой как по току, так и по напряжению. Однако эти режимы относительно кратко-временны и допустимы для двигателя.
Хотя напряжение питания двигателя не превышает 340 В, потенциал его токоведущих частей относительно земли равен напряжению контактной сети, т. е. значительно выше рабочего напряжения машины. Учитывая, что изоляция двигателя не рассчитана на такое напряжение, его вместе с вентилятором устанавливают на изолированном фундаменте. Наружный кожух вентилятора отделен от ящика пуско-тормозных резисторов плитой из гетинакса.
В системе отопления кабин на электровозах ЧС2Т-945~М024 для обеспечения циркуляции воздуха, нагреваемого калориферами, установлены центробежные вентиляторы с двигателями БМ2004Ь мощностью 0,5 кВт и частотой вращения 2800 об/мин. Двигатель питается напряжением 48 В.
Системой кондиционирования воздуха оборудованы электровозы, начиная с ЧС2т-1025. Циркуляция воздуха осуществляется вентиляторами с двигателями БМЭОЬ; основные технические данные их следующие: напряжение питания 48 В, мощность 0,3 кВт, ток 9 А, частота вращения 2800 об/мин, масса 20 кг.
|
|