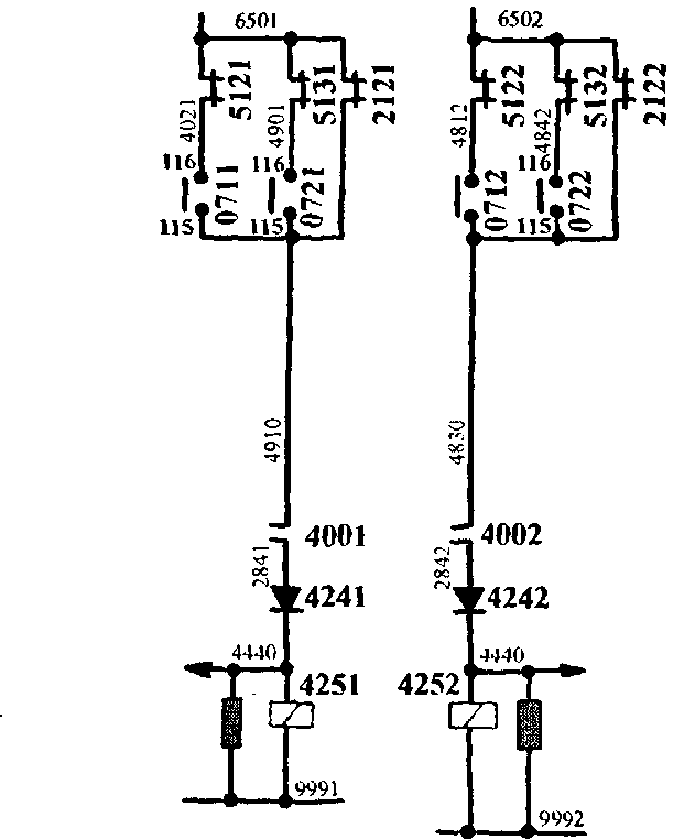
3.15 Цепи реле 425 контроля работы мотор-вентиляторов
Реле 425 служат для контроля за работой мотор-вентиляторов, генераторов тока управления, регуляторов напряжения и получают питание по цепи:
- АЗВ 476, провод 650, далее три параллельных цепи:
1-я цепь:
- обратные блок-контакты индикаторного реле 512, замкнутые при неисправности ГТУ1 (3) или его регулятора напряжения;
- провод 402, блок-контакты 116 - 115 переключателя «X - Т» 071, замкнутые в положении «НЭ», провод 4910 (4830);
2-я цепь:
- обратные блок-контакты индикаторного реле 513, замкнутые при неисправности ГТУ2 (4^ или его регулятора напряжения;
- провод 4901 (4842), блок-контакты 116 - 115 переключателя «X - Т» 072, провод 4910 (4830);
3-я цепь:
- обратные блок-контакты контактора 212, провод 49.10 (4830). Далее снова общая цепь:
- контакты контактора 400, провод 284, диод 424, провод 4440, катушка реле 425, провод 999.
От провода 4910 (4830) получает также питание сигнальная (красная) лампа «аЗ» на панелях сигнализации 827 и 828 (рис. 72).
Включившись, реле 425 замыкает своими прямыми блок-контактами цепь питания катушки реле «Сброса» 321 (рис.61, 62).
Кроме рассмотренной цепи, реле 425 получает питание и по другим цепям, независимо от наличия диода 424.
1- я цепь:
- провод 360, КЭ 55 - 56 ПБК 330, замкнутые на позициях 41 56, провод 7440, прямые блок-контакты контактора 031 (замкнутые с 20-й по 39-ю позицию), провод 745, блок-контакты 39 - 40 переключателя «X - Т» 072, замкнутые в режиме «Ход», провод 4440, катушка реле 425;
2-я цепь (рис. 88):
- АЗВ 300, контакты 5-6 ВУ 301, провод ЗОЮ, обратные блок-контакты реле 3711, провод 7961, диод 4651, провод 4440, катушки реле 425.

Рис. 75 Схема цепей питания реле 425
Катушка реле 3711 получает питание по цепи: -
- АЗВ 3401, провод 6641, контакты реле давления 3541у замкнутые при давлении в ТМ свыше 3,5 кгс/см2, провод 7671» катушка реле 3711, провод 9991;
3- я цепь (рис. 88):
- АЗВ 3401, провод 6641, прямые блок-контакты реле 3731 (3721 на электровозах серии Е7 - Е9), 'провод 7951, обратные блок-контакты реле 4571, провод 6651 (6650 - на электровозах серии Е7 - Е9), диод 3501 (3991 - на электровозах серии Е7 — Е9), провод 4440, катушка реле 425;
4-я цепь (рис. 88):
- АЗВ 3401, прямые блок-контакты реле 3491, диод 3501 (3991 -на электровозах серии Е7 — Е9), провод 4440, катушка реле 425;
3.16 Цепи включения контакторов 701 отопления поезда
|
|