3.35 Цепи питания вентилей тифона, свистка и водоотвода
Электровозов серии Е5 - Е7
Электропневматический вентиль «Тифон» 787 получает питание по цепи (рис.104):
- АЗВ 5591, провод 5310, параллельно включенные контакты:
- кнопки тифона 781 помощника машиниста кабины №1 и №2;
- контакты 7 - 8 рукоятки 478 аварийного клапана «Стоп» кабины №1 и №2;
- контакты ножной педали тифона 779;
провод 5350, катушки вентилей тифонов 787, провод 999. Электропневматический вентиль «Свисток» 789 получает питание по цепи:
- АЗВ 5562, провод 5370, параллельно включенные контакты:
- кнопки свистка штурвала КМЭ 783;
- контакты кнопки 785, расположенной у окна со стороны машиниста;
- контакты кнопки 786 помощника машиниста кабины №1 И №2;
- контакты 9 - 10 рукоятки клапана «Стоп» 478 кабины №1 и №2;
- контакты ножной педали свистка машиниста 779; провод 5360, катушки вентилей свистка 789, провод 999.

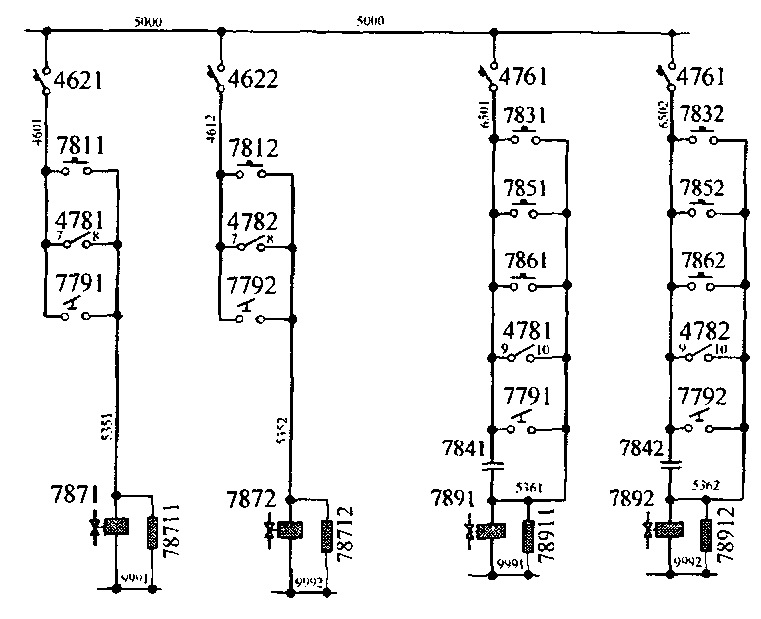
Электровозов серии Е9
Электропневматический вентиль «Тифон» 787 получает питание по цепи (рис.105):
- АЗВ 462, провод 4601 (4612), параллельно включенные контакты:
- кнопки тифона 781 помощника машиниста кабины;
- контакты 7-8 рукоятки 478 аварийного клапана «Стоп»;
- контакты ножной педали тифона 779;
провод 535, катушка вентиля тифона 787 (секции из которой подеется звуковой сигнал), провод 999.
Электропневматический вентиль «Свисток» 789 получает питание по цени:
- АЗВ 476, провод 650, параллельно включенные контакты:
- кнопки свистка штурвала КМЭ 783;
- контакты кнопки 785, расположенной у окна со стороны машиниста;
- контакты кнопки 786 помощника машиниста;
- контакты 9-10 рукоятки клапана «Стоп» 478;
- контакты ножной педали свистка машиниста 779; провод 536, катушки вентилей свистка 789 (секции, из которой подеется звуковой сигнал), провод 999.

Рис.105 Схема цепей подачи звуковых сигналов электровозов серии Е9
3.36 Цепи питания вентилей водоотвода
|
|