4.1 Зарядка напорной магистрали
На пневматической схеме после цифрового обозначения аппарата через косую линию указывается его порядковый номер на электровозе. Если аппаратов только два (по одному на секцию), в тексте приводится обозначение без косой линии и порядкового номера; при большом количестве одинаковых аппаратов их обозначения в тексте приводятся полностью в соответствии со схемой, причем обозначение аппарата, относящегося к секции №2, дается в скобках.
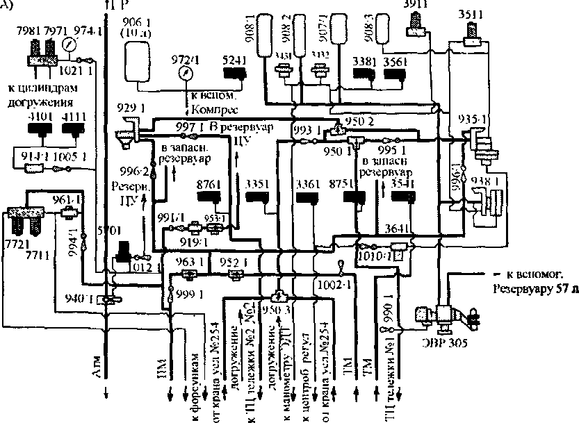
При включении вспомогательного компрессора 924 или приведении в действие ручного насоса 925 воздух через обратный клапан 954 и реле давления 524 будет наполнять резервуар 906 (10 л) с предохранительным клапаном 959, отрегулированным на давление 5,2 кгс/см2. Давление воздуха в резервуаре 906 контролируется манометром 972. Одновременно воздух по трубопроводу через фильтр 916 и разобщительные краны 1013/1, 1013/2 (1013/3, 1013/4) поступает к электропневматическим вентилям разъединителей 003 и заземлителей 005, а через разобщительный кран 1014 к вентилю токоприемника 001. Через разобщительный кран 1017 воздух проходит к вентилю привода БВ 021.
После отключения вспомогательных компрессоров контактами РД 524 или когда давление воздуха при заправке ручным насосом достигает 4,0 кгс/см2 (по манометру 972), включаются выключатели токоприемников, БВ 021 и мотор-компрессоров на пульте управления.
При работе мотор-компрессора 900 воздух через фильтры всасывается в цилиндры низкого давления, сжимается в них до давления 2,5 3,0 кгс/см2, затем при обратном ходе поршней выталкивается в холодильник 901, из которого поступает в цилиндр высокого давления. Здесь он сжимается до давления 9,0 кгс/см' и нагнетается через обратный клапан 951 и разобщительный кран 956 в два главных резервуара на каждой секции, соединенных попарно. На трубопроводе воздуха после 1-й ступени сжатия установлены предохранительный клапан 960, отрегулированный на давление 3,0 кгс/см2, а также кран для спуска конденсата 1003/18 (1003/19). Такой же кран 1003/23 (1003/24) предназначен для спуска конденсата из влагосборника 946 компрессора. Разобщительный кран 1018 служит для отключения холодильника в зимнее время. На трубопроводе после 2-й ступени сжатия установлены два предохранительных клапана 95611, 2 (95613, 4), отрегулированных на
давление 10,0 кгс/см2. На трубопроводе в месте выхода из главного резервуара в напорную магистраль установлен предохранительный клапан 957, отрегулированный на давление 10,0 кгс/см".

Рис. 114 Схема пневматической панели электровозов серии Е5 - Е7;
Главные резервуары объемом 250 л каждый имеют влагосборник 911, дистанционно управляемый выпускной клапан 940 и нагревательные элементы 561.
Связь между ГР и напорной магистралью секций электровоза осуществляется через межсекционные концевые рукава и краны 1011/3 и 1011/17. Давление воздуха в ГР и напорной магистрали контролируется по манометру 967. К трубопроводу, соединяющему ГР и напорную магистраль, через разобщительный кран 1005 и фильтр 914 подсоединены РД 410 и 411 управления компрессорами.
Из главных резервуаров воздух через разобщительный кран 957/1 (957/2), фильтр 915 поступает в напорную магистраль. На напорной магистрали каждой секции установлен влагосборник 947 (около аккумуляторной батареи) с нагревательными элементами 560 и спускным краном 1003/6 (1003/17).

Внутренняя часть панели

Рис.115 Схема пневматической панели электровозов серии Е9;
Из напорной магистрали воздух поступает: а) через разобщительный кран 991, дроссельный (редукционный) клапан 919, регулируемый на давление 4,7 кгс/см2, обратный клапан 953, фильтр 915 в резервуаре 903 объемом 120 л.

Рис.116 Схема расположения резервуара (903) цепей управления на пневмопанели
Для проверки давления в резервуаре 903 к нему через разобщительный кран 1015 подсоединен манометр 971, а на резервуаре установлен предохранительный клапан 958, регулируемый на давление 5,2 кгс/см2;
б) через разобщительный кран 992/2 (992/3) и фильтр 917 к крану вспомогательного тормоза локомотива № 254;
в) через разобщительный кран 1021, редукционный клапан 921, вентили 797, 798 в цилиндры противоразгрузочного устройства 1025/1,1025/2 (1025/3, 1025/4). Для контроля давления воздуха в цилиндрах установлен манометр 974. Редукционный клапан 921 регулируется на давление 5,4 кгс/см";
г) через разобщительный кран 994, редукционный клапан 961
(6,8 кгс/см'), электропневматпческие вентили 771, 772 к клапанам песочниц 937/1, 937/2 (937/3, 937/4);
д) через разобщительный кран 993, редукционный клапан 920 (9,0/6,8 кгс/см2) к электропневматическим вентилям тифона 787 или свистка 789:
- через разобщительный кран 1006/2 (1006/3) к клапану тифона 926;
- через разобщительный кран 1006/1 (1006/4) к клапану свистка малой громкости 927;
е) через кран 1009 в камеру выдержки времени ЭПК-150;

Рис.117 Схема соединения главных резервуаров, напорной и тормозной магистралей
ж) через разобщительный кран 999, обратный клапан 963 в запасные резервуары 904/1, 904/2 (904/3, 904/4) объемом 120 л каждый:
- через разобщительный кран 996/1 (996/4) в камеру клапана ДАКО 955;
- через разобщительный кран 996/2 (996/3) в камеру РД 929;
) через разобщительный кран 988 крана машиниста № 395 в уравнительный резервуар 909 (20 л), давление в котором контролируется по манометру 969/1, подсоединенному через резиновый рукав 982/3 (982/8); и) через кран 1007 к регулировочным вентилям 1028/1, 1028/2 (1028/3, 1028/4) и приводам стеклоочистителей 928/1, 928/2 (928/3, 928/4);
к) через разобщительный кран 1008, дроссельный клапан 962 в резервуар стеклоочистителей 1029. Резервуар цепей управления 903 обеспечивает питание воздухом приборов и аппаратов только своей секции электровоза. Из резервуара 903 воздух поступает:
- через разобщительный кран 1019 к вентилям привода ПБК 330;
через разобщительный кран 1004 к вентилям электропневматических контакторов, переключателей «X - Т» 071, 072, реверсоров;
- через разобщительный кран 1012 к вентилю 570 для открытия клапана водоотвода 940;
- через кран 1030, резиновый рукав 1031 к вентилю 469 привода заслонки статического преобразователя 100;
- через кран 1020/1 (1020/4) к вентилю 380, а также через дроссели 964/7, 964/2 (964/7, 964/8) диаметром 1,5 мм в цилиндры 1026/1, 1026/2 (1026/7, 1026/8) привода всасывающих жалюзей;
- через кран 1020/2 (1020/3) к вентилю 381, а также через дроссели 964/3, 964/4 (964/5, 964/6) диаметром 1,5 мм в цилиндры 1026/3, 1026/4 (1026/5, 1026/6) привода выпускных жалюзей;
- через обратный клапан 954 и кран 1017 к приводу БВ 021. На трубопроводе к пневмоприводу БВ установлено реле давления 471 для контроля давления в приводе;
- через разобщительные краны 1013/1 и 1013/2 (1013/4 и 1013/3) к вентилям приводов разъединителей 003 и зазсмлитслей 005;
- через разобщительный кран 1013/5 к межсекционному разъединителю 0131;
- через разобщительный кран 1014 к вентилю токоприемника 001;
- через разобщительный кран 1010/1 (1010/2) на стене машинного отделения, влагосборник 944. по резиновым рукавам 976/1, 976/2 (976/3, 976/4) к центробежному регулятору 932, установленному на 3-й (6-й) оси колесной пары.
На трубопроводе приборов имеются муфты 983/1, 983/2, 983/3, 983/4 с разобщительными кранами 1000/1, 1000/2, 1000/3, 1000/4 для подсоединения рукава очистки приборов воздухом.
4.2 Зарядка тормозной магистрали
|
|