РИСУНКИ, ЧЕРТЕЖИ, СХЕМЫ. ЧЕРТЕЖИ В "КОМПАСЕ"
Чертежи узлов локомотивов и вагонов, выполненные в программе "Компас-3D" (формат файлов CDW), можно бесплатно скачать с файлообменного сервиса DEPOSITFILES
Вопросы по программе "Компас-3D"
Электрические машины электровоза постоянного тока |
|
Тяговый двигатель ТЛ-2К1 |
|
Двигатель НБ-431 |
|
Преобразователь НБ-436 |
|
Геннератор тока управления ДК-405К |
|
Кузов, ходовая часть и автосцепка |
|
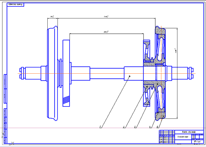
Колесная пара электровоза |
|
Кожух зубчатой передачи |
|
Автосцепка СА-3 |
|
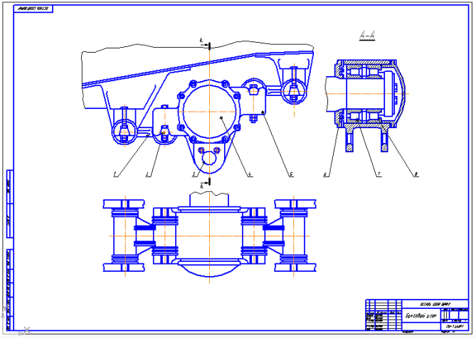
Буксовый узел электровоза |
|
Кузов электровоза |
|
Шкворень и противоотносное устройство |
|
Рама тележки |
|
Рессорное подвешивание |
|
Тележка электровоза |
|
Тормозная рычажная передача электровоза |
|
Расположение оборудования на электровозе ВЛ10 |
|
Предыдущая страница "Компас-чертежей" - Автотормозное оборудование и электроаппараты электровозов
Следующая страница "Компас-чертежей" - Вагоны







