РЕМОНТ РЕССОРНОГО И ЛЮЛЕЧНОГО ПОДВЕШИВАНИЯ ЭЛЕКТРОВОЗОВ
1 Краткая характеристика рессорного и люлечного подвешивания
1.1 Назначение и типы рессорного подвешивания
Основное назначение подвешивания заключается в смягчении ударов, появляющихся при прохождении неровностей пути, распределении и выравнивании нагрузок между колесными парами и колесами. Для смягчения (амортизации) ударов в подвешивании имеются упругие элементы — рессоры и пружины.
Рессорой называется упругая деталь, собранная из отдельных полос или листов. Рессору изготовляют из катаной желобчатой или гладкой рессорной стали марки 55С2 или 60С2. Листы имеют различную длину; верхние листы равной длины называют коренными, а остальные — наборными. После нарезки и механической обработки листам придают кривизну, а затем их подвергают термической обработке (закалке с отпуском). Перед сборкой рессоры на листы наносят графитовую смазку, производят сборку и надевают нагретый хомут, который затем обжимают па прессе.
Упругие свойства рессоры характеризуются жесткостью (или гибкостью), а деформация под нагрузкой — прогибом. В зависимости от прогиба под расчетной нагрузкой рессоры делят на группы; на тележку устанавливают рессоры одной группы.
Графитовая смазка уменьшает коэффициент трения между листами и предохраняет листы от коррозии. Однако в эксплуатации смазка высыхает и наблюдается коррозия листов. Это приводит к изменению упругих свойств рессоры и характеристик подвешивания тележки. Трение между листами способствует гашению колебаний, поэтому рессора (в отличие от пружин) характеризуется демпфирующими свойствами.
Пружина - это упругая деталь, изготовленная путем навивки. Пружины изготовляют из прутков круглого сечения; материал — сталь 55С2 или 60С2. В отличие от рессор пружина не имеет внутреннего трения и не обладает демпфирующими свойствами. Однако пружина характеризуется большой гибкостью и поэтому хорошо амортизирует небольшие удары. Пружины обычно применяют совместно с рессорами.
Различают независимое (индивидуальное) и сопряженное (сбалансированное) подвешивание. Если нагрузка передается на каждую буксу через упругие элементы, не связанные с упругими элементами соседних колесных пар, то такое подвешивание называют независимым (ВЛ10, ВЛ11). При независимом подвешивании на нагрузку от колес на рельсы влияет правильность развески, состояние элементов подвешивания, колебания подрессоренных масс и др. Неравенство статических нагрузок приводит к ухудшению использовании сцепного веса, уменьшению наибольшей развиваемой силы тяги. Поэтому в эксплуатации необходима проверка правильности развески электровоза.
При сопряженном подвешивании упругие элементы двух или трех колесных пар соединяют между собой балансирами, что способствует выравниванию нагрузок колесных пар. Эффект выравнивания тем больше, чем меньше масса балансиров и меньше трение в шарнирах системы подвешивания.
Группа упругих элементов, соединенных между собой, создает условную точку подвешивания. Так, упругие элементы, находящиеся в одном буксовом узле при независимом подвешивании, создают одну точку подвешивания. Одну точку подвешивания дают упругие элементы двух или трех буксовых узлов, если эти элементы связаны балансирами.
1.2 Устройство рессорного подвешивания электровоза ВЛ-10
Подвешивание независимое, четырехточечное: в каждом буксовом узле имеются рессора и две пружины (см.рис.1), образующие условную точку подвешивания.
Рисунок 1 – Рессорное подвешивание электровоза ВЛ-10
Рессорное подвешивание состоит из пружины 1 и листовой рессоры 4, шарнирно подвешенной к нижней части буксы. Пружина одним концом через опору 6 опирается на конец рессоры, а другим через гайку 7 — на стойку 5, шарнирно подвешенную на кронштейне рамы тележки. Листовая рессора набрана из десяти листов пружинной стали марки 60С2, соединенных хомутом 2, имеющим отверстие под валик 3 для подвешивания к буксе. При прохождении электровозом по неровностям пути удар от колеса на подрессоренное строение передается через буксу, листовую рессору и пружину.
Нагрузка на рессору 11 (рис. 2) от кронштейна 1 рамы тележки передается через валик 4, стойку 5, гайку 6, шайбу 7, пружину 8, опору 9 и подкладку 10
Рисунок 2 – Передача нагрузки от рамы тележки на рессору
Втулки 2 и 3 после запрессовки завальцовывают с обеих сторон. Перед сборкой валик и опорные поверхности гайки и шайбы смазывают универсальной смазкой УС-2. Отклонение рессоры от горизонтального положения не должно превышать 20 мм, а перекос стойки относительно вертикали не более 15 мм по всей ее длине. Размер а после окончательной развески должен быть не менее 15 мм.
При монтаже рессорного подвешивания необходимо соблюдать следующие требования: устанавливать рессоры следует клеймом наружу, отклонение рессоры от горизонтального положения после окончательной регулировки под электровозом не должно превышать 20 мм; разница в прогибах рессор на одной тележке под испытательной нагрузкой не должна превышать 2 мм; перекос стоек относительно вертикали допускается не более 15 мм на всей длине стойки; комплектовать тележку пружинами с разницей в прогибах под статической нагрузкой более 1мм не допускается. Все шарнирные соединения и трущиеся поверхности необходимо покрывать универсальной смазкой УС-2 ГОСТ 1033-79.
1.3 Техническая характеристика рессорного подвешивания
Жесткость листовой рессоры ...........................................................127 кгс/мм
Жесткость одной пружины ......................................................................280 кгс/мм
Эквивалентная жесткость на одно колесо (без жесткости
поводков) ...............................................................................................103,5 кгс/мм
Статический прогиб рессоры ............................................................65±5 мм
Статическая нагрузка на рессору ............................................................8500 кгс
Статический прогиб пружины ...................................................................17 мм
Статическая нагрузка на пружину ............................................................4740 кгс
При (? = 0,2-0,4 относительный коэффициент трения рессоры .................. 4,73—9,46%
1.4 Назначение и устройство люлечного подвешивания
На электровозах ВЛ10 выпуска ТЭВЗ с № 1707 и НЭВЗ с № 1297, а также на электровозах ВЛ10У передача вертикальной нагрузки от кузова на тележку осуществляется люлечным подвешиванием. Люлечное подвешивание (рис. 3) уменьшает горизонтальные ускорения на кузове и боковое давление электровоза на путь и служит для передачи вертикальной нагрузки от кузова на раму тележки и поперечных усилии между кузовом и рамой.
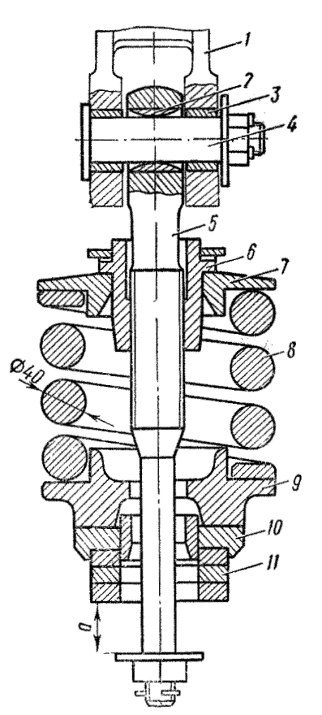
Конструкция. Основной деталью люлечного подвешивания является стержень 8, к нижней части которого приложена вертикальная нагрузка от кузова.
Рисунок 3 – Люлечное подвешивание кузова
Кузов своими кронштейнами 7 через балансир 6 устанавливается на нижний шарнир люлечного подвешивания, состоящий из опор 5, 3 и прокладки 4. Нижний шарнир удерживается на стержне гайкой 2, которая стопорится шплинтом 1. Люлечное подвешивание имеет страховочный трос 17, который предотвращает падение деталей нижнего шарнира при обрыве стержня.
Вертикальная нагрузка через съемную шайбу 16 стержня, пружину 15, фланец стакана 13 , и верхний шарнир, состоящий из двух опор 10, 12 и прокладки 11, передается на раму тележки (кронштейн 9). Для равенства нагрузок от массы кузова пружины 15 тарируют под нагрузкой 7000 кгс, при
этом высота пружины должна быть 310±1 мм; при меньшей высоте пружины размер В регулируют прокладками 14.
Фрагмент работы с оформлением в формате PDF можно посмотреть ЗДЕСЬ
В комплект входит чертеж рессорного подвешивания на формате А1 в программе "Компас" (формат CDW)








