Силовые схемы электровозов ЧС4 и ЧС4Т отличаются в основном наличием дополнительных цепей, предназначенных для реостатного тормоза. В тяговом режиме процессы управления силовым оборудованием на обоих типах электровозов практически одинаковы. Поэтому целесообразно подробно рассмотреть силовую схему на примере электровоза ЧС4, а описание схемы электровоза ЧС4Т дать лишь в режиме реостатного торможения.
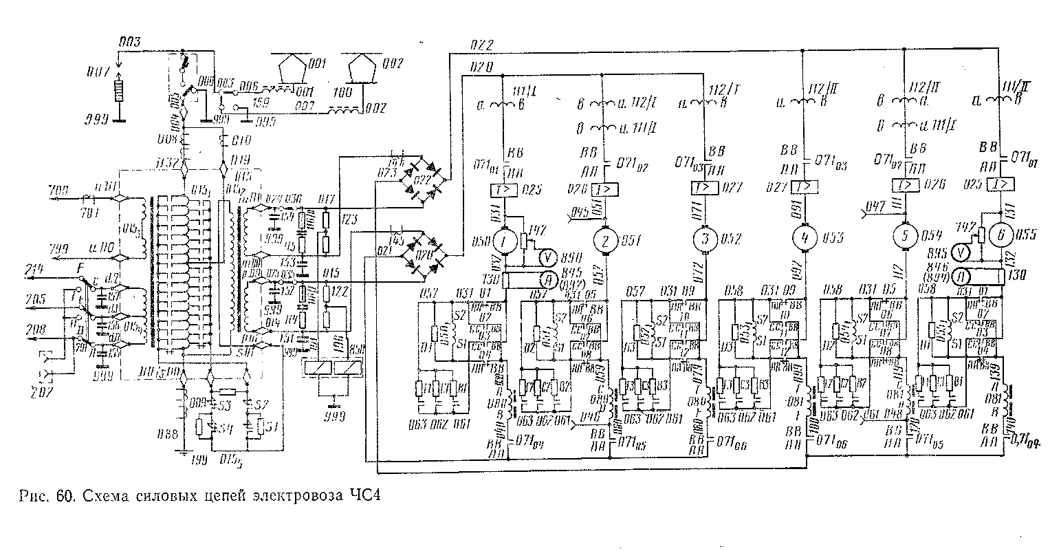
Питание от контактной сети электровоз получает через токоприемник 001 или 002 (рис. 60 и 61). От токоприемников через помехоподав-ляющие дроссели 159 (160) [008 (009)], заземляющий разъединитель 003 и главный выключатель (ТВ) 006, расположенные на крыше электровоза, напряжение подается на обмотку 015х тягового трансформатора. На крыше находится высоковольтный разрядник 007. С помощью разъединителя 003 можно отключить от силовых цепей и заземлить токоприемники 001 и 002. Главный выключатель защищает оборудование электровоза и в выключенном положении заземляет обмотку тягового трансформатора 015г со стороны высоковольтного ввода.
Ввод высокого напряжения в кузов электровоза осуществляется через проходной изолятор 004. Внутри кузова высокое напряжение подводится к выводу D32 [D 25112] первичной рагулируемой обмотки


тягового трансформатора.1 Другой вывод DOIsDO [DO] соединен с рельсами через заземляющие устройства 088, установленные на четырех колесных парах. Эти устройства создают цепь для отвода тока через колесные пары к рельсам, минуя буксовые подшипники, что предохраняет последние от электрокоррозии.
На высоковольтном и земляном выводах расположены двухобмо-точные измерительные трансформаторы тока 008, 009 101517, 015и], ко вторичным обмоткам которых подключены токовая обмотка счетчика электрической энергии и катушки реле в блоке защит 850 (подробнее о работе измерительных и защитных цепей см. § 26).
На первичной регулируемой обмотке 015г тягового трансформатора имеется 33 вывода для регулирования напряжения тяговых двигателей. Первичная нерегулируемая обмотка тягового трансформатора в соответствии с командой, данной контроллером машиниста, подключается па один из выводов регулируемой обмотки переключателем ступеней (ПС) 015ъ, состоящим из двух основных частей: заполненного маслом избирателя ступеней и блока из четырех контакторов с дугогашением. Они имеют привод от пневматического двигателя, с которым также связаны блок-контакты ПС 015ч и 015 ц, включенные в низковольтные цепи.
Избиратель ступеней осуществляет бестоковое переключение посредством двух лап с коническими роликовыми контактами, которые перемещаются поочередно по медным пластинам, каждая из которых соединена с соответствующим выводом первичной регулируемой обмотки. Эти пластины расположены по двум концентрическим окружностям. Переключение под током производят четыре контактора S1 — S4, установленные над масляной ванной ПС. На нулевой позиции ПС (рис. 62, а) лапы избирателя ступеней находятся в исходном положении — замкнуты контакты / и 2. В замкнутом положении находятся и силовые контакты контакторов S1 и S2. Так как на выводе 1 регулируемой обмотки напряжение равно нулю, то и на первичной нерегулируемой обмотке тягового трансформатора напряжения не будет. Набор 1-й позиции осуществляется следующим образом. Пневматический двигатель, связанный с контроллером машиниста, приводит во вращение ПС. В первой фазе (рис. 62, б) происходит размыкание контактора S1 и замыкание контактора S3. При этом вывод 2 оказывается соединенным с первичной обмоткой через резисторы R1 и R2, которые ограничивают величину тока, циркулирующего в цепи между соседними выводами регулировочной обмотки. *
Во второй фазе (рис. 62, в) под'током разомкнётся контактор S2 и замкнется контактор S4. В этом случае первичная обмотка окажется под напряжением вывода 2. Третья фаза (рис. 62, г) является заключительной и осуществляет подготовку следующей позиции ПС (в данном случае 2-й) — нечетная лапа с вывода / переходит на вывод 3.
1 В специальном случае, когда напряжение контактной сети снизится до 12 кВ, высоковольтный ввод необходимо пересоединить с вывода Б32 на вывод Ш9 — на электровозах с ЧС4-062, а на электровозах ЧС4Т переключить рубильник.

Рис. 62. Схема переключения ступеней тягового трансформатора на 1-й и 2-й позициях контроллера машиниста
Этот процесс происходит без разрыва тока, так как контакторы 5/ и 52 уже разомкнуты.
Набор 2-й позиции происходит подобным образом (рис. 62*, д — ж). Переход на каждую нечетную позицию происходит аналогично набору 1-й позиции, на каждую четную — 2-й позиции. Напряжение посредством ПС регулируют от 0 (нулевая позиция) до 25 кВ (32-я позиция), чему на вторичных обмотках соответствует напряжение от О до 1040 В.
Вторичные обмотки тягового трансформатора (см. рис. 60, 61) заземляются через делитель напряжения 122 и 123. Заземление осуществляется в их средних точках, к которым подключены реле заземления. Отказ от жесткого заземления вторичных обмоток имеет то
преимущество, что замыкание на землю в этих цепях не вызывает аварии.
К выводам вторичных обмоток тягового трансформатора 0152 болтовыми отключателями 035, 036 подсоединены тяговые выпрямительные установки (ВУ) 020 и 022.
Для защиты тяговых ВУ от перенапряжений параллельно каждой вторичной обмотке тягового трансформатора включены цепочки КС с предохранителями 114 — 116. Кроме того, к каждому выводу вторичных обмоток подсоединены заземленные конденсаторы 151 — 154 [150 — 153\, предназначенные для снижения перенапряжений, проникающих в тяговые цепи через емкость между обмотками тягового трансформатора, а также для подавления радиопомех от коммутаций в схеме электровоза.
В цепи переменного тока выпрямительных установок имеются два трансформатора тока 145, 146 [015п, 015.,.2], служащие датчиками защиты электровоза от перегрузок в этих цепях. На электровозах до ЧС4-062 использовано четыре трансформатора тока 145 — 148.
От каждой из двух тяговых выпрямительных установок выпрямленное напряжение подается к группе из трех параллельно соединенных тяговых двигателей 050 — 052 и 053 — 055. Тяговые двигатели подключены к выпрямительным установкам переключателями 071, ножевые контакты которых расположены как со стороны плюса (07101, 07102, 071 оз),, так и со стороны минуса (071^, 071т, 071ое).
В цепи каждой пары тяговых двигателей (050 — 051, 052 —■ 053, 054 — 055) включены магнитные усилители 111, 112, служащие датчиками для дифференциальных реле, которые осуществляют защиту от боксования. Магнитные усилители включены между выпрямительными установками и якорями "тяговых двигателей — на электровозах ЧС4, и между якорями тяговых двигателей и их обмотками возбуждения — на электровозах ЧС4Г. Последовательно с каждой парой тяговых двигателей включены реле перегрузки 025 — 027, воздействующие на главный выключатель. На электровозах ЧС4Т также последовательно с каждым тяговым двигателем включены линейные контакторы [028 — 030] реостатного тормоза.
В цепи выпрямленного тока также находятся общие для трех тяговых двигателей реверсоры 031 с пневматическим приводом. Обмотки возбуждения 050г — 055г реверсируются ножевыми контактами 01 — 04, 05 — 08, 09 — 012.
Параллельно обмотке возбуждения каждого тягового двигателя постоянно включены активные резисторы О/ — БЗ групп 057, 058, благодаря чему создается обходная цепь для высших гармонических составляющих тока, которые, таким образом, не попадают в обмотку возбуждения. Обусловленное этим ослабление поля (ОП) составляет 95,5%.
Шунтировка поля тяговых двигателей обеспечивается с помощью контакторов 061 — 063. Имеется пять ступеней ослабления поля: р\ = 72%, р% = 60%, р3 = 51%, р4 = 44%, % = 40%.
На 1-й ступени ослабления поля замкнуты контакторы 061 и включены резисторы В1 —■ ВЗ групп 057, 058; на 2-й ступени -—контакторы
062 и резисторы С1 — СЗ групп 057, 058; на 3-й ступени — контакторы 063 и резисторы El — ЕЗ групп 057, 058; на 4-й ступени — контакторы 061, 063 и резисторы В1 — ВЗ, Е1 — ЕЗ групп 057, 058 и, наконец, на 5-й ступени замкнуты контакторы 062 , 063 и включены резисторы С1 — СЗ, Е1 — ЕЗ групп 057, 058.
Для сглаживания пульсаций выпрямленного тока, вызывающих ухудшение коммутации тяговых двигателей, последовательно с каждым тяговым двигателем включены обмотки АВ, CD и EF трехобмо-точных сглаживающих реакторов. На электровозе установлены два таких сглаживающих реактора —■ 080 и 081.
В цепи первого и шестого тяговых двигателей включены измерительные шунты 130 [130, 131] и добавочные резисторы для вольтметров.
Ввод и передвижение электровоза в депо могут производиться подключением внешнего источника постоянного тока к розеткам специально предназначенных для этих целей устройств 045 — 048 [045 — 047], которые попарно соединены со вторым и шестым тяговыми двигателями.
Рассмотрим путь прохождения тока по силовой цепи электровоза ЧС4 (см. рис. 60) на примере первого тягового двигателя. После перехода переключателя ступеней на первую (или последующую) позицию на первичной нерегулируемой обмотке тягового трансформатора появится напряжение, равное разности потенциалов соответствующего вывода и земли. По цепям тяговых двигателей потечет ток, и начнется пуск электровоза.
Допустим, что в рассматриваемый полупериод ток проходит во вторичной обмотке от вывода pDO к выводу pDl. Тогда ток пойдет далее по следующей цепи: вывод pDl вторичной обмотки, первичная обмотка трансформатора тока 145, плечо моста выпрямительной установки 020, рабочая обмотка магнитного усилителя дифференциального реле контакты 071п отключателя тяговых двигателей, катушка реле перегрузки 025, якорь тягового двигателя 050, шунт амперметра 130, контакты реверсора 031 (01 или 03 — в зависимости от выбранного направления движения электровоза), обмотка возбуждения 050г (и параллельно ей включенный резистор 057), контакты реверсора 031 (04 или 02), обмотка АВ сглаживающего реактора 080, контакты 071 oi отключателя тяговых двигателей, плечо моста выпрямительной установки 020, контакты болтового отключателя 035, вывод pDO вторичной обмотки.
В следующий полупериод, когда э. д. с. во вторичной обмотке изменит направление, ток будет проходить от вывода pDO через контакты болтового отключателя 035 и плечо моста выпрямительной установки 020, а затем так же, как и в первый полупериод. Цепи остальных тяговых двигателей и прохождение по ним тока не отличаются от рассмотренного примера.
На электровозах предусмотрены аварийные режимы, под которыми подразумевается движение электровоза в обе стороны на всех 32 позициях контроллера машиниста, включая ступени ослабления поля. Может быть отключено до пяти тяговых двигателей; при этом
двигатели отключаются с обеих сторон ручным переводом переключателей 071 в выключенное положение.
В случае повреждения в выпрямительных установках можно отключить один выпрямительный мост отключателем 035 или 036.
Помимо пневматического и электропневматического тормозов, десять электровозов первой серии ЧС4-002 — 011 были оборудованы реостатным тормозом. В режиме реостатного торможения тяговые двигатели работают как генераторы с независимым возбуждением. Энергия движения поезда в генераторах превращается в электрическую, а электрическая энергия в тормозных резисторах переходит в тепловую. Упрощенная схема цепей реостатного тормоза электровозов ЧС4-002 — 011 представлена на рис. 63.
В тормозном режиме тяговые двигатели включаются попарно последовательно в три отдельных контура. Нагрузкой в каждом из них служат тормозные резисторы 090, 092. Независимое возбуждение осуществляется последовательным включением обмоток возбуждения всех шести тяговых двигателей, питаемых от тяговой выпрямительной установки 020. Таким образом, главные полюсы всех тяговых двигателей возбуждаются одним током; его величина и, следовательно; мощность всего электрического тормоза регулируются 16-ю ступенями ПС. Резисторы 105, 107 играют роль стабилизирующих.
Управление реостатным тормозом осуществляют с помощью контроллера машиниста. Цепь собирается переключателями 071, которые на электровозах ЧС4-002 — 011 имеют два рабочих положения: «Ход» и «Тормоз». Защита силовых цепей реостатного тормоза осуществляется специальными реле перегрузки, которые воздействуют на отключение главного выключателя.
При реостатном торможении в цепи тягового двигателя 053 контактами переключателя 071 включается заземление, чем исключается возможность повышения напряжения в тормозных цепях больше допустимой величины, опасной для изоляции.
Описанная система реостатного тормоза имеет ряд серьезных недостатков. Основные из них следующие:
1. Последовательное соединение якорей двух тяговых двигателей на общий резистор может привести при срыве сцепления к скольжению колесной пары с вращением в сторону, обратную поступательному движению электровоза или задержке ее в невращающемся положении.
2. Использование тяговой выпрямительной установки для питания обмоток возбуждения якорей тяговых двигателей вызывает значитель-

Рис. 63. Упрощенная схема реостатного тормоза на электровозах ЧС4-002—011
Ное увеличение времени щодготоки электрического тормоза (по 20 с), так как оно включает в себя время возвращения ПС на нулевую позицию с позиции, на которой он находился в момент включения тормоза машинистом, и затем после сбора^ тормозной схемы—время набора требуемой тормозной позиции.
3. Отсутствие системы автоматического регулирования процесса торможения и взаимодействия реостатного тормоза с пневматическим и электропневматическим тормозами состава.
4. Недостаточная мощность тормозных резисторов, составляющая 3000 кВт, т. е. около 60% мощности тягового режима.
Указанные недостатки практически исключили возможность использования реостатного тормоза в эксплуатации. Поэтому электровозы ЧС4 начиная с № 012 выпускались без реостатного тормоза.
К моменту выпуска электровозов ЧС4Т была разработана новая система реостатного тормоза, которая существенно отличается от описанной выше. В тормозном режиме якорь каждого тягового двигателя электровоза ЧС4Т включается на отдельный резистор [090, 091] (см. рис. 61). Обмотки возбуждения всех тяговых двигателей соединяются последовательно и через контактор [037] питаются от независимого источника—управляемой выпрямительной установки [021], напряжение на которую приходит от обмотки собственных нужд 015л тягового трансформатора ( от секции Е — Р с номинальным напряжением 133 В). Переключения в силовой схеме электровоза осуществляются переключателем 071, имеющим два рабочих положения X и Т («Ход» и «Тормоз»). Защиту якорных цепей тяговых двигателей обеспечивают дополнительные реле перегрузки [065 — 067].
Охлаждение тормозных резисторов осуществляют вентиляторы [059, 060], электродвигатели которых подключены к части этих резисторов. Диоды [092, 093] предназначены для того, чтобы питание электродвигателей вентиляторов производилось напряжением, пропорциональным наибольшему току в цепи якорей тяговых двигателей второй тележки .электровоза. Такое решение позволило достигнуть номинальной производительности вентиляторов независимо от снижения величины тока в какой-либо цепи якорей тяговых двигателей в процессе юза.
|
|