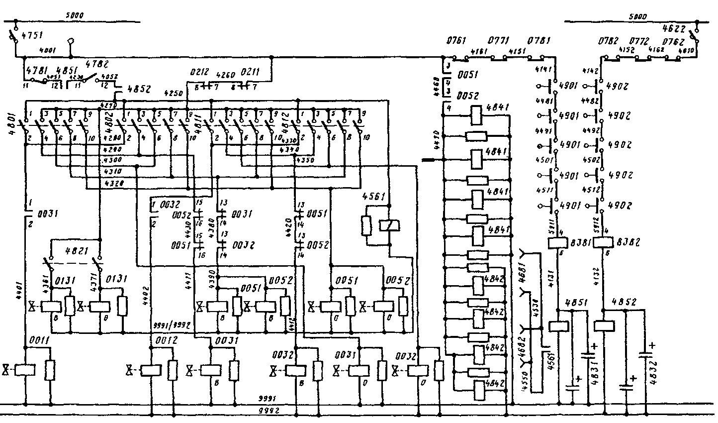
Управление разъединителями, заземлителями и токоприемниками осуществляется с помощью выключателей 46*0 и 481, которые имеют следующие положения: 1— "Выключено"; 2 — "Подъем токоприемника"; 3 — "Включение разъединителя"; 4 — "Заземление".
Включение разъединителей происходит при постановке выключателя 480 или 481 в 3-е положение. При этом образуется цепь (рис. 12): провод 5000, АЗВ 4751, провод 4001, обратные (размыкающие) блок-контакты 7 — 8 БВ 0211, провод 4260, блок-контакты 7 — 8 БВ 0212, контакты 9— 10 выключателей 480, 481, провод 4320, катушки отключающих вентилей заземлителей 0051 и 0052. При подаче напряжения на катушки 005 заземлители устанавливаются в разомкнутое положение, размыкая свои прямые (заземляющие) блок-контакты 3 — 4 в цепи электромагнитных защелок 484 ВВК, а своими обратными блок-контактами 15 — 16 (13 — 14) замыкают цепь катушки включающего вентиля разъединителя 003.
Цепь включения разъединителя 1-й секции: провод 4270, контакты 3 — 4 выключателя 480, провод 4290, обратные блок-контакты 15— 16 заземлителей 0051 и 0052, провод 4411, катушка включающего вентиля разъединителя 0031, провод 9991. После включения разъединителя 0031 размыкаются его обратные блок-контакты 13 — 14 в цепи катушек включающих вентилей заземлителя 005 и замыкаются прямые блок-контакты / —2 в цепи катушки вентиля токоприемника ООН.
Цепь включения разъединителя 2-й секции: провод 4270, контакты 3 — 4 выключателя 481. провод 4340, обратные блок-контакты 13— 14 заземлителей 0051 и 0052, провод 4412. катушка включающего вентиля разъединителя 0032. Разъединитель устанавливается в замкнутое положение, и замыкаются его блок-контакты / —2 в цепи катушки вентиля токоприемника 0012.
В кузове машинного отделения при этом загораются красные сигнальные лампы, которые получают питание по цепи (рис. 13): провод 5000, АЗВ 476, провод 650, блок-контакты 3-4 разъединителя 003, провод 6510, добавочный резистор 860, сигнальная лампа 489, провод 999.
Рис 12. Цепи управления разъединителями, заземлителями и токоприемниками на
электровозах с № 76


Рис. 13. Цепи питания сигнальных ламп заземлителей, разъединителей и сигнализаторов включения БВ на электровозах до № 211
Межсекционный разъединитель 0131 отключается выключателем 4821, который находится на релейном шкафу 1-й секции. Цепь отключения разъединителя (см. рис. 12): провод 4270, выключатель 4821, провод 4371, катушка отключающего вентиля 0131. Отключившись, разъединитель 0131 размыкает цепь, связывающую крышсвое оборудование секций между собой.
Подъем токоприемников производится после включения разъединителей и постановки выключателей 480 или 481 во 2-е положение. При этом образуется цепь: провод 4001, контакты // — 12 рукоятки клапана "Стоп" 4781, провод 4051, блок-контакты реле 4851, провод 4230, контакты // — 12 рукоятки клапана "Стоп" 4782, провод 4052, блок-контакты реле 4852, провод 4250, контакты / — 2 выключателя 480 или 481, прямые блок-контакты / — 2 разъединителя 003, провод 440, катушка вентиля токоприемника 001
Подъем токоприемника возможен только при замкнутых контактах реле 4851 и 4852. Катушка реле 4851 получает питание по цепи: провод 5000, АЗВ 4751, провод 4001, ножи разъединителей 0761, 0771, 0781, провод 4141, блок-контакты щитов и дверей ВВК и люка для выхода на крышу 4901, провод 5911, контакты 4 — 6, замкнутые при выключенном блоке диагностики 8381, провод 4131, катушка реле 4851 Питание катушки реле 4852 происходит по аналогичной цепи от защитного выключателя 4622.
На электровозах до № 76 в цепи включения реле 485 отсутствуют ножи разъединителей 076, 077, 078, контакты устройств диагностики, а задействованы блок-контакты дверей импульсного преобразователя (рис. 14);
Отключение реле 485 вызывает опускание токоприемников и отключение БВ 021.
Для включения заземлителей необходимо отключить БВ 021 и поставить выключатели 480 и 481 в 4-е (левое) положение "Заземление".
При этом разомкнутся их контакты / — 2, 3 — 4, 9 — 10, II — /2 и замкнутся контакты 5 — 6,7 — 8 (см. рис. 12). В результате потеряют питание провода 4280, 4330 и, следовательно, катушки вентилей токоприемников.
При замыкании контактов 5 — 6 выключателей 480, 481 от провода 4270 подается питание соответственно на провода 4300, 4350 и на катушки отключающих вентилей крышевых разъединителей 003.
При замыкании контактов 7 — 8 выключателей 480, 481 образуется цепь: провод 4270, контакты 7 — 8 выключателя 480 или 481, провод 4310, обратные блок-контакты 13—14 разъединителей 0031 и 0032, провод 4390, катушки включающих вентилей заземлителей 0051 и 0052.
Заземлители включаются и замыкают свои прямые блок-контакты 3—4. В результате образуется цепь: АЗВ 4751, провод 4001, блок-контакты 3—4 заземлителей 0051 и 0052, провод 4470, электромагнитные защелки 484 щитов и дверей ВВК. При этом получают питание зеленые сигнальные лампы в машинном отделении по цепи (см. рис. 13): провод 5000, АЗВ 4761, провод 650/, блок-контакты / — 2 заземлителей 0051, 0052, провод 6550, добавочный резистор 860, сигнальные лампы 488, провод 999. Одновременно от провода 6550 получает питание сигнальная лампа а7 на панелях сигнализации 827, 828 в кабине машиниста.
Для отключения одного из разъединителей соответствующий выключатель 480 надо поставить в 4-е (левое) положение. При этом подается питание на катушку выключающего вентиля данного разъединителя, и он устанавливается в разомкнутое положение.

Рис. 14. Цепи включения реле 485 на электровозах до № 76
|
|