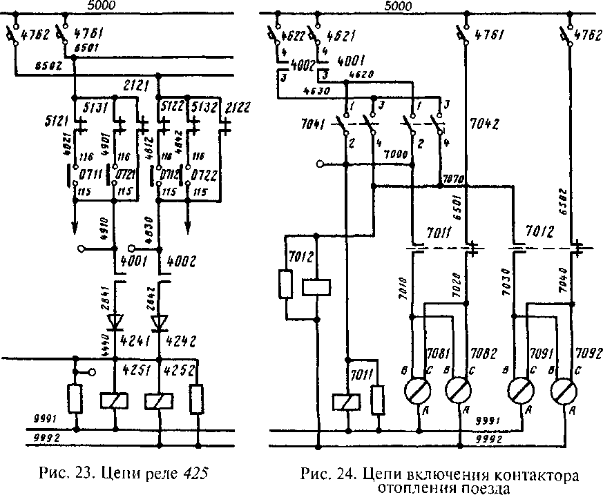
Для контроля за работой мотор-вентиляторов тяговых двигателей, генераторов тока управления и регуляторов напряжения служат реле 425, получающие питание по цепи (рис. 23): АЗВ 476, провод 650, далее три параллельных цепи:
1-я цепь: обратные блок-контакты индикаторного реле 5/2, замкнутые при неисправности ГУ или его регулятора напряжения, провод 402, блок-контакты 116 — 115 переключателя "X — Т" 071, замкнутые в положении "НЭ", провод 4910 (4830);

2-я цепь: обратные блок-контакты индикаторного реле 513, провод 4901 (4842), блок-контакты 116— 115 переключателя "X — Т" 072, проюц4910(4830);
3-я цепь: обратные блок-контакты контактора 2/2. провод 4910 (4830).
Далее снова общая цепь: блок-контакты контактора 400, провод 284, диод 424, провод 4440, катушка реле 425, провод 999.
От провода 4910 (4830) получает также питание сигнальная (красная) лампа аЗ на панелях сигнализации 827, 828.
Включившись, реле 425 замыкает своими прямыми блок-контактами цепь питания катушки реле "Сброс" 321.
Кроме рассмотренной цепи, реле 425 получает питание по другим цепям, в которые не входят диоды 424.
1- я цепь (см. рис.29 на вкладке): провод 360, блок-контакты 55 — 56 ПБК 330, замкнутые на позициях 41 — 56, провод 7440, прямые блок-контакты контактора 031 (включенного с 20-й по 39-ю позицию), провод 748, блок-контакты 39—-40 переключателя "X—Т" 072, замкнутые в положении "Ход", провод 4440 (см. рис. 23), катушка реле 425;
2- я цепь (ем. рис. 29 на вкладке): АЗВ 300, контакты 5 — 6 ВУ 301, провод ЗОЮ (см. рис. 33 на вкладке), обратные блок-контакты реле
3711, провод 7961, диод 4651, провод 4440. катушки реле 42.5. Катушка реле 3711 получает питание по цени: АЗВ 3401. провод 6641. контакты реле давления 3541, замкнутые при давлении в ТМ свыше 0,35 МП а, провод 7671, катушка реле 3711 (на рис. 33 не показана), провод 999Г,
3- я цепь (см. рис. 33 на вкладке): АЗВ 3401, провод 6641, прямые блок-контакты реле 3731, провод 7951, обратные блок-контакты реле 4571, провод 6651, диод 3501, провод 4440, катушка реле 425;
4- я цепь: АЗВ 3401, прямые блок-контакты реле 3491, диод 3501, провод 4440, катушка реле 425.
|
|