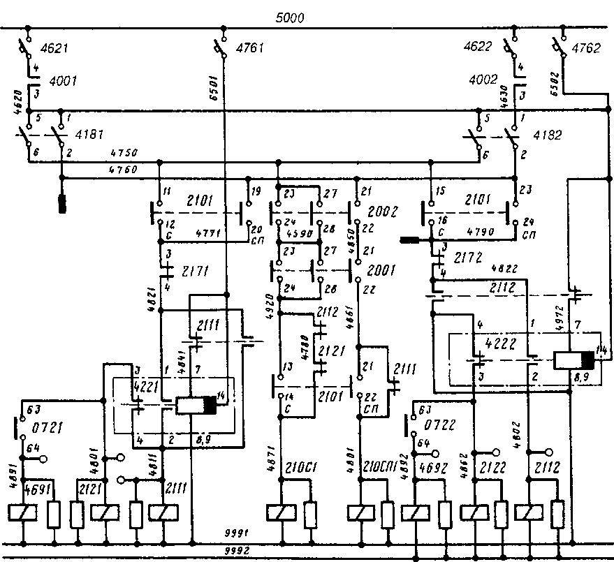
Выключатель мотор-вентиляторов 418 на пульте управления имеет 3 положения: 1 — "Выключено"; 2 — "Низкая частота вращения (малая скорость) (МС)"; 3 — "Высокая частота вращения (ВС)".
При постановке выключателя 4181 в положение "МС" образуется цепь питания катушки вентилятора С переключателя двигателей вентиляторов 2101 (рис. 22): провод 5000. АЗВ 4621, контакты 4 —3 контактора 4001, провод 4620, контакты 5 — 6 выключателя 4181, провод 4750, контакты 23 — 24 аварийных отключателей 2002 и 2001, замкнутые при положении "НЭ", или контакты 27 — 28, замкнутые при положениях "АВ 1" или "АВ 2" отключателей 2001, 2002, провод 4920, обратные блок-контакты контактора 2112, провод 4780, обратные блок-контакты контактора 2/2/, провод 4871, катушка вентиля С переключателя двигателей вентиляторов 2101, провод 9991 После перевода переключателя 2101 в положение "С" замыкаются его блок-контакты 13—14 между проводами 4920 и 4871, и катушка вентиля С переключателя 2101 становится на самопитание.'
При постановке переключателя 4181 в положение "ВС" создается цепь питания катушки электропневматического вентиля СП переключателя 2101: провод 5000, АЗВ 4621, контакты 4 — 3 контактора 4001, провод 4620, контакты / — 2 выключателя 4181, замкнутые в положении "ВС", провод 4760, контакты 21 — 22 отключателей 2002 и 2001, замкнутые при положении "НЭ", провод 4861, обратные блок-контакты контактора 2111, провод 4881, катушка вентиля СП переключателя 2/01, провод 9991. После перевода переключателя 2101 в положение "СП" замыкаются его блок-контакты 21 — 22 между проводами 4861 и 4881, и катушка вентиля СП становится на самопитание.
При переводе переключателя 2101 в положение "С" или "СП"

Рис. 22. Цепи включения контакторов мотор-вентиляторов
замыкаются его блок-контакты соответственно // — 12, 15 — 16 или 19 — 20,23 — 24, образуя цепи включения контакторов мотор-вентиляторов 1-й и 2-й секций.
Цепь 1-й секции при низкой частоте вращения МВ: провод 4620, контакты 5— 6 выключателя 418, замкнутые во 2-м положении (низкая частота вращения), провод 4750, контакты // — 12 переключателя 2101, замкнутые при положении "С", провод 4771, контакты 3 —-4 теплового реле 2171, провод 4821, прямые блок-контакты / —2 реле времени 4221, провод 4811, катушка контактора 2///, провод 9991.
Катушка реле времени 4221 получает питание от аккумуляторной батареи через АЗВ 4761, провод 6501, обратные блок-контакты контактора 2111, провод 4841. После включения контактора 2111 его обратные блок-контакты в цепи реле времени 4221 размыкаются, и катушка реле времени обесточивается. Одновременно замыкаются прямые блок-контакты контактора 2111, и его катушка становится на самопитание по цени: провод 4821, прямые блок-контакты контактора 2111, провод 4811, катушка контактора 2111, провод 9991.
Через 3 с после снятия питания е катушки реле времени 4221 размыкаются его прямые блок-контакты / —2 и замыкаются обратные блок-контакты 4 — 3. обеспечивая подачу напряжения на катушку контактора 2121 по цени: провод 4821, прямые блок-контакты контактора 2111, обратные блок-контакты 4 — 3 реле времени 4221, провод 4801, катушка контактора 2121, провод 9991.
От контактов 4 — 3 реле 4221 через блок-контакты 63 — 64 переключателя "X—Т" 0721, замкнутые при положении "Тормоз", получает питание катушка электропневматического вентиля 4691. Включение вентиля 4691 приводит к открытию заслонки, в результате чего воздух от мотор-вентиляторов ТД поступает по каналу в шкаф для охлаждения тиристоров импульсного преобразователя 1001.
Цепь включения МВ 1-й секции на высокую частоту вращения (переключатель 2101 в положении "СП"): провод 4620, контакты / — 2 выключателя 4181, замкнутые в положении "ВС" (или провод 4630, контакты / — 2 выключателя 4182), провод 4760, контакты 19 — 20 переключателя 2101, замкнутые при положении "СП", провод 4771, далее такая же цепь, как при низкой частоте вращения.
Цепь 2-й секции: провод 4620, контакты 5 — 6 выключателя 4181, замкнутые в положении "МС", провод 4750, контакты 15 — 16 переключателя 2101, замкнутые при положении "С", или (при высокой частоте вращения) провод 4620, контакты / — 2 выключателя 4181, замкнутые в положении "ВС", провод 4760 (либо провод 4630, контакты / —2 выключателя 4182), контакты 23 — 24 переключателя 2101, замкнутые при положении "СП", провод 4790, контакты теплового реле 2/72 и далее аналогично рассмотренной выше цепи 1-й секции.
После включения контакторов 211 и 2/2 размыкаются их обратные блок-контакты в цепи'катушки вентиля С переключателя 2101 между проводами 4920 и 4871 и в цепи катушки вентиля СП между проводами 4861 и 4881, что исключает возможность перевода переключателя 2101 из положения "С" в положение "СП" и обратно при работающих мотор-вентиляторах.
|
|