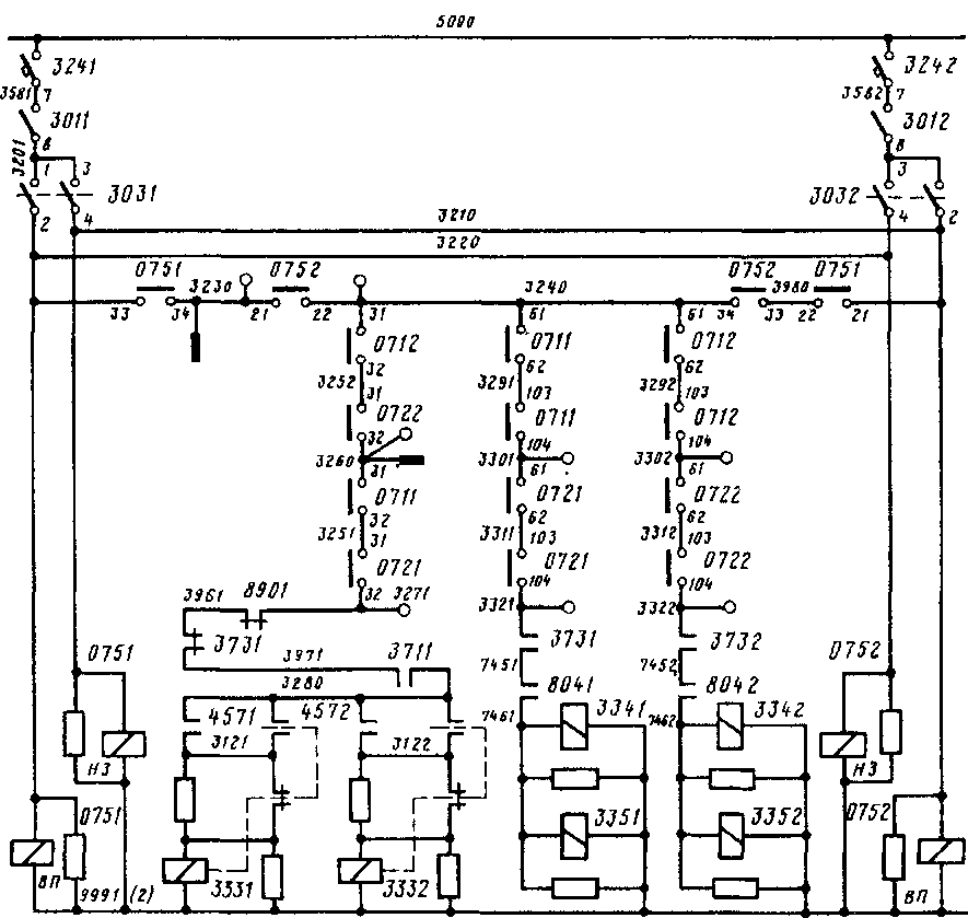
При постановке рукоятки реверсивного барабана 3031 контроллера машиниста в положение "Вперед" ("ХВП") образуется цепь (рис. 25): провод 5000, АЗВ 3241, провод 3581, контакты 7 — 8 ВУ 3011, провод 3201, контакты / — 2 реверсивного барабана 3031, замкнутые в положении "ХВП", провод 3220 катушки вентилей 0751 ВП и 0752 ИЗ, провод 999. Реверсоры занимают заданное положение, замыкая свои контакты в цепи обмоток возбуждения тяговых двигателей. При постанов-

Рис. 25. Цепи управления реверсорами и включения контактора 333 на электровозах до №151
ке рукоятки реверсивного барабана 3031 в положение "Назад" ("ХНЗ") получают питание катушки вентилей 0751 НЗ и 0752 ВП
На электровозах до № 41 вентили реверсоров получают питание от АЗВ 300 по проводу 300, далее аналогичная цепь.
Катушки контакторов "Ход" 333 получают питание после постановки реверсивной рукоятки в рабочее положение по следующей цепи: провод 3220, контакты 33 — 34 реверсора 0751, провод 3230, контакты 21 —22 реверсора 0752, контакты 32 — 31 переключателей "X — Т" 071 и 072, обратные блок-контакты реле 8901 АЛСН, провод 3961, обратные блок-контакты реле 3731, провод 3971, прямые блок-контакты реле 3711, провод 3280, прямые блок-контакты реле 457, провод 312, обратные блок-контакты контакторов 333, катушки контакторов 333, провод 999. Контакторы 333, включаясь, размыкают свои обратные блок-контакты, и к цепи питания катушек контакторов
подключаются ограничивающие резисторы. Одновременно замыкаются прямые блок-контакты контакторов 333, они становятся на еамонитание от провода 3280
После замыкания блок-контактов / — 2 контакторов 333 подается питание через ЛЗВ 324, по проводу 360 на сигнальную лампу 855 "Готовность" (см. рис. 29 на вкладке), сигнализирующую о наличии напряжения в проводе 360 линейных контакторов.
|
|