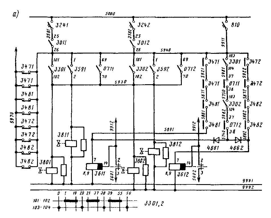
Цепи вентилей привода жалюзи. При включении выключателя жалюзи 359 или наборе 1-й позиции ПБК 330. или переводе переключателя 071 в положение "Тормоз" получают питание катушки вентилей жалюзи по цепи (рис. 26, я): АЗВ 324, провод 358, контакты 25 — 26 ВУ 301, провод 5940, контакты 101 — 102 ПБК 330, замкнутые на всех реостатных позициях, или контакты / — 2 выключателя жалюзи 359, поворачиваемого вручную, или контакты 69 — 70 переключателя "X — Т" 071, замкнутые в положении "Тормоз", провод 5930, катушки вентилей 3801, 3802, 3811, 3812 После открытия жалюзи концевые выключатели жалюзи 347, 348 размыкают свои параллельно включенные контакты в цени сигнальной лампы аб на панелях сигнализации 827, 828.
Цепь питания реле времени 361. Катушки реле времени 361 получают питание но цепи: АЗВ 8101, провод 9991, блок-контакты 103 — 104 ПБК 3301, замкнутые на нулевой и ходовых позициях, провод 5981, блок-контакты 37 — 38 переключателя "X — Т" 0711, замкнутые в положении "Ход", провод 5750, блок-контакты 103 — 104 ПБК 3302, провод 5982, блок-контакты 37 — 38 переключателя "X— Т" 0712, провод 5740, диоды 466 катушки реле времени 361, провод 999. При наборе позиций или следовании в режиме ЭДТ происходит разрыв данной цепи питания и реле 361 отключаются, если не открыты жалюзи. При открытии жалюзи замыкаются блок-контакты концевых выключателей привода жалюзи, и питание катушки реле времени происходит по цепи: провод 5940, блок-контакты концевых выключателей 347, провод 5871, блок-контакты концевых выключателей 348, провод 5891, зажим вывода 7 катушки реле 3611 По аналогичной цепи получает питание катушка реле 3612 Если в течение 6 с не замкнутся блок-контакты концевых выключателей какого-либо привода жалюзи, произойдет замыкание обратных блок-контактов 2 — 3 реле времени 361, и отключится БВ 021.
Питание на катушку реле времени 361 на электровозах до М» 76 подается через обратные блок-контакты промежуточного реле 456 (рис. 26, б). К выводу 14 реле 361 постоянно подводится напряжение по проводу 9912 и через АЗВ 8101

Рис 26. Цепи управления жалюзи на электровозах: о — с № 76; б — до № 76
При включении выключателя 359, наборе 1-й позиции ПБ 330 или замыкании контактов 69 — 70 переключателя "X — Т" 071 реле 456 включается и размыкает свои блок-контакты в цепи, подходящей к выводу 7 реле 361 Реле 361 имеет выдержку времени на отключение 6 с. Одновременно с катушкой реле 456 получают питание катушки электропневматических вентилей жалюзи 380. 381, что приводит к открытию жалюзи и замыканию блок-контактов их концевых выключателей. После этого питание катушки реле 361 происходит через блок-контакты концевых выключателей.
|
|