Условия работы электровозных полупроводниковых преобразовательных установок таковы, что в процессе эксплуатации могут возникать перегрузки, короткие замыкания (к.з.), коммутационные и атмосферные перенапряжения, а также увеличение напряжения при пробое отдельных последовательно соединенных вентилей. Для того чтобы выпрямительные установки работали надежно, необходимо защищать вентили от опасных для них режимов.
Ток, проходящий по вентилям в проводящем направлении, обусловливает основную часть потерь в вентилях. Вентиль рассчитан на номинальную мощность потерь, которой при определенных эксплуатационных услозиях соответствует номинальная температура р-п-пе-рехода. Из-за незначительной массы и небольшой теплоемкости кремниевого элемента вентили имеют очень малую термическую устойчивость. Увеличение допустимой мощности потерь, приводящее к превышению предельного значения температуры (для разных типов вентилей они различны), вызывает разрушение /?-?г-перехода. В связи с этим допустимое время протекания тока через вентили при коротком замыкании или перегрузке должно быть ограничено. При эксплуатации полупроводниковых преобразовательных установок их защита должна обеспечить, чтобы указанные на рис. 133 предельные значения не превышались.

Рис. 133. Характеристики перегрузочных способностей -неуправляемых вентилей 0200 (/), УК200 (3) и тиристоров Т250 (2), Т100 (4)
На электровозах ЧС4 и ЧС4Т ток перегрузки, приходящийся на один вентиль, существенно ограничен, с одной стороны, высоким реак-танцем тягового трансформатора, с другой стороны, большим количеством параллельных ветвей в плече моста выпрямительной установки, обусловленным групповым включением тяговых двигателей и их параметрами. Кроме того, в момент перегрузки или короткого замыкания (круговой огонь на коллекторе тягового двигателя) в цепи остается сглаживающий реактор (случаи полного к. з. на выводах тяговой выпрямительной установки крайне редки и при проектировании защиты не учитываются). Поэтому время, за которое температура /?-п-перехода вентилей УК200 и Б200 достигнет предельного значения, сравнительно велико, и для надежной защиты тяговых выпрямительных установок оказалось возможным использовать главный выключатель. С целью ускорения срабатывания главного выключателя при токовых перегрузках в цепях тяговых выпрямительных установок на электровозах до ЧС4-160 включительно используется дополнительный электропневматический вентиль, установленный на главном выключателе и имеющий электронную схему управления (рис. 134).
ГВ срабатывает, когда электропневматический вентиль сЫ теряет питание. Это происходит при открытии тиристора [/24, подключенного параллельно катушке вентиля сЫ; сигнал на управляющий электрод тиристора подается в момент, когда ток перегрузки выпрямительной установки достигнет значения 5800 А.
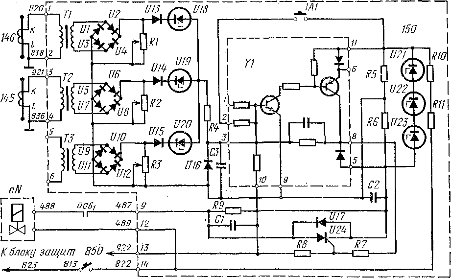
На шинах переменного тока тяговых выпрямительных установок размещены измерительные трансформаторы тока 145, 146, служащие

Рис. 134. Схема цепи управления электропневматическим вентилем главного выключателя при защите тяговых выпрямительных установок электровоза ЧС4 (блок 150)
датчиками перегрузки или короткого замыкания в выпрямительной установке. На электровозах до ЧС4-061 включительно установлены четыре трансформатора 145—148. Вторичные обмотки трансформаторов k — / подключены к входным зажимам 1-2 и 3-4 блока управления электропневматическим вентилем; зажимы 5-6 являются резервными. Ток, проходящий по вторичным обмоткам трансформаторов тока, понижается трансформаторами Tl, Т2 в блоке управления (блок 150). Затем напряжение подается на вход выпрямительных мостов Ul — U4 и U5 — U8. Выпрямленный ток проходит по регулируемым резисторам R1 и R2, с помощью которых задается уставка срабатывания. Напряжение с этих резисторов через разделительные диоды U13, U14, стабилитроны U18, U19, резистор R4 и защитный диод U16 подводится на входные зажимы 3 и 9 триггера Y1, который усиливает сигнал и через ограничительный резистор R7 подает его на управляющий электрод тиристора U24.
Питающее напряжение на триггер и анод-катод тиристора подается от аккумуляторной батареи через резисторы RIO, R11 и поддерживается постоянными стабилитронами U21, U22, JJ23.
При нормальном режиме работы тяговых выпрямительных установок измерительный ток, проходящий в блок управления электропневматическим вентилем, создает на регулируемых резисторах R1 и R2 падение напряжения, величина которого ниже порогового напряжения стабилитронов U18, U19. Поэтому триггер Y1 остается в «закрытом» состоянии и по включенному на его выходе управляющему электроду тиристора U24 ток практически не течет, и тиристор закрыт. При коротком же замыкании или токовой перегрузке в тяговой выпрямительной установке в блок управления электропневматическим вентилем придет достаточно мощный токовый импульс, который вызовет на регулируемых резисторах Rl, R2 падение напряжения, по величине большее порогового напряжения стабилитронов U18, U19. Поэтому в цепи управляющего электрода потечет ток, достаточный для открытия тиристора U24. Открывшись, тиристор JJ24 зашунтирует катушку электропневматического вентиля' cN. Вентиль потеряет питание, что вызовет отключение главного выключателя.
Проверить работоспособность блока управления электропневматическим вентилем можно кнопкой 1А1. При ее нажатии на вход триггера подается напряжение от аккумуляторной батареи, имитирующее аварийный сигнал; в этот момент ГВ должен отключиться.
Приборы, входящие в систему управления электропневматическим вентилем, собраны на текстолитовой плите, укрепленной в металлическом ящике размерами 512 X 297 мм. Передняя крышка ящика съемная и крепится четырьмя откидными винтами. В верхней части панели установлены трансформаторы тока (Tl — ТЗ). Под ними укреплены панели с резисторами, диодами, триггером и тиристором, кнопка для проверки работоспособности блока.
В нижней части текстолитовой плиты находится рейка с зажимами. Внутренний монтаж в блоке выполнен многожильными медными проводами сечением 0,75 и 1,5 мм2. Трансформаторы Т1— ТЗ, резисторы Rl— R3 и кнопка 1А1 заземлены.
Подключение блока к цепи электровоза выполнено с помощью штепсельного разъема. Ящик блока управления крепится четырьмя болтами М8 к задней стенке в первой кабине машиниста.
Блок 150 имеет следующие технические данные;
Номинальное питающее напряжение ... 48 В
Максимальное » » .... 66 »
Минимальное » » . . . . 33 »
Максимальный ток на входе...... 5,5 А
Ток на выходе:
длительный........... 5 »
в течение 1с.......... 16 »
Напряжение на выходе........ 1,5 В
Время срабатывания, не более..... 100 мс
Уставка цепи срабатывания...... 2,5—5,5 Л
Масса , ,............ 20 кг
Блок рассчитан на работу при колебаниях температуры окружающего воздуха от —■ 50 до + 50° С.
Перед пуском электровоза в эксплуатацию следует задать уставку срабатывания защиты. Это осуществляется следующим образом. На рейке с зажимами в блоке 150 отсоединяют провода, идущие от вторичных обмоток трансформаторов тока 145, 146. К первичной обмотке трансформатора тока 77 подключают посторонний источник тока. Для . измерения величины тока уставки применяют амперметр переменного тока с пределом измерения до 10 А, класса 0,5 с дополнительным резистором сопротивлением 2—4 Ом, мощностью 300—500 Вт.
На регулируемом резисторе К1 в блоке устанавливают минимальное значение сопротивления путем поворота движка против часовой стрелки до упора. Затем, постепенно повышая напряжение на автотрансформаторе, увеличивают ток в цепи первичной обмотки трансформатора 77 до 7,25 А. Это значение соответствует току 5800 А на шинах переменного тока тяговой выпрямительной установки — току уставки защиты. Медленным вращением по часовой стрелке движка резистора Я1 увеличивают величину его сопротивления до тех пор, пока не произойдет отключение главного выключателя. .Не трогая движка, автотрансформатором уменьшают ток и затем включают главный выключатель. После этого, плавно повышая величину тока, контролируют по амперметру, произойдет ли отключение ГВ притоке 7,25 А. Возможное отклонение устраняют регулировкой величины сопротивления резистора Точно также задают уставку для цепи трансформатора Т2.
Найденные положения движков резисторов /?/ и к2 фиксируют предохранительными рейками. После этого посторонний источник тока отсоединяют и к соответствующим зажимам подключают отсоединенные ранее провода от трансформаторов тока 145, 146. Такую наладку защиты производят лишь перед пуском электровоза в эксплуатацию и при заводском ремонте. В остальных случаях уход за блоком 150 сводится к проверке крепления проводов и очистке от пыли и загрязнения приборов внутри блока.
Перед пуском электровоза в эксплуатацию, а также на каждом малом и большом периодическом ремонтах необходимо проверить работо-
Таблица 2
|
Причина неисправности |
Способ устранения |
|
На зажимах 13, 14 отсутствует питающее напряжение (48 В постоянного тока) На стабилитронах 1121—1123 отсутствует напряжение (оно должно быть равно 28 В постоянного тока) Напряжения на резисторах Я5 и Я6 не равны между собой и отличаются больше чем на 15% Замеренные напряжения на указанных выше участках соответствует норме, но цепь не срабатывает |
Проверить контакты в штепсельном разъеме и всю питающую цепь Проверить целостность резисторов RIO, RH и стабилитронов U21, U23 и в случае неисправности заменить Резистор, на котором напряжение повышенное, заменить на новый Заменить триггер Y1 |
способность цепи управления электропневматическим вентилем ГВ с помощью кнопки 1А1. Проверку блока 150 с помощью кнопки 1А1 следует производить не более трех раз подряд. Если после нажатия кнопки не произойдет отключения ГВ, это значит, что в блоке 150 имеется неисправность. Наиболее характерные неисправности блока 150 приведены в табл. 2.
Может также происходить постоянное самопроизвольное срабатывание электропневматического вентиля при отсутствии перегрузки тяговой выпрямительной установки и без нажатия кнопки 1А1. В этом случае необходимо проверить триггер Y1 и тиристор U24. Перед вводом электровоза в эксплуатацию следует проверить работоспособность блока 150 при исчезновении питающего напряжения. Для этого на 10 с выключают автоматический защитный выключатель 813, через который к блоку 150 подводится питание от аккумуляторной батареи. В течение этого времени не должно происходить самопроизвольного отключения электропневматического вентиля. Такую проверку работоспособности блока произвести 5 раз.
На электровозах, начиная сЧС4-162, блок 150 не устанавливается, а повышение быстродействия защиты тяговых выпрямительных установок достигнуто за счет уменьшения времени срабатывания реле 852— исполнительного реле в блоке защит 850.
Защита от токовых перегрузок вентилей (диодов и тиристоров) во вспомогательных выпрямительных установках и в установке для возбуждения обмоток тяговых двигателей при реостатном торможении осуществляется быстродействующими предохранителями. Часть предохранителей имеет вспомогательные контакты, заведенные в цепь сигнализации повреждения вспомогательных выпрямительных установок. Плавкие вставки, используемые в быстродействующих предохранителях, имеют характеристики выключения, которые с определенным запасом лежат ниже кривых перегрузочной способности использованных вентилей. Тем самым обеспечивается уверенная защита как неуправляемых вентилей, так и тиристоров во всех возможных режимах перегрузки их по току.
|
|