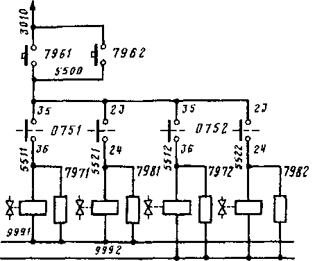
Катушки вентилей получают питание по цепи: АЗВ 3001, провод ЗОЮ (рис. 36), контакты кнопки 796/ догружения осей, провод 5500, контакты 35 —36 реверсора 0751, замкнутые в положении "Вперед", а также контакты 23—24 реверсора 0752, замкнутые в положении

Рис. 36. Цепи питания вентилей цилиндров догружающих устройств на электровозах с № 76
"Назад", провода 5511 и 5522, катушки вентилей 7971 и 7982, провод 999.
На электровозах до № 76 питание на контакты кнопки 796 поступает от A3 В 324 через провод 3600.
|
|