Переключатель стеклообогрева 718 имеет 4 положения: 1 —"Выключено"; 2 — "Последовательное соединение обеих секций элементов"; 3 — "Вклю-"Включены параллельно первая
чена половина секций элементов"; 4 и вторая секции элементов".
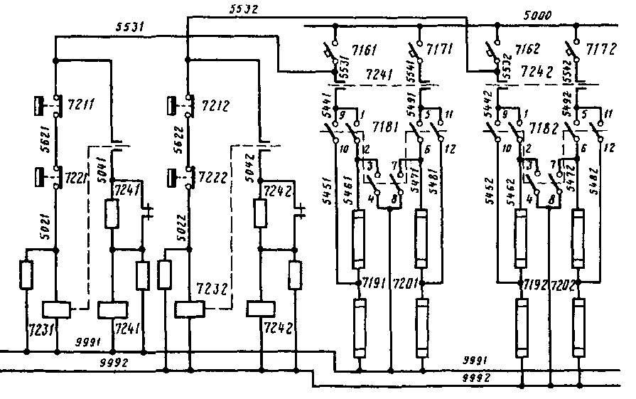
При включении АЗВ 716 образуется цепь (рис. 37): провод 5531, контакты термостата 7211, замкнутые при температуре менее 60 °С, провод 5621, контакты термостата 7221. провод 5021, катушка реле 7231. После включения реле 7231 его блок-контакты замыкают цепь питания катушки контактора 7241: провод 5531, блок-контакты реле

Рис. 37. Цепи стеклообогрева на электровозах с № ПІ
7231, блок-контакты контактора 7241, катушка контактора 7241. провод 9991.
При включении контактора 7241 замыкаются его контакты между проводами 5531 и 544], а также 5541 и 5491. В результате напряжение подводится к контактам переключателя 7181. В положении 2 переключателя замкнуты его контакты / — 2 и 5 — 6. поэтому ток проходит по обеим последовательно соединенным секциям нагревательных элементов 7191 и 7201.
В положении 3 переключателя 7181 замкнуты его контакты 9 — 10 к 11 — /2, и ток проходит только по одной из секций нагревательных элементов 7191 и 7201.
В положении 4 переключателя 7181 замкнуты его контакты 9 — 10, 11 — /2, а также 3 —4,7 — 8, в результате чего секции нагревательных элементов 7191 и 7201 оказываются соединенными параллельно.
|
|