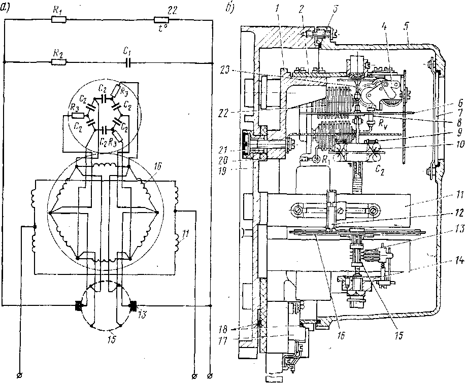
Для регистрации затраченной электрической энергии служит счетчик Д600М (рис. 189). Он состоит из основания 19, к которому прикреплены токовые катушки //, подвижная система, счетный механизм 4 и термистор 22. Все части счетчика закрыты кожухом 5, имеющим стекло 7 против счетного механизма. Для предотвращения попадания пыли кожух уплотнен фетровыми прокладками 3. С этой же целью между изоляторами 17 (через которые проходят выводы от токовых катушек 11) и основанием 19, проложены фетровые уплотнения 18. Токовые катушки 11 состоят из двух пар витков, соединенных последовательно-параллельно. Между витками токовой катушки расположен диск, на котором укреплена обмотка 16, состоящая из шести катушек. Концы катушки соединены между собой и пластинами коллектора 15. Каждая катушка имеет 1250 витков, сделана из провода ПЭЛ1 диаметром 0,05 мм. К пластинам коллектора прижимаются щетки 13, помещенные в держатель, расположенный на пластмассовой плите 14. Коллектор и диск с обмотками 16 укреплены на оси 23. С одной стороны обмотки 16 через коллектор, щетки и добавочный резистор 16000 Ом (четыре трубчатых резистора ПЭ150 сопротивлением по 4000 Ом) соединены с токоприемником, а с другой — с устройством для отвода тока. Поэтому при поднятом токоприемнике по этим обмоткам всегда

проходит ток, пропорциональный по величине напряжению в контактной сети. Когда по токовой катушке 11 идет ток электровоза, то магнитные потоки катушек 11 я обмоток 16 создают вращающий момент, пропорциональный мощности тока электровоза.
Диск счетчика начинает вращаться как якорь машины постоянного тока.
На оси 23 подвижной системы укреплен демпферный диск 6. Этот диск вращается между полюсами постоянного магнита, что создает тормозящий момент, пропорциональный частоте вращения диска. Вследствие этого частота вращения всей системы пропорциональна вращающему моменту, т. е. мощности тока электровоза.
В верхней части оси 23 имеется червяк, который вращает регистр, отсчитывающий затраченную электровозом энергию в киловатт-часах. Счетный механизм 4 укреплен к латунной пл'астине 2, а последняя — к стойке Стойка в свою очередь с помощью болтов 21 прикреплена к основанию 19 и изолирована от него изоляторами. 20. На стойке / укреплены также термистор 22, компенсирующий погрешности счетчика при изменении температуры, резистор ^1 (позиция- 8), включенный последовательно термистору,

Рис. 189. Электрическая схема (а) и устройство (б) счетчика Д600М
а также резистор Л?2 и конденсатор Си предназначенные для уменьшения искрения щеток при их вибрации.
Для уменьшения подгорания коллекторных пластин при вращении системы их соединяют между собой конденсаторами 10 (С2) и сопротивлениями 9 (Яз)- Для компенсации момента трения подвижной системы при малых токах служит пермаллоевый лепесток 12, обладающий высокой магнитной проницаемостью при малой напряженности поля. До насыщения этого лепестка происходит усиление магнитного потока, создаваемого токовыми катушками //. Счетчик весит 17 кг, добавочный резистор к нему — 5,5 кг.
Ток цепи отопления вагонов состава проходит в рельсы, помимо счетчика, а поэтому электроэнергия, идущая на отопление вагонов, электровозным счетчиком не учитывается.
|
|