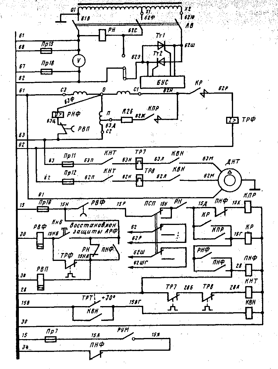
Вспомогательные цепи на электропоездах ЭР9М и ЭР9Е получают питание от обмотки 01-Х1-Х2 трансформатора /Т с номинальным напряжением 220 В (01-Х 1) и.257 В (01-Х2) (рис. 250).
От вспомогательной обмотки 01-Х2 тягового трансформатора через автоматический выключатель АВ и систему тириеторной стабилизации напряжения питаются асинхронный расщепитель фаз АРФ, вспомогательные машины, цепи освещения и на головных вагонах цепи заряда батарей. Система стабилизации напряжения вспомогательных цепей содержит блок с аппаратурой управления и регулирования БУС типа 1Б.305, который расположен в шкафу № 4 моторного вагона. Силовая часть стабилизатора выполнена на таблеточных тиристорах4 Т2-320 с естественным охлаждением. Система стабилизации напряжения при совместной работе с АРФ обеспечивает поддержание выходного напряжения в пределах 205—225 В и входном напряжении 220—300 В, что соответствует изменению напряжения в контактной сети в пределах 22—29 кВ. Длительно допустимый ток системы стабилизации напряжения 180 А.
В нормальном режиме работы питание потребителей переменного напряжения осуществляется от вспомогательной обмотки 01-Х2 через автоматический выключатель АВ и встречно-параллельно включенные тиристоры Тт1 и Тт2. В аварийном режиме при отказе стабилизатора питание потребителей осуществляется нестабилизированным напряжением от провода 62С (вывод XI вспомогательной обмотки главного трансформатора). Для этого на блоке 1Б.214 необходимо перекидную шину временно поставить в положение «Резерв* — соединить провод 62 с проводом 62С. Контроль напряжения питания вспомогательных цепей осуществляется по вольтметру V, который подключен к проводам 61 и 62.
Подключение и запуск АРФ осуществляются с помощью контакторов і\Р, КПР и реле. Блок защиты максимального напряжения БЗМН защищает вспо^ могательные цепи от чрезмерного повышения переменного напряжения.
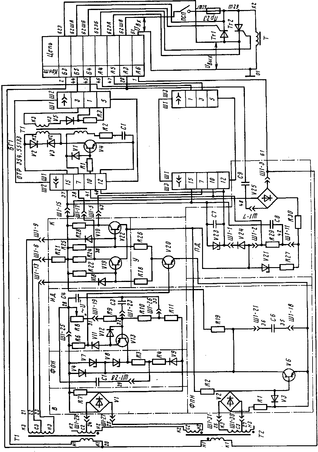
На рис. 251 приведена функциональная схема, а на рис. 252 — принципиальная схема блока управления тиристорами стабилизатора переменного напряжения. .

Рис. 250. Схема питания вспомогательных целей электропоездов ЭР9М

Рис. 251. Функциональная схема управления стабилизатора переменного напряжения: '
ТІ, Т2 — измерительные трансформаторы: В — выпрямитель: ИД— измерительный делитель; ФПН — формирователь пилообразного напряжения: ФОН — формирователь опорного напряжения; У—усилитель; д — коммутатор; ПО. — питающий делитель; БГІ, БГ2 — влокинг-геиераторы; СН — стабилизатор напряжения
Блок управления стабилизатора переменного напряжения БУС служит для управления тиристорами Тт1 и Тт2. Подключение БУС (см. рис. 252) осуществляется штепсельным разъемом ШР1. На блок подается напряжение от вспомогательной обмотки тягового трансформатора по цепи: вывод Х2, 62Ш, предохранитель Пр23, 62ШГ, переключатель ПСҐІ, 62ШВ, клемма АЗ блока, клемма А6 блока, провод 61, вывод 01 обмотки трансформатора. Кроме этого, на вход БЗ блока подается питание от провода 62Э.
БУС содержит трансформаторы ТІ и Т2, первичные обмотки которых подключены соответственН9 параллельно силовым тиристорам 77/, Тт2 (см. рис. 250) и на вход стабилизатора. Выходное напряжение трансформатора 77 к\ («„-— "вцх) пропорционально напряжению на тиристорах, которое равно разности входного-и выходного напряжений системы. Выходное напряжение трансформатора Т2, равное /с2. ывх, пропорционально входному напряжению. Здесь кі, к2 — коэффи* циенты трансформации трансформаторов 77, Т2.
Вторичные обмотки трансформаторов 77 и Т2 включены встреч но-последовательно, так что на вход выпрямителя VI подается напряжение и'„
(51)
Таким образом, с ростом напряжений иаы% и и„ увеличивается и'„. Выпрямленное напряжение подается на измерительный делитель .ИД и формирователь опорного напряжения ФОН.
ИД содержит (см. рис. 252) резисторы /?#.../?//, конденсаторы СЗ, С4 и транзистор У13> включенный по схеме Эмиттерного повторителя. Выходное напряжение эмиттерного повторителя на резисторе Р6 пропорционально напряжению на выходе выпрямителя. ФОН предназначен для формирования опорного напряжения ІІ0. Он подключен к выходу выпрямителя VI и содержит стабилитроны У7, У8, диоды У4,У9, резисторы ЯЗ, Я4. ФПН вырабатывает пилообразное напряжение и„ частотой 100 Гц. Он состоит из конденсатора С6і транзистора У6, на которые подается через выпрямитель У2 выходное напряжение трансформатора Т2. Пилообразное напряжение и„ суммируется с опорным: напряжением £/0 и подается на вход усилителя У: Усилитель сравнивает подаваемое на его вход

суммарное напряжение £/„+£/0 с выходным напряжением,измерительного делителя 0К. Усилитель содержит транзистор У20, который работает в режиме переключения, так что при ии > и„ + 1)0 транзистор \'20 заперт, а при (У„ < < иа + с/0 транзистор открыт.
Коммутатор К на транзисторах У/19 и 1Л2.2 при одновременной подаче на их вход управляющего напряжения с транзистора У20 и напряжения 11 с синхронизирующей обмотки НЗ-КЗ трансформатора 77 поочередно включает блокинг-гене-раторы БГ1, БГ2. БГ1 и БГ2 выполнены по одинаковой схеме ждущего блокинг-генератора и содержат транзистор У4 и импульсный трансформатор 77. При отсутствии управляющего сигнала с коммутатора К транзистор У4 блокинг-генератора заперт напряжением смещения, которое подается от питающего делителя на базу транзистора через контакты 10, 12 разъема Ш1 и резистор /?/. При подаче управляющего сигнала на вход БГ1, БГ2 через контакт 7 разъема Ш1 и диод VI на базу У4 транзистор отпирается и происходит запуск блокинг-генератора, в результате которого на обмотке НЗ-КЗ трансформатора 77 формируется импульс управления тиристором стабилизатора.
Питающий делитель ПД содержит балластный конденсатор С9 и выпрямитель У25, на которые подается напряжение ывх обмотки 01-Х2 тягового трансформатора. Выпрямленное и сглаженное напряжение около 30 В, задаваемое стабилитроном У23 и накопительным конденсатором С7, используется для питания бло-кинг-генераторов БГ1, БГ2 и коммутатора К- Напряжение около 10 В, задаваемое стабилитроном У21, используется для питания усилителя У. Суммарное напряжение стабилитронов У21 и У23 используется для формирования пилообразного напряжения. Эмиттерный повторитель на транзисторе У13 питается суммарным напряжением стабилитронов У7 и У8 (около 16 В), включенных на выход выпрямителя VI. Временные диаграммы, характеризующие работу отдельных элементов БУС, приведены на рис. 253.
В блоке ФПН (см. рис. 252) на вход эмиттер-база транзистора У6 через резистор Я2 подается в отпирающем направлении ток смещения г'см и с выхода выпрямителя У2 через резистор Я1 подается в запирающем направлении ток /„. В момент времени ї\ (см. рис. 253) ток /„ становится больше тока смещения /см, и транзистор У6 запирается. После чего начинается заряд конденсатора С6 через резистор Я.19. В момент времени /5, когда /в становится меньше тока смещения, транзистор У6 открывается, и через него начинается разряд конденсатора Сб. Таким

Рис. 253. Диаграммы напряжений и токов элементов БУС:
"вх — входное напряжение; ывых — выходное напряжение; цт — напряжение на тиристорах; іі, іг — токи тиристоров; /в — ток выпрямителя Х'2; /см — ток смешения транзистора У6; О0 — опорное напряжение; ип — пилообразное напряжение; ик — измеряемое напряжение; Ну — выходное напряжение усилителя; с/уіо> £/уі8 — напряжения на диодах 1<Т0, КІ8: /у| /у2 —токи управления тиристора
образом, на конденсаторе С6 формируется пилообразное напряжение частотой 100 Гц.
На вход транзистора У20 (база-эмиттер) в отпирающем направлении подается сумма опорного напряжения 110 на стабилитроне У7 и пилообразного напряжения ип на конденсаторе Сб. На этот же вход в запирающем направлении подается с измерительного делителя измеряемое напряжение £У„, снимаемое с резистора Яб.
В интервалах времени 1Ъ— и и Гц—/з сумма опорного и пилообразного напряжений меньше измеряемого напряжения. Транзистор У20 в этом случае закрыт. И наоборот, когда сумма опорного и пилообразного напряжений больше измеряемого напряжения в интервалах времени гз—1*5 и гд— г*ц, транзистор \'20 открыт.
В момент времени гз при закрытых тиристорах стабилизатора полярность напряжения синхронизации £УС, снимаемого с обмоток НЗ-СЗ и СЗ-КЗ трансформатора 77, такова, что диод У10 находится в проводящем состоянии, а диод \'18 — в запертом. В этом случае транзистор ¥19 закрывается и напряжение с его коллектора подается на вход блокинг-генератора Б/7, который формирует импульсы управления тиристором Тт1 регулятора. После отпирания тиристора 777 в момент времени г*4 на входе трансформатора 77 напряжение становится близким к нулю. Отсутствует и напряжение на синхронизирующей обмотке НЗ-СЗ-КЗ трансформатора 77. В этом случае через диоды У18, У10 по цепи: эмиттер-база транзисторов У19, У22, диоды У18, У10, обмотки НЗ-СЗ и КЗ-СЗ трансформатора 77, резистор Я21, минус источника питания протекают токи и транзисторы У19 и У22 переходят в открытое состояние. На базу транзисторов У4 БГ подается положительный потенциал, и они запираются. Таким образом, обеспечивается поочередная и кратковременная подача импульсов управления на тиристоры стабилизатора. Тиристоры 777 и Тт2 запираются в моменты /2 и /8, когда ток через них, определяемый параметрами активно-индуктивной нагрузки вспомогательных цепей, спадает до нуля. В интервалах времени, когда включен один тиристор (777 или Тт2), выходное напряжение равно входному (см. рис. 253). Если выключены оба тиристора, выходное напряжение становится меньше входного ,и определяется величиной э. д. с. расщепителя фаз и вспомогательных машин. При изменении уровня входного или выходного напряжения системы изменяется величина выходного напряжения измерительного делителя и„, смещаются моменты гэ, соответствующие включению усилителя, блокинг-генераторов и тиристоров. Таким образом, обеспечивается постоянство выходного напряжения, стабилизатора при изменении входного напряжения и нагрузки.
Уставку выходного напряжения стабилизатора регулируют резистором Р.8 измерительного делителя.
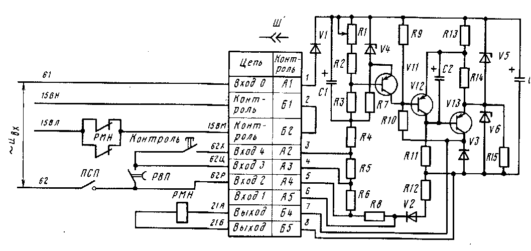
Защита от повышения переменного напряжения осуществляется с помощью блока защиты максимального напряжения БЗМН (рис. 254). Переменное входное напряжение подается на блок защиты через выводы А1, А4 штепсельного разъема по проводам 61, 62 через контакты пакетного переключателя ПС П. Катушка исполнительного реле РМН подключена к блоку БЗМН через контакты Б4, Б5 разъема. В цепь удерживающей катушки ВВ (провода 15ВН-15ВЛ) через контакты Б1, Б2 разъема включена перемычка, что позволяет контролировать включенное состояние штепсельного разъема, и последовательно с ней размыкающие контакты реле РМН. Через контакты АЗ, А4 к резистору Р6 подключен контакт реле РВП, позволяющий увеличить уставку защиты на время пуска системы.

Рис. 254. Схема подключения блока БЗМН на моторном вагоне
В остальном схема, конструкции и принцип действия блока БЗМН аналогичны описанному в § 62 блоку защиты БЗМН1.
Управление пуском расщепителя фаз происходит следующим образом (см. рис. 250).
При наличии напряжения ПО В в цепях управления через размыкающий контакт реле напряжения РН (15Н-15НА) получают питание катушки реле времени фазорасщепителя РВФ и реле времени пуска РВП, Реле РВФ и РВП включаются и подготавливают схему управления запуском расщепителя фаз.
После включения высоковольтного выключателя и появления напряжения на обмотке 01-Х1-Х2 тягового трансформатора срабатывает реле РН, катушка которого получает питание от проводов 61 и 62С. Одновременно подается питание на блок БУС, который формирует импульсы управления тиристорами Тт1 и Тт2 стабилизатора.
После включения РН своим контактом 15Н-15НА размыкает цепь питания катушек РВП и РВФ. При этом контакты этих реле остаются в прежнем положении на время выдержки времени реле. Через 0,5—1 с реле РВП отключается и замыкает контакт 63—63Ц в цепи катушки РНФ. Замыкающий контакт РН подает питание на катушку контактора пуска расщепителя фаз КПР по цепи: провод 15, ПрІО, 15Н, замыкающий контакт РВФ, 15Р, контакт переключателя ПСП, 15У, замыкающий контакт РН, 15Д, размыкающий контакт ПНФ, 15Х, катушка КПР, 30. Контактор КПР включается, подключая силовыми контактами к пусковому выводу Я обмотки расщепителя фаз резистор R26. Блокировочный замыкающий контакт КПР 15Д-15Г замыкает цепь питания катушки контактора КР.
Такая последовательность включения контакторов КПР и КР исключает возможность подачи напряжения на остановленный расщепитель фаз с отключенным пусковым реостатом. После включения контакторов КПР и КР ротор расщепителя фаз начинает вращаться. В процессе пуска напряжение генераторной фазы увеличивается и при достижении частоты вращения, близкой к номинальной, срабатывает реле напряжения фазорасщепителя РНФ.
Контакт РНФ в проводах 15Г-28 включает реле-повторитель напряжения ПНФ. Замыкающий контакт ПНФ 15Г-28 шунтирует контакт РНФ в цепи катушки
НФ и создает цепь питания провода 28, а контакт ПНФ 15Н-15НА создает цепь питания катушек РВП и РВФ. После включения реле РВП его размыкающий контакт 63-6311 снимает питание с катушки РНФ. Размыкающие контакты ПНФ в проводах 15Д-15Х отключают контактор КПР, а в проводах 15Я-34 размыкают цепь сигнальной лампы «Напряжение сети». Силовые контакты КПР отключают пусковой реостат. На этом заканчивается запуск расщепителя фаз.
Отключение расщепителя фаз осуществляется снятием питающего напряжения. При этом отключается реле РН и своим контактом 15У-15Д размыкает цепь питания контакторов КР и КПР, а контактом 15Н-15НА включает цепь питания реле РВФ и РВП, подготавливая схему управления к повторному автоматическому пуску.
Расщепитель фаз от перегрузок защищен токовым реле ТРФ и реле времени РВФ. При пуске расщепителя фаз ток двигательной обмотки достигает уставки токового реле ТРФ. Оно срабатывает и своим контактом в проводах 15НА-15НБ разрывает цепь питания катушки реле времени РВФ, выдержка времени которого 5—6 с. При нормальном пуске ток через токовую катушку ТРФ станет меньше тока удержания, реле ТРФ отключится, его контакт в проводах 15НА-15НБ снова замкнет цепь питания РВФ.
Если в процессе пуска за время выдержки реле времени РВФ ток не падает ниже уставки ТРФ или не включается ПНФ, реле времени РВФ отключается и своим контактом 15Н-15Р разрывает цепь питания катушек контакторов КР, КПР. Контактор КР отключает расщепитель фаз от сети. Контакт реле ПНФ 15Я-34 включает цепь питания сигнальной лампы «Напряжение сети», а контакт 15Г-28 размыкает цепь питания провода 28.
Для восстановления защиты необходимо включить кнопку «Восстановление защиты АРФ». При этом через контакт кнопки от провода 15Н получает питание катушка реле РВФ, которое переключает свои контакты, подготавливая схему включения расщепителя фаз к работе.
Переключатель системы питания ПСП служит для переключения цепей управления при неисправностях АРФ или системы стабилизации напряжения. ПСП имеет три положения: нормальное, когда замкнуты контакты 15Р-15У в цепи питания КР и КПР; 62Ш-62ШГ — в цепи питания блока БУС; 62—62Р — в цепи питания блока БЗМН; нулевое — когда все его контакты разомкнуты; резерв — замкнут только контакт 15Р-15У, который включает цепи управления работой расщепителя фаз при отключении системы стабилизации напряжения, когда вспомогательные цепи питаются нестабилизированным напряжением и на блоке 1Б.214 перекидная шина стоит в положении «Резерв».
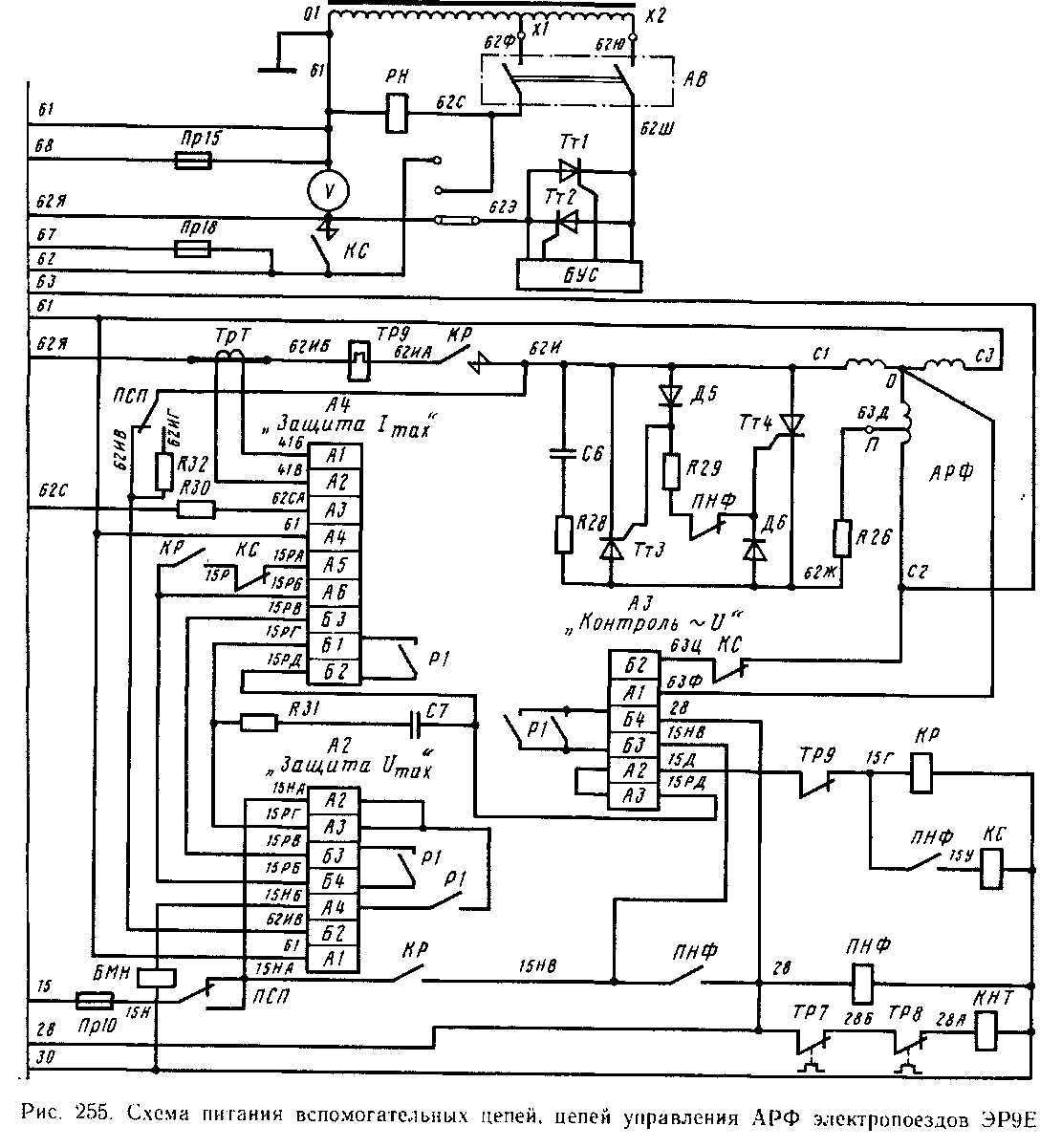
Схема питания вспомогательных цепей и цепей управления расщепителя фаз электропоездов ЭР9Е приведена на рис. 255. Питание вспомогательных цепей осуществляется стабилизированным напряжением от обмотки 01-Х2 ГТ через контакты контактора стабилизатора КС. При неисправности стабилизатора напряжения резервное питание расщепителя фаз и других потребителей осуществляется нестабилизированным напряжением от обмотки 01-Х1 ГТ. В этом случае в блоке 1Б.336 устанавливают контактную накладку в положение «Резерв ЗФ» (резервное питание трехфазной сети), тем самым провод 62Я соединяют с проводом 62С.
При неисправности расщепителя фаз или его схемы управления потребители однофазного напряжения получают питание от провода 62, минуя контакты КС. Для этого контактную накладку в блоке 1Б.336 устанавливают в положение «Резерв 1Ф» (резервное питание однофазной сети), соединяя провод 62 с прово-

дом 62С. В обоих случаях переключатель системы питания ПСП устанавливают в положение <$Резерв».
Запуск расщепителя фаз осуществляется под контролем трех электронных блоков: А2 — «Защита максимального напряжения — I]тах»; АЗ — «Контроль переменного напряжения--и»; А4 — «Защита максимального тока — /,„ах».
После включения воздушного выключателя ВВ по проводам 61 и 62С подается питание на блок А4 «Защита /тах». При наличии напряжения в цепях управления и при отсутствии сигнала о недопустимом повышении напряжения от блока
А2 «Защита с/тах» с выдержкой времени 1—2 с включается исполнительное реле Р1 блока А4, которое замыкает цепь выходных контактов Б1, Б2. От провода 15 через предохранитель ПрЮ, контакт переключателя ПСП, контрольную перемычку блока А2 (контакты А2, АЗ), контакты исполнительного реле Р1 блока А4 (контакты Б1, Б2), контрольную перемычку блока АЗ (контакты А2, АЗ), размыкающий контакт теплового реле ТР9 получает питание катушка контактора КР.
При наличии на проводах 61 и 62Я стабилизированного напряжения контактами КР оно подается на двигательную обмотку С1-СЗ расщепителя фаз. Пусковая обмотка О-П расщепителя фаз через пусковой резистор Р26 подключена параллельно двигательной обмотке встречно-параллельными тиристорами ТтЗ и Тт4. Управление работой этих тиристоров осуществляется анодным напряжением через диоды Д5, Д6, резистор Я29, которые включаются в цепи управляющих электродов тиристоров размыкающим контактом ПНФ.
После запуска расщепителя фаз растет напряжение генераторной фазы 0-С2, которое подается на вход блока АЗ «Контроль ~с/». При напряжении, близком к номинальному, в блоке АЗ срабатывает исполнительное реле Р1. В результате получает питание катушка промежуточного реле ПНФ по цепи, провод 15, ПрЮ, 15Н, контакт ПСП, 15НА, контакт КР, 15НВ, контакты Р1 в блоке А2, 28, катушка ПНФ, 30.
Реле ПНФ размыкает свой контакт в цепи управляющих электродов тиристоров ТтЗ и Тт4, после чего они запираются и отключают пусковой резистор Р26. На этом заканчивается пуск расщепителя фаз. После включения ПНФ замыкается его контакт 15НВ-28 в цепи катушки реле ПНФ, а контакт ПНФ 15Г-15У подает питание на катушку контактора стабилизатора КС. Контактор КС подает напряжение на нагрузку — провода 62 и 67.
Защита расщепителя фаз от перегрузок осуществляется трансформатором тока ТрТ и тепловым реле ТР9, которые включены в цепь двигательной фазы АРФ. Вторичная обмотка трансформатора тока подключена на вход блока А4. При токах, длительно превышающих значения уставки /тах, отключается исполнительное реле Р1 в блоке А4, которое контактом 15РГ-15РД разрывает цепь питания контакторов КР и КС. Тепловое реле ТР9 защищает расщепитель фаз от перегрузок и исключает возможность многократных пусков расщепителя фаз. Если в процессе пуска расщепителя фаз за установленный промежуток времени реле ПНФ и, следовательно, контактор КС не включились, то в блоке А4 цепь контактов А5, А6 остается замкнутой и исполнительное реле Р1 блока А4 отключается независимо от величины сигнала, полученного от трансформатора ТрТ. Отключение реле Р1 приводит к отключению реле КР.
Блок А2 «Защита /Утах», вход которого подключен к проводам 61 и 62И, защищает цепи нагрузки от повышения выходного напряжения стабилизатора. При напряжении выше заданного уровня срабатывает исполнительное реле Р1 в блоке А2, которое замыкает свой контакт в цепи проводов 15РВ, 15РБ и шунтирует вход блока А4. В блоке А4 исполнительное реле Р1 отключается и разрывает цепь питания контакторов КР и КС. Одновременно через контакт реле Р1 блока А2 получает питание катушка сигнального реле БМН, которое сигнализирует о срабатывании блока «Защита е/тах».
Блок А4 «Защита 1тах» защищает расщепитель фаз от токов перегрузки и от неправильной работы пусковой схемы. Кроме того, блок обеспечивает включение расщепителя фаз только после появления питающего напряжения и отключения расщепителя фаз и других нагрузок при исчезновении питающего напряжения, а также при недопустимом повышении питающего напряжения.

Блок A4 «Защита /тах» (рис. 256) содержит двухполупериодный выпрямитель VI, подключенный к источнику переменного напряжения (провода 61 и 62С) через контакты кнопки «Возврат-», контакты A3 и A4 разъема Ш1 и внешний резистор R30.
К выходу выпрямителя VI подключен питающий делитель на стабилитронах V2...V4 и резисторах R5, R23. Измеритель тока на транзисторе V6 через выпрямитель V5, резистор R3 подключен к вторичной обмотке трансформатора тока ТрТ.
Входные делители напряжения R11-R12, R13-R16, микросхема D1 (выводы 11,6) и выходной усилитель питаются стабилизированным напряжением от стабилитронов V2, V3 через стабилитрон V4, который понижает напряжение по сравнению с напряжением питания исполнительного реле Pl. Входы микросхемы (выводы 4, 5) через резисторы R18 и R19 подключены к резисторам R14, R15 делителя напряжения R13-R16. Кроме того, инвертирующий вход 4 операционного усилителя (ОУ) через резисторы R17, R22 и диод V12 подключен к делителю напряжения Rll, R12, который через диоды V9 и V10 соединен последовательно со стабилитроном V8 делителя напряжения V7-R10-V8. Выход 10 ОУ через резистор R24 и диод V15 подключен к базе транзистора V20, а также к базе транзистора V17 через резисторы R26, R27. В цепь обратной связи с выхода ОУ через резистор R24 включен конденсатор С5, сигнал с которого подается на инвертирующий вход 4 ОУ через RC-цепъ, состоящую из резистора R22 и конденсатора С4. Исполнительное реле Р1 включено в цепь коллектора транзистора V20.
Делитель напряжения из резисторов R13-R16 выбран таким образом, что напряжение на резисторах R14-R16, подаваемое на прямой вход 5 ОУ, несколько больше половины напряжения питания.
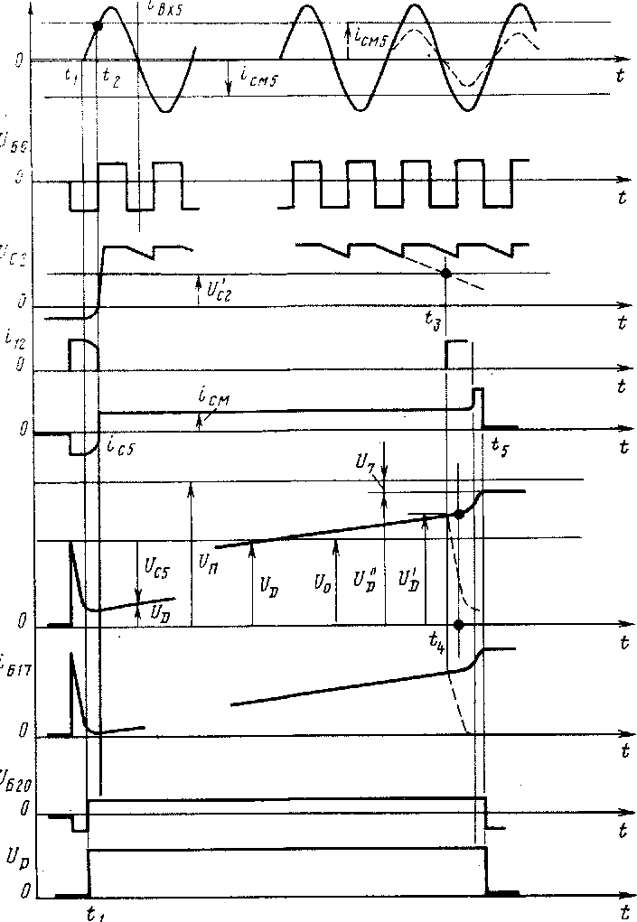
В начальный момент t0 (рис. 257) после включения напряжения питания конденсатор С5 разряжен и выходное напряжение микросхемы между выводами 10 я 6 несколько больше половины напряжения Un.- В интервале времени t„— t. ток в цепи трансформатора ТрТ, а также на входе и выходе выпрямителя V5 равен нулю. Ток смещения /см5, протекающий через резисторы R6, R7, создает на выпрямителе V5 напряжение Um, запирающее транзистор V6.

Рис. 257. Диаграммы напряжений и токов на элементах блока «Защита /тах»:
'вх5 — ток на входе выпрямителя V5; 'см — т°к смешения транзистора KG, U nti — напряжение база — эмиттер Y6, Uс2— напряжение на конденсаторе С2; U{.n -- напряжение на конденсаторе С2, вызывающее переключение диода VI2; <м --ток через диод V12, 1С5— ток заряда конденсатора С5, 6'с s -- напряжение на конденсаторе С5\ О'д — выходное напряжение микросхемы (между выводами 6 и 10); /сч — ток смешения операционного усилителя Д1; U- — напряжение на стабилитроне V7, Un — напряжение питания ОУ; U0 — напряжение на резисторах RI4 — Rt6\ '617 — ток базы транзистора VI7; Ù620 — напряжение база - - эмиттер транзистора V20; Up — напряжение на катушке реле Р1
Напряжение Uc2 на конденсаторе С2 равно сумме падении напряжении на открытых диодах У 9 и У10 и в этом режиме относительно мало. Резисторы R11, R12 выбраны так, что диод V12 открыт. Ток диода г'і2, протекающий через резистор R17, превышает постоянный ток t'CM, подаваемый на вход 4 ОУ через резистор R18. Конденсатор С5 заряжается током /с5, равным разности токов ц2 и ісм. В промежуток времени t0—h напряжение (/„на выходе ОУ уменьшается. Пока напряжение Un достаточно большое, ток базы транзистора V17, протекающий через резисторы R24, R26 и R27, удерживает транзистор V17 в открытом состоянии. Транзистор V18 также открыт, и к базе транзистора V20 прикладывается запирающее напряжение, примерно равное напряжению стабилитрона V7. Транзистор V20 закрыт, и катушка реле Р1 обесточена. По мере заряда конденсатора С5 напряжение на выходе ОУ уменьшается. Уменьшается ток І6П, удерживающий транзистор V17 в открытом состоянии. В момент времени t\ транзисторы V17 и V18 закрываются, а транзистор V20 открывается. Срабатывает реле Р1 и замыкает цепь питания контактора КР. Другой замыкающий контакт реле Р1
подключает базу транзистора У20 через резистор Р28 к отрицательному выводу выпрямителя VI. В дальнейшем транзистор У20 будет открыт, а транзисторы 17/7 и У18 не влияют на работу схемы. Таким образом, временем заряда конденсатора С5 обеспечивается задержка включения реле Р1 и начало запуска расщепителя фаз.
Когда ток на выходе трансформатора ТрТ превысит значение уставки, амплитудное значение тока /их5 становится выше постоянного тока смещения г'см5, транзистор У 6 открывается. При этом конденсатор С2 заряжается до напряжения стабилизации стабилитрона У8 с полярностью, когда диоды У9 и V10 запираются и напряжение, подаваемое на делитель Р11, И12, увеличивается и становится близким к напряжению питания ОУ. При этом диод У12 запирается, начинается перезаряд конденсатора С5 током, практически равным току /см, что приводит к увеличению напряжения II в на выходе ОУ. Скорость изменения напряжения и а зависит от емкости конденсатора С5 и величины тока смещения, определяемого сопротивлениями резисторов Р14, /?/5 делителя и резисторов Я18,
По мере увеличения напряжения на выходе ОУ в момент времени /4 открывается диод У14 в цепи обратной связи. Это приводит к резкому увеличению напряжения и о так, что в момент времени 1$ напряжение II0 станет больше разности напряжения питания и напряжения стабилитрона: V„ > и„ — (77, открывается диод У15 и к базе транзистора прикладывается положительный потенциал. Транзистор У20 закрывается, катушка реле Р1 теряет питание. Таким образом, срабатывание защиты происходит с выдержкой времени, равной интервалу \2— /5 и определяемой временем перезаряда конденсатора С5. Выдержку времени регулируют переменным резистором Я15. При уменьшении его сопротивления уменьшается падение напряжения в цепи Я14-Я15, а выдержка времени увеличивается.
При неправильной работе схемы пуска, когда одновременно замкнуты контакты КР и КС, подключенные к выводам А5, А6 разъема 1111 в блоке А4, диод У12 запирается независимо от величины контролируемого тока и напряжения на конденсаторе С2. Этим обеспечивается срабатывание защиты с выдержкой времени и контролем момента окончания пуска расщепителя фаз и включения контактора КС. Возврат схемы в исходное состояние осуществляется нажатием кнопки «Возврат», которая размыкает цепь питания блока.
Если ток двигательной фазы станет ниже заданного уровня и пуск расщепителя фаз закончится включением контактора КС до момента транзистор У6 закрывается, открывается диод У12. Это приведет к прекращению перезаряда конденсатора С5 в момент Н и возвращению схемы в исходное состояние, при котором выходное напряжение £Л> мало, транзистор У20 открыт, и реле Р1 осталось включенным. При замыкании контакта исполнительного реле Р1 в блоке А2 при недопустимом повышении напряжения резистор Р17 подключается параллельно цепи Р22, Р18, Р16, что приводит к быстрому срабатыванию защиты.
Стабилитрон У13 служит для защиты микросхемы Д1, а диод У21—для защиты транзистора У20 от перенапряжений.
Блок А2 «Защита с/П1ах» (рис. 258) содержит: однополупериодный выпрямитель, на выход которого включен измерительный делитель напряжения на резисторах Р1—/?5; выпрямительный мост У17, к которому подключен питающий делитель на стабилитронах У11—У13, У15 и резисторах Р7—Р10; формирователь опорного напряжения на стабилитроне У7 и резисторе Я13; усилитель на транзисторах У8, У9, У14 и исполнительное реле Р1.
Измерительный и питающий делители соединены параллельно и подключены к контактам А1, Б2 штепсельного разъема Ш1, на которые подается напряжение

по проводам 61, 62ИВ. Включение части резисторов в цепи измерительного и питающего делителей напряжений на стороне переменного тока, а другой части — на стороне постоянного тока обеспечивает снижение напряжения на выпрямителях VI, У2 и У17.
В исходном состоянии напряжение на резисторах /?/, Я2 измерительного делителя меньше опорного напряжения на стабилитроне У7. Потенциал базы транзистора У8 выше потенциала эмиттера, и У8 закрыт. Резисторы /?//, Р12 выбраны таким образом, что при закрытом транзисторе У8 транзистор У9 открыт и к базе транзистора У14 приложено запирающее напряжение. У14 закрыт и катушка реле Р1 обесточена. Конденсаторы С2, СЗ заряжены до напряжения на стабилитронах У11, У12, а конденсатор С4 — до суммарного напряжения на стабилитронах У11—У13, У15.
При повышении входного напряжения выше напряжения уставки транзистор У8 открывается и на базу транзистора У9 подается запирающее напряжение, равное разности напряжений на стабилитронах У11, У12, У13. Транзистор У9 закрывается, и конденсаторы С2, СЗ начинают заряжаться через резистор Я14. Когда напряжение на конденсаторах С2, СЗ становится больше суммарного напряжения на стабилитронах VI 1-У 13, транзистор У14 открывается и катушка реле Р1 получает питание по цепи: плюс выпрямителя У17, стабилитроны У 11-У 13, переход эмиттер — коллектор транзистора У14, катушка реле Р1, минус У17.
Для повышения четкости срабатывания реле Р1 транзисторы У9 и У14 включены по схеме триггера с положительной обратной связью через резистор Р12.
При кратковременном повышении входного напряжения выдержка времени на включение реле Р1 определяется суммарным временем заряда конденсаторов СІ, С2 и СЗ до уровней, вызывающих переключение транзисторов У8 и У14.
Диод У5 защищает переход база — эмиттер транзистора У8 от обратного напряжения, а диод У10 — транзистор У14 от перенапряжений. Резистор Р14 исключает ложные срабатывания защиты при включении напряжения. Регулируют уставку защиты от повышения напряжения переменным резистором /?/. Работоспособность блока проверяют нажатием кнопочного выключателя В1 «Проверка».
Контакты А2 и A3 разъема Ш1 соединены внутренней перемычкой, что позволяет контролировать включение штепсельного разъема и исключить возможность пуска расщепителя фаз при отключенном блоке защиты.
Контакт реле Р1 в цепи проводов 15НА-15НБ включает катушку реле БМН, которое сигнализирует о срабатывании-блока.
Блок A3 «Контроль ~(У» аналогичен блоку А2, отличается от него низким напряжением срабатывания и отсутствием резисторов R5, R7, R8 и выключателя В1 «Проверка».
После запуска расщепителя фаз на проводах 61, 62, 63 имеется трехфазное напряжение, а также получает питание секционный провод 28. На моторном вагоне от провода 28 получает питание катушка контактора КНТ электродвигателя насоса трансформатора. В цепи двигателя ДНТ, кроме контактора КНТ, включен контактор КВН включения насоса. КВН включается контактом датчика температуры масла (термосигнализатора) трансформатора ТрТ, который замыкается при температуре трансформаторного масла выше +30 °С, так как при низких температурах (и тем более при минусовых) работа насоса трансформатора не требуется. Для исключения частых повторных отключений и включений насоса контакт термосигнализатора ТрТ (+30 °С) шунтируется контактом КВН в проводах 15В-15ВГ.
Электродвигатель насоса трансформатора ДНТ защищен от перегрузок тепловыми реле ТР7 и ТР8 и от коротких замыканий предохранителями ПрП и Пр12. При срабатывании тепловых реле их блокировки в проводах 28—28А отключают контактор КНТ. При неработающем ДНТ во избежание перегрева трансформатора не должно быть тяговых нагрузок на трансформаторе. Для этого при неработающем ДНТ блок-контакт КНТ в проводах 11Г-11Д отключает контактор Л/С/.
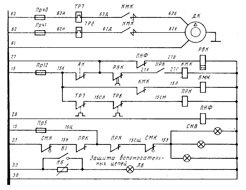
Управление двигателями компрессора. Электродвигатели компрессоров получают питание по секционным проводам 61, 62, 63 с соседнего моторного вагона (рис. 259). Управление компрессорами производится автоматически при помощи регуляторов давления АК- Регуляторы давления расположены в служебном помещении головных вагонов и имеют уставку на включение около 0,6 МПа (6 кгс/см2) и на отключение около 0,8 МПа (8 кгс/см2).
Включение контактора мотор-компрессора КМК возможно лишь после окончания запуска расщепителя фаз, когда получит питание секционный провод 28 и от него на головном (прицепном) вагоне промежуточное реле ПНФ. Размыкающий контакт ПНФ в проводах 27-27В разрывает цепь катушки реле времени компрессора РВК. Якорь реле РВК отпадает с выдержкой времени 5 с и замыкает свой контакт в проводах 27-27А. Катушка КМК получает питание по цепи: 15, Пр12, 15Х, контакт АК, 27, контакт РВК, 27А, контакт ПРК, 27Г, катушка КМК, 30. После включения КМК двигатель компрессора запускается.
Для облегчения запуска компрессора и исключения противодавления при отключении контактора КМК его блок-контактами 15Х-15Л включается вентиль разгрузочного клапана компрессора ВМК ВМК соединяет с атмосферой цилиндр компрессора и участок пневматической магистрали от компрессора до обратного клапана.
Выдержка времени после запуска расщепителя фаз необходима для предотвращения одновременного запуска вспомогательных машин. По достижении давления сжатого воздуха в магистрали 0,8 МПа (8 кгс/см2) срабатывает регулятор давления АК и снимает питание с поездного провода 27, отключая все компрессоры поезда. При снижении давления до 0,6 МПа (6 кгс/см2) контакт регулятора давления замыкается, и компрессоры включаются.

Рис. 259. Схема управления двигателями компрессора
Отключение двигателя компрессора происходит при остановке расщепителя фаз данной секции. В этом случае отключается реле ПНФ, его контакт в проводах 27-27В включает реле РВК, которое в свою очередь своим контактом в проводах 27-27А разрывает цепь КМК. Контактор КМК отключается также при срабатывании тепловых реле ТР7, ТР8, защищающих электродвигатель от перегрузок. При этом блок-контакта ми тепловых реле в проводах 15Х-15СА или 15CJ1-15CM снимается питание с катушки промежуточного реле компрессора ПрК, контакты которого в проводах 27А-27Г разрывают цепь питания КМК-
|
|