Цепи отопления (рис. 260) получают питание от обмотки 01-al трансформатора ГТ с номинальным напряжением 628 В. Обмотка 01-al предназначена для питания электрокалориферов и печей отопления пассажирских салонов на моторном и прицепном вагонах и дополнительно калориферов отопления кабины машиниста на головных вагонах. Напряжение с моторного на прицепные (головные) вагоны подается через розетки РСБ и штепсели ШС. Напряжение на розетку PCB подается контактором КРС, в цепь катушки которого на моторном вагоне включены блокировки розеток РСБ, а на прицепных — блокировки дверей В12 высоковольтного шкафа. Обмотка 628 В на трансформаторе заземлена в точке 01. Для правильного соединения заземленной и незаземленной фаз цепей отопления вагонов розетки РСБ и штепсели ШС имеют механические блокировки, которые допускают соединение аппаратов только одноименного исполнения.

Защита цепи от коротких замыканий осуществляется предохранителями Пр1, Пр2. Электрокалориферы и электропечи от перегрузки защищены реле перегрузки отопления РПО.
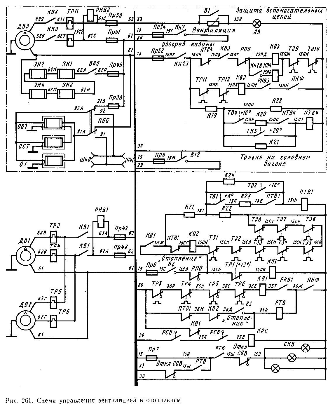
Управление вентиляцией и отоплением. Включение вентиляции пассажирских помещений производят из головного вагона кнопкой «Вентиляция» (рис. 261).
Электрокалориферы включаются автоматически при работающих вентиляторах под контролем термоконтакторов TBI и ТВ2, расположенных в воздушном канале калорифера. Электропечи включаются контактором К01, управление которым осуществляется автоматически под контролем терморегулятора ТР1, установленного в салоне.
В отопительный сезон выключатели В2 «Отопление» каждого вагона включены, замкнуты их контакты в проводах 15С-15СА и 36Д-36Б. Катушки промежуточных реле термоавтоматики ПТВ1, ПТВ4 предусмотрены для работы на 50 В. Они получают питание через делители напряжений: на моторном вагоне из резисторов R21-R22 (провода 15СЖ-15Т и 15Т-30); на головном вагоне из резисторов R16-R40 (провода 15Ж15Т и 15Т-30) и R19-R22 (провода 15ПБ-15ПП и 15ПП-30). При включении на пульте кнопки «Вентиляция» получает питание поездной провод 36 и от него катушка контактора вентилятора КВ1 по цепи: 36, контакты термореле двигателей вентиляторов ТРЗ...ТР6, 36Е, катушка КВ1, 36Т, замыкающий контакт реле напряжения двигателей вентиляторов РНВ1, 36Ж, контакт ПНФ (замкнут при работающем расщепителе фаз), ЗО. Реле РНВ1 контролирует наличие питающего напряжения.
Контактор КВ1 включает электродвигатели вентиляторов вагона ДВІ и ДВ2. Катушка контактора К02 получает питание в зависимости от положения контакта промежуточного реле термоавтоматики ПТВ1 в проводах 15СЖ-15СГ. В свою очередь питание катушки реле ПТВ1 зависит от состояния термоконтакторов TBI и ТВ2. Если температура в воздушном канале ниже +8 °С, контакты TBI и ТВ2 разомкнуты и катушка ПТВ1 питание не получает. После включения контактора КВ1 через замыкающий контакт КВ1 в проводах 15СБ-15СЖ, замкнутый блок-контакт ПТВ1 в проводах 15СЖ-15СГ, через замкнутые контакты термозащитных реле Т31...Т38 получает питание катушка контактора отопления К02. Контактор К02 включает обе ступени (ЭК1 и ЭК2) электрокалорифера вагона.

По мере прогрева воздуха в салоне температура в воздушном канале на выходе калорифера повышается. При достижении +16 °С замыкается термоконтактор ТВ2, который включает промежуточное реле ПТВ1. Контакт ПТВ1 15СЖ-15СГ разрывает цепь питания катушки контактора К02, кохорый выключает обе ступени электрокалорифера. При температуре в воздушном канале ниже + 16 °С катушка ПТВ1 продолжает получать питание через контакт TBI (+8 °С) и замыкающий контакт ПТВ1 в проводах 15Е-15Ф.
Только при температуре ниже +8 °С размыкается термоконтактор TBI и катушка реле ПТВ1 теряет питание. Размыкающий контакт ПТВ1 в проводах 15СЖ-15СГ вновь подает питание на катушку контактора отопления К02, который включает электрокалорифер.
Включение электропечей осуществляется автоматически контактором отопления К01 под контролем терморегулятора ТР1, установленного в пассажирском помещении. При температуре в салоне ниже +11 °С контакт терморегулятора ТР1 15СБ-15СВ замкнут, катушка контактора К01 получает питание и включаются электропечи ЭП. При температуре воздуха выше +13 °С контакт терморегулятора размыкается, отключая контактор отопления /СО/, который выключает электропечи,ЭП. При понижении температуры воздуха ниже +11 °С контакт терморегулятора ТР1 замыкается, вновь включая контактор KOL Таким образом, в вагоне поддерживается постоянная температура около +13 °С.
Летом сезонный выключатель «.Отопление» каждого вагона должен быть разомкнут. При этом контакты выключателя 15С-15СА разрывают цепи питания катушек контакторов отопления К01 и К02, а также отключают делители напряжения в цепи питания катушек промежуточных реле ПТВ1.
При перегрузках в цепях электропечей и электрокалориферов срабатывает реле перегрузки отопления, которое своим контактом в проводах 15СА-15СБ отключает контакторы К01 и К02, что приводит к отключению системы отопления. Электрокалориферы отключаются контактором К02 при повышении температуры в вентиляционном канале свыше +105 °С. В этом случае срабатывают термоконтакты Т31...Т38, которые размыкают свои контакты в проводах 15СИ-30 цепи питания катушек контактора К02.
На моторном вагоне защита электродвигателей вентиляторов ДВ1 и ДВ2 от перегрузок осуществлена с помощью тепловых реле ТРЗ, ТР4, ТР5 и ТР6, а от коротких замыканий — предохранителями Пр42, Пр43. При срабатывании тепловых реле их контакты размыкают цепь питания катушки контактора КВ1, что приводит к отключению вентиляции и отопления калорифером.
Вентиляторы и отопление отключаются также при отпадании якоря реле напряжения вентиляторов PHBI (РНВЗ — в системе отопления кабины машиниста).
Отопление кабины машиниста включается кнопкой Кн23 «Обогрев кабины» (рис. 262). При этом контактором К03 включается малая ступень калорифера кабины. В воздушном канале на выходе калорифера кабины установлены термоконтакторы ТВ4 и ТВ5, которые управляют работой промежуточного реле ПТВ4. При температуре воздуха ниже +16 °С термоконтакторы ТВ4 и ТВ5 разомкнуты, катушка промежуточного реле ПТВ4 обесточена. При включении контактора КВЗ включается двигатель вентилятора кабины ДВЗ, а также получает питание катушка контактора отопления КОЗ. Контактор КОЗ включает две секции ЭКЗ и ЭК5 малой ступени калорифера. При температуре воздуха на выходе калорифера +20 °С термоконтактор ТВ5 включает реле ПТВ4, которое своим контактом в проводах 15ПБ-15ПВ отключает контактор КОЗ. Повторное включение электро-
калорифера произойдет при температуре ниже -\- 16 °С, когда термоконтактор ТВ4 разорвет цепь питания ПТВ4. Контакт ПТВ4 снова создаст цепь питания катушки контактора КОЗ.
Кнопкой Кн28 «Интенсивный обогрев» включается контактор отопления К04, который подключает дополнительную ступень электрокалорифера ЭК4.
Кроме калориферного отопления, в кабине установлены четыре электронагревательных элемента для обогрева подножек рабочего места машиниста и его помощника. Все элементы включены последовательно на напряжение 220 В и включаются выключателем В35 «Дополнительный обогрев кабины».
В аварийных режимах контакторы отопления КОЗ (К04) отключаются: при перегрузках — контактом реле РПО в проводах 15ПГ-15ГД; при перегреве воздуха в вентиляционном канале — термоконтактами Т39, Т310 в проводах 15Ж-30; при отключении двигателя вентилятора кабины ДВЗ — замыкающим блок-контактом КВЗ в проводах 15ПВ-15ПГ.
Обогреватель водяного бака туалета ОБТ, обогреватель сливной трубы ОСТ и обогреватель туалета ОТ через контакты переключателя ПОБ и предохранитель П38 подключены к проводам 61 и 62. При нахождении поезда в отстое, обогреватели ОБТ, ОСТ и ОТ переключателем ПОБ подключаются к розеткам внешнего питания Ш40 и 11141, расположенным под вагоном.
Управление дверями, освещением и прочие цепи. Управление дверями может производиться с пульта управления из кабины машиниста, а также из служебных тамбуров головного и хвостового вагонов. Открытие дверей осуществляется подачей напряжения на поездные провода 52 и 54 (рис. 263), от которых питаются вентили ВД1, ВД2, ВД5 и ВД6. Закрывание дверей осуществляется подачей напряжения на провода 53 и 55, которые осуществляют управление вентилями ВДЗ, ВД4, ВД7 и ВД8.
При управлении из кабины машиниста должны быть включены кнопки управления правых и левых дверей. Переключатель «Машинист — кондуктор» устанавливают в положение «Машинист». Управление дверями производят соответствующим двухпозиционным переключателем. Для управления дверями из служебного тамбура головного или хвостового вагона машинист устанавливает переключатель «Машинист — кондуктор» в положение «Кондуктор».
В пунктах оборота и при длительном отстое питание снимается с обоих вентилей, а двери при необходимости открывают и закрывают вручную.
Закрытое состояние дверей контролируется замыканием блокировок дверей БД1...БД8, которые включены в последовательную цепь. Если на всех вагонах поезда все двери закрыты, на пульте загорается сигнальная лампа Л1 «Контроль дверей», которая получает питание по поездному проводу 18 через контакты переключателя тормоза-/77" головного и хвостового вагонов.
Освещение пассажирских помещений включают кнопкой «Освещение» на головном вагоне. При этом от поездного провода 37 получают питание катушки контакторов освещения ОС, которые своими контактами в проводах 67А-67Б и 67В-67Г подают напряжение на лампы освещения пассажирских помещений. Лампы собраны в две группы, которые защищены предохранителями Пр16 и Пр17 на моторном вагоне (Пр1 и Пр2 на головном и прицепном вагонах). Дежурное освещение включается тем же контактором ОС через размыкающий контакт КНТ, а также выключателем «Дежурное освещение» на данном вагоне.
Прожектор включают переключателем В4, имеющим три положения: «Включен», «Тусклый сеет» и «Яркий сеет». Для увеличения интенсивности освещения контактами переключателя шунтируется резистор /?// в цепи лампы прожектора.



Обогрев лобовых и боковых стекол кабины машиниста включают выключателем «Стеклообогрев» на пульте в кабине машиниста. Питание к нагревательным элементам подается от провода 15 через предохранитель Пр53. Режим нагрева стекол в зависимости от температуры наружного воздуха обеспечивается различным соединением нагревательных элементов панелей. Переключатели режимов стеклообогрева расположены на одном блоке с выключателем стеклообогрева и имеют четыре положения.
В положении переключателя «Слабый-» нагревательные элементы внутренней и внешней панелей соединены последовательно. При этом осуществляется режим «Слабый нагрев» для предотвращения запотевания при невысоких отрицательных температурах. В положении переключателя «Внешний» включен нагревательный элемент наружной пластины. При этом осуществляется режим «Нормальный нагрев внешний», используемый при заиндевении панели снаружи. В положении переключателя «Внутренний» осуществляется режим «Нормальный нагрев внутренний», используемый при запотевании панели со стороны кабины или при выходе из строя внешнего стекла. В положении переключателя «Интенсивный» оба нагревательных элемента включены параллельно и осуществляется режим «Интенсивный нагрев», используемый при температуре наружного воздуха ниже —20 °С только для ускоренной подготовки панели к эксплуатации для устранения обледенения.
Обогрев маслоотделителя включают нажатием кнопки «Обогрев маслоотделителя» в кабине машиниста. При этом через предохранитель Пр23 по проводу 39 подается питание на обогреватель маслоотделителя и влагосборника.
Верхний и нижний сигналы получают питание от провода 15 через предохранитель Пр19 при включении соответствующих кнопок. Через предохранитель Пр18 при включении соответствующих кнопок и выключателей получают питание лампы освещения кабины, пульта, коридора, маршрутного расписания, а через предохранитель Пр7 — лампы дежурного освещения салона, чердаков, туалетов, шкафов, маршрутных фонарей.
Вентиль песочниц КП управляется по поездному проводу 59 из кабины машиниста кнопкой «Песочницы».
Цепи локомотивной сигнализации и тормозов, усилителя радиооповещения получают питание напряжением 50 В от аккумуляторной батареи через контакты БК в проводах 78В-78Г или 78Ж-78Г. На вход устройства питания В-100 аппаратуры оповещения ТОН подается переменное напряжение от проводов 61 и 62 через предохранитель Пр48. Радиостанция получает питание от провода 15 через предохранитель Пр52 и контакты выключателя В31.
Схемы сигнализации. Для контроля нормальной работы электрооборудования поезда, оповещения о возникновении неисправностей и указания места их возникновения электропоезда оборудованы системой сигнализации, в которую входят лампы на пульте управления в кабине и на торцах вагонов и сигнальные реле (бленкеры), установленные в вагонах.
На пульте управления в кабине машиниста установлены сигнальные лампы ЛК, ВВ, «Вспомогательные цепи», «Напряжение сети», «Боксование», «Зарядный агрегат».
Сигнальная лампа ЛК получает питание по проводу 1А при установке рукоятки контроллера машиниста в маневровое или другое ходовое положение через блок-контакт линейного контактора ЛК2. Эта лампа горит только в течение промежутка времени от установки рукоятки контроллера машиниста на ходовую позицию до полного включения всех линейных контакторов, после чего блок-контакт
ЛК2 разрывает цепь и лампа гаснет, что свидетельствует о нормальной работе оборудования. Если один из линейных контакторов не включился, лампа горит постоянно, пока рукоятка контроллера машиниста находится в -ходовом положении.
Для того чтобы определить, на каком вагоне возникла неисправность, нужно при рабочем положении рукоятки нажать на кнопку «Бленкеры», установленную на пульте управления, тем самым соединив провод 6 с проводом 30.
В этом случае на неисправном вагоне получит питание катушка сигнального реле БС от провода ЗА через блок-контакт ЛК2. При этом выпадает сигнальный флажок бленкера. Кроме того, замыкается контакт БС, подавая питание на лампы СНВ на неисправном вагоне.
В случае устойчивой неисправности для контроля работы аппаратуры остальных вагонов разъединитель управления РУМ неисправного вагона можно выключить, тем самым отключив подачу сигнала неисправного вагона на сигнальные лампы ЛК, ВВ, «Напряжение сети», «Боксование».
Лампа ЛК загорается при:
неисправной работе системы управления контакторами ЛК1 и ЛК2;
недопустимом повышении температуры масла трансформатора (замыкается контакт ТРТ в цепи катушки бленкера БТМ; при этом выпадает сигнальный флажок бленкера и размыкается контакт БТМ в цепи катушки ЛК1);
срабатывании защиты выпрямительной установки (блок-контакт КЗ разрывает цепь питания катушки ЛК1. Одновременно в блоке ускоренного отключения ВВ загорится красная лампа Л2);
перегрузках в цепи тяговых двигателей, (размыкается контакт РП в цепи питания катушки ЛК1). Группу двигателей, в которой произошла перегрузка, определяют по сигнальному флажку РП;
отсутствии напряжения в контактной сети (при отсутствии напряжения разомкнут контакт в проводах 15Д-15У реле РН, находящийся в цепи катушки контактора КНТ). Контактор выключен и своим контактом в проводах 11Г-11Д разрывает цепь Л К. В этом случае одновременно горит лампа «Напряжение сети»;
незапуске расщепителя фаз (блбк-контакт КНТ разрывает цепь питания катушки ЛК1);
отключении высоковольтного выключателя (разомкнут блок-контакт КЗ в проводах ПА-ПК)- В этом случае одновременно горит лампа ВВ.
Сигнальная лампа ВВ загорается при выключенном высоковольтном выключателе хотя бы на одном из моторных вагонов. В этом случае лампа ВВ получает питание по цепи, проходящей через контакт РУМ в проводах 15А-15Я и блок-контакт ВВ в проводах 15Я-32.
Сигнальная лампа «Напряжение сети» загорается при отсутствии напряжения во вспомогательных цепях. В этом случае замыкается контакт повторителя реле напряжения ПНФ в проводах 15Я-34 и лампа «Напряжение сети» получает питание. При исправности цепи ПНФ по этой лампе определяют, что все токоприемники подняты, в контактной сети имеется напряжение, на всех моторных вагонах включены выключатели ВВ и АВ, запущены и работают расщепители фаз АРФ.
Загорание сигнальной лампы «Боксование» свидетельствует о начавшемся боксовании одной из колесных пар моторных вагонов и включении реле боксо-вания РБ. После прекращения боксования лампа гаснет. Питание лампы осуществляется от провода 35 через контакт РБ в проводах 15Я-35. Если лампа
«Боксование» горит дольше 3—5 с, необходимо рукоятку контроллера машиниста установить в нулевое положение и произвести повторный пуск.
Сигнальная лампа «Зарядный агрегат» получает питание от провода 15ЕИ через контакт реле РН1 в проводах 15ЕА-15ЕИ. Лампа «Зарядный агрегат» загорается при отключении реле РН1, которое может быть вызвано: сгоранием предохранителя ПрЮ; недопустимым повышением напряжения цепей управления, когда срабатывает реле максимального напряжения РМН, которое отключает контактор трансформатора КТ; потерей напряжения во вспомогательной цепи соседнего моторного вагона.
Лампа «Защита вспомогательных цепей» загорается при неисправности в системе отопления и вентиляции вагонов, а также при аварийных режимах работы двигателей компрессоров. Одновременно загораются лампы СНВ на неисправном вагоне.
При срабатывании тепловых реле защиты электродвигателя компрессора ТР7, ТР8 их контакты размыкаются, разрывая цепь катушки ПРК. Контакт ПРК в проводах 15Ц-15Щ включает лампы неисправного вагона СНВ, а контакт ПРК в проводах 15Ц-15У подает питание на поездной провод 33, от которого питается лампа на пульте управления «Защита вспомогательных цепей».
Срабатывание всех видов защиты системы вентиляции и отопления приводит к загоранию сигнальной лампы «Защита вспомогательных цепей» на пульте управления и ламп СНВ на неисправном вагоне. Питание на провод 33 подается контактами реле термоавтоматики вагона РТВ в проводах 15А-15Ы, а на лампы СНВ — контактами РТВ в проводах 15А-15Ш.
При устойчивой неисправности компрессора или системы вентиляции и отопления одного из вагонов для возможности осуществления контроля на остальных вагонах на неисправном можно отключить СОВ и СМК, тем самым прекратить подачу сигнала с неисправного вагона на лампы «Защита вспомогательных цепей» и СНВ.
|
|