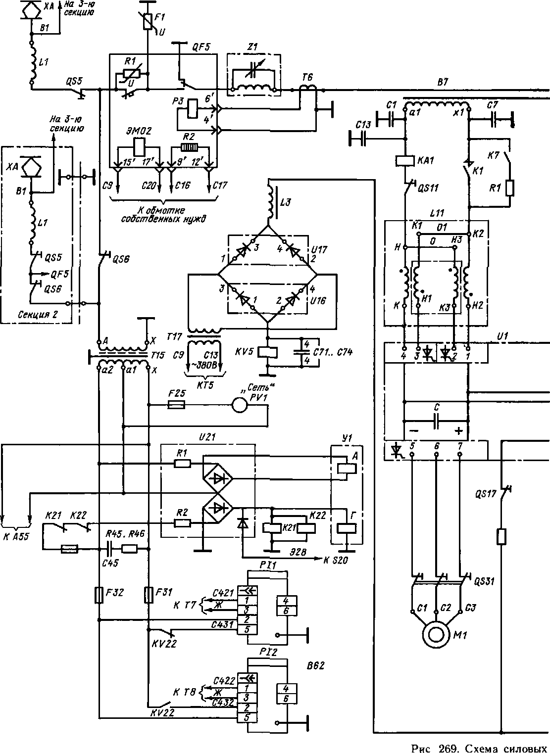
На каждой шестиосной секции электровоза для преобразования однофазного тока промышленной частоты в трехфазный регулируемых частоты и напряжения установлены три однофазных преобразователя напряжения Ul—U3 (рис. 269) с промежуточным звеном постоянного тока и трехфазными автономными инверторами. Выпрямительная часть преобразователя для двух тяговых двигателей Ml, М2; МЗ, М4 или М5, Мб состоит из двух пар тиристорно-диодных мостов, каждая из которых получает питание от отдельной тяговой обмотки al—xl, а2—х2, аЗ—хЗ, а4—х4, а5— х5, аб— хб трансформатора через реакторы LU—L16. На стороне постоянного тока все мосты соединены параллельно. Тиристорные плечи управляются по методу широтно-импульсной модуляции
(ШИМ). Такой способ позволяет поддерживать неизменным напряжение на выходе выпрямителя (1670 В) независимо от колебаний напряжения на токоприемнике электровоза, кроме того, почти устраняется фазовый сдвиг между напряжением и током, в результате чего коэффициент мощности электровоза становится близким к единице. В тяговом режиме преобразователь выпрямляет ток и большая часть энергии передается диодами. При рекуперации наибольшая токовая нагрузка приходится иа тиристоры, а через диоды протекает лишь реактивная составляющая тягового тока.
Звено постоянного тока преобразователя состоит из батареи С, фильтровых конденсаторов, которые служат накопителем энергии, обеспечивающим постоянство мощности на валах тяговых двигателей М1—Мб независимо от пульсаций в контактной сети Для управления тиристор-ными плечами инвертора, как и выпрямителем, применяется широтно-импульс-иая модуляция. Каждый тяговый двигатель получает энергию от своего инвертора, что позволяет осуществлять при необходимости индивидуальное регулирование силы тяги.
В цепях электровоза отсутствуют традиционные реверсивные и тормозные переключатели. Изменение направления движения и перевод из тягового в тормозной режим и обратно осуществляются в соответствии с алгоритмом управления инвертором по команде от контроллера машиниста.
Полупроводниковые приборы преобразователей скомпонованы в силовые модули по шесть штук. Каждый из полупроводниковых приборов размешается между двумя медными пустотелыми охладителями. В схеме циркуляции теплоотво-дящей жидкости они включены последовательно. Сам модуль подключен к системе охлаждения быстроразъемными самозапирающимися штуцерами. Это позволяет быстро заменять весь модуль, не сливая жидкость и не теряя ее.
При частоте сети 50 Гц рабочая частота тиристоров довольно высокая (около 250 Гц), а поэтому велики потери энергии в трансформаторе и однофазном преобразователе. В то же время способ-


ность цепей преобразователя работать с коэффициентом мощности, близким к единице, является его ценным качеством.
|
|