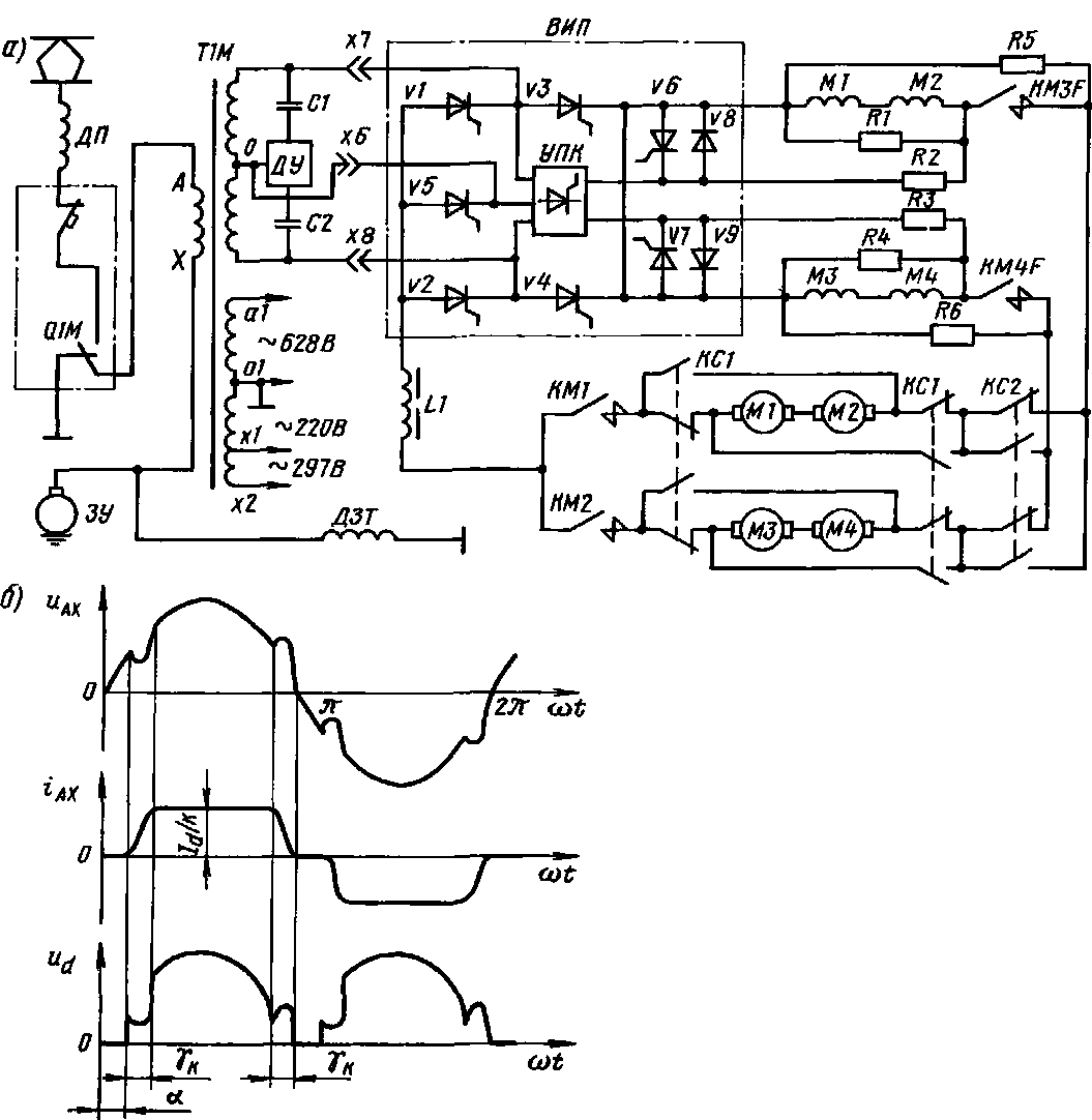
Схемы цепей электропоезда ЭР29 предусматривают импульсно-фазовое регулирование напряжения при отсутствии короткого замыкания секций вторичной обмотки тягового трансформатора Т1М (рис. 271, а и б) в моменты коммутации тока нагрузки с одного плеча ВИП на другое, что обеспечивается колеба-
тельным процессом в контуре, состоящем из вторичной обмотки и подключенных через демпферное устройство ДУ конденсаторов входного фильтра С1 и С2. Импульсно-фазовое регулирование позволяет повысить коэффициент мощности до 0,95 при полном выпрямленном напряжении и уменьшить мешающее влияние ВИП на линии связи. Применена также принудительная коммутация плеч преобразователя. Обеспечиваются следующие режимы работы: маневровый, автоматический пуск до максимального ослабления возбуждения тяговых двигателей от преобразователя УПК; рекуперативное торможение от максимальной скорости до 5—10 км/ч; рекуперативное торможение, действующее одновременно с электропневматическим на прицепных вагонах, автоматическое замещение рекуперативного торможения электропневматическим при дотормаживании на остановках и в случае неисправности цепей рекуперативного торможения; бездуговое оперативное отключение цепи тягового и тормозного тока двигателей Режимы работы задают контроллером машиниста, штурвал которого имеет 10 положений: нулевое, два тяговых и семь тормозных. Уставка пускового тока устанавливается с помощью дополнительного переключателя, тормозного — штурвалом контроллера машиниста. Сигналы задания режимов работы передаются напряжением постоянного тока ПО В,
Преобразователь ВИП моторного вагона подключен к тяговому трансформатору ТІМ прицепного вагона через три высоковольтных разъема хб, х7 и х8; к ВИП через общий сглаживающий реактор LI, линейные контакторы КМ1, КМ2 и защитные KM3F, KM4F подключены две группы тяговых двигателей Ml, М2 и МЗ, М4 последовательного возбуждения. Направление движений и режимы работы электропоезда (тяга — тормоз) изменяют контакторами переключателя KCl. Чтобы ток равномерно распределялся по параллельным группам тяговых двигателей при рекуперативном торможении, обмотки возбуждения и якорей включаются контакторами переключателя КС2 по перекрестной схеме.
Преобразователь имеет главные плечи VI — V4 и переходное плечо V5. Парал-

Рис. 271. Схема силовых цепей вагонов электропоезда ЭР29 (а) и кривые выпрямительного напряжения при им-пульсно-фазовом регулировании (б)
лельно катодным плечам УЗ, У4 подключен узел принудительной коммутации (УПК)- Плавное ослабление возбуждения тяговых двигателей при пуске и рекуперации осуществляют тиристоры плеч У6, У7, шунтированные диодами У8, У9. Выключение тиристоров осуществляется общим УПК- Ограничение допустимого по коммутации коэффициента возбуждения обеспечивается добавочными резисторами Я1, Я4
В начале положительного полупериода напряжения ток замыкается через плечи VI, УЗ, образующие буферный контур. При угле регулирования а включается переходное плечо У5, замыкающее цепь тока нагрузки через одну вторичную полуобмотку 0—/ трансформатора ТІМ.
Когда ток в его первичной обмотке достигает значения /д^= 1цк (где к — коэффициент трансформатора), соответствующего приведенному току нагрузки, включается вентильное плечо У2. При этом образуется цепь тока нагрузки через всю вторичную обмотку /—2 трансформатора; демпферное устройство ДУ отключает конденсаторы фильтра. Выпрямленное напряжение ы«г при этом равно напряжению вторичной обмотки.
До окончания данного полупериода напряжения в течение времени, соответствующего углу коммутации у , равного полупериоду собственных колебаний фильтра, УПК выключает вентильное плечо УЗ, выводя вторичную полуобмотку О—/ из цепи тока нагрузки. Полуобмот-
ка 0—2 остается подключенной к нагрузке через УПК и вентильное плечо У2. В течение 7к конденсаторы фильтра подсоединены к полуобмоткам трансформатора, и ток в его первичной обмотке плавно уменьшается по косинусоидаль-иому закону до нуля. После выключения УПК вторичная обмотка /—2 отсоединяется от нагрузки, ток тяговых двигателей замыкается чepeз^ вентильные плечи У2, ]/4, образующие буферный контур. В отрицательный полупериод напряжения сети процессы протекают аналогично.
Тяговый режим осуществляется следующим образом. После установки штурвала контроллера машиниста в одно из тяговых положений вал реверсивного переключателя КС1 поворачивается в положение, соответствующее направлению движения, а вал тормозного переключателя КС2 — в положение тяги с последовательным включением обмоток возбуждения и якорей двигателей Регулирование тока и напряжения разрешается после включения линейных контакторов КМ1, КМ2. На маневровой позиции контроллера ток двигателей регулируется до заданного напряжения 300 В, которое затем поддерживается на постоянном уровне.
В тяговом положении рукоятки контроллера вначале происходит плавное регулирование напряжения двигателей изменением угла включения тиристоров плеч VI, У2, У5. Когда напряжение ил достигает полного, автоматически ослабляется возбуждение двигателей регулированием угла включения шунтирующих тиристоров плеч Кб", У7. При этом поддерживается заданная уставка пускового тока якорей до скорости, соответствующей характеристике минимального ослабления возбуждения. Далее поезд разгоняется на автоматической характеристике, соответствующей минимальному коэффициенту ослабления возбуждения При оперативном отключении тяговых двигателей ток якорей вначале плавно уменьшается до нуля, выключаются преобразователь ВИП, а затем линейные контакторы КМ1, КМ2.
Когда рукоятку контроллера устанавливают в одно из тормозных положений, вал реверсивного переключателя КС1
поворачивается в положение, противоположное тяговому. Тормозной переключатель КС2 подключает обмотки возбуждения параллельных групп двигателей М1—М4 по перекрестной схеме После включения линейных контакторов КМ1, КМ2 начинается торможение с противовключением двигателей до тех пор, пока ток в цепи якорей не достигнет 100 А Затем ВИП автоматически переходит в инверторный режим и происходит рекуперативное торможение с самовозбуждением двигателей.
В зоне высоких скоростей тормозной ток регулируется плавным изменением коэффициента ослабления возбуждения (изменением угла включения шунтирующих тиристоров плеч Кб, VI), при низких скоростях — плавным изменением среднего значения э.д.с. трансформатора (регулированием угла включения тиристоров плеч VI, У2, У5).
При скоростях торможения выше 84 км/ч ток якорей имеет ограничение по коммутации тяговых двигателей иа уровне 320 А (с одноступенчатым переходом на допустимую уставку по тормозной силе — 460 А). Оперативное отключение цепи тормозного тока осуществляется так же, как в тяговом режиме.
Постоянное ускорение или замедление поезда независимо от загрузки-вагонов обеспечивает авторежимное устройство. Оно корректирует заданную уставку пуско-тормозного тока. Защита тяговых двигателей от перегрузок и коротких замыканий осуществляется быстродействующими контакторами КМЗР, КМ4Р с электронным управлением Защита преобразователя и трансформатора в случае коротких замыканий, замыканий на землю и атмосферных перенапряжений обеспечивается так же, как на электропоезде ЭР9Е Дополнительно ВИП снабжен электронной защитой от перенапряжений в УПК при нарушении алгоритма управления тиристорами.
Блоки управления движением выполнены на интегральных микросхемах серий КМ511 и К553. Их напряжение питания ±15 В стабилизируется ключевым транзисторным стабилизатором и потенциально развязано с поездными цепями. В блоках управления предусмотрены также ячейки диагностики.
|
|