По монтажу цепи управления разделяют на одно- и двухпроводные: в одно-проводиых вторым проводом служит корпус локомотива, в двухпроводных имеются изолированные от корпуса цепи, к которым присоединяют «плюс» и «минус» от источников энергии.
Монтаж однопроводных цепей проще, дешевле: проводов требуется примерно на 10—20% меньше, чем для монтажа двухпроводных. Замыкание однопровод-ной цепи иа корпус в одной точке приводит к перегоранию предохранителя, т. е к отключению цепи. Однако проверить исправность изоляции в однопроводных цепях трудно, это связано с затратой большего времени, так как необходимо отсоединять от корпуса в различных местах значительное число проводов. Кроме того, в болтовых соединениях повышается действие электрокоррозии, а также изменяется напряжение в цепи. Чтобы стабилизировать напряжение по отношению к корпусу, иногда на электровозах (ЧС2, ЧС4, ЧС4Т, ЧС6, ЧС7, ЧС8, ЧС200 и др.) однопроводную систему дополняют вторым проводом (например, на ЧС2 — провод 499, на ЧС4 — провод 999 и т. д.), который в нескольких местах соединяют с корпусом.
Надежность двухпроводной цепи выше, так как замыкание на корпус в одном месте не приводит к прекращению работы электрических аппаратов Однако в случае замыкания на землю двух и более проводов цепей управления возможны нарушения работы системы управления и сгорание предохранителей. На отечественных электровозах, как правило, применяют одиопроводные цепи управления, на электропоездах и тепловозах — двухпроводные. За рубежом (в Англии, Швеции, Швейцарии и др.) на э.п с. чаще используют двухпроводные цепи управления.
Различают схемы цепей управления контактные и бесконтактные Первые применяют при использовании контактных коммутирующих аппаратов, вторые — при силовых тиристорных преобразователях, а также для выполнения отдельных функций (в качестве блокировок и др.).
Контактные блокировки в цепях управления реверсорами, тормозными переключателями и 1-й позиции. Контакты реверсоров и тормозных переключателей не имеют дугогасительных устройств, поэтому они должны переключать только обесточенные силовые цепи Одновременно необходимо обеспечить замыкание силовой цепи только после поворота валов или барабанов переключателей в положение, соответствующее положению рукояток контроллера машиниста. На каждом контроллере реверсивная рукоятка механически сблокирована с главной (см. § 74), чем исключается возможность ошибочного перевода его реверсивного вала, когда главная рукоятка находится не на нулевой позиции, т. е. при замкнутой силовой цепи. Однако приходится применять еще электрическое блокирование, чтобы обеспечить замыкание силовой цепи только после поворота вала реверсора в положение, соответствующее положению реверсивной рукоятки независимо от давления сжатого воздуха и степени пропуска его манжетами привода реверсора.
Если установить, например, реверсив-но-селективную рукоятку контроллера машиниста в положение М Вперед, а главную — иа 1-ю позицию (рнс 272, а), то от провода НПО (Н111) напряжение будет подаваться на провода Н235 {И222) и Н237 (Н224), а от провода Н237 (Н224) через контактор реверсив-но-селективного вала — на провода / (2) и 3. Провод 3 подводит напряжение к катушкам вентилей ТК1-М и ТКП-М тормозных переключателей, провод 1 — к катушкам вентилей Вперед I и Вперед II реверсоров.

Рис. 272. Схемы блокировок в цепях управления реверсорами, тормозными переключателями, 1-й позиции на электровозе ВЛ10, ВЛ107 (а), реостатного контроллера с приводом Л Н Ре-шетова на электропоездах постоянного тока (б) и узлы схемы управления с электрическими блокировками прямых и обратных переходов (в—е)
Валы тормозных переключателей поворачиваются в положение тягового режима, а реверсоров — в положение Вперед, при этом замыкаются все блок-контакты ТК1-М, ТКП-М, Вп1 и В/г//. Тогда от провода / через блок-контакты ВпП, Вп1, провод Н52, блок-контакт ТК1-М, провод Н53, замыкающий контакт быстродействующего выключателя 51-1 напряжение подается на провод КИ- В результате этого возбуждаются катушки вентилей линейных контакторов
3- 1, 4-1 и 3-2, цепь которых со стороны корпуса кузова замыкается по проводу Н65, блок-контакт КСПО-С, провод Н66, блок-контакт КСШ-С-СП, провод К20, блок-контакт КСПП-С-СП, провод О, контакторы главного вала и тормозного вала контроллера машиниста
Из рис. 272, а видно, что блок-контакты реверсоров ВпП, Вп1, быстродействующего выключателя 51-1, тормозных переключателей ТКП-М, ТК1-М, групповых переключателей КСПО-С, КСП1-С-СП, КСПП-С-СП и контакторы главного и тормозного валов контроллера машиниста обеспечивают включение линейных контакторов 3-1, 4-1, 3-2, а следовательно, замыкание силовой цепи только после включения быстродействующего выключателя 51-1 и установки: реверсоров в положение, соответствующее положению реверсивно-селективной рукоятки; тормозных переключателей в тяговый режим; групповых переключателей КСПО, КСП1 и КСПП в положения, соответствующие последовательному соединению тяговых двигателей; главной рукоятки на 1-ю позицию, а тормозной — на нулевую.
При включении линейного контактора 4- 1 замыкается его блок-контакт в проводах Н65-Ж, который шунтирует все блокировки групповых переключателей и контакторы контроллера машиниста в проводах Н65, Н66, К20, О, Ж-
При такой системе блокировок машинист должен задержать главную рукоятку на 1-й позиции, чтобы обеспечить срабатывание аппаратов в определенной последовательности. Перевод главной рукоятки на следующие позиции (на 2- ю и др.) прн неоконченном процессе включения аппаратов вызовет размыкание цепи провода 0 контакторов главного вала контроллера машиниста, и линейные контакторы 3-1, 4-1 и 3-2 не включатся. Если бы не было блокировки 1-й позиции, то при быстром переводе главной рукоятки на 2-ю и последующие позиции силовая цепь замыкалась бы при частично выведенных секциях пускового реостата и возникали бы недопустимые толчки силы тяги
В режиме рекуперации после включения преобразователя и установки рукояток — реверсивно-селективной, например, в положение П (параллельное соединение якорей тяговых двигателей), главной на позицию /, тормозной на позицию 02 — напряжение через контакторы реверсивно-селективного вала подается на провода 4,7 ц 24. По проводам 7 и 24 получают питание катушки вентилей групповых переключателей КСПО, КСП1 и КСПП, валы которых поворачиваются в положения, соответствующие параллельному соединению якорей тяговых двигателей. Замыкаются блок-контакты КСПО-СП-П, КСП1-П, КСПП-П. После этого возбуждаются катушки вентилей ТК1-Т и ТКП-Т тормозных переключателей, цепь которых со стороны корпуса замыкается через провод 26 и контактор тормозного вала контроллера машиниста. Их валы из тягового режима поворачиваются в тормозной при разомкнутой силовой цепи, так как цепь катушек вентилей линейных контакторов 3- 1 и 4-1 разомкнута блок-контактом ТКП-М. Провод 25 соединяется с корпусом только на 1-й тормозной позиции; когда валы тормозных переключателей находятся в тормозном положении, замкнуты блок-контакты ТК1-Т, ТКП-Т и включены контакторы 18-1 и 18-2 (на рис. 272, а эта цепь не показана). Система электрических блокировок в цепях управления реверсорами, тормозными переключателями и 1-й позиции, показанная на рис. 272, а, применена на электровозах ВЛ10, ВЛ10У и ВЛ8.
Питание катушек вентилей линейных, мостовых (на электропоездах) контакторов через блок-контакты реверсоров осуществляется на э.п с. всех серий отечественного производства. Однако блокировку 1-й позиции выполняют по-разному. При неавтоматическом управлении блокировки 1-й позиции включают в цепи аналогично схеме рис. 272, а, т. е. в соответствии с разверткой главного вала контроллера машиниста и поворотом вала групповых переключателей в исходное положение. Если валы переключателей не повернутся в положение последовательного соединения тяговых двигателей, то их блок-контакты КСПО-С, КСП1-С-СП, КСПП-С-СП в проводах 0-Н65 будут разомкнуты и цепь управления на 1-й позиции не соберется.
На электропоездах с автоматическим управлением главную рукоятку контроллера машиниста при пуске можно установить сразу в любое положение, а чтобы вывод ступеней пускового реостата происходил только при замкнутой силовой цепи, предусматривают систему блокировок При отсутствии таких блокировок вывод ступеней пускового (тормозного) реостата начинался бы сразу после установки рукоятки контроллера машиниста в рабочее положение, прежде чем в силовой цепи и катушке реле ускорения появится ток и реле начнет контролировать процесс пуска (торможения) Обычно такие блокировки выполняют по схеме рис. 272, б.
На моторном вагоне, нвпример, электропоезда ЭР2 после подачи напряжения на провод ПА, поворота вала реверсора в положение Вперед и замыкания блок-контакта Вп возбуждается катушка вентиля мостового контактора M (при этом блок-контакт ЛК1-2 замкнут) Этим заканчивается замыкание (сборка) силовой цепи при нахождении главной рукоятки контроллера машиниста в положение M (маневровый режим). Если главная рукоятка была установлена сразу в положение /, то через контактор Кб контроллера машиниста напряжение подается на провод 10 и через провод 10А на моторном вагоне, контактор реостатного контроллера PK1-S, блок-контакт реле ускорения РУ, резистор Р40—Р41, блок-контакты мостового контактора М, переключателя вентилей ПВ2 и реле БР1 — на катушку вентиля Р/С/ привода реостатного контроллера. Вал реостатного контроллера поворачивается с 1-й позиции на 2-ю, выводя из силовой цепи ступень пускового реостата под контролем реле ускорения. Таким образом, независимо от нахождения главной рукоятки контроллера машиниста вал реостатного контроллера поворачивается с 1-й позиции на последующие только при полностью собранной силовой цепи и токе тяговых двигателей, меньшем тока уставки реле ускорения.
Контактные блокировки на электровозах с индивидуально-групповой системой управления. Блокировки прямых переходов. Их предусматривают для обеспечения срабатывания аппаратов силовой цепи в определенной последовательности, что позволяет в ряде случаев предотвратить опасные переключения при неисправности отдельных аппаратов, упростить контроллеры машиниста и снизить стоимость монтажа Блокировки прямых переходов обычно применяют электрические, реже — электромагнитные, пневматические.
На 1-й позиции замкнута цепь катушки контактора 67 (рис 272, в), а на 2-й — цепь катушки контактора 65. При переводе рукоятки на 2-ю позицию контактор 67 включается. Схема рис. 271, в не определяет очередности действия контакторов 67 и 65: контактор 67 может выключаться раньше или позже, чем контактор 65 Поэтому схема рис. 272, в пригодна только в тех случаях, когда очередность действия контакторов в силовой цепи безразлична. Если требуется включать контактор 65 только после выключения контактора 67, в цепь катушки контактора 65 вводят размыкающий блок-контакт контактора 67 (рис. 272, г). Если, например, требуется двумя контакторами обеспечить три ступени ослабления возбуждения, то в цепь катушки контактора 65 вводят параллельно блок-контакту 67 замыкающий блок-контакт контактора 65. В этом случае на 2-й позиции будут включены блок-контакты 65 и 67, а на 3-й катушка контактора 65 будет продолжать питаться через собственный замыкающий блок-контакт.
Аналогичные приемы используют также для взаимного блокирования индивидуальных контакторов с групповыми переключателями (см. рис. 272, а, проволаО-Н65,К11— К22 и др.). Если требуется, чтобы на определенной позиции вала, например, реостатного контроллера выключался или включался какой-либо индивидуальный контактор, то в цепь его катушки вводят соответствующий блок-контакт Р/С (см. рис. 272, б, провода 11Д—НЕ и др.).
Увеличение числа блок-контактов усложняет конструкцию аппарата и снижает надежность локомотива. Поэтому всегда стремятся уменьшить их число. Для упрощения системы блокировок иногда используют выдержку во времени действия аппаратов (например, групповых аппаратов и индивидуальных контакторов)
Блокировки обратных переходов. При переводе главной рукоятки контроллера машиниста с высших позиций на низшие для получения необходимой последовательности обратного перехода часто требуется систему блокировок и развертку вала контроллера выполнять иначе, чем при прямом переходе. Кроме того, индивидуальные контакторы и групповые переключатели имеют разное время срабатывания. Чтобы обеспечить строгую последовательность выключения и включения контакторов, исключить разрыв силовой цепи индивидуальными контакторами при обратном переходе, в цепи управления вводят дополнительные блокировки (электрические блокировки, блокировочные вентили включающего действия и др.).
Рассмотрим ряд примеров. На 28-й позиции (рис 272, д) — 1-й реостатной позиции параллельного соединения тяговых двигателей — ряд реостатных индивидуальных контакторов 45, 52, 39 и др (которые для упрощения схемы на рис. 272, д не показаны) выключены и в силовую цепь. На 1-й реостатной позиции параллельного соединения тяговых двигателей включены секции пускового реостата. При переводе с 28-й на 27-ю позицию цепь питания провода 3 размыкается, а цепь провода 2 замыкается. Возбуждаются катушки вентилей КСП привода и вал группового переключателя поворачивается, переходя из положения, соответствующего параллельному, в положение, соответствующее последовательно-параллельному соединению. Замыкается блок-контакт КСП-СП в проводах 2—1Д, и включаются реостатные контакторы 52, 45, 39, которые шунтируют секции пускового реостата в цепи тяговых двигателей. Если бы не было блокировки КСП-СП в проводах 2—1Д, то при переводе главной рукоятки с 28-й на 27-ю позицию до момента поворота вала группового переключателя в последовательно-параллельное положение из-за разности времени срабатывания его привода сразу же включились бы индивидуальные реостатные контакторы 45, 52, 39 и др. и шунтировали бы секции пускового реостата. В результате тяговые двигатели сразу же переключались бы с 28-й на 36-ю позицию (безреостатную параллельного соединения), что привело бы к значительному толчку тока и перегрузке двигателей. Эта перегрузка была бы особенно большой, если главную рукоятку переводили бы с 27-й на 28-ю позицию, а затем обратно на 27-ю, т е. если процесс перехода совершался при незначительной скорости.
Если главная рукоятка при обратном движении переведена быстро, без задержки на 16-й позиции, то линейный контактор 55 выключается только после включения контактора 47 До этого катушка вентиля контактора 55 получает питание от провода 10 через замыкающий блок-контакт контактора 47 (он остается включенным до 1-й позиции) и размыкающий блок-контакт контактора 47. При прямом переводе главной рукоятки с 16-й на 17-ю позицию катушка вентиля контактора 55 получала питание от провода 6 через замыкающий блок-контакт контактора 47. От этого провода возбуждалась в первый момент и катушка вентиля контактора 49 через размыкающий блок-контакт своего контактора. Таким образом, благодаря наличию блокировок контакторов 49 и 47 в проводах 6-10-6А-6Б осуществляется перевод питания катушек вентилей контакторов 49 и 47 с провода 6 на провод 10, чем исключается разрыв силовой цепи при переходе с последовательно-параллельного на последовательное соединение тяговых двигателей.
Перевод питания катушек вентилей с одного провода на другой с целью обеспечения нужной последовательности срабатывания аппаратов широко применяют на электровозах постоянного тока ВЛ10, ВЛ8 и др. Однако, как видно из схемы рис. 272, д, строгая последовательность включения и выключения аппаратов при прямом и обратном перемещении главной рукоятки достигается применением большого числа блок-контактов. На ряде электровозов (ВЛ22М без рекуперации, ВЛ23 и др.) для уменьшения их числа установлены электропневматические блокировочные вентили включающего действия. В этом случае при переводе главной рукоятки с 36-й на 28-ю позицию происходит выключение и включение реостатных контакторов согласно развертке кулачковых шайб главного вала контроллера машиниста. Перевод главной рукоятки с 28-й на 27-ю позицию вызывает снятие напряжения с провода 6 и подачу его на провод 5 и все провода реостатных контакторов (рис. 272, е). При этом прекращается питание катушки блокировочного вентиля 125 (так как блок-контакт КСП-СП в проводах 5-4А разомкнут) и подача сжатого воздуха к вентилям реостатных контакторов 7, 16 и 18 (например, на электровозе ВЛ22М без рекуперации к контакторам 7, 9, 10, 14, 15, 16 И 18). Реостатные контакторы, несмотря на возбуждение катушек их вентилей, не включаются, а цилиндры приводов их через вентиль 125 соединены с атмосферой. От провода 5 получают питание три катушки вентилей привода группового переключателя КСП, и его вал поворачивается в положение, соответствующее последовательно-параллельному соединению. В конце поворота вала замыкается блок-контакт КСП-СП в проводах 5-4А и возбуждается катушка вентиля 125. В результате этого включаются реостатные контакторы, которые питаются сжатым воздухом через вентиль 125, чем и обеспечивается необходимая последовательность включения аппаратов при переводе главной рукоятки с 28-й на 27-ю позицию. На электровозах ВЛ11 и др. для уменьшения числа контактных электрических блокировок применяют диоды.
Контактные блокировки на электровозах с групповой системой управления.
Если иа электровозах применяют многопозиционные главные контроллеры (на электровозах ЧС2, ЧС2Т, ЧС7 н др.), то последовательность действия силовых цепей обеспечивается простейшими следящими (на ЧС2, ЧС2Т, ЧС7 и др.) или шаговыми (на ЧС4, ЧС4Т, ВЛ60К, ВЛвО*, ВЛ80Т, ЧС8, ВЛ80С и др.) устройствами.
Например, в схеме следящего устройства (рис. 273, а) питание катушек 0471, 0482 сдвоенных электромагнитных вентилей привода главного контроллера осуществляется через контакты командного барабана 3012 контроллера машиниста по проводам 339, 340. На нулевой позиции штурвала катушки 0471 и 0482 не возбуждены и вал привода находится в положении /. Для того чтобы катушки 0471 и 0482 возбуждались и выключались в соответствии с положением кулачкового вала и вала пневматического привода, в цепь, связывающую эти валы и барабан 3012, введены электромагнитные защелки 3013 и 3014. В цепи катушек включены блок-коитакты вала привода, один из них 77(77, IV замкнут в положениях привода // и IV, а второй ГКІ, ПІ — в его положениях / и ///.
Эта электрическая связь исключает поворот барабана 3012 на следующую позицию, пока кулачковый вал главного контроллера не установится на позицию, соответствующую положению барабана.
После поворота вала в положение Вперед или Назад и замыкания его блок-контакта V — V напряжение с провода 300 подается на провод 330. Тогда возбуждается катушка защелки 3014 (цепь через блок-контакт ГКІ, Ш и контакты двухполюсного переключателя ЗОН защелок). Защелка освобождает храповик барабана 3012. При установке штурвала на подготовительную позицию X напряжение подается на провод 339, в результате чего возбуждается катушка 0471 привода. Вал его поворачивается на 90 ° в положение //, а кулачковый вал — на 7,5 °. Дальнейший поворот барабана 3012 задерживается защелкой 3013. На 1-й позиции штурвала по цепи, проходящей через предохранитель 318, получает питание катушка 0482 вентиля привода. Так как возбуждены катушки 0471 и 0482, вал привода поворачивается в положение ///, тяговые двигатели и секции пускового реостата соединяются последовательно и подсоединяются к токоприемнику. При перемещении штурвала контроллера машиниста на 2-ю и последующие позиции катушки 0471 и 0481 вентилей попеременно возбуждаются, и вал привода поворачивает кулачковый вал на следующие позиции. На каждой позиции барабан 3012 контроллера машиниста запирается защелкой, пока не завершится поворот вала привода на позицию, соответствующую позиции штурвала. Для перехода с высших позиций на низшие необходим обратный порядок действия защелок 3013 и 3014, что достигается переключением контактов переключателя ЗОН, механически связанного со штурвалом контроллера.

Рис. 273. Упрощенные схемы управления силовыми цепями на электровозах ЧС2, ЧС2Т (а) и
ЧС4, ЧС4Т (б)
На электровозах переменного тока с неавтоматической шаговой системой управления, кроме положений для шагового управления (например, -{-1 — набор по одной позиции, —/ — сброс по одной позиции на электровозе ЧС4 или ФП — фиксация пуска, РП — ручной пуск на электровозах ВЛ80Т, ВЛвО*, ВЛвО0, ВЛ60" и др.), предусматривают положения Автоматический набор, Автоматический сброс, на которых происходит быстрое вращение вала главного контроллера в сторону высших или низших позиций и отключение главного выключателя.
На электровозах ЧС4, ЧС4Т переключение ступеней тягового трансформатора осуществляет главный контроллер (переключатель ступеней) с пневматическим приводом (см. рис. 175). Так в схеме рис. 273, а, для управления приводом главного контроллера служат два вентиля, катушки 0158, 0159 которых получают питание через контроллер машиниста (рис. 273, б). Отличие состоит в том, что полный поворот кулачкового вала с одной позиции на следующую происходит при повороте вала привода главного контроллера в два положения — из / в /// или из /// в / и т д. В этом случае на нулевой позиции штурвала, после включения выключателя управления, поворота барабана реверсора в положение, соответствующее установке реверсивной рукоятки, например в положение ХВп (движение вперед), через систему блок-контактов подается напряжение на провод 415. От провода 415 через контакты А2 — В2 барабана 34021 контроллера машиниста, провод 419, контакты выключателя управления 368 получает питание катушка реле управления 353 и включаются его замыкающие контакты.
Набор 1-й позиции кулачкового вала осуществляется постановкой штурвала контроллера машиниста в положение (набор по одной позиции). При этом размыкаются контакты А2—В2 барабана 34021, однако питание катушки реле 353 продолжается по цепи: провод 404, замыкающий контакт реле управления 353, контакты К—I* барабана привода главного контроллера, замкнутые в положениях 1-11, ///-/V, замыкающий блок-контакт выключателя управления 368, провод 409, контакты С2— Б2 барабана 34021, провод 419. Замыкаются контакты Е2— Р2 барабана 34021 и через контакты і/ — V блокировочного барабана 01511 главного контроллера возбуждается катушка реле набора 351. Переключаются его контакты. Тогда через контакты реле 351 и привода ПК.І-Н, IV подается напряжение на катушку вентиля 0158. Вал привода поворачивается из положения / в положение // и от провода 404 через контакты реле 351 и привода ПКІІ-ІІІ получает питание катушка вентиля 0159. Вал привода поворачивается в положение III. В момент перехода из положения // в положение /// контакты К — барабана привода разомкнут цепи катушки реле 353, которое своим контактом разомкнет цепь подачи напряжения на провод 409 и обесточит катушку реле набора 351. Последнее замкнет свой размыкающий контакт и создаст новую цепь питания катушек вентилей 0158, 0159: размыкающий контакт реле сброса 352, провод 431, блок-контакт ПГКШ- Фиксируется /// положение привода, что соответствует 1-й позиции кулачкового вала главного контроллера. Чтобы набрать 2-ю позицию, машинист должен повернуть штурвал в нулевое положение, чем снова подаст питание на реле 353 (замкнутся контакты А2— В2 барабана 34021), и опять вернуть в положение -(-/, чтобы возбудить катушку реле 351, которое прервет питание катушки вентиля 0158. Вал привода повернется в положение /У, однако в нем не останется, так как в момент перехода из положения /// в положение IV разомкнётся цепь питания катушки вентиля 0159 (разомкнётся блок-контакт ПГК.ІІ-Ш)- При повороте вала привода из IV положения в положение / контакты £ — К его барабана разомкнут цепь питания катушки реле 353, которое своим замыкающим контактом разорвет цепь подачи напряжения на провод 409 и отключит реле 351. В результате вентили 0158 и 0159 окажутся невозбужденными и вал привода зафиксирует положение /, соответствующее 2-й позиции кулачкового вала.
Набор 3-й и всех нечетных позиций осуществляется аналогично набору 1-й позиции, а набор каждой четной позиции — набору 2-й. Для того чтобы набор позиции осуществлялся автоматически, штурвал поворачивают в положение «+». При этом контактами А2— В2 барабана 34021 создается постоянная цепь питания катушки реле 351. Последовательность включения и выключения катушек вентилей 0158, 0159 та же, что описана выше. Вал привода будет вращаться постоянно, так как катушки реле 353 и 351 все время возбуждены. Набор прекратится либо после того, как кулачковый вал повернется на 32-ю позицию (блок-контактом ГКО-31 прервется цепь питания катушки реле 351), либо после поворота штурвала в нулевое положение (контакты Е2 —• Р2 разомкнут цепь питания катушки реле 351).
Для сброса позиций штурвал поворачивают в положение —/ (сброс одной позиции) или в положение «—» (автоматический сброс). В этом случае вентилями 0158 и 0159 управляют реле 353 и реле сброса 352. Катушка реле 353 питается от провода 404 через замыкающий контакт реле 353, контакт ПК.П, 11т, 111, IV, кнопку маневрового контроллера набора позиций 344, блок-контакт выключателя управления 368, контакты С2—12—К2 барабана 34021, С? — Н барабана 01511 кулачкового вала. Цепь питания катушки реле 353 осуществляется так же, как при наборе. Катушки вентиля 0158 и 0159 питаются через размыкающие контакты реле 351, 352 и контакты барабана привода в последовательности, обратной той, которая была при наборе позиций, в результате вал привода вращается в обратную сторону. При автоматическом сбросе позиций (в положении «—») контакты А — В барабана 34021 замкнуты и вал привода вращается либо до нулевой позиции, либо до тех пор, пока штурвал контроллера машиниста не будет установлен в положение 0.
Для защиты переходных резисторов главного контроллера от перегорания в случае застревания кулачкового вала между позициями в цепи управления включено реле времени 356". Катушка К1 этого реле питается от провода 404 через контакты 5 — Т барабана привода. Если вал задержится между позициями дольше чем на 0,5—0,8 с, контакт реле 356 разомкнет цепь питания удерживающей катушки главного выключателя.
Маневровый контроллер с положениями кнопки Набор по одной позиции и Автоматический сброс установлен в кабине управления со стороны машиниста для удобства управления электровозом при маневрах.
Блокировки для обеспечения работы э.п.с. по системе многих единиц. При работе э.п.с. по системе многих единиц аппараты одного локомотива могут оказывать влияние на работу аппаратов другого. В схеме рис. 272, е провода 5, 6, 7, 14, 15 и 16 двух электровозов с индивидуально-групповой системой управления соединены через межэлектровозные соединения при работе по системе многих единиц. Предположим, что блок-контакты КСП-П в проводах 6-6А нет Тогда на 28-й позиции, например, на первом электровозе в случае неисправности привода группового переключателя его вал будет находиться в положении последовательно-параллельного соединения
На втором электровозе благодаря замкнутому блок-контакту КСП-СП в проводах 7—6А на первом электровозе (этот блок-контакт необходим для обеспечения требуемой последовательности срабатывания аппаратов) и подаче напряжения на провод 6 вал группового переключателя повернется в положение параллельного соединения тяговых двигателей Наличие блок-контакта КСП-П в проводах 6—6А исключает нарушение очередности срабатывания групповых переключателей на электровозах, работающих по системе многих единиц
Если имеется групповая система управления (на электровозах переменного тока) , то должна быть обеспечена синхронная работа групповых аппаратов, т. е. исключена возможность работы на различных ступенях напряжения, с различными силой тяги и нагрузкой тяговых двигателей. В этом случае в цепях управления предусматривают специальные блокировки, которые задерживают поворот вала аппарата, перешедшего на следующую ступень раньше, до тех пор, пока не завершится переход вала группового контроллера другого локомотива (или секции локомотива).
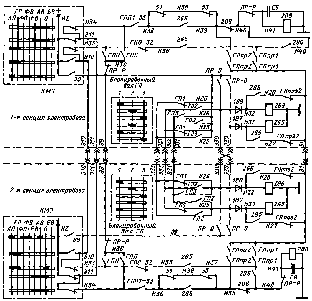
В качестве примера рассмотрим синхронизацию цепей групповых переключателей на электровозах ВЛ80К и ВЛ80Т. При синхронной работе аппаратов их валы находятся в одной и той же позиции и в обеих секциях замкнуты блок-контакты ГП1 (на позициях 1-й, 4-й, 7-й и т.д.), ГП2 (на позициях 2-й, 5-й, 8-й и т д.) или ГПЗ (на позициях Ш, 3-й, 6-й, 9-й и т.д.). Контакты реле синхронизации 265 и 266 (рис. 274) в цепи катушки контактора 208 серводвигателя привода переключателя разрешают набор (реле 265) и сброс (реле 266) позиций в обеих секциях.
В случае несогласованной работы переключателей (из-за быстрого перевода главной рукоятки контроллера КМЭ, заклинивания зубьев шестерни привода, нарушения цепи электродинамического торможения и др ) на одну позицию, когда главная рукоятка установлена в положении ФП или ФВ в секции, например 1-й, где переключатель находится на 4-й позиции, а во 2-й секции — на 3-й, от провода Э9, через блок-контакт ГШ, провод ЭЗЗ, межсекционное соединение, провод ЭЗЗ 2-й секции, блок-контакт ГПЗ и селеновый вентиль 187 подается напряжение на катушку реле 265 Одновременно через провод Э29, провод ЭЗО 1-й секции, селеновый вентиль 188 возбуждается катушка реле 266. Замыкаются контакты реле 265 и 266. Следовательно, во 2-й секции реле 265 разрешает набор позиции, а в 1-й — сброс. Для того чтобы валы переключателей сошлись на одну и ту же позицию, достаточно установить главную рукоятку в положение РП, PB, AU или АВ.

Рис. 274 Схемы цепей синхронизации работы главных переключателей электровоза ВЛ80К

Рис 275 Схема бесконтактной блокировки
Селеновые вентили 187 и 188 исключают возбуждение катушек реле 265 и 266 при работе групповых аппаратов. Если серводвигатели приводов вращаются с разной скоростью (например, в одной секции аккумуляторная батарея достаточно заряжена, в другой — разряжена), то при наборе или сбросе многих позиций может наступить рассогласование на одну позицию. Тогда реле 265, 266 становят вал опережающего переключателя и дадут возможность валу отставшему догнать его.
Все эти переключения производятся автоматически без вмешательства машиниста.
На электропоездах синхронизация групповых переключателей отсутствует, так как на каждом моторном вагоне переключение позиций контролируется собственным реле ускорения. Фиксация валов групповых аппаратов всех моторных вагонов на позициях, соответствующих положению главной рукоятки контроллера машиниста, обеспечивается системой блокировок (см. § 109).
Управление контактными аппаратами бесконтактными элементами. На бесконтактных элементах выполняют высоко-стабильиые усилители, реле, сложные и быстродействующие логические устройства и автоматические системы управления В таких системах используют электронные, микроэлектронные, в отдельных случаях транзисторно-магнитные элементы с прямоугольной характеристикой намагничивания. Для примера рассмотрим действие индукционного датчика и исполнительного органа, которые широко применяют в качестве бесконтактных блокировок, реле, контроллеров машиниста и в других устройствах.
Индукционный датчик имеет ферромагнитную систему с двумя зазорами а, и а2 (рис. 275), на стержнях которой расположены обмотки входная од5, питаемая от источника переменного тока, и выходные од/, од2, гюЗ и од4. Если зазоры а, и а2 одинаковы, выходные обмотки имеют равное число витков, и в один из зазоров не входит сектор с из материала с хорошей электропроводностью, магнитные потоки Ф, и Ф2 равны, э.д.с. всех выходных обмоток одинаковы по амплитуде и фазе, выходное напряжение близко к нулю. При введении в зазор а2 сектора с магнитный поток будет демпфировать вихревые токи и на выходе датчика возникнет переменное напряжение.
Исполнительным органом может быть транзистор ]/Т, триггер или тиристор, выходное напряжение которого используют либо для непосредственного питания катушки К аппарата, либо для питания логических элементов Для предотвращения воздействия перенапряжения на транзистор ]/Т при размыкании цепи катушки К она шунтирована диодом КО
|
|