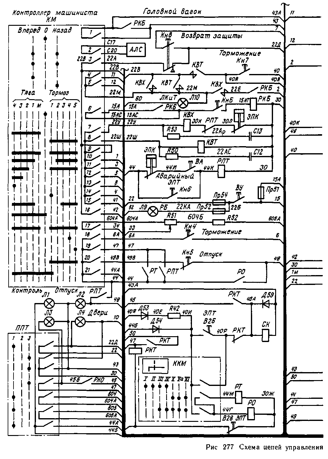
Тяговый режим. Чтобы осуществить пуск электропоезда1 (рис. 277), вначале нажимают на кнопку безопасности главной рукоятки КнБ, блокировка которой замыкает цепь питания катушки реле РКБ от провода 15 через предохранитель Пр51, провод 15А, контактор 6 главного вала. Реле РКБ срабатывает и замыкает свои контакты в проводах 15А — 15АС (шунтирует контактор 6 главного вала), 43А—43 (шунтирует контакт / реверсивного вала) и 22Е—2
Затем переводят реверсивную рукоятку в положение Вперед (или Назад) ; при этом замыкаются и размыкаются соответствующие контакты реверсивного вала. Катушка реле РКБ получает пи-
1 Действия аппаратов цепей управления на вагонах ЭР2Р и ЭР2Т в основном одинаковы Различия имеются только в выполнении электронных блоков
тание через собственный контакт в проводах 15А—15АС; подается также напряжение на провод 42 по цепи: провод 15, выключатель ВУ, предохранитель Пр54, провод 22, контакты тормозного переключателя ППТ, провод 22Д, блокировка кнопки Возврат защиты, контакт 3 реверсивного вала, провод 22В, контакт 16 главного вала, провод 42. После этого устанавливают главную рукоятку в маневровое положение М; при этом замыкаются контакты 7,9 к 17 главного вала. Напряжение с провода 22В через контакты 9 главного вала подается на провод 22Г, а через контакт 7 на катушку контактора времени хода КВХ по цепи: провод 22Г, блокировка ключа автостопа ЭПК, провод 30. Контактор КВХ включается и своими контактами в проводах 22В — 22М через контакты 4 (5) реверсивного вала подает напряжение на провод // (12), сигнальные лампы ЛК и Т, соединенную проводом 60 с проводом 30. Контакты КВХ в проводах 22М—22Е совместно с контактами РКБ подают напряжение на провод 2.
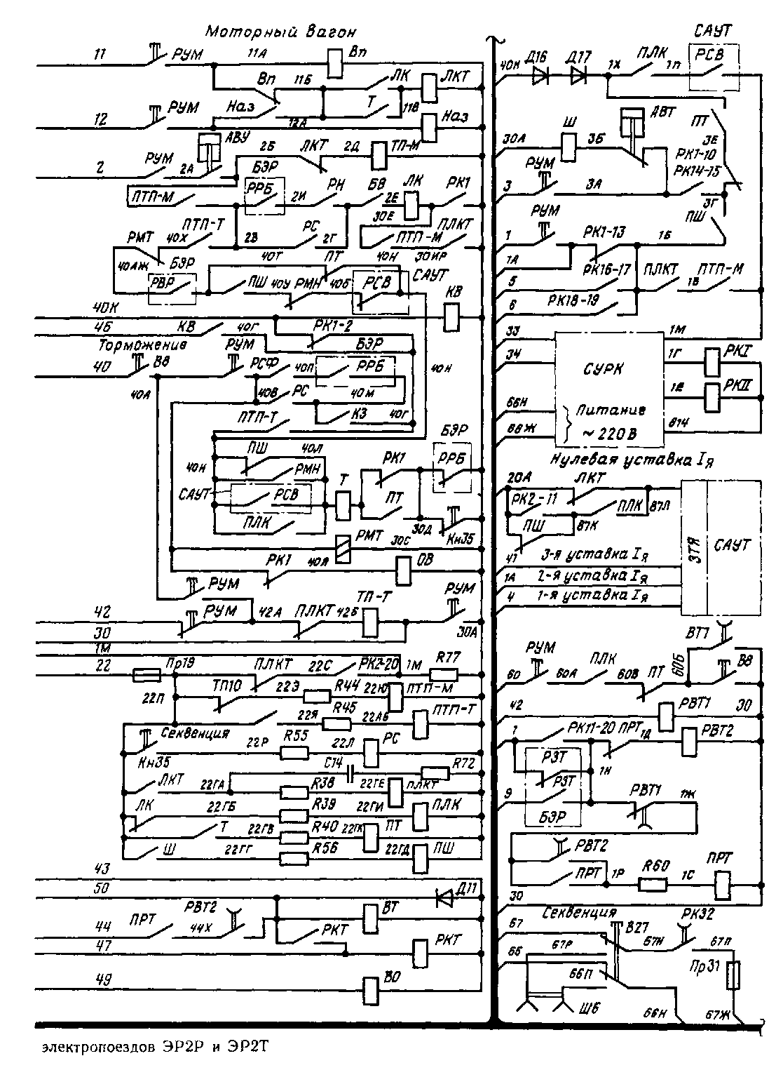
После подачи напряжения на провод // (12) возбуждается катушка вентиля Вп (Наз) и вал реверсора поворачивается в положение, соответствующее положению реверсивной рукоятки контроллера машиниста. После переключения силовых контактов реверсора замыкается его низковольтный контакт в проводах 11А—11Б (12А—11Б), подготавливая цепь питания для линейно-тормозного контактора ЛКТ. По проводу 2 через контакты РУМ, АВУ и ПЛКТ напряжение подается на катушку вентиля ТП-М, и вал тормозного переключателя устанавливается в положение тягового режима После замыкания контактора ТП10 включается реле ПТП-М по цепи: провод 22, предохранитель Пр19, провод 22П, контактор ТАЮ, резистор R44, катушка реле ПТП-М, провод ЗОА, контакты РУМ, провод 30.
Включение контактора ЛК возможно лишь в том случае, если РУМ включен, контакты АВУ замкнуты (давление воздуха в тормозной магистрали не менее 0,35 МПа), тормозной переключатель находится в тяговом режиме, контакты реле напряжения РН замкнуты (реле


срабатывает при напряжении в контактной сети не ниже 2300 В и целости предохранителя Пр1), включен быстродействующий выключатель, вал реостатного контроллера РК находится на
1- й позиции (в силовую цепь напряжение подается только при полностью введенных пуско-тормозных резисторах) Цепь включения контактора ЛК следующая: провод 2, контакты РУМ, контакты АВУ, ПТП-М, РРБ БЭР, РН, БВ, катушка вентиля контактора ЛК, контакт РК1, провод ЗОА, контакты РУМ, провод 30.
После включения контактора ЛК происходит включение реле ПЛК по цепи: провод 22П, контакт Л К, резистор R39, катушка реле ПЛК, провод ЗОА, контакт РУМ, провод 30. Реле ПЛК включается, замыкает свой контакт в проводах ПБ—11В и тем самым подает питание на катушку вентиля контактора ЛКТ по цепи: провод // (12), контакты РУМ, контакт Вп (Наз), контакт ПЛК, катушка вентиля контактора ЛКТ, провод ЗОА, контакты РУМ, провод 30. Контактор ЛКТ включается и контактом в проводах 22П—22ГА замыкает цепь питания реле ПЛКТ, которое своими контактами в проводах ЗОИР—ЗОА совместно с контактом ПТП-М в проводах ЗОЕ—ЗОИР обеспечивает дальнейшее питание катушки вентиля контактора ЛК на позициях
2— 20 реостатного контроллера. На этом сбор цепи в маневровом положении главной рукоятки заканчивается Мгновенное загорание сигнальной лампы ЛК и Т свидетельствует о том, что реле-повторители ПЛК контакторов ЛК на всех моторных вагонах включились и движение происходит прн маневровом положении главной рукоятки (1-я позиция РК).
Контроль за правильным включением аппаратов и целостью проводов цепи управления электропневматическим тормозом осуществляется срывным клапаном СК, который при потере питания воздействует на ЭПК, вызывая срабатывание пневматического тормоза Катушка клапана СК получает питание по цепи: провод 44, контакт 21 главного вала контроллера машиниста, провод 44А, контакты тормозного переключателя ППТ(1) в головной кабине, провод 44Б, диод Д54, выключатель ЭПТ,
контакт реле контроля тормоза РКТ, провод 43А, контакт реле РКБ, провод 43, контакты тормозного переключателя ППТ (3) в кабине хвостового вагона, провод 30. При движении электропоезда срывной клапан СК получает питание по цепи: провод 22В, контакты контактора времени торможения КВТ, провод 40Я, диод 53, резистор Я42, выключатель ЭПТ, контакт реле РКТ, провод 43А, контакт РКБ, провод 43, контакты ППТ(З) в кабине хвостового вагона, провод 30.
Если отпустить при движении кнопку КнБ, не устанавливая главную и реверсивную рукоятки в положение 0, то якорь реле РКБ отпадет и его контакт в проводах 43—43А разорвет цепь питания катушки СК со стороны «минуса», в результате чего сработает пневматический тормоз. Другие контакты РКБ в проводах 22Е—2 отключат цепи тяговых двигателей Перед тем как отпустить кнопку КнБ, необходимо перевести главную рукоятку в положение 0, остановить поезд, поставить реверсивную рукоятку в положение 0. Если реверсивную рукоятку перевести в 0 при движении поезда, то контактом 2 реверсивного вала будет разомкнута цепь АЛС и вызвано срабатывание ЭПК и электропневматические тормоза придут в действие.
В 1-м положении рукоятки контроллера машиниста дополнительно включается контакт 10 главного вала, который подает напряжение на провод /. Далее через контакты РУМ, контактор РК1-13 (замкнутый с 1-й по 13-ю позицию), кон-такты ПЛКТ, ПТП-М напряжение подается в систему управления РК СУРК, входящую в блок электронных реле БЭР Под контролем этой системы начнет осуществляться поворот вала РК с позиции на позицию в соответствии с током якорей тяговых двигателей. Контакты ПЛКТ и ПТП-М в проводах 1Б—1М исключают переход вала РК с 1-й позиции во 2-ю до окончания сборки силовой цепи в положении М. На 2-й позиции вал РК остается до тех пор, пока ток тяговых двигателей не уменьшится до значения, при котором электронное реле ускорения подаст сигнал на переход со 2-й позиции на 3-ю. Ток тяговых двигателей на 2-й позиции увеличивается, так как по-
степенно выводится пуско-тормозной резистор /?/ (см. рис. 264). Поворот вала реостатного контроллера со 2-й позиции на 3-ю происходит в том же порядке, как и с 1-й на 2-ю. Таким же образом вал будет поворачиваться до 14-й позиции и остановится, так как контактор РК1-13 на этой позиции разомкнётся и цепь питания катушек вентилей РК прервется.
При установке главной рукоятки контроллера во 2-е положение замыкается контакт // главного вала и напряжение подается на провод 3, а по нему на катушку контактора Ш по цепи: провод 3, контакты РУМ и АВТ, провод ЗОА, контакты РУМ, провод 30. Контактор Ш, включившись, контактом в проводах 22П—22Г замыкает цепь питания реле-повторителя ПШ. Контактор Ш подготавливает цепь ослабления возбуждения тяговых двигателей, а контакт ПШ в проводах ЗГ—1Б подает напряжение в систему СУРК по цепи: провод 3, контакты РУМ, контактор РК14-15 (включен на 14-й и 15-й позициях), контакты ПШ, ПЛКТ, ПТП-М, провод 1М. Под действием сигнала от системы СУРК вал реостатного контроллера переходит с 14-й позиции на 15-ю; переход его с 15-й позиции на 16-ю происходит аналогично. На 16-й позиции отключается контактор РК14-15 и движение вала реостатного контроллера прекращается.
Когда главную рукоятку контроллера устанавливают в 3-е положение, замыкается контакт 12 главного вала, подаюший напряжение на провод 5. Через контактор РК16-17 (замкнут на 16-й и 17-й позициях) напряжение подается на провод 1Б. Поворот реостатного контроллера с 16-й позиции на 17-ю, а затем на 18-ю происходит так же, как и на 2-м положении рукоятки контроллера машиниста. На 18-й позиции размыкается контакт РК16-17; движение вала реостатного контроллера прекращается. После этого главную рукоятку контроллера устанавливают в 4-е положение, в котором замыкается контакт 13 главного вала и подается напряжение на провод 6, через контактор РК 18-19 и провод 1Б. Вал реостатного контроллера начинает поворачиваться так же, как и при 3-м положении главной рукоятки.
Если рукоятку контроллера машиниста сразу установить в 4-е положение, то валы реостатных контроллеров всех вагонов доходят до 20-й позиции; при этом осуществляется разгон поезда до наивысшей скорости движения. Если главную рукоятку из 1-го — 4-го положения перевести в положение М, то снимается напряжение с проводов /, 3, 5, 6; валы реостатных контроллеров останутся на позициях, которые они достигли к этому моменту. Кроме того, отключение контактора Ш вызовет усиление возбуждения тяговых двигателей. Отключение тяговых двигателей осуществляется установкой главной рукоятки в положение 0. При этом теряет напряжение также провод 22У и катушка контактора КВХ. Конденсатор С13, разряжаясь на катушку КВХ, создает выдержку времени на отключение данного контактора. Благодаря ей отключение на позициях ослабленного возбуждения происходит в два приема: сначала отключается контактор Ш, вызывая усиление возбуждения тяговых двигателей и уменьшение тока якорей, затем после отключения контактора КВХ снимается напряжение с проводов 2 и 11(12), отключаются контакторы ЛК и ЛКТ, разрывая цепь тяговых двигателей. Этим облегчается работа контакторов и тяговых двигателей
После отключения контактора ЛКТ замыкается цепь возврата вала РК на 1-ю позицию: провод 22, предохранитель Пр19, провод 22П, контакт ПЛКТ, контактор РК2-20, провод 1М, система СУРК.
Вал реостатного контроллера возвращается на 1-ю позицию и остается в ней, так как контактор РК2-20 разомкнут.
Режимы торможения. Главная рукоятка может быть установлена в следующие тормозные положения: 1-е положение — фиксация любой тормозной позиции, например при торможении для ограничения скорости на уклоне (торможение малоэффективное), 2-е положение — автоматическое электрическое торможение с пониженным замедлением и дотормаживанием электропневматическим тормозом, применяют прн скорости менее 50 км/ч; 3-е положение — нормальное электрическое торможение и
дотормаживание электропневматическим тормозом, применяют при скорости более 50 км/ч; 4-е положение — нормальное электрическое торможение совместно с электропневматическим торможением на прицепных вагонах; 5-е положение — нормальное электрическое торможение совместно с электропневматическим торможением на всех вагонах.
При установке главной рукоятки контроллера машиниста сразу в 3-е тормозное положение (нормальное) замыкаются контакты 9 главного вала, в результате чего подается напряжение на провод 22Г. Замыкаются также контакты 8 главного вала, подающие напряжение на катушку контактора времени торможения КВТ по цепи: провод 22Д, контакт кнопки Возврат защиты, контакт 3 реверсивного вала, провод 22В, контакты 9 главного вала, провод 22Г, контакт 8 главного вала, катушка контактора КВТ, провод 30. Контактор КВТ включается, в результате чего получают питание провода 40Я, 22М и // главного вала контроллера машиниста, подающие напряжение на провод 3 и катушку вентиля контактора Ш. Контактор Ш включается и своим контактом в проводах 22П—22Г замыкает цепь питания реле-повторителя ПШ.
Нажав кнопку Торможение на пульте управления в головной кабине, подают напряжение по проводу 40 (контакты переключателя Торможение, провод 40А, контакты РУМ, провод 42А, контакт ПЛКТ) на катушку вентиля тормозного переключателя ТП-Т. Вал этого переключателя устанавливается в тормозное положение, его контакт ТТ11 в проводах 22П—22Я подает напряжение на катушку реле повторителя ПТП-Т. По проводу 40 получают питание катушки контакторов ОБ и КВ. Контактор ОБ подключает обмотки возбуждения двигателей к тиристорному преобразователю, контактор КВ подает напряжение на трансформатор возбуждения ТрВ (см. рис. 264).
После включения реле-повторитель ПТП-Т замыкает контакт в проводах 40Г—40Н, в результате чего подается напряжение на катушку вентиля контактора Т. Включившись, этот контактор своим контактом в проводах 22П—22ТВ
подает напряжение на реле-повторитель ПТ, а оно своим контактом в проводах ПБ—11В — на катушку контактора ЛКТ, замыкающего своим контактом в проводах 22П—22ГА цепь питания реле-повторителя ПЛК.
Включением контакторов ОБ, КВ, Т и ЛКТ заканчивается сбор силовой цепи. Мгновенное загорание сигнальной лампы ЛК и Т свидетельствует о том, что реле-повторители ПТ контакторов Т на всех моторных вагонах возбуждены и происходит реостатное торможение с независимым возбуждением.
Размыкание контактов ЛКТ в проводах 20А—87Л ведет к плавному нарастанию тока и напряжения якорей двигателей. Когда э. д. с. двигателей станет близкой к напряжению контактной сети (разница 200 В), сработает реле включения рекуперации РВР в БЭР и своим контактом в проводах 40Т—40АЖ подаст напряжение на катушку контактора ЛК по цепи: провод 40, контакты переключателя Торможение, контакты РУМ, РСФ, РРБ, КЗ, ПТПТ, РМН, ПШ, РВР, РМТ, ПТП-Т, РРБ БЭР, РН, БВ, катушка контактора ЛК, контактор РК1, провод ЗОА, контакты РУМ, провод 30. Контактор ЛК, включившись, замыкает цепь питания реле-повторителя ПЛК, а оно своим контактом в проводах 40Н— 40Л отключает контактор Т, который контактом в проводах 22П—22ГВ отключает реле-повторитель ПТ.
Это приводит к переходу с реостатного торможения с независимым возбуждением на рекуперативное. Если напряжение контактной сети превысит уставку реле РМН (3950 В), то реле сработает и своим контактом в проводах 40Н—40Л подаст питание на контактор Т, а он — на реле-повторитель ПТ. Контакт реле РМН в проводах 40У—40Б отключит контактор ЛК, а он — реле-повторитель ПЛК- Таким образом, произойдет переход на реостатное торможение с независимым возбуждением. Контакт ПТ в проводах 40Т—40Н обеспечивает перекрышу между контакторами ЛК и Т, что исключает полное прекращение тормозного тока при переходе.
Некоторые неисправности в цепях могут привести к уменьшению э. д. с. двигателей и изменению направления тока
якорей, т е. вместо режима торможения возникает режим тяги, что недопустимо. На изменение направления тока якоря реагирует реле РМТ, которое, разомкнув свой контакт в проводах 40АЖ—40Х, отключает контактор ЛК, а он — реле ПЛК- Реле ПЛК своим контактом в проводах 40Н—40Л замыкает цепь питания контактора Г, а он — реле ПТ, в результате чего осуществляется переход с рекуперативного торможения на реостатное с независимым возбуждением.
По мере снижения скорости движения система автоматического управления торможением (САУТ) увеличивает ток возбуждения двигателей. Когда он достигнет максимального значения, срабатывает реле перехода на самовозбуждение PCB (уставка 250 А) Реле PCB контактом в проводах 40Н—40Л подает питание на контактор Т. Контакт PCB в проводах 40Б—40Н и контакт ПТ в проводах 40Т—40Н отключают контактор ЛК, который разрывает цепь питания реле-повторителя ПЛК, осуществляя переход с рекуперативного торможения на реостатное с самовозбуждением. Кроме того, контакты ПТ (в проводах ЗЕ— IX), ПЛК (в проводах IX—Ш), PCB (в проводах 1П—IM) и контакт РК1-10, замыкаясь, собирают цепь питания системы СУРК: провод 22Г, контакт 10 главного вала, провод /, контакты РУМ, контакт РК1-13, контакт ПШ, контакт РК1-Ю, контакты ПТ, ПЛК, PCB, провод IM, система СУРК- Система СУРК начинает осуществлять управление реостатным контроллером так же, как в режиме тяги. На позиции 2 вала PK замыкается контактор РК2-11 (в проводах 87Н—20А) и после отключения контактора ЛК уставка системы САУТ становится нулевой, к этому моменту отключается контактор OB (разомкнулся контактор РК1 в проводах 40В—40Я) ■ Цепь реостатного торможения с самовозбуждением уже собрана, и торможение продолжается, в процессе его выводятся пуско-тормозные резисторы. При переходе на позицию 3 контакт РК1-2 в проводах 40Г—40К размыкается, отключая контактор КВ, контакты которого размыкают цепь трансформатора возбуждения ТрВ (см. рис. 264); тиристор-иый преобразователь выключается.
Разомкнутый контакт ПТП-М в проводах ЗОЕ—ЗОИЯ исключает повторное включение контактора ЛК, которое может произойти из-за отпадания якоря реле PCB при отключении контактора КВ. На 11-й позиции размыкается контакт РК1-Ю в проводах ЗЕ—ЗГ и вал реостатного контроллера останавливается. Дальнейшее электрическое торможение с самовозбуждением становится малоэффективным, и тогда подключается электропневматический тормоз, действующий до полной остановки электропоезда. На всех тормозных позициях рукоятки контроллера замкнут контакт 20 главного вала, в результате чего подается напряжение с провода 44 на провод 49, подводящий питание к катушкам вентилей отпуска ВО электропневматического тормоза.
На 11-й позиции реостатного контроллера замыкается контакт РКП-20, который подает напряжение на провод 9 (реле РЗТ в блоке БЭР включено), а по нему — на катушки реле времени торможения РВТ2 всех моторных вагонов по цепи: провод 1А, контактор РКП-20, контакт реле ПРТ, катушка реле РВТ2, провод 30. Реле РВТ2 срабатывает и своим контактом подает напряжение иа катушку промежуточного реле торможения ПРТ Реле ПРТ включается, замыкает контакты в проводах 1Ж—1Р (становится на самоподпитку) и 44—44х (подает напряжение на провод 50, в результате чего катушки вентилей торможения ВТ моторного и прицепного вагонов возбуждаются). Начинается наполнение тормозных цилиндров моторного и прицепного вагонов. Контакт ПРТ в проводах 1И—1Д размыкается, якорь реле РВТ2 отпадает с выдержкой времени, и реле размыкает свой контакт в проводах 44—50, разрывая им цепь питания катушек вентилей торможения ВТ. Выдержка времени на отключение реле РВТ2 необходима для создания в тормозных цилиндрах давления около 100 кПа (1 кгс/см2), достаточного для полной остановки электропоезда.
При установке главной рукоятки контроллера во 2-е тормозное положение цепи работают аналогично. Однако контакт 15 главного вала не замкнут и про-
вод 41 обесточен Питание системы САУТ переведено на другой канал, которому соответствует более низкая уставка системы, в результате чего торможение происходит при пониженном замедлении.
В 1-м тормозном положении рукоятки замыкается контакт 14 главного вала и по проводу 4 напряжение подается на катушку реле пониженной уставки РПУ. Оно своими контактами переводит систему САУТ на питание по каналу, которому соответствует минимальная уставка по току. В то же время провод теряет питание, так как контакт 10 главного вала разомкнут. Данное положение используют для так называемого отпуска электрического торможения без разбора цепей. Так как напряжение с провода / снято, то не может включиться электропневматический тормоз.
При установке главной рукоятки контроллера в 4-е тормозное положение на моторных вагонах будет продолжаться электрическое торможение с нормальной уставкой. Однако дополнительно замкнется контакт 18 главного вала, который подает напряжение на катушки вентилей ВТ всех прицепных вагонов по проводу 8 (включается реле торможения промежуточное РТП). Катушка вентиля ВО через кнопку Отпуск по проводу 49 получает питание при всех тормозных положениях рукоятки контроллера. Таким образом, совместно с электрическим торможением на моторных вагонах действует электропневматический тормоз на прицепных вагонах
Для полного отпуска тормозов необходимо главную рукоятку контроллера установить в положение 0. Если требуется сохранить электрическое торможение на моторных вагонах, то главную рукоятку необходимо перевести в 3-е или 2-е тормозное положение и кнопкой Отпуск снять напряжение с катушек вентилей ВО прицепных вагонов.
В случае необходимости ступенчатого торможения электропневматическим тормозом прицепных вагонов главную рукоятку контроллера переставляют из 3-го положения в 4-е и обратно. Если рукоятка контроллера установлена в 4-е тормозное положение, можно получить замедленное электрическое торможение, нажав кнопку Пониженная уставка.
При установке главной рукоятки контроллера в 5-е тормозное положение происходит электрическое торможение на моторных вагонах и одновременно действуют электропневматические тормоза всех вагонов. Дополнительно включается контакт 19 главного вала, и по проводу 47 напряжение подается на катушку реле контроля тормоза РКТ, которое, включившись, своим контактом в проводах 47—50 подает напряжение на провод 50 и катушки вентилей ВТ моторных и прицепных вагонов. Начинается электропневматическое торможение, которое накладывается на электрическое, что может привести к заклиниванию колес В этом случае давление в тормозных цилиндрах моторных вагонов не должно превышать 240—250 кПа (2,4—2,5 кгс/ см2), иначе сработает автоматический выключатель торможения АВТ и своими контактами в проводах ЗА—ЗБ отключит контактор Ш, а он — повторитель ПЩ. Если успела собраться цепь рекуперативного торможения, то контакты реле ПШ в проводах 40Т—40У и 40Н—40Л осуществят переход на реостатное торможение. Одновременно в системе САУТ контакты ПШ в проводах 20А—87Н и ПЛК в проводах 87Н—87Л переведут питание системы на другой канал, что равносильно уменьшению уставки до нуля. Электрическое торможение таким образом прекращается. Давление в тормозных цилиндрах при электропневматическом торможении определяется временем нахождения главной рукоятки в 5-м положении. Для ограничения силы торможения рукоятку контроллера следует перевести в 3—1-е положение. Чтобы получить ступенчатое торможение, необходимо главную рукоятку контроллера переставлять из 5-го тормозного положения в 4-е и обратно. Ступенчатый отпуск производят, нажав кнопку Отпуск. При этом кнопка Торможение в проводе 8 должна быть включена.
При срыве электрического торможения на каком-нибудь моторном вагоне при 2, 3, 4 или 5-м положении рукоятки контроллера машиниста автоматически вступает в действие электропневматический тормоз на данном вагоне На остальных моторных вагонах будет продолжаться электрическое торможение Это происхо-
дит следующим образом. При нахождении рукоятки контроллера в одном из тормозных положений контакт 16 главного вала разомкнут, провод 42 обесточен и реле времени торможения РВТ1 отключено. Контакт 10 главного вала замкнут (2—5-е положения), напряжение подается на провод /, а по нему и на катушку реле РВТ2. Так как ток якорей двигателей отсутствует, то реле РЗТ не возбуждено и его контакт в проводах 1А—1Н замкнут. Если же возникнет ток в якорях, то реле РЗТ сработает и своим контактом в проводах 1А—1Н предотвратит включение электропневматического тормоза.
Если же ток якорей не возникнет, то по истечении выдержки времени якорь реле РВТ1 отпадет и оно своим контактом в проводах 1Н—1Ж включит реле ПРТ. Дальнейшая работа электропневматического тормоза аналогична режиму дотормаживания. Отличие заключается в том, что контакты РЗТ в проводах 9—1Н препятствуют срабатыванию электропневматического тормоза на остальных вагонах Кроме того, поскольку катушка реле РВТ2 находилась под напряжением более длительное время, то выдержка времени РВТ2 будет больше, следовательно, и торможение будет более эффективным, что необходимо на высоких скоростях. При снижении скорости до 40—30 км/ч производят ступенчатый отпуск электропневматического тормоза кнопкой Отпуск.
Для прекращения торможения устанавливают главную рукоятку контроллера машиниста в положение 0. Если это происходит при рекуперативном торможении, то размыкаются контакторы 11 и 8 главного вала (отключаются контакторы Ш и КВТ) Контакты ПШ в проводах 40Т—40У н 40Н—40Л осуществляют перевод на реостатное торможение с независимым возбуждением, а контакты ПШ и ПЛК в проводах 20А—87Н, 87Н—87Л в системе САУТ уменьшают до 0 уставку по току. При этом осуществляется плавное уменьшение тормозной силы. По истечении выдержки времени, обеспечиваемой конденсатором С12, отпадает якорь контакторов ЛК и ЛАТ, которые выключаются почти без разрыва тока.
Аналогично прекращают реостатное торможение при независимом возбуждении Порядок отключения контакторов Ш, Т, ЛКТ при реостатном торможении с самовозбуждением сохраняется прежний, но воздействие на систему САУТ незначительно. Однако контактор Ш вводит в цепь возбуждения резистор Я23, что приводит к значительному уменьшению тормозного тока
Проверка цепей. Работу цепей проверяют в режимах тяги и торможения. В проверке участвуют двое: один управляет контроллером машиниста, другой нажимает на кнопку Проверка схемы и реле РС, проверяя работу цепей каждого моторного вагона
В тяговом (маневровом положении) режиме цепи проверяют при опущенных токоприемниках. В кабине машиниста выполняют все операции, как при обычной подготовке поезда к движению. Затем главную рукоятку устанавливают в положение М. После этого на моторном вагоне нажимают кнопку. При проверке схемы контакт РС в проводах 2В—2Г шунтирует разомкнутые контакты РРБ и РН, что позволяет собрать цепи, соответствующие положению М. Для проверки работы цепей при других положениях рукоятки контроллера надо подать на БЭР напряжение 220 В переменного тока через розетку Ш6 от постоянного источника н выключатель Секвенция установить в положение 2 (секвенция). В рабочем положении этот выключатель устанавливают в положение / (нормальное) .
При проверке цепей в режиме электрического торможения выполняют все операции, что н в режиме тяги Для осуществления электрического торможения главную рукоятку устанавливают в положение 3 или 2 н, нажав на кнопку Проверка схемы, собирают цепи, не переводя рукоятку реостатного контроллера.
|
|