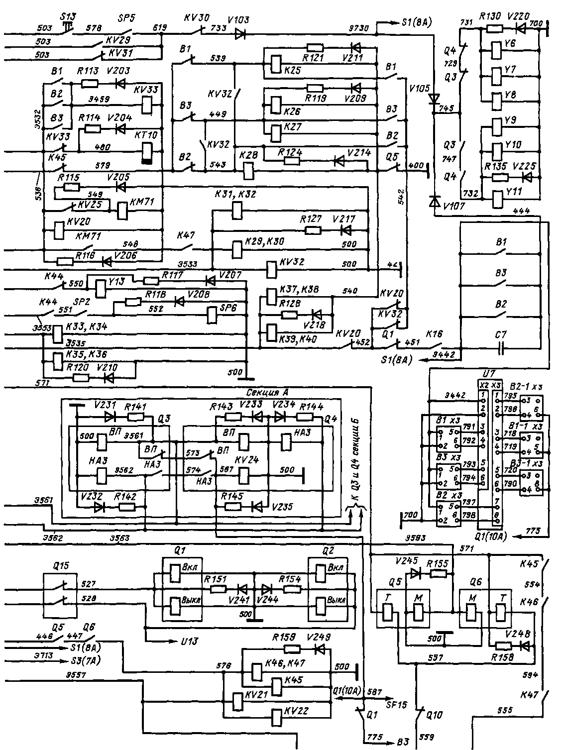
Тяговый режим. Для приведения электровоза в движение необходимо вставить ключ в специальное гнездо устройства тормозов SQ2 (рис. 276) и включать выключатель управления S21 в кабине машиниста, из которой производится управление. Затем реверсивно-селек-тивную рукоятку контроллера машиниста устанавливают в положение M в соответствии с выбранным направлением движения (например, Вперед). В этом положении от провода Э301 через контакт выключателя управления S21, провод 501, автомат SF1, замыкающий контакт SQ2, размыкающий контакт KV21, электропневматический клапан V14, контакты 1-2 {3-4) реверсивно-селективного вала контроллера машиниста SM напряжение подается на катушки вентилей реверсоров Q3 и Q4. Валы реверсоров устанавливаются в положение, соответствующее выбранному направлению движения, и замыкаются контакты цепей управления реверсоров. Эти контакты подают напряжение на катушку промежуточного реле KV24 и провод Э563 (от провода 501). От провода Э563 напряжение подается на катушки M вентилей тормозных переключателей Q5 и Q6, валы которых занимают положение M (моторное) .
При установке главной рукоятки на 1-ю позицию и нахождении реверсивно-селективной рукоятки в положении M замыкаются кулачковые контакты контакторов (контакторных элементов) 31-32, 33-34, 39-40, 41-42, 43-44, размыкаются контакты 83-84, 85-86, 87-88 главного вала контроллера машиниста, напряжение подается на провода Э566, Э533, Э582, Э586. Провод Э585 соединяется с корпусом электровоза. От провода Э586 напряжение подается на катушки контакторов ослабления возбуждения К25, К26, К27, К28, от провода Э533 — на катушки контакторов К29, КЗО, К31, К32, от провода Э582 — на реле времени

Рис. 276. Схема цепей

управления электровоза ВЛ15


ей управления электровоза ВЛ15)
КТП, от провода Э566 — на катушки вентилей линейных контакторов К1, К2, К4, Кб. Включаются все указанные контакторы, и образуется цепь из шести последовательно соединенных со второй ступенью ослабления возбуждения (до 55%) тяговых двигателей (через пусковые резисторы).
На 2-й позиции главной рукоятки размыкаются контакты 39-40, 41-42, 43-44, выключаются контакторы ослабления возбуждения и тяговые двигатели работают в режиме полного возбуждения. При дальнейшем перемещении главной рукоятки до 20-й позиции включительно с помощью реостатных контакторов происходит уменьшение ступенями сопротивления пусковых резисторов в обоих секциях электровоза, работающих по системе миогих единиц ', согласно развертке главного вала. На 20-й ходовой позиции полностью выведены из цепи тяговых двигателей пусковые резисторы и можно получить четыре ступени ослабления возбуждения /—IV
При установке тормозной рукоятки в положение / через контакт 97—98 тормозного вала, провод Э531, размыкающие контакты контакторов К32 и К45, провод 579, размыкающие контакты датчиков боксования В1, В2, ВЗ напряжение подается на катушки вентилей контакторов ослабления возбуждения К25 — К28. Последние включаются, шунтируя обмотки возбуждения тяговых двигателей полностью введенными резисторами, специально предназначенными для ослабления возбуждения. Катушки вентилей этих контакторов получают также питание через контакт 99-100 тормозного вала, провод Э532, свои замыкающие контакты и контакт контактора КМ71
От провода Э532 напряжение подается на катушку реле КУ20, а через замыкающий контакт этого реле — на катушку контактора КМ71. Дальнейшее перемещение тормозной рукоятки приводит к возбуждению катушек вентилей контакторов: в положении ОВ2 — контакторов
' Электрические цепи обеспечивают самостоятельную работу секций в двухсекционном составе электровоза Возможность работы отдельных секций не предусмотрена
К29 — К32, в ОВЗ — контакторов КЗЗ — К36 и в ОВ4 — контакторов К37 — К40.
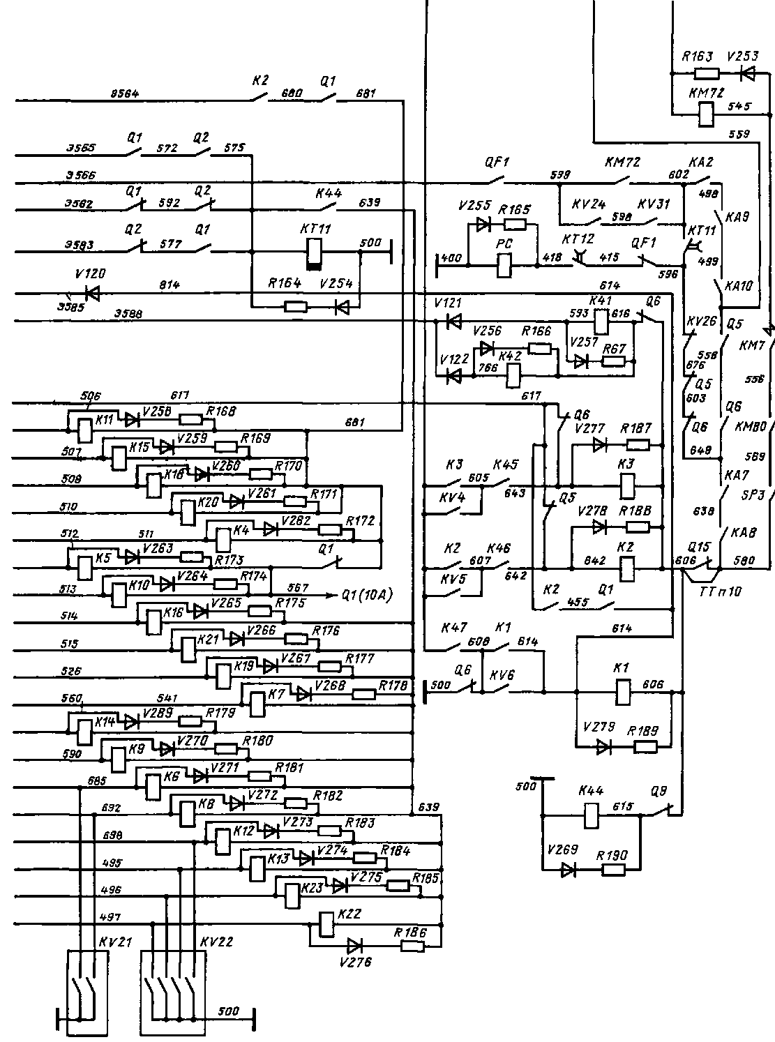
Для получения последовательно-параллельного соединения тяговых двигателей необходимо сначала тормозную рукоятку установить на нулевую позицию, а затем перевести главную рукоятку с 20-й на 21-ю. При замыкании контактов 27-28 и 35-36 главного вала напряжение от провода 502 через контакт 27-28, провод Э564 подается на катушки вентилей групповых переключателей Q1 секции электровоза. Валы переключателей поворачиваются и занимают положение, соответствующее последовательно-параллельному соединению. От провода 505 через контакт 35-36 главного вала напряжение подается на провод Э583, подготавливая цепь питания катушки реле времени КТ11. Размыканием контакта 33-34 главного вала снимается напряжение с провода Э582 и катушки реле времени KVI1. Однако контакт КТП в цепи проводов 602—596 в течение некоторого времени остается замкнутым и катушки вентилей линейных контакторов К1, К2, К4, Кб возбуждены.
После поворотов валов групповых переключателей Q1 в положение СП-П замыканием контакта Q1 в цепи проводов 577-575 восстанавливается цепь питания катушки реле КТП. Об установке валов переключателей в положение СП-П сигнализирует загорание лампы КП (контроль перехода) при переводе главной рукоятки контроллера с 20-й в 21-ю позицию. Гаснет лампа КП после того, как валы групповых переключателей в обеих секциях займут положение СП-П.
При переводе главной рукоятки с 21-й на 35-ю позицию происходит реостатный пуск электровоза на последовательно-параллельном соединении тяговых двигателей. На 35-й ходовой позиции через контакт 45-46 главного вала контроллера от провода Э581 подается напряжение на катушки вентилей контакторов К48, К49, которые, включаясь, подготавливают цепь для перехода иа параллельное соединение тяговых двигателей. После установки главной рукоятки на 36-ю позицию размыкается контакт 35-36 и замыкается контакт 29-30 главного вала. Катушка реле времени КТП теряет питание, однако ее контакт в проводах
602-596 на некоторое время остается замкнутым, а катушки вентилей линейных контакторов — возбужденными. От провода 502 через контакт 29-30, провод Э565 напряжение подается на катушки вентилей групповых переключателей Q2. Их валы поворачиваются и занимают положение П. Замыканием контакта Q2 в проводах 578-575 восстанавливается цепь питания катушки реле КТ11. Об установке валов переключателей в положение П сигнализирует лампа КП (как и при повороте валов групповых переключателей в положение СП).
Перемещение главной рукоятки с 36-й на 46-ю ходовую позицию приводит к реостатному пуску электровоза на параллельном соединении тяговых двигателей. На 46-й позиции (ходовой), как и на 20-й и 35-й, возможно применение всех четырех положений ослабления возбуждения.
Рекуперативный режим. Перед переходом на рекуперативное торможение включают тиристорные преобразователи (ТП) и реле моторного тока КА2 обеих секций. При этом главная и тормозная рукоятки должны находиться на нулевой позиции. Затем реверсивно-селективную рукоятку переводят в одно из выбранных положений П, СП или С в зависимости от скорости движения электровоза. При установке реверсивно-селектнвной рукоятки в положение П по проводам Э564 и Э565 напряжение подается на катушки вентилей групповых переключателей Q1, Q2 и их валы занимают положения соответственно СП-П и П. Контакты Q1 и Q2 замыкают цепь питания от провода Э565 (замыкающий контакт Q1, провод 572, замыкающий контакт Q2, провод 575) катушки реле времени КТ11.
При установке тормозной рукоятки на позицию П от провода 501 через контакт 105-106 тормозного вала, контакт 13-14 реверсивно-селективного вала, провод Э566, контакты QFl, KV24, KV31, КА2, Q10 напряжение подается на катушки вентилей Т тормозных переключателей Q5 и Q6. Их катушки возбуждаются, и валы тормозных переключателей занимают положение, соответствующее рекуперативному режиму. От провода 505 через контакт 15-16 реверсивно-селективного вала, контакт 101-102 тормозного
вала, провод Э533, контакты 05 и 06 получают питание катушки вентилей контакторов К45, К46, К47, которые подключают обмотки возбуждения тяговых двигателей к тиристорным преобразователям. От провода 604 через контакты 05, 06, 09, 015 напряжение подается на катушки вентилей линейных контакторов К2, К4, Кб. Они включаются, но линейные контакторы К1, КЗ, К5 еще отключены; они включатся после того, как сработает реле рекуперации КУ4, КУ5, КУ6.
При переводе тормозной рукоятки на позицию ПТ провод Э537 через контакт 115-116 контроллера машиниста соединяется с корпусом («землей») и от провода 604, через контакт реле ЭРЗ, замыкающие контакты контакторов КМ64, КМ71, К47 и К45 напряжение подается на катушки контактора КМ72 и промежуточных реле КУ21 и КУ22. После включения контактора КМ72 получает питание система управления преобразователями по проводу Э524, преобразователи начинают работать. Контактами реле КУ21 и КУ22 подготавливаются цепи включения реостатных контакторов. Цепи рекуперации собираются после включения линейных контакторов К1, КЗ и К5. На катушки их вентилей напряжение подается от провода Э566, но они не возбуждаются до тех пор, пока не сработают реле рекуперации КУ6, КУЬ, КУ4. Реле КУ4, КУ5 и КУ6 включаются на позиции ПТ, когда суммарная э.д.с. тяговых двигателей превысит напряжение контактной сети. Катушки вентилей контакторов К1, КЗ и К5 соединяются с корпусом кузова по цепи: провода 606, 642, 643, замыкающие контакты контакторов К47, К46, К45, провода 608, 607 и 605, контакты реле КУ6, КУ5, КУ4, провод 612, кнопка 817 (проверка САУРТ), провод Э537, контакт 115-116 тормозного вала контроллера, провод 600, корпус.
На соединении П по проводу Э565 через замыкающий контакт 02, провод 591, контакты контакторов К1, К5 и КЗ напряжение подается к катушкам реостатных контакторов К22, К23, К17, К18, К12, К13. Цепи этих катушек соединены с корпусом при замкнутых контактах реле КУ21 и КУ22. При включении контакторов К12, К13, К17, К18 и К22, К23
выводятся соответствующие пусковые резисторы.
На позиции ПТ тормозной рукоятки получает питание электроблокировочный вентиль SP6 по проводу Э534 через контакты тормозного переключателя Q5, контактора К2 и пневматического выключателя управления SP2. Вентиль SP6 отключает тормозные цилиндры секции от воздухораспределителей во избежание заклинивания колесных пар при служебном торможении поезда во время рекуперации. Допускается возможность применения электрического торможения и одновременно приведение в действие вспомогательного (прямодействующего) крана при давлении в тормозных цилиндрах ниже 130—150 кПа. При более высоком давлении цепи электрического тормоза разбираются пневматическим выключателем управления SP3, контакт которого - включен в цепь катушек контактора КМ72, реле KV21 и KV22. После разрыва контактором КМ72 цепи управления преобразователями ток возбуждения тяговых двигателей падает и они переходят в тяговый режим, при токе 100 А отключается реле КА2, которое своим контактом разрывает цепь питания катушек вентилей линейных контакторов.
Для служебного снятия рекуперативного торможения тормозную рукоятку перемещают в сторону нулевой позиции до тех пор, пока ток в цепи тяговых двигателей не достигнет 100 А; при этом срабатывает реле КА2 и своим контактом разрывает цепь питания катушек вентилей линейных контакторов, контактора КМ72, реле KV21 и KV22 Линейные контакторы разрывают цепь тяговых двигателей, а контактор КМ72 — цепь управления преобразователями. При срыве рекуперации размыкается контакт контактора К2, вентиль SP6 теряет питание и открывается доступ воздуху в тормозные цилиндры независимо от положения крана машиниста. Это обеспечивается электроблокировочным вентилем У9, который, возбуждаясь, через размыкающий контакт контактора К.2 создает параллельную цепь питания тормозных цилиндров.
При разрядке тормозной магистрали до 290—270 кПа контакт пневматическо-
го выключателя SP2 размыкается и отключает катушку вентиля SP6, в результате чего приводится в действие пневматический тормоз и при давлении в тормозных цилиндрах 190—150 кПа цепи электрического торможения разбираются, так как размыкаются контакты реле.
Последующий сбор цепей рекуперативного торможения возможен после установки тормозной рукоятки в позицию 0, на которой происходит включение реле КА2. Во избежание срыва рекуперативного торможения в результате отключения реле KV4, KV5, KV6 контакты этих реле в цепи линейных контакторов шунтируются замыкающими контактами соответствующих линейных контакторов К5, КЗ и К1-
На соединении СП включаются контакторы КЗ и К5. При этом от провода Э564 по цепи: размыкающий контакт Q2, провод 591, замыкающий контакт линейных контакторов КЗ и К5 напряжение подается к катушкам реостатных контакторов К17, К18 и К12, К13. На соединении С включается линейный контактор К1 и через провода Э582, Э534, контакт Q5, размыкающий контакт группового переключателя Q1, провод 591, замыкающий контакт К1, провод 681 напряжение подается к катушкам реостатных контакторов К22, К23, а от провода 681 через размыкающие контакты Q1 по проводам 639, 680 — соответственно к катушкам реостатных контакторов Kt2, КІЗ и К17, К18.
Аналогично действию цепей управления на соединении П протекает работа цепей управления электровоза в режиме рекуперативного торможения на СП или С соединения тяговых электродвигателей.
При установке реверсивно-селективной рукоятки в положение СП прекращается подача напряжения на включающие катушки вентилей групповых переключателей Q2 и их валы занимают положение С-СЯ, а при установке реверсивно-селективной рукоятки в положение С прекращается подача напряжения на включающие катушки вентилей групповых переключателей Q1 и оии занимают положение С.
Действие цепей управления в аварийных режимах. Схемы электрических це-
пей предусматривают сохранение работоспособности электровоза в следующих аварийных режимах: повреждение тяговых двигателей, быстродействующего выключателя в цепях тяговых двигателей, быстродействующего выключателя во вспомогательных цепях, пусковых резисторов. Переключение тяговых двигателей, отключение поврежденного быстродействующего выключателя БВ1 или пусковых резисторов производится переключателями Q15 с помощью тумблеров MCI или МС2 (см. рис. 276)
Когда тумблер MCI в первой по ходу секции электровоза установлен в положение А, вал переключателя Q15 поворачивается в положение Л (аварийный); при этом не включаются контакторы /<7, Кб, тяговые двигатели отсоединены от 65/ и пусковых резисторов. При установке тумблера МС2 в положение А то же самое происходит во второй секции электровоза; контакты переключателя Q15 размыкают цепи групповых переключателей Ql, Q2, что исключает поворот валов групповых переключателей в положение СП при переводе главной рукоятки на 21-ю позицию.
|
|