Общие сведения. Для сглаживания пульсаций выпрямленного тока в цепях аккумуляторных батарей и защиты от замыканий на землю, стабилизации напряжения цепей управления на электровозах и электропоездах применяют реакторы стержневые с зазорами б и управляемые (трансформаторы ТРПШ), допускающие изменения параметров током обмотки управления.
Магнитный поток Ф = В5, магнитная индукция В зависит от напряженности магнитного поля: Н = 1ш/1 (здесь / — ток, А; ш — число витков обмотки реактора; I — длина магнитопровода, м; 5 — площадь сечения стержня, м2).
Изменяя ток управления, можно изменять насыщение сердечника, а следовательно, индуктивность Ь = шФ/7, индуктивное сопротивление х = со/, и полное сопротивление рабочей обмотки Z — = /л2 -(- хг. Следовательно, током управления обмотки подмагничивания можно изменять сопротивление Ъ рабочей обмотки, а значит, и ток, протекающий через обмотку, так как / = V/Ъ, и получать как бы бесконтактное регулируемое сопротивление насыщающего
реактора. Аналогично при уменьшении воздушного зазора б в стержне реактора увеличивается индуктивность Ь и сопротивление Z, вследствие чего ток через обмотку уменьшается
Реакторы, фильтры и конденсаторы помехоподавления. Они служат для снижения уровня радиопомех, создаваемых при работе электровозов и электропоездов. Реактор включают на э. п. с. постоянного тока последовательно в цепь между токоприемником и быстродействующим выключателем. За реактором со стороны силовой цепи подключают конденсатор (рис. 124, б), через который высшие гармоники тягового тока замыкаются на корпус (землю), не проникая в контактную сеть и не создавая помех радиоприему. Конденсатор также снижает крутизну фронта волны атмосферного перенапряжения и, следовательно, межвитко-вое напряжение в обмотках электрических машин.
На э. п. с. переменного тока реактор включают между токоприемником и воздушным выключателем (см. рис. 240), на электровозах, кроме того, между воздушным выключателем и обмоткой высшего напряжения тягового трансформатора включают еще и фильтр.
Реактор помехоподавления (рис. 124, а и б) состоит из катушки 2, намотанной из медной ленты, без стального сердечника Ее укрепляют либо на фарфоровом изоляторе 4, применяя деревянные планки 1 и 3, либо на угольниках 5
Катушку реактора Д-51 наматывают плашмя и пропитывают в лаке ПЭ-933, реактора ДР-027Т — на узкое ребро. Реакторы выполняют с естественным воздушным охлаждением; они имеют практически постоянную, не зависящую от нагрузки индуктивность. Реакторы Д-51 устанавливают на крыше электровоза, ДР-027Т — на основании токоприемника
На э. п. с. постоянного тока отечественного производства применяют бумажно-слюдяные конденсаторы (типа КБГП-1-10-0,511 и др.), параметры которых выбирают в соответствии с уровнем радиопомех на локомотиве.
Фильтр (рис. 124, в и г) электровозов переменного тока состоит из катушки 2 (/-/), конденсатора постоянной емкости 7(С1) и подстроенного конденсатора

Рис. 124. Реактор помехоподавлеиия Д-51 (а) электровозов ВЛ80°, ВЛ80Т и ВЛ80Р, реактор Д-027Т(б) электровозов ВЛ10, В Л 10у и ВЛ11, фильтр Ф-З(в) и схема его включения (г)
электровозов В Л 80е, ВЛ80Р: 1 и 3 — планки, 2 — катушка, 4 — изолятор; 5 — угольник установочный, 6 — кожух стеклопластико-вый; 7 — конденсатор постоянной емкости, 8 — конденсатор подстроенный; 9 — основание гетннаксовое
8 (С2), смонтированных на гетинаксовом основании 9, закрепленном на изоляторе.
Катушка намотана из медной ленты ЛММ 2,63x8 плашмя и магнитопровода не имеет. Ее межвитковая изоляция выполнена из электронита, покровная — из стеклоленты ЛЭС 0,25x25, пропитанной в компаунде.
Основные технические данные реакторов и фильтров помехоподавления приведены в табл. 9.
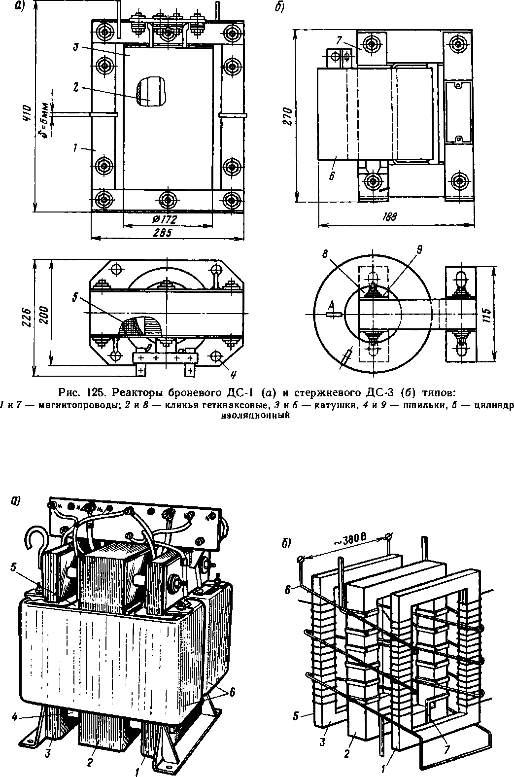
Стержневые и броневые реакторы с воздушным зазором. Их применяют для сглаживания пульсаций выпрямленного тока в цепях аккумуляторной батареи (ДС-1 и ДС-3 на электровозах ВЛ80Т,
Таблица 9


Рис 126. Трансформатор ТРПШ-2 (а) и схема его обмоток (б)
Таблица 10

Д-111 на электропоездах ЭРЭП, ЭР22, ЭР22М и др.), защиты от замыкания на землю (ДЗ-1 на электровозах ВЛ80* и др.), как элементы индуктивно-емкостных резонансных контуров (Д-110, 1ДР-001 на электропоездах ЭРЭП, ЭР22, ЭР22М и др.) и в других цепях. Магнитную систему этих реакторов броневого (ДС-1, 1ДР-001 и др., рис. 125, а) или стержневого (ДС-3, ДЗ-1, Д-110 и др., рис. 125, б) типа набирают из лакированных пластин электротехнической стали (Э22, Э330 и др.) толщиной 0,35 или 0,5 мм.
Катушки реакторов имеют одно- или двухслойные обмотки, намотанные на ребро (ДС-1 и др., провод ПСД 4,4 х Х10.8) или плашмя (ДС-3 и др., провод ПСД 3,53x4,7). Цилиндры катушек обычно выполняют из стеклопластика, изоляцию обмотки — из стеклянной ленты ЛЭС 0,2x35. Катушки пропитывают в лаке.
Реакторы работают в условиях естественного воздушного охлаждения; имеют технические данные, приведенные в табл. 10.
Управляемые реакторы. К этому оборудованию на э. п. с. относят трансформаторы ТРПШ на восьмиосных электровозах переменного тока и реакторы СН-102А и СН-104Б-1 электропоездов переменного тока, служащие для стабилизации напряжения в цепях управления.
Трансформатор ТРПШ-2 (рис 126) имеет три стержневых маг-нитопровода: основной 2 и два край-
них (магнитные шунты) / и 3. Все они набраны из листов электротехнической стали ЭЗЗО толщиной 0,35 мм. Магни-топроводы отделены друг от друга изолирующими прокладками 4. Первичная обмотка 6 состоит из двух катушек, соединенных последовательно. Каждая из них обхватывает три стержня магнито-проводов. Вторичная обмотка 7 состоит из двух параллельно включенных катушек, намотанных на стержни основного магнитопровода 2. На стержнях магнито-проводов 1 и 3 расположена обмотка управления 5, состоящая из четырех катушек. Они соединены последовательно, так что магнитные потоки, созданные каждой парой катушек одного магнитопровода, складываются, а э. д. с, индуцируемые в них переменным магнитным потоком первичной обмотки, взаимно компенсируются. Масса трансформатора 145 кг.
Трансформатор ТРПШ-2 работает в режиме стабилизации напряжения, которая осуществляется обмоткой управления 5, подключенной к бесконтактному регулятору напряжения (БРН) Первичная обмотка 6 подключена к обмотке собственных нужд тягового трансформатора на напряжение 380 В. При снижении напряжения в контактной сети уменьшается напряжение в обмотке 6, а в обмотке управления 5 под действием БРН (см. § 45) увеличивается постоянный ток. Это ведет к увеличению насыщения стержней магнитопроводов 1 и 3 постоянным магнитным потоком и вытеснению в основной магнитопровод 2 переменно-
го магнитного потока. По мере увеличения переменного потока в магнитопро-воде 2 растет напряжение на выводах обмотки 7, к которым подключен выпрямительный мост цепи управления.
С увеличением напряжения в контактной сети повышается напряжение в первичной обмотке 6, а ток в обмотке управления 5 под действием БРН уменьшается. Это вызывает снижение постоянного магнитного потока в стержнях магнито-проводов 1 и 3 (т. е. подмагничиваиия), увеличение в них переменного магнитного потока и уменьшение переменного магнитного потока в стержнях магиитопро-вода 2, а следовательно, напряжения в обмотке 7 и на выходе выпрямительного моста цепи управления, где среднее выпрямленное напряжение составляет 55 В
Обмотки трансформатора ТРПШ-2 намотаны из провода ПСД и пропитаны в лаке КП-18ТУОБ504.017 с последующей выпечкой. Трансформатор ТРПШ-2 имеет естественное воздушное охлаждение.
Управляемый реактор СН-104Б-1 электропоездов ЭР9П (начиная с № 84) имеет шихтованный магнитопровод с двумя стержнями и три обмотки: рабочую, управления и смещения. Магнитопровод с обмотками помещен в бак с трансформаторным маслом. Все обмотки раздельные (по две секции), конструктивно выполнены на двух катушках, расположенных на разных стержнях. Секции рабочей обмотки соединены параллельно и подключены к вторичной обмотке разделительного трансформатора, первичная обмотка которого подключена к вспомогательной обмотке 220 В тягового трансформатора (см рис. 115). Секции рабочей обмотки выполнены из провода ПБД 3,8 Хб,4 мм, каждая имеет 60 витков и активное сопротивление 0,026 Ом при 20 °С. Длительный ток рабочей обмотки 50 А. Ток в обмотке управления, изменяющий реактивное сопротивление рабочей обмотки, регулируется вибрационным регулятором напряжения.
Обмотки управления и смещения выполнены из провода ПЭЛШКД диаметром 0,86 мм. Секция обмотки управления имеет 180 витков. Секции обмотки смещения, имеющие 180 и 192 витка, распо-
ложены сверху обмотки управления. Вследствие разницы числа витков создается ток смещения, что позволяет использовать наиболее удобную часть характеристики магнитного усилителя. Межслоевая изоляция обмоток управления и смещения выполнена из лакоткани.
|
|