Полупроводниковые диоды и тиристоры, аппаратура защиты и сигнализации, вспомогательное оборудование смонтиро-
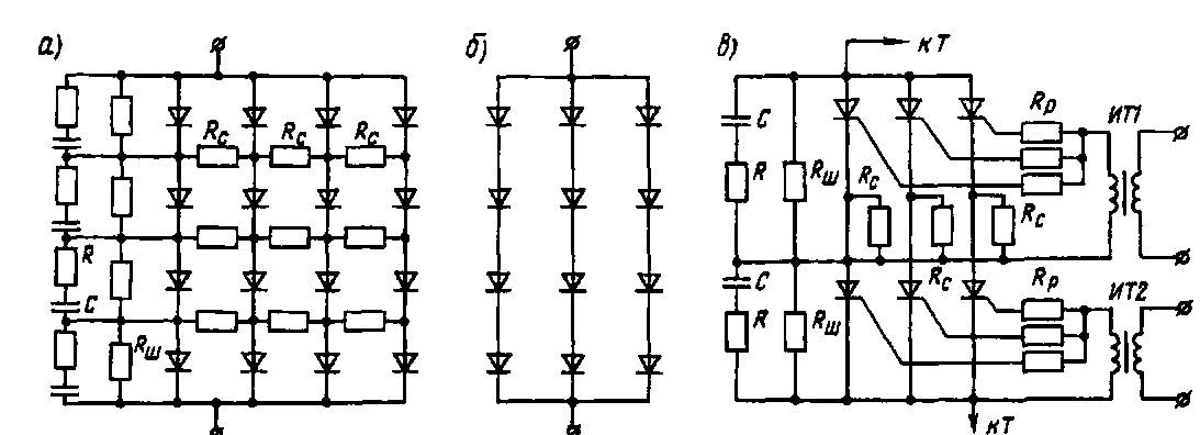
ваны на изоляционных панелях в металлических шкафах обычно прямоугольной формы. В преобразовательных установках э.п.с. диоды и тиристоры чаще всего соединяютпоследовательно-параллельно (рис. 140,а, бив). Необходимо, чтобы предельные параметры вентилей были одинаковые и имели малый разброс вольт-амперных характеристик. '
Основным условием надежной работы является повышение с некоторым запасом предельных токов и напряжений вентилей над расчетными в плечах преобразователей. С учетом коэффициентов, определяемых условиями эксплуатации, число параллельно включенных вентилей в плече
ппар = Лмкпер/(^пркнк«) >
где /пл — средний расчетный ток плеча; /спер — коэффициент возможной перегрузки, /пр — предельный допускаемый ток прибора принятого типа с учетом системы охлаждения, «„ — коэффициент, учитывающий вероятность неравномерного распределения тока между параллельными ветвями, примерно равный 0,9, к„ — коэффициент, учитывающий уменьшение скорости потока охлаждающего воздуха по сравнению с указанной в паспорте.
Из-за малой постоянной времени нагревания структуры полупроводникового прибора за расчетный ток /пл для грузовых электровозов переменного тока принимают максимальный ток при максимальной силе тяги по сцеплению (при коэффициенте сцепления ф = 0,36) для скорости движения и = 0 с продолжительностью перегрузки 10—20 с. Для пассажирских электровозов и электропоездов за расчетный принимают ток уставки защиты от перегрузки с некоторым запасом по отношению к толчкам тока при пуске.
В зависимости от расчетных значений максимального обратного и прямого напряжения (с учетом перенапряжений),
1 При эксплуатации на электровозах допускается заменять, например, тиристоры при условии, что максимальный допустимый разброс по суммарному падению напряжения параллельных ветвей ие превышает 0,02п (здесь п — число последовательно включенных тиристоров в данном плече) Тиристоры подбирают по двум точкам вольт-амперных характеристик' при предельном токе и равном 0,25 предельного Это обеспечивает равномерное деление тока по параллельным ветвям.

Рис. 140. Схемы соединений вентилей в преобразователях
приходящегося иа одно плечо в схеме преобразователя, и допускаемого повторяющегося напряжения принимают с некоторым запасом необходимое число диодов и тиристоров выбранного типа, подлежащих последовательному включению так, чтобы
"поел *^ тах1
кн пер + 1/ (^пр*и£/)>
где £/„ тах — максимальное мгновенное значение обратного напряжения, воздействующего на плечо преобразователя; ^нпер — коэффициент, учитывающий возможные неповторяющиеся перенапряжения с учетом действия разрядников; и„р — допускаемое одним диодом или тиристором повторяющееся напряжение; кнц — коэффициент неравномерности распределения напряжения по вентилям. Для лавинных диодов и тиристоров принимают к„и = 1 и иелавинных — к^ц = = 0,9.
Перегрузки полупроводниковых приборов, превышающие предельные токи, а также токи при внутренних и внешних коротких замыканиях в цепях преобразователей при несовершенной защите могут вызвать нарушение их внутренней структуры и потерю электрической прочности Это приводит к развитию аварийного режима с тяжелыми последствиями. Так как электрическая прочность этих приборов не восстанавливается, оии не пригодны для ремонта. К тому же приводят повреждения и пробой изоляции в цепях преобразователя вследствие коммутационных и атмосферных перенапряжений при несовершенной защите.
При параллельном соединении диодов заметная иеидентичность прямых ветвей вольт-амперных характеристик приводит
к перегрузке диодов, обладающих меньшей потерей напряжения от прямого тока. В случае последовательного соединения полупроводниковый прибор с меньшим обратным током воспринимает перенапряжения в большей степени, чем остальные. Для распределения обратных напряжений, приходящихся на каждый нелавииный диод или тиристор, применяют шунтирующие резисторы Рш, а для гашения перенапряжений, возникающих при коммутации тока,— контуры /?С. Если применены лавинные диоды, то с ростом напряжения в цепи последовательно соединенных диодов возрастает обратный ток. Вначале напряжение воспринимается одним диодом; дальнейший рост обратного тока не вызывает увеличения напряжения на нем, а приводит к увеличению напряжения на других, и происходит выравнивание напряжения. Поэтому при последовательно-параллельном соединении лавииных диодов можно ие применять резисторы #с И контуры РХ.
В преобразователях применяют штыревые и таблеточные диоды и тиристоры, в таблеточных диодах и тиристорах в отличие от штыревых кремниевый элемент не припаивают к основанию, а прижимают верхним и нижним основаниями при сборке на заводе-изгото-внтеле. Положение кремниевого элемента внутри корпуса фиксируется втулкой из изоляционного материала. Применение прижнмиых контактов для соединения силовых выводов с кремниевым элементом уменьшает механические напряжения, возникающие в нем при резких повышениях температуры, что существенно
повышает стойкость полупроводникового прибора к значительным токовым перегрузкам.
На электровозах ВЛ80\ ВЛ80Т и ВЛ80С каждый силовой выпрямитель выполнен в виде двух шкафов прямоугольной формы и может работать только с принудительным воздушным охлаждением (рис 141 ,а). В каждом шкафу размещены диоды, собранные в блоки (панельное расположение), которые закреплены на электроизоляционных панелях. Для удобства замены диоды по значению прямого падения напряжения
разбиты на подгруппы (обычно две), каждая из которых имеет свою маркировку (0,52; 0,53, 0,54 В — цвет черный, 0,55; 0,56; 0,57; 0,58 В — цвет белый).
Выпрямительная установка возбуждения электровозов ВЛ80Т и ВЛ80С состоит из двух блоков. Каждый блок расположен на панели, где смонтированы тиристоры с охладителями, индуктивные делители для выравнивания токов в параллельных ветвях, резисторы, конденсаторы, диоды, импульсный трансформатор, предохранитель, блок управления и остальные элементы. Охладители закрыты

Рис 141. Преобразователи ВУК-4000Т-02 (а) электровозов ВЛ80С, УВП-3 (б) и система вентиляции подвагонного электрооборудования на моторных вагонах электропоездов ЭР9П (в): / — каркас, 2 — диод штыревой конструкции, 3 и 4 — шины соединительные, 5 — охладитель, 6 — крышка, 7 — фильтры; 8 — вентилятор; 9 — вал расщепителя фаз; 10— выпрямительная установка УПВ-3; — сглаживающий реактор, 12— охладитель масла, 13— тяговый трансформатор; 14 —
насос для масла трансформатора
о Зак 95 ">
стеклопластовым желобом, через который нагнетается охлаждающий воздух. Панель закреплена на шести изоляторах. Выпрямительно-ииверторный агрегат ВИП2-2200М выполнен в виде сварного каркаса из профильной стали, в котором крепятся различные блоки и элементы. С лицевой и обратной стороны сварного каркаса из профильной стали установлены одинарные и двойные тири-сториые блоки. Сбоку и в центре смонтированы блоки выравнивания напряжения, индуктивные делители тока, а в верхней части — выемные кассеты предварительного и выходного каскадов блока формирования импульсов (БФИ) и импульсные трансформаторы. Блоки тиристоров крепят в ВИП болтами; для удобства монтажа и демонтажа они снабжены ручками.
Аналогичную конструкцию имеют и выпрямители электровозов ВЛ60К, ЧС4 и ЧС4Т.
На электропоездах ЭР9П, ЭР9М применяют выпрямительные установки УВП-1 и УВП-3 с принудительным воздушным охлаждением и на электропоездах ЭР9Е — выпрямители УВП-5 само-вентилнрующиеся; и те, и другие расположены под кузовом.
Выпрямительные установки УВП-1 и УВП-3 (рис. 141,6) размещены в пы-лебрызгонепроницаемой камере, имеющей две съемные крышки с резино-
выми уплотнениями Охладители диодов расположены так, что после установки блоков они образуют канал для охлаждающего воздуха. Гибкие выводы диодов и зажимы охладителей находятся снаружи и доступны для осмотра. С одной стороны выпрямителей расположены панели с выводами переменного тока, с другой — панели с выводами постоянного тока.
Выпрямитель УВП-5 конструктивно выполнен с односторонним обслуживанием. Внутри его камеры на четырех групповых алюминиевых охладителях смонтированы лавиииые таблеточные диоды. Для удобства предусмотрено шарнирное крепление групповых охладителей. Наружные поверхности групповых охладителей выполнены ребристыми и имеют устройства для направления встречного потока воздуха. Фактическая средняя скорость охлаждающего воздуха между ребрами группового охладителя УВП-5 при скорости электропоезда 40—100 км/ч изменяется соответственно от 3 до 10 м/с. Применение УВП-5 с циклоустойчивыми таблеточными вентилями и самовентиляцией позволяет увеличить срок службы преобразователя и уменьшить расходы, связанные с обслуживанием выпрямителей и системы фильтров принудительного воздушного охлаждения, воздуховодов вентиляции подвагонного электрооборудования и др.
|
|