Переход с одного соединения тяговых двигателей на другое стремятся осуществлять так, чтобы в течение его общее тяговое усилие всех двигателей и каждого в отдельности менялось возможно меньше, переходные процессы протекали плавно, схема перехода и применяемые для переключения аппараты были более простыми. На э. п. с. постоянного тока применяют следующие способы перехода: коротким замыканием части двигателей, шунтированием части двигателей резисторами, по схеме моста н с помощью диодов.
Переход коротким замыканием. При
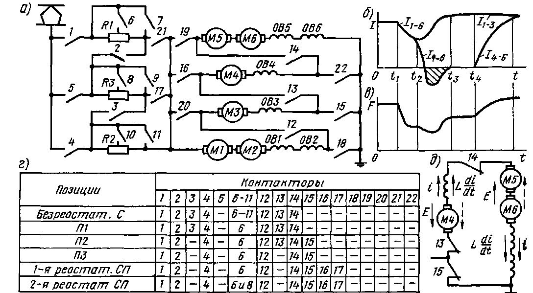
трех группировках двигателей на безреостатной позиции последовательного соединения (С) включены контакторы 1—14 (рис. 234, а и г). Контакторами 6—11 выводятся из цепи тяговых двигателей резисторы /?2 и Р,3, при включении контактора 4 подготовляется переход на последовательно-параллельное соединение (СП) групп двигателей Чтобы уменьшить бросок тока в цепи при шунтировании двигателей М4—Мб, что может привести к резкому увеличению тяго-
вого усилия, вызвать боксование колесных пар и круговой огонь на коллекторах двигателей М1—МЗ, вначале в цепь двигателей М1—Мб выключением контакторов 7—11 вводятся резисторы #2 и ИЗ (переходная позиция П1).
Переход на последовательно-параллельное соединение начинается включением контактора 15, который шунтирует двигателями М4-—Мб, а двигатели М1— МЗ соединяет с землей (позиция П2). Затем выключается контактор 13, размыкая цепь двигателей М4—Мб (позиция ПЗ). Переход заканчивается на 1-й реостатной позиции последовательно-параллельного соединения включением контакторов 17 и 16, которые подсоединяют к уравнительному соединению соответственно последовательно соединенные резисторы /?/ и Р,3 и двигатели М4—Мб. Уравнительное соединение необходимо для выравнивания напряжения между параллельными группами тяговых двигателей и их нагрузки, если сопротивления параллельных цепей резисторов не равны.
При переходе с последовательно-параллельного соединения двигателей на параллельное, как и во время перехода с последовательного соединения на последовательно-параллельное, выключением

Рис. 234 Схемы (а и д), диаграммы изменений тока и силы тяги (бив) и таблица (г) последовательности включения контакторов при переходе с последовательного на последовательно-параллельное соединение двигателей коротким замыканием
реостатных контакторов вводится в цепь двигателей часть пускового реостата. Затем, включившись контакторы 18 и 19, шунтируют двигатели МЗ и М4, а контакторы 12, 14 и 15 размыкают их цепь. Переход заканчивается на 1-й реостатной позиции параллельного соединения включением контакторов 13, 20, 21 и 22.
Изменение тока в двигателях при переходе с последовательного на последовательно-параллельное соединение групп двигателей можно проследить по диаграмме рис. 234, б. До момента Л двигатели М1—Мб включены последовательно и ток в их цепи А_б. В момент <1 в их цепь вводятся резисторы (позиция П1) и ток снижается. В момент и контактор 15 шунтирует двигатели М4—Мб. Это вызывает возрастание тока /,_3 в двигателях М1—МЗ
В двигателях М4—Мб, шунтированных контактором 15, вначале ток / протекает в прежнем направлении, постепенно уменьшаясь под действием э. д. с. якоря Е, которая в замкнутом контуре уравно-
вешивается э. д. с. самоиндукции Е
задерживающей скорость его спадания. По мере уменьшения тока снижается поток возбуждения и пропорционально ему э. д. с. якоря. Но поток возбуждения падает значительно медленнее, чем ток, вследствие действия вихревых токов, индуцируемых убывающим потоком в магнитной системе двигателя. В результате к моменту спада тока до нуля поток возбуждения и э. д. с. якоря не исчезают и в следующий момент в цепи появляется ток, протекающий в направлении действия э. д. с. якоря (штриховые стрелки на рис. 234, д). С появлением генераторного тока размагничивание двигателя ускоряется, э. д. с. якоря быстро уменьшается и ток снижается до нуля.
В момент 1Ъ (см. рнс. 234, б) отключается контактор 13, в момент ^4 — контакторы 16 и 17, которые подключают к уравнительному соединению резисторы /?./ и /?3 и двигатели М4—Мб. Происходит выравнивание нагрузок двигателей М1—МЗ и М4—М6.
В соответствии с изменением тока изменяется и сила тяги двигателей (рис.
234, в) Переход коротким замыканием вызывает значительное падение силы тяги. Восстановление ее происходит двумя ступенями, что несколько смягчает механический толчок.
При неавтоматическом управлении приходится производить обратный переход с 1-й реостатной позиции параллельного соединения на низшие позиции последовательного или последовательно-параллельного соединения.
Чтобы избежать большого толчка силы тяги, переход следует осуществлять без разрыва силовой цепи. Включение и выключение индивидуальных контакторов должно происходить в определенной последовательности. Контакторы, переключающие двигатели и резисторы, необходимо применять с дугогашением.
На контроллере машиниста не предусматривают позиции, соответствующие отдельным стадиям переключения силовой цепи при переходе. Необходимая последовательность действия контакторов обеспечивается автоматически при переводе рукоятки контроллера машиниста с ходовой позиции последовательного или последовательно-параллельного соединения двигателей на 1-ю реостатную позицию последовательно-параллельного или параллельного соединения.
При индивидуальных контакторах это достигается их взаимной блокировкой в цепи управления, особенно сложной для электровозов с тремя соединениями двигателей и выполнением обратного перехода без разрыва цепи. При групповых контакторах необходимая последовательность их замыкания обеспечивается соответствующим профилированием шайб кулачкового вала (см. § 65). Для упрощения схемы управления и обеспечения обратного перехода без разрыва цепи даже при индивидуальных реостатных контакторах применяют групповые переключатели. В схеме рис 234, а, например, групповыми являются контакторы 2, 3 и 12—22. Тогда при обратном переходе с параллельного на последовательно-параллельное или с последовательно-параллельного на последовательное соединение тяговых двигателей должны вначале переключаться контакторы группового переключателя, а за-
тем включаться контакторы пусковых резисторов Нарушение такой очередности при обратном переходе вызвало бы перегрузку двигателей в момент замыкания реостатных контакторов до переключения группового переключателя, так как это соответствовало бы безреостатной позиции на параллельном или последовательно-параллельном соединении двигателей.
Переход шунтированием части двигателей резистором. При этом способе уменьшаются толчки генераторного тока. На магистральных электровозах с шестью и восемью тяговыми двигателями для шунтирования применяют либо часть
пусковых резисторов или специальные резисторы (на электровозах ВЛ22М с рекуперацией, ВЛ23 и ЧС2). Чтобы упростить силовые цепи, иногда при переходе с последовательного на последовательно-параллельное соединение для шунтирования применяют часть пусковых резисторов, а с последовательно-параллельного на параллельное — специальные резисторы (на электровозах ВЛ8, ВЛ10 и ВЛ10У).
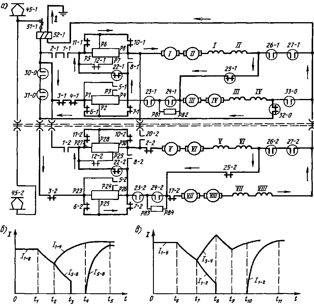
В качестве примера рассмотрим принципиальную схему силовых цепей электровозов ВЛ8 и ВЛЮ. На первой экономической позиции (16-я позиция) все пусковые резисторы выведены из цепи

Рис 235 Схема прохождения тока в силовой цепи на 16-й безреостатной (ходовой) позиции электровозов ВЛ8 и ВЛЮ (а) и диаграммы изменений тока при шунтировании резистором двигателей IV—VIII при переходе с последовательного иа последовательно-параллельное (б) и двигателей /, // — с последовательно-параллельного на параллельное (в)
Таблица 19

тяговых двигателей /—VIII (рис. 235, а). Напряжение на зажимах каждого тягового двигателя равно 3000 : 8 = = 375 В.
При переводе главной рукоятки контроллера на 17-ю позицию (табл. 19) происходит переход с последовательного на последовательно-параллельное соединение двигателя. Переход начинается выключением индивидуальных контакторов 7—1, 12—1, 6—2, 7—2 и 12—2 и вводом в цепь двигателей секций Р2—Р4, Р23—Р26 пускового резистора для ограничения броска тока (переходная позиция П1). Затем начинает поворачиваться кулачковый вал группового переключателя КСПО, обеспечивая включение и выключение соответствующих контакторов. При этом сначала включается контактор 33—0 (см. табл. 18), который шунтирует группу тяговых двигателей V— VIII и соединенную с ними последовательно секцию пускового резистора
Р23—Р26, ограничивающую ток в контуре этих двигателей (позиция П2).
На переходной позиции ПЗ выключается контактор 32—0, вызывающий размыкание шунтированной цепи тяговых двигателей V—VIII. На позиции П4, выключаясь, индивидуальные контакторы 10—/ и 10—2 подготовляют включение в цепь тяговых двигателей V—VIII на переходной позиции П5 секции реостата.
На переходной позиции П5 включаются контакторы 30—0 и 31—0, которые подсоединяют двигатели V—VIII параллельно двигателям /—IV При этом в цепь тяговых двигателей /—IV последовательно включена секция сопротивлением 4,8 Ом, а в цепь тяговых двигателей V—VIII — сопротивлением 4,3 Ом, вследствие чего токи в параллельных цепях различны.
На 17-й позиции после поворота вала группового переключателя КСПО в положение последовательно-параллельного
соединения включается индивидуальный контактор 20—2, замыкающий цепь уравнительного соединения между двумя параллельными цепями пусковых резисторов; это необходимо для выравнивания тока в параллельных цепях тяговых двигателей.
На 27-й позиции все секции пускового реостата закорочены, уравнительный контактор 20—2 выключен и напряжение на зажимах каждого двигателя равно 3000 : 4 = 750 В. Выключение уравнительного контактора 20—2 на 27-й позиции предусмотрено для равномерного распределения тока между группами контакторов (обходными цепями), шунтирующих секции пускового реостата, так как при различных переходных сопротивлениях контакторов и разном их числе в обходных цепях значительно перегружаются отдельные контакторы, составляющие цепь с меньшим сопротивлением.
Для подготовки цепи к переходу на параллельное соединение на 27-й позиции включаются контакторы 8—/ и 8— 2, которые дублируют обходные цепи секций Р5—Р8 и Р27—Р30.
При переводе главной рукоятки контроллера на 28-ю позицию происходит переход на параллельное соединение. На переходной позиции П1 включается уравнительный контактор 20—2 и выключаются реостатные контакторы 6—/, 7—/, 10—1,11—1,12—1, 6—2, 7—2,10—2,11—2 и 12—2, которые вводят в цепь двигателей секции РЗ—Р4 и Р25—Р26 пускового реостата. Введение сопротивления в цепь двигателей вызывает уменьшение в них тока и снижение силы тяги у всех осей электровоза. Затем начинают поворачиваться кулачковые валы групповых переключателей КСП1 и КСПП, обеспечивая включение и выключение соответствующих контакторов.
На переходной позиции П2 выключаются контакторы 22—/ и 22—2, которые подготовляют секции Р5—Р8 и Р27— РЗО для включения в цепь тягоаых двигателей во время работы с 27-й по 36-ю позицию.
На переходной позиции ПЗ замыкаются контакторы 23—/ и 2с?—2, шунтирующие двигатели /, // и V, VI специально предусмотренными для этого резисто-
рами Р81—Р82 и Р83—Р84 (по 2,1 Ом каждый). Это сопровождается некоторым увеличением тока в двигателях ///, IV и VII, VIII и силы тяги их осей.
На позиции П4 выключаются контакторы 25—/ и 25—2, размыкая шунтированные цепи двигателей /, // и V, VI. Затем выключаются реостатные контакторы 5—/ и 5—2 и включаются линейные /—/, 2—/ и /—2. Контакторы /—/ и 2—/ подключают секции Р5— Р8 параллельно Р1—Р4, контактор /— 2 — секции Р27—РЗО параллельно Р23— Р26 Реостатные контакторы 5—1 и 5—2 размыкают шунтирующие секции Я/— РЗ и Р23—Р25
На позиции П5 включаются контакторы 24—1, 24—2, 26—1, 26—2, 27—1 и 27—2 Контакторы 24—/ и 24—2 закорачивают в цепи тяговых двигателей ///, IV и VII, VIII шунтирующие секции Р81—Р82 и Р83—Р84, а контакторы 26—1, 27—1, 26—2 и 27—2 подсоединяют двигатели /, // и V, VI к цепи параллельно двигателям ///, IV и VII, VIII. Это положение сохраняется на 28-й позиции.
Как изменяется ток в двигателях /— VIII при переходе с последовательного на последовательно-параллельное соединение, можно проследить по диаграмме рис. 235, б, а в двигателях /—IV при переходе с последовательно-параллельного на параллельное соединение — по диаграмме рис. 235, е. До момента 1\ двигатели /—VIII включены последовательно и ток в их цепи равен /,_8 (см. рис. 235, б). В момент включается в цепь часть секций пускового реостата и ток /,_8 уменьшается. В момент <2 двигатели V—VIII шунтируются секциями пускового реостата. Это вызывает возрастание тока /,_4 в двигателях /— IV и снижение тока /5_8 в двигателях V—VIII. Затем в момент /3 выключается контактор 32—0, размыкая цепь, шунтирующую двигатели V—VIII В момент
контакторы 30—0 и 31—0 присоединяют двигатели V—VIII к цепи. Переход на последовательно-параллельное соединение заканчивается включением уравнительного контактора 20—2 (момент Г5). При переходе с последовательно-параллельного на параллельное соединение в момент *6 (рис. 235, в) включаются сек-

Рис. 236. Принципиальные схемы (а, б, в), скоростные характеристики (г) и таблица замыкания контакторов (д) при переходе по схеме моста
ции пускового реостата в цепь двигателей. В момент U двигатели / и // шунтируются переходным резистором Р81— Р82 (двигатели V и VI — резистором Р83—Р84), в момент ts размыкаются цепи шунтирования двигателей. При этом в цепь двигателей /// и IV включается переходной резистор Р81—Р82 (двигателей VII и VIII — резистор Р83— Р84) и ток /3_4 уменьшается. В момент t9 происходит шунтирование переходных резисторов контакторами, в момент fin — присоединение к цепи двигателей /, // и V, VI. Переход заканчивается включением уравнительных контакторов 8—/ и 8—2 (момент <ц). По мере изменения тока в двигателях соответственно изменяется и сила тяги.
Сопротивление переходного резистора выбирают таким, чтобы падение напряжения в нем было равно или больше э. д. с. шунтированного двигателя; обычно оиа равна (0,3 -f- 0,5) 1чгл (здесь /ч — ток двигателя при часовом режиме). Чтобы исключить прохождение генераторного тока и уменьшить провал силы тяги, на современных электровозах в переходные цепи включают запирающие диоды (например, на электровозах ВЛ15 диоды VI—V12, V25—V36, см. рис. 261).
Переход по схеме моста. Значительное уменьшение силы тяги при переходе коротким замыканием или шунтирова-
нием части двигателей резисторами может быть устранено при переходе по схеме моста, что широко применяют на электропоездах постоянного тока и электровозах или секциях электровозов с четырьмя двигателями. Иногда, чтобы уменьшить резкое снижение силы тяги на электровозах с шестью двигателями (например, на части электровозов ЧС2), переход с последовательного на последовательно-параллельное соединение осуществляется по схеме моста, а с последовательно-параллельного на параллельное — коротким замыканием части тяговых двигателей. При переходе по схеме моста необходимо, чтобы двигатели каждой группы имели отдельные пусковые реостаты и свой комплект контакторов для ступенчатого изменения сопротивления (рис. 236).
На безреостатной позиции последовательного соединения все секции пусковых реостатов выведены (рис. 236, а). При переходе с последовательного соединения на параллельное вначале включаются переходные контакторы Я/ и П2, которые параллельно каждой группе двигателей /, // и III, IV подключают равные по сопротивлению секции пусковых реостатов. Группы двигателей и эти реостаты соединены при этом уравнительным мостовым контактором М (рис. 236, б). Ток от токоприемника протекает по двум

Рис. 237. Принципиальная схема прохождения тока в силовой цепи при переходе с СП на П соединение тяговых двигателей с диодами электровоза ВЛ11м на позиции ХЗ
цепям: через двигатели /—IV (ток /д) и через пусковые реостаты — 1Г= £/с/ /(2г). Через мостовой контактор М проходит уравнительный ток /у = I, — /д. Направление тока /у зависит от знака разности I, — /д. При I, = 1Я ток /у = О, а 2г=ис/Ій. В этом случае токораспре-деление в цепях такое же, как при параллельном соединении групп двигателей с включением в каждую из них равной по сопротивлению секции пускового реостата.
Если 2г = ис/1л, то контактор М выключается без тока и переход на первую реостатную позицию параллельного соединения (рис. 236, в) происходит без изменения тока двигателей, а следовательно, и силы тяги. Однако равенство 2г = £/с//д действительно только при определенных значениях «Уд и £/с.
Баланс токов моста (/д = /г) соответствует точке пересечения скоростных характеристик двигателей на безреостатной позиции последовательного соединения (кривая С на рис. 236, г) и 1-й реостатной позиции параллельного соединения (кривая П). Если ток двигателей /2 > /д, то он уменьшается при переходе на параллельное соединение до 1'2, соответственно уменьшается и сила тяги. Если /, < /д, то при переходе ток увеличивается до /{ и соответственно возрастает сила тяги. Баланс токов может нарушиться и вследствие изменения напряжения і/с, что приводит к изменению тока /г, смещению характеристики П и точки пересечения кривых С и Я.
На моторных вагонах электропоездов
с автоматическим управлением обычно выбирают такую уставку реле ускорения, при которой для определенного напряжения сети сохраняется баланс токов. Однако даже в этом случае баланс токов может быть нарушен при повторных включениях двигателей после выбега, когда пусковой ток меньше расчетного, или при изменении уставки по току. Поэтому мостовые контакторы, а также контакторы 77/ и /72 выполняют с дуго-гашением. Контакторы /—10, если не производится обратный переход под током (например, в групповых системах с автоматическим управлением), обычно выполняют без дугогашения.
Переход по схеме с диодами. Применение диодов в электрических цепях для перехода с одного соединения тяговых двигателей на другое позволяет упростить операции и уменьшить время на переключения. В качестве примера рассмотрим схему цепей тяговых двигателей электровоза ВЛ11М при переходе с соединения СП на П (рис. 237). Вначале, при перемещении главной рукоятки контроллера машиниста с 21-й (ходовой) на 22-ю позицию, отключаются реостатные контакторы, вал группового переключателя ПкГ начинает поворачиваться из положения СП в положение П. Выключаются реостатные контакторы и контактор 4 ПкГ; в цепь двигателей вводятся запирающие диоды Д1—Д24 (ВЛ200-10) и параллельно включенные пусковые резисторы Р1 и Р2. Затем включаются контакторы 2, 3, 5, 6 ПкГ, чем и заканчивается переключение тяговых двигате-
лей на параллельное соединение. При одновременном включении контакторов 2, 3, 5 и 6 ПкГ переключения происходят без разрыва силовой цепи тяговых двигателей. Обратный переход с соединения П на СП осуществляется выключением контакторов 2, 3, 5 и 6 ПкГ, при этом автоматически восстанавливается электрическая цепь через диоды Д1-Д24.
|
|