Импульсное регулирование напряжения тяговых двигателей (см. § 53) обычно сочетают с импульсным регулированием тока возбуждения. Существуют системы раздельного и совмещенного регулирования тока якоря и тока.возбуждения. На с. 221 были показаны принципиальные схемы импульсного регулирования напряжения и тока возбуждения в тяговом режиме, в режиме электрического торможения при различных способах включения тиристорных прерывателей. Чтобы уменьшить массу (размеры) реакторов и конденсаторов, составляющую значительную долю массы оборудования преобразователей, обычно выбирают достаточно высокую рабочую частоту импульсов (до 400 Гц). С целью снижения установленной мощности преобразователя тяговые двигатели соединяют последовательно. В СССР выполнены образцы электровозов и электропоездов с импульсным регулированием напряжения и тока возбуждения
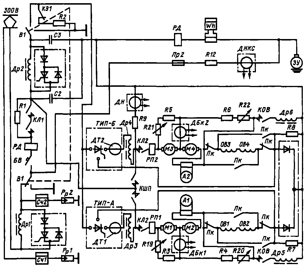
В качестве примера рассмотрим упрощенную схему совмещенного регулирования напряжения и тока возбуждения, примененную на электропоезде ЭР 12 (рис. 238) Импульсное регулирование применено только в режиме тяги, так как у двигателей УРТ-110 возникают при электрическом торможении недопустимые межламельные напряжения, а также недопустимый нагрев обмоток в условиях интенсивного движения.
Импульсное регулирование напряжения осуществляется двухфазным широт-но-импульсным преобразователем, содер-
жащим два прерывателя ТИП-А и ТИП-Б, которые работают со сдвигом во времени на половину периода импульсного цикла для уменьшения пульсации тока в контактной сети. Прерыватели подключены к цепи тяговых двигателей через сглаживающие реакторы ДрЗ и Др4, что уменьшает пульсацию тока двигателей. Для защиты воздушных линий связи от мешающих влияний системы регулирования применен двухфазный Г-образный индуктивно-емкостной фильтр. Реакторы Др1 и Др2 шунтированы цепочкой из диодов и тиристоров, с целью защиты вентилей преобразователя от перенапряжений при аварийных и переходных режимах.
После включения быстродействующего выключателя БВ осуществляется предварительный заряд коммутирующих конденсаторов, а также заряд конденсаторов С2 и СЗ через резистор У?/. При установке реверсивной рукоятки в положение Вперед или Назад, а главной рукоятки в маневровое положение М силовые цепи моторного вагона собираются, блок-контакт линейного контактора КЛ2 подает сигнал, по которому начинает работать блок управления преобразователем, и на двигателях М1—М4 плавно увеличивается напряжение до 300—500 В, поддерживая минимальный ток уставки 120 А.
По мере увеличения коэффициента заполнения к от 0,7 среднее значение коэффициента возбуждения р плавно уменьшается до 0,5 при Я = 1. После окончания регулирования тока возбуждения импульсы управления снимаются, а когда ток тяговых двигателей становится меньше тока уставки, включается контактор КШП, шунтирующий прерыватели.
В положении / или 2 главной рукоятки контроллера машиниста контактные элементы в цепи не переключаются, но ток уставки увеличивается до 160—-220 А при р = 1 и напряжения на двигателях равны [Ус. В положении 3 главной рукоятки контроллера, как только напряжение на тяговых двигателях достигает ис, блок управления включает контакторы КОВ и прерыватели ТИП-А и ТИП-Б производят плавное ослабление возбуждения Одновременно снижается напряжение на тяговых двигателях, но поддерживается неизменным ток в цепях

Рис. 238. Схема силовой цепи моторного вагона электропоезда ЭР 12 с широтно-импульсным
регулированием напряжения и тока возбуждения в режиме тяги: ТИП-А и ТИП-Б — прерыватели двухфазного тириеторно-импульсиого преобразователя ТИП-1320, Др1, С2, Др2, СЗ — реакторы и конденсаторы двухфазного Г-образного индуктивно-емкостного фильтра; КЛ1, КЛ2 — линейные контакторы; КШП — контактор, шунтирующий прерыватели; КОВ — контактор ослабления возбуждения; Я2 — резистор заземления; КЭ1 — контактор заземления; Ю и Ц8 — резисторы ослабления возбуждения, ДНКС н ДН — соответственно датчики напряжения контактной сети и тяговых двигателей, В/ — главный разъединитель, ДрЗ и Др4 — сглаживающие реакторы, ЗУ — заземляющее устройство; Др5 и Дрб — реакторы шунтировки обмоток возбуждения; ДТ1 и ДТ2 — датчики тока; ДБк1 и ДБк2 — датчики боксоваиия
якорей. Когда прерыватели заперты и ток якорей замыкается по обратным вентилям, ток возбуждения возрастает; когда прерыватели открыты, создается цепь шунтирования обмоток тяговых двигателей реакторами Дрб и Дрб и ток возбуждения уменьшается. По мере разгона поезда относительное время проводящего состояния прерывателей увеличивается, коэффициент возбуждения В приближается к —0,5. После достижения коэффициентом В значения, близкого к единице, включается контактор КШП, дальнейший разгон поезда происходит по характеристике при В = 0,5.
При возвращении главной рукоятки
из положений М, 1, 2 или 3 в положение 0 вначале запираются прерыватели и тем самым тяговые двигатели отключаются от токоприемника, а затем отключаются линейные контакторы КЛ1 и КЛ2. Если отключаются двигатели, работающие по автоматической характеристике при ослабленном возбуждении, вначале отключаются контакторы КОВ, усиливается возбуждение тяговых двигателей и уменьшается ток якорей, после чего происходит отключение контакторов КЛ1 и КЛ2. Такая последовательность отключений обеспечивает уменьшение перенапряжений на прерывателях ТИП-А и ТИП-Б.
Г л а ва 17
ПУСК И РЕГУЛИРОВАНИЕ ЧАСТОТЫ ВРАЩЕНИЯ ЯКОРЕЙ ТЯГОВЫХ ДВИГАТЕЛЕЙ Э. П. С. ПЕРЕМЕННОГО ТОКА В ТЯГОВОМ РЕЖИМЕ
|
|