Нарушение режимов нормальной работы оборудования э п. с при электрическом торможении, когда тяговые двигатели работают генераторами, может происходить из-за чрезмерного повышения напряжения на двигателях, а также нарушения предельного соотношения токов нагрузки и возбуждения, что повышает вероятность возникновения кругового огня на коллекторах двигателей.
При реостатном торможении с последовательным возбуждением, если быстро выключать ступени тормозного реостата, может возникнуть перегрузка. Защиту в этом случае осуществляют реле перегрузки в тяговом режиме, которые воздействуют обычно на электропневматические контакторы. Может быть осуществлена и буферная защита путем введения в цепь тока ступени тормозного реостата или ослабления возбуждения. На моторных вагонах с автоматическим управлением торможением, как и в тяговом режиме, возможна ликвидация перегрузки снижением уставки реле торможения или применением специальных систем автоматического управления работой тиристорных преобразователей.
Защиту от максимального напряжения, которое может быть прн высоких скоростях н при токах, меньших тока уставки реле перегрузки, осуществляют с помощью реле максимального напряжения. Однако возможность возникновения круговых огней и перебросов дуги на землю при этом все же не устраняется полностью. Для защиты от круговых огней и перебросов дуги применяют дифференциальные реле, реагирующие на неравенство токов в участках последовательной цепи или в двух параллельных цепях, а также реле заземления.
Защита от перебросов дуги на землю значительно облегчается в схемах, не имеющих «глухого» заземления. В этом случае, как и в схемах э. п. с. переменного тока, переброс дуги на землю не сопровождается полным коротким замыканием, и защита может быть осуществлена с помощью реле заземления, воздействующего на главный выключатель.
При реостатном торможении с независимым возбуждением тяговых двигателей и постоянным тормозным сопротивлением перегрузка возможна при чрезмерно быстром переключении ступеней возбуждения В этом случае защиту осуществляют с помощью реле перегрузки и реле максимального напряжения, воздействующих на цепи возбуждения двигателей.
При рекуперативном торможении нарушения нормальной работы электрооборудования могут вызвать:

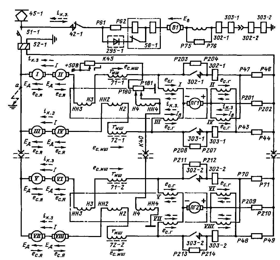
Рис. 257. Схема действия защиты при к з. в процессе рекуперативного торможения на электровозах ВЛ10, ВЛ10У с быстродействующими контакторами 302-1, 302-2, 303-1 и 303-2
к. з. в контактной сети, что приводит к к. з. тяговых двигателей; чрезмерное повышение напряжения на двигателях; снятие напряжения в тяговой сети переменного тока и др.
На э. п. с. постоянного тока (электровозах ВЛ8, ВЛ10, электропоездах ЭР22, ЭР22М) при рекуперации применяют специальные быстродействующие системы защиты, разработанные ВНИИЖТом. В них используются быстродействующие контакторы 302-1, 303-1, 302-2, 303-2 (рис. 257), при выключении которых отключается быстродействующий выключатель 51-1, ограничивается ток гкз в обмотках возбуждения тяговых двигателей и происходит интенсивное уменьшение магнитного потока последних. Скорость нарастания тока гкз тяговых дви-
гателей снижают также включением в цепи их якорей индуктивных шунтов 71-1, 72-2. Чтобы снизить перенапряжения и увеличить скорость отключения тока /кз, силовые контакты быстродействующих контакторов шунтированы резисторами Р203—Р204, Р207—Р208, Р211—Р212, Р213—Р214. С этой же целью применены резисторы Р201—Р202, Р209—Р210 в цепях якорей генераторов ПГ1, ПГ2 и резистора Р75—Р76 в цепи обмотки возбуждения электродвигателя В1, в которую включены катушки быстродействующих контакторов 302-1, 303-1, 302-2, ЗЬЗ-2. При к. з. в точке а направление токов рекуперации /, возбуждения /„, короткого замыкания гкз, а также э. д. с вращения якорей £д и самоиндукция якоря еся, индуктив-
ного шунта есиш и генератора ест показаны на рис 257. На э. п. с. переменного тока для защиты тяговых двигателей от токов короткого замыкания их на преобразователь, которое происходит при нарушении режима инвертирования, применяют короткозамыкатели и быстродействующие выключатели.
|
|