Боксование наступает, когда сила тяги г7 локомотива по абсолютному значению превышает максимальную силу трения Ттях = Якф (гДе Рк — нажатие колеса на рельсы; ф — коэффициент сцепления). При возникновении боксования одной из колесных пар локомотива постоянного тока напряжение на якоре двигателя боксующей колесной пары становится больше вследствие увеличения его э. д. с, а в результате уменьшения тока двигателя снижается сила тяги. В связи с ростом проскальзывания уменьшается сила трения Т; обычно она уменьшается быстрее силы тяги /•", т. е. разность г7 — Г увеличивается, вызывая дальнейшее развитие боксования. Боксование также вызывает повышенный износ бандажей и рельсов.
Юз колесных пар, как и боксование, приводит к повышению износа бандажей и рельсов н увеличению напряжения на якорях двигателей нескользящих колесных пар в последовательной цепи. Особенно опасен юз при действии механического тормоза, что может вызвать полную остановку скользящей колесной пары и образование «лысок» на бандажах.
Прекратить боксование можно, уменьшив силу /\ увеличив нажатие Рк колеса на рельс, коэффициент сцепления (например, путем подачи песка), а также механическим подтормаживанием, поосным регулированием силы тяги с контролем сцепления (применением системы автоматической стабилизации сцепления). Наиболее целесообразным и эффективным средством прекращения боксования является кратковременное (на 1—2 с) снижение силы тягн боксующей оси (примерно на 1/3).
Если пренебречь механическими и
магнитными потерями в двигателе и потерями в зубчатой передаче, можно считать, что сила тяги оси ^ = сФ1.
Следовательно, уменьшить силу тяги боксующей оси можно снижением магнитного потока Ф главных полюсов или тока / двигателя. Этого можно достичь: шунтированием якоря специальным резистором, шунтированием обмотки возбуждения индуктивным шунтом, переводом двигателей последовательной цепи с ослабленного на полное возбуждение, усилением магнитного потока путем подпитки обмотки возбуждения двигателя боксующей оси, введением в цепь двигателя боксующей оси специального резистора, включением уравнителей возбуждения.
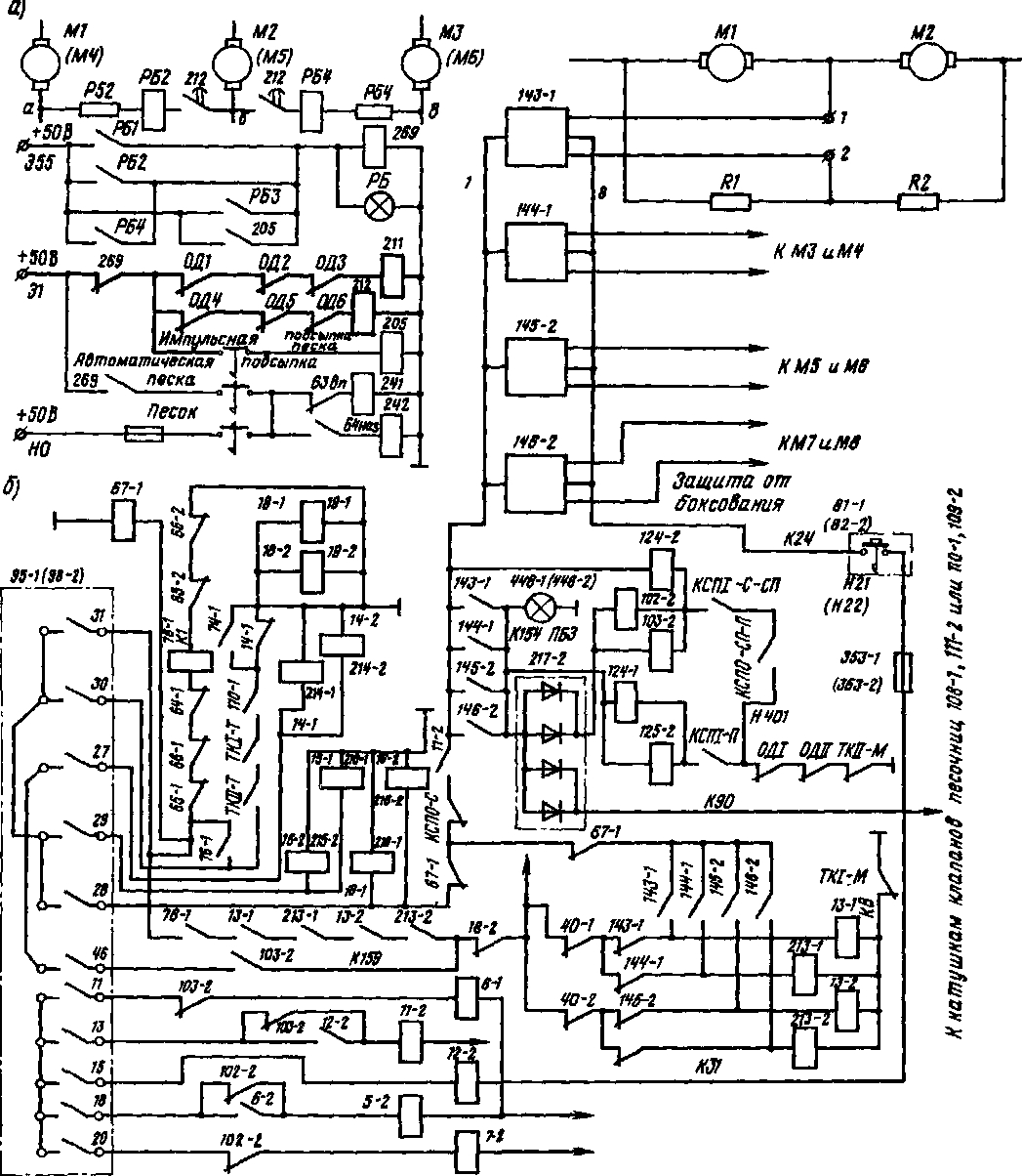
На электровозах В Л 60" предусмотрена специальная защита от боксования: в каждой группе из трех тяговых двигателей М1(М4) —МЗ(М6) между якорями и обмотками возбуждения включены реле боксования РБЦРБЗ) и РБ2(РБ4) (рис. 258, а), добавочные резисторы Р51(Р52) и Р53(Р54) и контакты реле времени 211(212). Когда нет боксования колесных пар, катушки реле РБ1 и РБ2 не возбуждены, так как они подключены к однопотенциальным точкам а, б и в цепи. При боксовании ток в цепи двигателя боксующей колесной пары уменьшится и в точках а, б или б, в появится разность потенциалов, в результате чего реле сработают н создадут цепь питания реле 269. Последнее замкнет свои контакты в цепи возбуждения вентиля подачи песка и одновременно разорвет цепь катушек реле времени 211 и 212, которые через 1 —1,5 с сработают н разорвут цепь катушек реле боксования; подача песка прекратится. Если боксование не прекратится, реле снова сработают, подача песка возобновится.
Таким образом, реле боксования периодически срабатывают и обеспечивают автоматическую подачу песка под колесные пары. При срабатывании реле загорается белая сигнальная лампа РБ
Промежуточное реле 269 и реле времени 211, 212 составляют пульс-пару, которая обеспечивает импульсную подачу песка под колеса во время боксования. Подача песка возможна и вручную соответствующей кнопкой. В этом слу-
чае возбуждается реле 205, которое воздействует на реле 269. Реле 205, заменяющее реле боксования и реле времени, имеет выдержку на отключение 1,2—2 с, после чего прекращается подача песка. Затем оно снова возбуждается, и подача песка повторяется. В этой схеме пульс-пару составляют реле 205 и 269. Аналогично выполнена защита от боксования на электровозах ВЛ80 всех индексов.
На электровозах постоянного тока ВЛ10 (с № 1740 выпуска ТЭВЗ и с № 1121 выпуска НЭВЗ), ВЛЮУ, ВЛ11, ВЛ15 внедрена усовершенствованная противобоксовочная защита (УПБЗ), которая получает питание по проводу К31 (рис. 258, б) через предохранитель 353-1 (353-2) и кнопку Защита от боксования на кнопочном выключателе 81-1 (82-2). Напряжение на датчики боксования (типа ДБ-018) 143-1, 144-1, 145-2

Рис 258 Схемы защиты от боксования электровоза ВЛ60" (в) и усовершенствованной проти-вобоксовочной защиты электровоза ВЛ10 с № 1740 выпуска ТЭВЗ и с № 1121 выпуска НЭВЗ (б)
и 146-2 подается через провод К24. При боксовании или юзе какой-либо колесной пары срабатывает соответствующий датчик боксования, контактами которого подается напряжение на сигнальную лампу ПБЗ 448-1 (448-2), через селеновый выпрямитель 217-2 и провод К90 на катушки клапанов песочниц.
На позициях с 3-й по 16-ю последовательного соединения тяговых двигателей через замкнутые блокировки 11-2 К.СПО-С и 67-1 от провода К24 получают питание катушки электропневматических контакторов ослабления возбуждения 16-1, 16-2 и контакторов 216-1, 216-2 При срабатывании любого нз датчиков 143-1, 144-1, 145-2 ила 146-2 (в зависимости от того, какая колесная пара боксует) возбуждается катушка соответствующего контактора ослабления возбуждения 13-1, 213-1, 13-2 или 213-2 и создается режим возбуждения IV ступени ослабления боксующей пары двигателей; при этом уменьшается тяговое усилие боксующего двигателя и восстанавливается сцепление. В случае боксования в режиме ослабленного возбуждения воздействия на катушку контакторов 16-1 и 16-2 не происходит, так как блокировка 67-1 в цепи проводов Н412-28 будет разомкнута. Срабатывание любого из датчиков 143*1, 144-1, 145-2, 146-2 вызывает отключение соответствующего контактора 13-1, 213-1, 13-2, 213-2, замыкающая блокировка которого в проводе 31 отключает питание катушек контакторов ослабления возбуждения всех групп двигателей.
При переходе на последовательно-параллельное соединение двигателей включается уравнительный электропневматический контактор 124-2, обеспечивающий повышение жесткости характеристик двигателей. В случае боксования на этом соединении получают питание промежуточные реле 102-2 и 103-2, контактами которых, включенными в цепи катушек реостатных контакторов 6-1, 5-2, 7-2 и 11-2, отключаются те или иные из указанных контакторов в зависимости от реостатной позиции соединения. Уменьшение тока в якорях всех тяговых двигателей, включая и боксующий, приводит к ликвидации режима боксования. При боксовании колесных пар и
движении на параллельном соединении датчики боксования включают уравнительные электропневматнческие контакторы 124-1, 125-1, 125-2. При этом увеличивается ток возбуждения и уменьшается ток якорей группы с боксующим двигателем.
В случае боксования колесных пар на параллельном и последовательно-параллельном соединении тяговых двигателей в режиме ослабления возбуждения размыкающие контакты датчиков отключают соответствующий контактор 13-1, 213-1, 13-2 или 213-2. При отключении любого из них их собственные блок-контакты 13-1, 213-1, 13-2 или 213-2 размыкают цепь питания катушек контакторов, обеспечивая перевод двигателей с ослабленного на полное возбуждение. Для восстановления ослабления возбуждения тормозную рукоятку контроллера машиниста переводят на нулевую позицию.
При отключении группы двигателей (аварийный режим работы) блокировки ОД1 или ОДП отключателей двигателей в цепи проводов Н401-Н411 размыкают цепь катушек уравнительных контакторов 124-1, 124-2, 125-1, 125-2 и промежуточных реле 102-2 и 103-2 (в режиме рекуперации эти контакторы н реле не включаются, так как цепи нх катушек со стороны минуса разомкнуты блокировкой ТК1-М).
Начиная с электровоза ВЛ10 № 1767 выпуска ТЭВЗ и № 1420 выпуска НЭВЗ, внедрена защита от юза. С этой целью в цепь катушки контактора 76-1 включены последовательно блокировки датчиков 143-1, 144-1, 145-2 М 146-2.
На электропоездах при автоматическом торможении с высоким замедлением достаточно прекратить автоматическое переключение ступеней, фиксировав достигнутую ступень или понизив уставку реле торможения на моторном вагоне, в котором возник юз. Прн этом понижение скорости движения поезда, обеспечиваемое тормозной силой других моторных вагонов, вызывает падение нагрузки двигателей и тормозной силы, т е. приводит к прекращению юза. Для предотвращения совместного действия электрического и механического торможения на э. п. с. применяют пневматические выключатели цепей управления (см. с. 114).
|
|